メカニカル部品技術窓口

(丸)
(ダイヤ)


D(P)≧3の場合
a=1.0
d=D(P)-0.2
[ ! ]逃げ部寸法は参考値になります。
D(P)<3の場合
a=0.5
d=D(P)-0.1
| P・L・B寸指定 | [ M ]材質 | [ S ]表面処理 | [ H ]硬度 | 洗浄方法 | ||||
| 丸 | ダイヤ | 洗浄方法 | 洗浄環境 | 梱包形態 | 梱包環境 | |||
| SL-GFPTNA | SL-GFPTND | SKS3相当 | 硬質クロムメッキ | 焼入硬度50〜55HRC メッキ硬度750HV〜 | 脱脂洗浄 | 一般環境 | 防錆梱包 | 一般環境 |
| SH-GFPTNA | SH-GFPTND | 精密洗浄 | クラス1000 | 脱気2重梱包 | クラス10 | |||
詳細図を記載しておりますので、ご確認ください。| 型式 | − | P | − | L | − | B |
| SL-GFPTNA6 | − | P4.01 | − | L8 | − | B3.5 |
| 型式 | P 指定 0.01mm単位 | L 指定 1mm単位 | B 指定 0.1mm単位 | m | H | (W) | M (並目) | *締付トルク N・cm | ¥基準単価 | |||||
| Type | D | D公差 g6 | 丸形状 | ダイヤ形状 | ||||||||||
| SL-GFPTNA | SH-GFPTNA | SL-GFPTND | SH-GFPTND | |||||||||||
| (丸) SL-GFPTNA SH-GFPTNA (ダイヤ) SL-GFPTND SH-GFPTND | 3 | −0.002 −0.008 | 2.00〜4.00 | 0〜6 | 2.0〜10.0 | 1 | 6 | 1 | M 3 | 98 | 1,990 | 2,340 | 2,600 | 2,950 |
| 4 | −0.004 −0.012 | 2.00〜5.00 | 0〜8 | 2.0〜10.0 | 1.2 | M 4 | 225 | 2,070 | 2,420 | 2,810 | 3,160 | |||
| 5 | 3.00〜6.00 | 0〜10 | 2.0〜15.0(10.0) | 2 | 8 | 1.5 | M 5 | 461 | 2,220 | 2,570 | 2,920 | 3,270 | ||
| 6 | 4.00〜7.00 | 0〜10 | 2.0〜15.0 | 1.8 | M 6 | 784 | 2,370 | 2,720 | 3,060 | 3,410 | ||||
| 8 | −0.005 −0.014 | 5.00〜9.00 | 0〜10 | 2.0〜20.0(15.0) | 3 | 11 | 2.2 | M 8 | 1911 | 2,430 | 2,780 | 3,220 | 3,570 | |
| 10 | 7.00〜11.00 | 0〜15 | 3.0〜30.0(25.0) | 13 | 3 | M10 | 3783 | 2,520 | 2,870 | 3,280 | 3,630 | |||
| 12 | −0.006 −0.017 | 7.00〜12.00 | 0〜15 | 3.0〜30.0(25.0) | 15 | 3.2 | M12 | 6605 | 2,600 | 2,950 | 3,430 | 3,780 | ||
| 16 | 13.00〜16.00 | 0〜20 | 5.0〜30.0 | 4 | 19 | 4 | M16 | 16366 | 2,700 | 3,050 | 3,520 | 3,870 | ||
| 20 | −0.007 −0.020 | 16.00〜20.00 | 0〜20 | 5.0〜30.0 | 5 | 23 | 5.5 | M20 | 32928 | 2,780 | 3,130 | 4,470 | 4,820 | |
| 追加工 コード | 追加工内容 | 適用条件 | 指定例 | \/1Code | |||||||||||||||||||||||||||||||||||
| HC | 二面幅加工を追加![]() | HC=指定0.5mm単位指定 [ ! ]HC>D HC>P | FPTNA8-P6.00-L5-B6-HC10 | 500 | |||||||||||||||||||||||||||||||||||
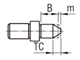
| TC | 先端テーパー部長さ変更![]() | m寸法を変更します。指定1mm単位 [ ! ]B+m≧TC+2(ストレート部min.2mm) [ ! ]P≧2.00に適用可 [ ! ]P/2-TCtan15°(≒0.27)>0.5(先端φ1.0min.) [ ! ]TCの指定により、B寸法が変わります。
| FPTNA8-P6.00-L5-B6-TC5 | 300 | |||||||||||||||||||||||||||||||||||
| RC | 首元R加工を追加![]() | 首元の逃げをR0.5に変更します。 [ ! ]H-P≧2の場合に適用 [ NG ]LACとの併用不可 | FPTNA8-P6.00-L5-B6-RC | 300 | |||||||||||||||||||||||||||||||||||
| RAC | 六角穴を追加![]() | 六角穴を追加します。 [ ! ]P寸・L寸・B寸指定タイプのみ適用 [ ! ]丸形状はD≧8、ダイヤ形状はD≧10に適用 [ NG ]TC・LACとの併用不可
| FPTNA8-P6.00-L5-B6-RAC | 600 | |||||||||||||||||||||||||||||||||||
| LAC | レンチ穴を追加![]() | レンチ穴を追加します。 [ ! ]丸形状はD≧8、P≧6、ダイヤ形状はD≧10、P≧8に適用 [ ! ]ダイヤ形状のレンチ穴は、ダイヤ面に対し垂直にあきま
| FPTNA8-P6.00-L5-B6-LAC | 300 | |||||||||||||||||||||||||||||||||||
| NNC | ねじ元に逃げを追加![]() | ねじ元に逃げ加工を追加します。 [ ! ]L=0の場合に適用 [ NG ]RACとの併用不可 | FPTNA8-P6.00-L0-B6-NNC | 100 | |||||||||||||||||||||||||||||||||||
洗浄工程| ※材質がステンレスの場合、アルカリ系温水洗浄となることがあります。 | |
| ・脱脂洗浄(型式:SL-□□) | ※表面処理が低温黒色クロムメッキの場合、IPA洗浄となります。 |
作業環境:一般環境 | ||||||
|---|---|---|---|---|---|---|
![]() 炭化水素系洗浄※ Ro水洗浄 中性洗剤洗浄 | ![]() | ![]() 高圧ジェット水洗(Ro水) 後に純水(10MΩ・cm)で 洗浄 | ![]() | ![]() エアブロー(オイルフリー) 使用 | ![]() | ![]() 防錆袋使用 |
| ・精密洗浄(型式:SH-□□) | ※表面処理が低温黒色クロムメッキの場合、IPA洗浄となります。 |
作業環境:クラス1000 | 作業環境:クラス10 | |||||||
|---|---|---|---|---|---|---|---|---|
![]() 炭化水素系洗浄※ Ro水洗浄 中性洗剤洗浄 | ![]() | ![]() 高圧ジェット水洗(Ro水) 後に純水(10MΩ・cm)で 洗浄 | ![]() | ![]() 温純水(13MΩ・cm)使用 | ![]() | ![]() 窒素ブロー使用 | ![]() | ![]() クリーンベンチ(クラス10) で実施 |
作業環境:クラス1000 | 作業環境:クラス10 | |||||||||
|---|---|---|---|---|---|---|---|---|---|---|
![]() 炭化水素系洗浄 Ro水洗浄 中性洗剤洗浄 | ![]() | ![]() 材質に応じた電解研磨槽 で電解研磨 | ![]() | ![]() 高圧ジェット水洗(Ro水) 後に純水(10MΩ・cm)で 洗浄 | ![]() | ![]() 温純水(13MΩ・cm)使用 | ![]() | ![]() 窒素ブロー使用 | ![]() | ![]() クリーンベンチ(クラス10) で実施 |
梱包例| 脱脂洗浄の場合 (TYPE型番:SL-□□) | 精密洗浄または電解研磨+精密洗浄の場合 | |
| (TYPE型番:SH-□□・SHD-□□) | ||
| オーステナイト系ステンレス・アルミ材質の場合 | 鉄・マルテンサイト系ステンレス材質の場合 | |
![]() | ![]() | ![]() |
| 一部商品・サイズによっては、 梱包形態が異なる場合がございます。 | [ ! ]1重目・2重目の梱包とも、脱気されております。 | [ ! ]防錆対策として乾燥剤を同封しております。 1梱包につき1つになります。 |
洗浄効果・利用推奨環境| 洗浄方法 | 商品型番 | 梱包形態 | 未洗浄品と比べた効果 | ご利用環境(目安) | 利用シーン・工程 |
|---|---|---|---|---|---|
| 脱脂洗浄 | SL-□□ | 防錆梱包 | 油分除去 | 一般環境 | 通常組立工程 |
| バッテリー組立後工程 | |||||
| 精密洗浄 | SH-□□ | 脱気2重梱包 | 油分除去 粉塵除去 | クリーン環境(クラス10~1,000) | バッテリー組立工程 |
| 液晶関連組立後工程 | |||||
| 車載カメラ組立工程 | |||||
| 電解研磨+精密洗浄 | SHD-□□ | 脱気2重梱包 | 油分除去 粉塵除去 アウトガス低減 | 真空環境 クリーン環境(クラス10~1,000) | 半導体前工程 |
| 液晶成膜工程 | |||||
| 有機EL前工程 |
| 型番 |
|---|
通常単価(税別)
(税込単価) | 通常出荷日 |
|---|
- ( - ) | 8日目 |
- ( - ) | 8日目 |
- ( - ) | 8日目 |
- ( - ) | 8日目 |
- ( - ) | 8日目 |
- ( - ) | 8日目 |
- ( - ) | 8日目 |
- ( - ) | 8日目 |
- ( - ) | 8日目 |
- ( - ) | 8日目 |
- ( - ) | 8日目 |
- ( - ) | 8日目 |
- ( - ) | 8日目 |
- ( - ) | 8日目 |
- ( - ) | 8日目 |
- ( - ) | 8日目 |
- ( - ) | 8日目 |
- ( - ) | 8日目 |
- ( - ) | 8日目 |
- ( - ) | 8日目 |
- ( - ) | 8日目 |
- ( - ) | 8日目 |
- ( - ) | 8日目 |
- ( - ) | 8日目 |
- ( - ) | 8日目 |
- ( - ) | 8日目 |
- ( - ) | 8日目 |
- ( - ) | 8日目 |
- ( - ) | 8日目 |
- ( - ) | 8日目 |
- ( - ) | 8日目 |
- ( - ) | 8日目 |
- ( - ) | 8日目 |
- ( - ) | 8日目 |
- ( - ) | 8日目 |
- ( - ) | 8日目 |
| ・脱脂洗浄(防錆1重梱包) | :型番SL-□□ |
| ・精密洗浄(脱気2重梱包) | :型番SH-□□ |
| ・電解研磨+精密洗浄(脱気2重梱包) | :型番SHD-□□ |
| 商品型番 | 洗浄方法 | 梱包形態 | 未洗浄品と比べた効果 | ご利用環境(目安) | 工程別 |
| SL-□□ | 脱脂洗浄 | 防錆梱包 | 油分除去 | 一般環境 | 通常組立工程 |
| バッテリー組立後工程 | |||||
| SH-□□ | 精密洗浄 | 脱気2重梱包 | 油分除去 粉塵除去 | クリーン環境(クラス10~1,000) | バッテリー組立工程 |
| 液晶関連組立後工程 | |||||
| 車載カメラ組立工程 | |||||
| SHD-□□ | 電解研磨+精密洗浄 | 脱気2重梱包 | 油分除去 粉塵除去 アウトガス低減 | 真空環境 クリーン環境(クラス10~1,000) | 半導体前工程 |
| 液晶成膜工程 | |||||
| 有機EL前工程 |
通常価格、通常出荷日が表示と異なる場合がございます
通常価格、通常出荷日が表示と異なる場合がございます

ミスミ
位置決めピン 大頭テーパタイプ -圧入-
4.8通常価格(税別):340円~

ミスミ
位置決めピン 大頭フラットタイプ -圧入-
4.6通常価格(税別):300円~

ミスミ
位置決めピン 先端形状選択タイプ -おねじ-
4.5
ミスミ
位置決めピン 高耐食ステンレス(55・35HRC~/SUS316L)大頭テーパ 圧入
4.7
ミスミ
位置決めピン 先端形状選択タイプ -めねじ(大頭/ストレート)-
4.6
ミスミ
位置決めピン 高耐食ステンレス(55・35HRC~/SUS316L)R/テーパ/テーパR 全ねじ
4.4
ミスミ
位置決めピン 小頭テーパタイプ -圧入-
4.5通常価格(税別):300円~

ミスミ
マーカーピン 六角穴付タイプ
4.4
ミスミ
位置決めピン 先端形状選択タイプ -全ねじ-
4.4