メカニカル部品技術窓口
ミスミ品のみ対象

「脱脂洗浄」「精密洗浄」「電解研磨+精密洗浄」3種類の洗浄方法が選択可能、いずれも標準型番で1個からご...
詳細を確認
(丸)

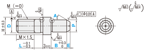
D(P)≧3の場合
a=1.0
d=D(P)-0.2
D(P)<3の場合
a=0.5
d=D(P)-0.1
[ ! ]逃げ部寸法は参考値になります。
[ ! ]L<Pitch×2の場合、不完全ねじ部(Pitch×2)はM×1.5に含まれます。
並目ねじPitch寸法>>こちら
[ ! ]P−2EtanA≧0.73(先端径φ0.73以上)
参考:tan15°≒0.267 tan30°≒0.577
| Type | [ M ]材質 | [ S ]表面処理 | [ H ]硬度 | 洗浄方法 | |||
| 洗浄方法 | 洗浄環境 | 梱包形態 | 梱包環境 | ||||
| SL-SKFHNA | SUS304 | - | - | 脱脂洗浄 | 一般環境 | 防錆梱包 | 一般環境 |
| SH-SKFHNA | 精密洗浄 | クラス1000 | 脱気2重梱包 | クラス10 | |||
| SHD-SKFHNA | 電解研磨+精密洗浄 | ||||||
| SL-GKFHNA | SKS3相当 | 硬質クロムメッキ | 焼入硬度 50〜55HRC メッキ硬度 750HV〜 | 脱脂洗浄 | 一般環境 | 防錆梱包 | 一般環境 |
| SH-GKFHNA | 精密洗浄 | クラス1000 | 脱気2重梱包 | クラス10 | |||
| SL-CKFHNA | SUS440Cまたは 13Crステンレス | − | 焼入硬度50〜55HRC | 脱脂洗浄 | 一般環境 | 防錆梱包 | 一般環境 |
| SH-CKFHNA | 精密洗浄 | クラス1000 | 脱気2重梱包 | クラス10 | |||
詳細図を記載しておりますので、ご確認ください。| 型式 | − | P | − | L | − | B | − | E | − | A | ||||||
| Type | D公差 | P公差 | D | |||||||||||||
| SL-SKFHNA | M | S | 6 | − | P6.00 | − | L6 | − | B3.0 | − | E3.0 | − | A30 | |||
| SH-SKFHNA | P | G | 8 | − | P9.00 | − | L10 | − | B10.0 | − | E5.0 | − | A15 | |||
| SHD-SKFHNA | P | H | 12 | − | P12.00 | − | L10 | − | B8.0 | − | E5.0 | − | A30 | |||
| D 又は P | 並級 | 精級 | |||||
| M | P | G | H | S | A | B | |
| m6 | p6 | g6 | h7 | − | − | − | |
| 2.00 〜 3.00 | +0.008 +0.002 | +0.012 +0.006 | −0.002 −0.008 | 0 −0.010 | 0 −0.01 | +0.005 0 | 0 −0.005 |
| 3.01 〜 6.00 | +0.012 +0.004 | +0.020 +0.012 | −0.004 −0.012 | 0 −0.012 | |||
| 6.01 〜 10.00 | +0.015 +0.006 | +0.024 +0.015 | −0.005 −0.014 | 0 −0.015 | |||
| 10.01 〜 18.00 | +0.018 +0.007 | +0.029 +0.018 | −0.006 −0.017 | 0 −0.018 | |||
| 18.01 〜 20.00 | +0.021 +0.008 | +0.035 +0.022 | −0.007 −0.020 | 0 −0.021 | |||
| 型式 | P 指定0.01mm単位 | L 指定1mm単位 | B 指定0.1mm単位 | E 指定0.1mm単位 | A 選択 | H | M (並目) | *締付トルク N・cm | |||
| Type | D公差 選択 | P公差 選択 | D | ||||||||
| SL-SKFHNA SH-SKFHNA SHD-SKFHNA SL-GKFHNA* SH-GKFHNA* SL-CKFHNA SH-CKFHNA | M P G H *A *B | S M P G H *A *B | 3 | 2.00〜4.00 | 0〜6 | 2.0〜10.0 | 0.5〜10.0 | 15 30 45 60 | 6 | M3 | 98 |
| 4 | 2.00〜5.00 | 0〜8 | 2.0〜10.0 | M4 | 225 | ||||||
| 5 | 3.00〜6.00 | 0〜10 | 2.0〜15.0 | 8 | M5 | 461 | |||||
| 6 | 4.00〜7.00 | 0〜10 | 2.0〜15.0 | M6 | 784 | ||||||
| 8 | 5.00〜9.00 | 0〜10 | 2.0〜20.0 | 11 | M8 | 1911 | |||||
| 10 | 7.00〜11.00 | 0〜15 | 3.0〜30.0 | 13 | M10 | 3783 | |||||
| 12 | 7.00〜12.00 | 0〜15 | 3.0〜30.0 | 15 | M12 | 6605 | |||||
| 16 | 13.00〜16.00 | 0〜20 | 5.0〜30.0 | 19 | M16 | 16366 | |||||
| 20 | 16.00〜20.00 | 0〜20 | 5.0〜30.0 | 23 | M20 | 32928 | |||||
| 型式 | − | P | − | L | − | B | − | E | − | A | − | (HC・RC・NNC) |
| SL-SKFHNAMS6 | − | P6.00 | − | L6 | − | B3.0 | − | E3.0 | − | A30 | − | RC |
| 9 | 日目出荷 |
| 追加工 コード | 追加工内容 | 適用条件 | 指定例 | \/1Code |
| HC | 二面幅加工を追加![]() | HC=指定0.5mm単位指定 [ ! ]HC>D HC>P | KFHNAMS6-P6.00-L0-B3.0-E3.0-A3.O-HC7 | 500 |
| RC | 首元R加工を追加![]() | 首元の逃げをR0.5に変更します。 [ ! ]H-P≧2の場合に適用 | KFHNAMS6-P6.00-L0-B3.0-E3.0-A3.O-RC | 300 |
| NNC | ねじ元に逃げを追加![]() | ねじ元に逃げ加工を追加します。 [ ! ]L=0の場合に適用 | KFHNAMS6-P6.00-L0-B3.0-E3.0-A3.O-NNC | 100 |
洗浄工程| ※材質がステンレスの場合、アルカリ系温水洗浄となることがあります。 | |
| ・脱脂洗浄(型式:SL-□□) | ※表面処理が低温黒色クロムメッキの場合、IPA洗浄となります。 |
作業環境:一般環境 | ||||||
|---|---|---|---|---|---|---|
![]() 炭化水素系洗浄※ Ro水洗浄 中性洗剤洗浄 | ![]() | ![]() 高圧ジェット水洗(Ro水) 後に純水(10MΩ・cm)で 洗浄 | ![]() | ![]() エアブロー(オイルフリー) 使用 | ![]() | ![]() 防錆袋使用 |
| ・精密洗浄(型式:SH-□□) | ※表面処理が低温黒色クロムメッキの場合、IPA洗浄となります。 |
作業環境:クラス1000 | 作業環境:クラス10 | |||||||
|---|---|---|---|---|---|---|---|---|
![]() 炭化水素系洗浄※ Ro水洗浄 中性洗剤洗浄 | ![]() | ![]() 高圧ジェット水洗(Ro水) 後に純水(10MΩ・cm)で 洗浄 | ![]() | ![]() 温純水(13MΩ・cm)使用 | ![]() | ![]() 窒素ブロー使用 | ![]() | ![]() クリーンベンチ(クラス10) で実施 |
作業環境:クラス1000 | 作業環境:クラス10 | |||||||||
|---|---|---|---|---|---|---|---|---|---|---|
![]() 炭化水素系洗浄 Ro水洗浄 中性洗剤洗浄 | ![]() | ![]() 材質に応じた電解研磨槽 で電解研磨 | ![]() | ![]() 高圧ジェット水洗(Ro水) 後に純水(10MΩ・cm)で 洗浄 | ![]() | ![]() 温純水(13MΩ・cm)使用 | ![]() | ![]() 窒素ブロー使用 | ![]() | ![]() クリーンベンチ(クラス10) で実施 |
梱包例| 脱脂洗浄の場合 (TYPE型番:SL-□□) | 精密洗浄または電解研磨+精密洗浄の場合 | |
| (TYPE型番:SH-□□・SHD-□□) | ||
| オーステナイト系ステンレス・アルミ材質の場合 | 鉄・マルテンサイト系ステンレス材質の場合 | |
![]() | ![]() | ![]() |
| 一部商品・サイズによっては、 梱包形態が異なる場合がございます。 | [ ! ]1重目・2重目の梱包とも、脱気されております。 | [ ! ]防錆対策として乾燥剤を同封しております。 1梱包につき1つになります。 |
洗浄効果・利用推奨環境| 洗浄方法 | 商品型番 | 梱包形態 | 未洗浄品と比べた効果 | ご利用環境(目安) | 利用シーン・工程 |
|---|---|---|---|---|---|
| 脱脂洗浄 | SL-□□ | 防錆梱包 | 油分除去 | 一般環境 | 通常組立工程 |
| バッテリー組立後工程 | |||||
| 精密洗浄 | SH-□□ | 脱気2重梱包 | 油分除去 粉塵除去 | クリーン環境(クラス10~1,000) | バッテリー組立工程 |
| 液晶関連組立後工程 | |||||
| 車載カメラ組立工程 | |||||
| 電解研磨+精密洗浄 | SHD-□□ | 脱気2重梱包 | 油分除去 粉塵除去 アウトガス低減 | 真空環境 クリーン環境(クラス10~1,000) | 半導体前工程 |
| 液晶成膜工程 | |||||
| 有機EL前工程 |
| 型番 |
|---|
通常単価(税別)
(税込単価) | 通常出荷日 |
洗浄不要の場合の代替品
|
|---|
- ( - ) | 5日目 |
|
- ( - ) | 5日目 |
|
- ( - ) | 5日目 |
|
- ( - ) | 5日目 |
|
- ( - ) | 5日目 |
|
- ( - ) | 5日目 |
|
- ( - ) | 5日目 |
|
- ( - ) | 5日目 |
|
- ( - ) | 5日目 |
|
- ( - ) | 5日目 |
|
- ( - ) | 5日目 |
|
- ( - ) | 5日目 |
|
- ( - ) | 5日目 |
|
- ( - ) | 5日目 |
|
- ( - ) | 5日目 |
|
- ( - ) | 5日目 |
|
- ( - ) | 5日目 |
|
- ( - ) | 5日目 |
|
- ( - ) | 5日目 |
|
- ( - ) | 5日目 |
|
- ( - ) | 5日目 |
|
- ( - ) | 5日目 |
|
- ( - ) | 5日目 |
|
- ( - ) | 5日目 |
|
- ( - ) | 5日目 |
|
- ( - ) | 5日目 |
|
- ( - ) | 5日目 |
|
- ( - ) | 5日目 |
|
- ( - ) | 5日目 |
|
- ( - ) | 5日目 |
|
- ( - ) | 5日目 |
|
- ( - ) | 5日目 |
|
- ( - ) | 5日目 |
|
- ( - ) | 5日目 |
|
- ( - ) | 5日目 |
|
- ( - ) | 5日目 |
|
- ( - ) | 5日目 |
|
- ( - ) | 5日目 |
|
- ( - ) | 5日目 |
|
- ( - ) | 5日目 |
|
- ( - ) | 5日目 |
|
- ( - ) | 5日目 |
|
- ( - ) | 5日目 |
|
- ( - ) | 5日目 |
|
- ( - ) | 5日目 |
|
- ( - ) | 5日目 |
|
- ( - ) | 5日目 |
|
- ( - ) | 5日目 |
|
- ( - ) | 5日目 |
|
- ( - ) | 5日目 |
|
- ( - ) | 5日目 |
|
- ( - ) | 5日目 |
|
- ( - ) | 5日目 |
|
- ( - ) | 5日目 |
|
- ( - ) | 5日目 |
|
- ( - ) | 5日目 |
|
- ( - ) | 5日目 |
|
- ( - ) | 5日目 |
|
- ( - ) | 5日目 |
|
- ( - ) | 5日目 |
| ・脱脂洗浄(防錆1重梱包) | :型番SL-□□ |
| ・精密洗浄(脱気2重梱包) | :型番SH-□□ |
| ・電解研磨+精密洗浄(脱気2重梱包) | :型番SHD-□□ |
| 商品型番 | 洗浄方法 | 梱包形態 | 未洗浄品と比べた効果 | ご利用環境(目安) | 工程別 |
| SL-□□ | 脱脂洗浄 | 防錆梱包 | 油分除去 | 一般環境 | 通常組立工程 |
| バッテリー組立後工程 | |||||
| SH-□□ | 精密洗浄 | 脱気2重梱包 | 油分除去 粉塵除去 | クリーン環境(クラス10~1,000) | バッテリー組立工程 |
| 液晶関連組立後工程 | |||||
| 車載カメラ組立工程 | |||||
| SHD-□□ | 電解研磨+精密洗浄 | 脱気2重梱包 | 油分除去 粉塵除去 アウトガス低減 | 真空環境 クリーン環境(クラス10~1,000) | 半導体前工程 |
| 液晶成膜工程 | |||||
| 有機EL前工程 |
| D | ¥基準単価 並級 | ||||||
| SUS304 | SKS3相当 硬質クロムメッキ | SUS440Cまたは13Crステンレス | |||||
| SL-SKFHNA | SH-SKFHNA | SHD-SKFHNA | SL-GKFHNA | SH-GKFHNA | SL-CKFHNA | SH-CKFHNA | |
| 3 | 3,440 | 3,890 | 4,160 | 3,050 | 3,500 | 3,520 | 3,970 |
| 4 | 3,700 | 4,150 | 4,420 | 3,260 | 3,710 | 3,790 | 4,240 |
| 5 | 3,940 | 4,390 | 4,660 | 3,470 | 3,920 | 4,050 | 4,500 |
| 6 | 4,090 | 4,540 | 4,810 | 3,580 | 4,030 | 4,180 | 4,630 |
| 8 | 4,290 | 4,740 | 5,010 | 3,760 | 4,210 | 4,400 | 4,850 |
| 10 | 4,370 | 4,820 | 5,090 | 3,840 | 4,290 | 4,490 | 4,940 |
| 12 | 4,570 | 5,020 | 5,290 | 3,990 | 4,440 | 4,670 | 5,120 |
| 16 | 4,750 | 5,200 | 5,470 | 4,140 | 4,590 | 4,860 | 5,310 |
| 20 | 6,000 | 6,450 | 6,720 | 5,210 | 5,660 | 6,160 | 6,610 |
| D | ¥基準単価 精級 | ||||
| SUS304 | SUS440Cまたは13Crステンレス | ||||
| SL-SKFHNA | SH-SKFHNA | SHD-SKFHNA | SL-CKFHNA | SH-CKFHNA | |
| 3 | 3,780 | 4,270 | 4,570 | 3,520 | 3,970 |
| 4 | 4,070 | 4,560 | 4,860 | 3,790 | 4,240 |
| 5 | 4,330 | 4,820 | 5,120 | 4,050 | 4,500 |
| 6 | 4,490 | 4,990 | 5,290 | 4,180 | 4,630 |
| 8 | 4,710 | 5,210 | 5,510 | 4,400 | 4,850 |
| 10 | 4,800 | 5,300 | 5,590 | 4,490 | 4,940 |
| 12 | 5,020 | 5,520 | 5,810 | 4,670 | 5,120 |
| 16 | 5,220 | 5,720 | 6,010 | 4,860 | 5,310 |
| 20 | 6,600 | 7,090 | 7,390 | 6,160 | 6,610 |
| 数量区分 | 標準対応 | 個別対応 | |||
| 小口 | 大口 | ||||
| 数 量 | 1〜19 | 20〜34 | 35〜49 | 50〜100 | 101〜 |
| 値引率 | 基準単価 | 5% | 10% | 23% | お見積り |
通常価格、通常出荷日が表示と異なる場合がございます
通常価格、通常出荷日が表示と異なる場合がございます

ミスミ
位置決めピン 大頭テーパタイプ -圧入-
4.8通常価格(税別):340円~

ミスミ
位置決めピン 高耐食ステンレス(55・35HRC~/SUS316L)大頭テーパ 圧入
4.7
ミスミ
位置決めピン 大頭フラットタイプ -圧入-
4.6通常価格(税別):300円~

ミスミ
位置決めピン 先端形状選択タイプ -おねじ-
4.5
ミスミ
マーカーピン 六角穴付タイプ
4.4
ミスミ
位置決めピン 高耐食ステンレス(55・35HRC~/SUS316L)R/テーパ/テーパR 全ねじ
4.4
ミスミ
位置決めピン 先端形状選択タイプ -めねじ(大頭/ストレート)-
4.6
ミスミ
位置決めピン 先端形状選択タイプ -全ねじ-
4.4
ミスミ
小径位置決めピン ストレートタイプ
4.7通常価格(税別):300円~