メカニカル部品技術窓口
ミスミ品のみ対象



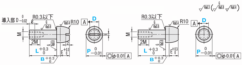
●めねじ・マイナス溝付
●めねじ・マイナス溝なし

| Type | [ M ]材質 | [ H ]硬度 | 洗浄方法 | |||||
| B寸固定タイプ | B寸指定タイプ | |||||||
| マイナス溝付 | マイナス溝付 | マイナス溝なし | 洗浄方法 | 洗浄環境 | 梱包形態 | 梱包環境 | ||
| SL-SHPSTM | SL-SHPSFM | - | SUS304 | - | 脱脂洗浄 | 一般環境 | 防錆梱包 | 一般環境 |
| SH-SHPSTM | SH-SHPSFM | 精密洗浄 | クラス1000 | 脱気2重梱包 | クラス10 | |||
| SHD-SHPSTM | SHD-SHPSFM | 電解研磨+精密洗浄 | ||||||
| SL-CHPSTM | SL-CHPSFM | SL-CHPSFS | SUS440Cまたは 13Crステンレス | 焼入硬度 50〜55HRC | 脱脂洗浄 | 一般環境 | 防錆梱包 | 一般環境 |
| SH-CHPSTM | SH-CHPSFM | SH-CHPSFS | 精密洗浄 | クラス1000 | 脱気2重梱包 | クラス10 | ||
詳細図を記載しておりますので、ご確認ください。| 型式 | − | L | − | P | − | B |
| SL-SHPSTM5 | − | 15 | − | P7.20 | ||
| SH-SHPSFM6 | − | 10 | − | P8.05 | − | B1.20 |
| SHD-SHPSFM10 | − | 18 | − | P14.00 | − | B3.50 |
| 型式 | L 選択 | P 指定0.01mm単位 | B | E | ℓ | M (並目) | *締付トルク N・cm | ||||
| Type | D | D寸公差 | |||||||||
| SL-SHPSTM SH-SHPSTM SHD-SHPSTM SL-CHPSTM SH-CHPSTM | 5 | +0.012 +0.007 | 12 | 15 | 6.00〜8.00 | 2 | 5 | 3 | M3 | 98 | |
| 6 | 12 | 15 | 7.00〜9.00 | 2 | 6 | 3 | |||||
| 8 | 15 | 18 | 9.00〜13.00 | 3 | 6 | 3 | M4 | 225 | |||
| 10 | 15 | 18 | 11.00〜15.00 | 3 | 6 | 3 | M5 | 461 | |||
| 型式 | L 選択 | P 指定0.01mm単位 | B 指定0.01mm単位 | E | M (並目) | *締付トルク N・cm | ||||||||
| Type | D | D寸公差g6 | ||||||||||||
| マイナス溝付 SL-SHPSFM SH-SHPSFM SHD-SHPSFM SL-CHPSFM SH-CHPSFM | マイナス溝なし SL-CHPSFS SH-CHPSFS | 5 | -0.004 -0.012 | 6 | 8 | 10 | 12 | 15 | 6.00〜8.00 | 1.00〜10.00 | 5 | M3 | 98 | |
| 6 | 6 | 8 | 10 | 12 | 15 | 7.00〜10.00 | 1.00〜12.00 | 6 | ||||||
| 8 | -0.005 -0.014 | 8 | 10 | 12 | 15 | 18 | 9.00〜13.00 | 1.00〜15.00 | M4 | 225 | ||||
| 10 | 10 | 12 | 15 | 18 | 11.00〜15.00 | 1.00〜20.00 | M5 | 461 | ||||||
| 型式 | − | L | − | P | − | (BC) |
| SL-SHPSTM5 | − | 15 | − | P7.20 | − | BC3.5 |
| 追加工 コード | 追加工内容 | 適用条件 | 指定例 | \/1Code | ||||||||||||
| BC | B寸法を変更![]() | BC=指定1mm単位 [ ! ]1≦BC≦BCmax [ ! ]B寸固定タイプのみ適用
| HPSTM5-15-P7.20-BC3.5 | 200 |
洗浄工程| ※材質がステンレスの場合、アルカリ系温水洗浄となることがあります。 | |
| ・脱脂洗浄(型式:SL-□□) | ※表面処理が低温黒色クロムメッキの場合、IPA洗浄となります。 |
作業環境:一般環境 | ||||||
|---|---|---|---|---|---|---|
![]() 炭化水素系洗浄※ Ro水洗浄 中性洗剤洗浄 | ![]() | ![]() 高圧ジェット水洗(Ro水) 後に純水(10MΩ・cm)で 洗浄 | ![]() | ![]() エアブロー(オイルフリー) 使用 | ![]() | ![]() 防錆袋使用 |
| ・精密洗浄(型式:SH-□□) | ※表面処理が低温黒色クロムメッキの場合、IPA洗浄となります。 |
作業環境:クラス1000 | 作業環境:クラス10 | |||||||
|---|---|---|---|---|---|---|---|---|
![]() 炭化水素系洗浄※ Ro水洗浄 中性洗剤洗浄 | ![]() | ![]() 高圧ジェット水洗(Ro水) 後に純水(10MΩ・cm)で 洗浄 | ![]() | ![]() 温純水(13MΩ・cm)使用 | ![]() | ![]() 窒素ブロー使用 | ![]() | ![]() クリーンベンチ(クラス10) で実施 |
作業環境:クラス1000 | 作業環境:クラス10 | |||||||||
|---|---|---|---|---|---|---|---|---|---|---|
![]() 炭化水素系洗浄 Ro水洗浄 中性洗剤洗浄 | ![]() | ![]() 材質に応じた電解研磨槽 で電解研磨 | ![]() | ![]() 高圧ジェット水洗(Ro水) 後に純水(10MΩ・cm)で 洗浄 | ![]() | ![]() 温純水(13MΩ・cm)使用 | ![]() | ![]() 窒素ブロー使用 | ![]() | ![]() クリーンベンチ(クラス10) で実施 |
梱包例| 脱脂洗浄の場合 (TYPE型番:SL-□□) | 精密洗浄または電解研磨+精密洗浄の場合 | |
| (TYPE型番:SH-□□・SHD-□□) | ||
| オーステナイト系ステンレス・アルミ材質の場合 | 鉄・マルテンサイト系ステンレス材質の場合 | |
![]() | ![]() | ![]() |
| 一部商品・サイズによっては、 梱包形態が異なる場合がございます。 | [ ! ]1重目・2重目の梱包とも、脱気されております。 | [ ! ]防錆対策として乾燥剤を同封しております。 1梱包につき1つになります。 |
洗浄効果・利用推奨環境| 洗浄方法 | 商品型番 | 梱包形態 | 未洗浄品と比べた効果 | ご利用環境(目安) | 利用シーン・工程 |
|---|---|---|---|---|---|
| 脱脂洗浄 | SL-□□ | 防錆梱包 | 油分除去 | 一般環境 | 通常組立工程 |
| バッテリー組立後工程 | |||||
| 精密洗浄 | SH-□□ | 脱気2重梱包 | 油分除去 粉塵除去 | クリーン環境(クラス10~1,000) | バッテリー組立工程 |
| 液晶関連組立後工程 | |||||
| 車載カメラ組立工程 | |||||
| 電解研磨+精密洗浄 | SHD-□□ | 脱気2重梱包 | 油分除去 粉塵除去 アウトガス低減 | 真空環境 クリーン環境(クラス10~1,000) | 半導体前工程 |
| 液晶成膜工程 | |||||
| 有機EL前工程 |
| 型番 |
|---|
通常単価(税別)
(税込単価) | 通常出荷日 |
|---|
- ( - ) | 6日目 |
- ( - ) | 6日目 |
- ( - ) | 6日目 |
- ( - ) | 6日目 |
- ( - ) | 6日目 |
- ( - ) | 6日目 |
- ( - ) | 6日目 |
- ( - ) | 6日目 |
- ( - ) | 6日目 |
- ( - ) | 6日目 |
- ( - ) | 6日目 |
- ( - ) | 6日目 |
- ( - ) | 6日目 |
- ( - ) | 6日目 |
- ( - ) | 6日目 |
- ( - ) | 6日目 |
- ( - ) | 6日目 |
- ( - ) | 6日目 |
- ( - ) | 6日目 |
- ( - ) | 6日目 |
- ( - ) | 6日目 |
- ( - ) | 6日目 |
- ( - ) | 6日目 |
- ( - ) | 6日目 |
- ( - ) | 6日目 |
- ( - ) | 6日目 |
- ( - ) | 6日目 |
- ( - ) | 6日目 |
- ( - ) | 6日目 |
- ( - ) | 6日目 |
- ( - ) | 6日目 |
- ( - ) | 6日目 |
- ( - ) | 6日目 |
- ( - ) | 6日目 |
- ( - ) | 6日目 |
- ( - ) | 6日目 |
- ( - ) | 6日目 |
- ( - ) | 6日目 |
- ( - ) | 6日目 |
- ( - ) | 6日目 |
- ( - ) | 6日目 |
- ( - ) | 6日目 |
- ( - ) | 6日目 |
- ( - ) | 6日目 |
- ( - ) | 6日目 |
- ( - ) | 6日目 |
- ( - ) | 6日目 |
- ( - ) | 6日目 |
| ・脱脂洗浄(防錆1重梱包) | :型番SL-□□ |
| ・精密洗浄(脱気2重梱包) | :型番SH-□□ |
| ・電解研磨+精密洗浄(脱気2重梱包) | :型番SHD-□□ |
| 商品型番 | 洗浄方法 | 梱包形態 | 未洗浄品と比べた効果 | ご利用環境(目安) | 工程別 |
| SL-□□ | 脱脂洗浄 | 防錆梱包 | 油分除去 | 一般環境 | 通常組立工程 |
| バッテリー組立後工程 | |||||
| SH-□□ | 精密洗浄 | 脱気2重梱包 | 油分除去 粉塵除去 | クリーン環境(クラス10~1,000) | バッテリー組立工程 |
| 液晶関連組立後工程 | |||||
| 車載カメラ組立工程 | |||||
| SHD-□□ | 電解研磨+精密洗浄 | 脱気2重梱包 | 油分除去 粉塵除去 アウトガス低減 | 真空環境 クリーン環境(クラス10~1,000) | 半導体前工程 |
| 液晶成膜工程 | |||||
| 有機EL前工程 |
| D | ¥基準単価 | ||||
| SUS304 | SUS440Cまたは13Crステンレス | ||||
| SL-SHPSTM | SH-SHPSTM | SHD-SHPSTM | SL-CHPSTM | SH-CHPSTM | |
| 5 | 1,410 | 2,210 | 2,610 | 2,480 | 2,880 |
| 6 | 1,410 | 2,210 | 2,610 | 2,480 | 2,880 |
| 8 | 1,630 | 2,430 | 2,830 | 2,740 | 3,140 |
| 10 | 1,630 | 2,430 | 2,830 | 2,740 | 3,140 |
| D | ¥基準単価 | ||||||
| マイナス溝付 | マイナス溝なし | ||||||
| SUS304 | SUS440Cまたは13Crステンレス | SUS440Cまたは13Crステンレス | |||||
| SL-SHPSFM | SH-SHPSFM | SHD-SHPSFM | SL-CHPSFM | SH-CHPSFM | SL-CHPSFS | SH-CHPSFS | |
| 5 | 3,160 | 3,660 | 3,960 | 3,350 | 3,750 | 3,170 | 3,570 |
| 6 | 3,160 | 3,660 | 3,960 | 3,350 | 3,750 | 3,170 | 3,570 |
| 8 | 3,420 | 3,920 | 4,220 | 3,650 | 4,050 | 3,480 | 3,880 |
| 10 | 3,420 | 3,920 | 4,220 | 3,650 | 4,050 | 3,480 | 3,880 |
| 数量区分 | 標準対応 | 個別対応 | |||
| 小口 | 大口 | ||||
| 数 量 | 1〜19 | 20〜34 | 35〜49 | 50〜100 | 101~ |
| 値引率 | 基準単価 | 5% | 10% | 23% | お見積り |
| 出荷日 | 通常 | ||||
通常価格、通常出荷日が表示と異なる場合がございます
通常価格、通常出荷日が表示と異なる場合がございます

ミスミ
位置決めピン 大頭テーパタイプ -圧入-
4.8通常価格(税別):340円~

ミスミ
位置決めピン 高耐食ステンレス(55・35HRC~/SUS316L)大頭テーパ 圧入
4.7
ミスミ
位置決めピン 大頭フラットタイプ -圧入-
4.6通常価格(税別):300円~

ミスミ
位置決めピン 先端形状選択タイプ -おねじ-
4.5
ミスミ
位置決めピン 先端形状選択タイプ -めねじ(大頭/ストレート)-
4.6
ミスミ
位置決めピン -エアベント付めねじタイプ-
4.6通常価格(税別):170円~

ミスミ
位置決めピン 先端形状選択タイプ -全ねじ-
4.4
ミスミ
位置決めピン 高耐食ステンレス(55・35HRC~/SUS316L)R/テーパ/テーパR 全ねじ
4.4
ミスミ
マーカーピン 六角穴付タイプ
4.4