メカニカル部品技術窓口
ミスミ品のみ対象

「脱脂洗浄」「精密洗浄」「電解研磨+精密洗浄」3種類の洗浄方法が選択可能、いずれも標準型番で1個からご...
詳細を確認●圧入・丸
●圧入・トライアングル

*圧入のD=2は導入部なし
| Type | [ M ]材質 | [ S ]表面処理 | [ H ]硬度 | 洗浄方法 | ||||
| 丸 | トライアングル | 洗浄方法 | 洗浄環境 | 梱包形態 | 梱包環境 | |||
| SL-SFESM | − | SUS304 | − | − | 脱脂洗浄 | 一般環境 | 防錆梱包 | 一般環境 |
| SH-SFESM | 精密洗浄 | クラス1000 | 脱気2重梱包 | クラス10 | ||||
| SHD-SFESM | 電解研磨+精密洗浄 | |||||||
| SL-HFESM | SL-HFESMT | SUS304 | 硬質クロムメッキ | メッキ硬度 750HV〜 | 脱脂洗浄 | 一般環境 | 防錆梱包 | 一般環境 |
| SH-HFESM | SH-HFESMT | 精密洗浄 | クラス1000 | 脱気2重梱包 | クラス10 | |||
| SL-GFESM | − | SKS3相当 | 硬質クロムメッキ | 焼入硬度 50〜55HRC メッキ硬度 750HV~ | 脱脂洗浄 | 一般環境 | 防錆梱包 | 一般環境 |
| SH-GFESM | 精密洗浄 | クラス1000 | 脱気2重梱包 | クラス10 | ||||
| SL-CFESM | − | SUS440Cまたは 13Crステンレス | − | 焼入硬度 50〜55HRC | 脱脂洗浄 | 一般環境 | 防錆梱包 | 一般環境 |
| SH-CFESM | 精密洗浄 | クラス1000 | 脱気2重梱包 | クラス10 | ||||
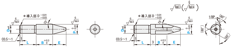
詳細図を記載しておりますので、ご確認ください。| 型式 | − | P | − | L | − | B | − | E |
| SL-SFESM4 | − | P5.00 | − | L6 | − | B5.0 | − | E3.0 |
| SH-HFESMT8 | − | P9.50 | − | L10 | − | B10.0 | − | E5.5 |
| SHD-SFESM3 | − | P3.50 | − | L3 | − | B6.0 | − | E2.0 |
| 型式 | P 指定0.01mm単位 | L 指定1mm単位 | B 指定0.1mm単位 | E 指定0.1mm単位 | ||
| Type | D | |||||
| (丸) SL-SFESM SH-SFESM SHD-SFESM SL-HFESM SH-HFESM SL-GFESM SH-GFESM SL-CFESM SH-CFESM | (トライアングル) | 2 | 2.50〜5.00 | 2〜6 | 2.0〜10.0 | 0.5〜10.0 |
| SL-HFESMT SH-HFESMT | 3 | 3.50〜5.00 | 3〜6 | 2.0〜10.0 | ||
| 4 | 4.50〜7.00 | 4〜8 | 2.0〜10.0 | |||
| 5 | 5.50〜8.00 | 5〜10 | 2.0〜10.0 | |||
| 6 | 6.50〜10.00 | 6〜12 | 2.0〜12.0 | |||
| 8 | 9.00〜13.00 | 8〜16 | 2.0〜15.0 | |||
| 10 | 10.00〜13.00 | 10〜20 | 2.0〜20.0 | |||
洗浄工程| ※材質がステンレスの場合、アルカリ系温水洗浄となることがあります。 | |
| ・脱脂洗浄(型式:SL-□□) | ※表面処理が低温黒色クロムメッキの場合、IPA洗浄となります。 |
作業環境:一般環境 | ||||||
|---|---|---|---|---|---|---|
![]() 炭化水素系洗浄※ Ro水洗浄 中性洗剤洗浄 | ![]() | ![]() 高圧ジェット水洗(Ro水) 後に純水(10MΩ・cm)で 洗浄 | ![]() | ![]() エアブロー(オイルフリー) 使用 | ![]() | ![]() 防錆袋使用 |
| ・精密洗浄(型式:SH-□□) | ※表面処理が低温黒色クロムメッキの場合、IPA洗浄となります。 |
作業環境:クラス1000 | 作業環境:クラス10 | |||||||
|---|---|---|---|---|---|---|---|---|
![]() 炭化水素系洗浄※ Ro水洗浄 中性洗剤洗浄 | ![]() | ![]() 高圧ジェット水洗(Ro水) 後に純水(10MΩ・cm)で 洗浄 | ![]() | ![]() 温純水(13MΩ・cm)使用 | ![]() | ![]() 窒素ブロー使用 | ![]() | ![]() クリーンベンチ(クラス10) で実施 |
作業環境:クラス1000 | 作業環境:クラス10 | |||||||||
|---|---|---|---|---|---|---|---|---|---|---|
![]() 炭化水素系洗浄 Ro水洗浄 中性洗剤洗浄 | ![]() | ![]() 材質に応じた電解研磨槽 で電解研磨 | ![]() | ![]() 高圧ジェット水洗(Ro水) 後に純水(10MΩ・cm)で 洗浄 | ![]() | ![]() 温純水(13MΩ・cm)使用 | ![]() | ![]() 窒素ブロー使用 | ![]() | ![]() クリーンベンチ(クラス10) で実施 |
梱包例| 脱脂洗浄の場合 (TYPE型番:SL-□□) | 精密洗浄または電解研磨+精密洗浄の場合 | |
| (TYPE型番:SH-□□・SHD-□□) | ||
| オーステナイト系ステンレス・アルミ材質の場合 | 鉄・マルテンサイト系ステンレス材質の場合 | |
![]() | ![]() | ![]() |
| 一部商品・サイズによっては、 梱包形態が異なる場合がございます。 | [ ! ]1重目・2重目の梱包とも、脱気されております。 | [ ! ]防錆対策として乾燥剤を同封しております。 1梱包につき1つになります。 |
洗浄効果・利用推奨環境| 洗浄方法 | 商品型番 | 梱包形態 | 未洗浄品と比べた効果 | ご利用環境(目安) | 利用シーン・工程 |
|---|---|---|---|---|---|
| 脱脂洗浄 | SL-□□ | 防錆梱包 | 油分除去 | 一般環境 | 通常組立工程 |
| バッテリー組立後工程 | |||||
| 精密洗浄 | SH-□□ | 脱気2重梱包 | 油分除去 粉塵除去 | クリーン環境(クラス10~1,000) | バッテリー組立工程 |
| 液晶関連組立後工程 | |||||
| 車載カメラ組立工程 | |||||
| 電解研磨+精密洗浄 | SHD-□□ | 脱気2重梱包 | 油分除去 粉塵除去 アウトガス低減 | 真空環境 クリーン環境(クラス10~1,000) | 半導体前工程 |
| 液晶成膜工程 | |||||
| 有機EL前工程 |
| 型番 |
|---|
通常単価(税別)
(税込単価) | 通常出荷日 |
洗浄不要の場合の代替品
|
|---|
- ( - ) | 5日目 |
|
- ( - ) | 5日目 |
|
- ( - ) | 5日目 |
|
- ( - ) | 5日目 |
|
- ( - ) | 5日目 |
|
- ( - ) | 5日目 |
|
- ( - ) | 5日目 |
|
- ( - ) | 6日目 |
|
- ( - ) | 6日目 |
|
- ( - ) | 6日目 |
|
- ( - ) | 6日目 |
|
- ( - ) | 6日目 |
|
- ( - ) | 6日目 |
|
- ( - ) | 6日目 |
|
- ( - ) | 6日目 |
|
- ( - ) | 6日目 |
|
- ( - ) | 6日目 |
|
- ( - ) | 6日目 |
|
- ( - ) | 6日目 |
|
- ( - ) | 6日目 |
|
- ( - ) | 6日目 |
|
- ( - ) | 6日目 |
|
- ( - ) | 6日目 |
|
- ( - ) | 6日目 |
|
- ( - ) | 6日目 |
|
- ( - ) | 6日目 |
|
- ( - ) | 6日目 |
|
- ( - ) | 6日目 |
|
- ( - ) | 5日目 |
|
- ( - ) | 5日目 |
|
- ( - ) | 5日目 |
|
- ( - ) | 5日目 |
|
- ( - ) | 5日目 |
|
- ( - ) | 5日目 |
|
- ( - ) | 5日目 |
|
- ( - ) | 5日目 |
|
- ( - ) | 5日目 |
|
- ( - ) | 5日目 |
|
- ( - ) | 5日目 |
|
- ( - ) | 5日目 |
|
- ( - ) | 5日目 |
|
- ( - ) | 5日目 |
|
- ( - ) | 5日目 |
|
- ( - ) | 5日目 |
|
- ( - ) | 5日目 |
|
- ( - ) | 5日目 |
|
- ( - ) | 5日目 |
|
- ( - ) | 5日目 |
|
- ( - ) | 5日目 |
|
- ( - ) | 6日目 |
|
- ( - ) | 6日目 |
|
- ( - ) | 6日目 |
|
- ( - ) | 6日目 |
|
- ( - ) | 6日目 |
|
- ( - ) | 6日目 |
|
- ( - ) | 6日目 |
|
- ( - ) | 6日目 |
|
- ( - ) | 6日目 |
|
- ( - ) | 6日目 |
|
- ( - ) | 6日目 |
| ・脱脂洗浄(防錆1重梱包) | :型番SL-□□ |
| ・精密洗浄(脱気2重梱包) | :型番SH-□□ |
| ・電解研磨+精密洗浄(脱気2重梱包) | :型番SHD-□□ |
| 商品型番 | 洗浄方法 | 梱包形態 | 未洗浄品と比べた効果 | ご利用環境(目安) | 工程別 |
| SL-□□ | 脱脂洗浄 | 防錆梱包 | 油分除去 | 一般環境 | 通常組立工程 |
| バッテリー組立後工程 | |||||
| SH-□□ | 精密洗浄 | 脱気2重梱包 | 油分除去 粉塵除去 | クリーン環境(クラス10~1,000) | バッテリー組立工程 |
| 液晶関連組立後工程 | |||||
| 車載カメラ組立工程 | |||||
| SHD-□□ | 電解研磨+精密洗浄 | 脱気2重梱包 | 油分除去 粉塵除去 アウトガス低減 | 真空環境 クリーン環境(クラス10~1,000) | 半導体前工程 |
| 液晶成膜工程 | |||||
| 有機EL前工程 |
| D | ¥基準単価 | ||||||||||
| 丸 | トライアングル | ||||||||||
| SUS304 | SUS304 硬質クロムメッキ | SKS3相当 硬質クロムメッキ | SUS440Cまたは13Crステンレス | SUS304 硬質クロムメッキ | |||||||
| SL-SFESM | SH-SFESM | SHD-SFESM | SL-HFESM | SH-HFESM | SL-GFESM | SH-GFESM | SL-CFESM | SH-CFESM | SL-HFESMT | SH-HFESMT | |
| 2 | 1,750 | 2,100 | 2,310 | 1,960 | 2,310 | 1,680 | 2,030 | 2,200 | 2,550 | 2,200 | 2,550 |
| 3 | 1,800 | 2,150 | 2,360 | 2,020 | 2,370 | 1,750 | 2,100 | 2,240 | 2,590 | 2,280 | 2,630 |
| 4 | 1,870 | 2,220 | 2,430 | 2,110 | 2,460 | 1,820 | 2,170 | 2,370 | 2,720 | 2,390 | 2,740 |
| 5 | 1,930 | 2,280 | 2,490 | 2,180 | 2,530 | 1,860 | 2,210 | 2,490 | 2,840 | 2,520 | 2,870 |
| 6 | 1,990 | 2,340 | 2,550 | 2,250 | 2,600 | 1,900 | 2,250 | 2,570 | 2,920 | 2,550 | 2,900 |
| 8 | 2,030 | 2,380 | 2,590 | 2,290 | 2,640 | 1,960 | 2,310 | 2,620 | 2,970 | 2,630 | 2,980 |
| 10 | 2,070 | 2,420 | 2,630 | 2,340 | 2,690 | 2,030 | 2,380 | 2,670 | 3,020 | 2,680 | 3,030 |
| 数 量 | 1〜19 | 20〜34 | 35〜49 | 50〜100 | 101~ |
| 値引率 | 基準単価 | 5% | 10% | 18% | お見積り |
| 出荷日 | 通常 | ||||
通常価格、通常出荷日が表示と異なる場合がございます
通常価格、通常出荷日が表示と異なる場合がございます

ミスミ
位置決めピン 大頭テーパタイプ -圧入-
4.8通常価格(税別):340円~

ミスミ
位置決めピン 高耐食ステンレス(55・35HRC~/SUS316L)大頭テーパ 圧入
4.7
ミスミ
位置決めピン 先端形状選択タイプ -おねじ-
4.5
ミスミ
位置決めピン 先端形状選択タイプ -めねじ(大頭/ストレート)-
4.6
ミスミ
位置決めピン 大頭テーパタイプ-テーパ角度指定・公差選択・圧入-
4.4
ミスミ
位置決めピン 高耐食ステンレス(55・35HRC~/SUS316L)R/テーパ/テーパR 全ねじ
4.4
ミスミ
位置決めピン 先端形状選択タイプ -全ねじ-
4.4
ミスミ
位置決めピン 大頭フラットタイプ -圧入-
4.6通常価格(税別):300円~

ミスミ
マーカーピン 六角穴付タイプ
4.4