メカニカル部品技術窓口
ミスミ品のみ対象

「脱脂洗浄」「精密洗浄」「電解研磨+精密洗浄」3種類の洗浄方法が選択可能、いずれも標準型番で1個からご...
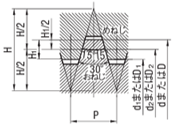
詳細を確認![]() | 右ねじ・左ねじ *D=20・22・25の場合![]() | 基準山形寸法![]() H=1.866P H1=0.5P d2=d-0.5P d1=d-P D=d D2=d2 D1=d1 おねじ d:外径 d1:谷径 d2:有効径 めねじ D:谷の径 D1:内径 D2:有効径 P:ピッチ H1:ひっかかりの高さ | |||||||||||||||
| |||||||||||||||||
台形ねじ精度
Tr規格には寸法許容差が規定されています。 30度台形ねじ仕様は、下表を参照ください。 | h7公差(V,Q)
| 指示無き寸法公差
|
| Type | [ M ]材質 | [ S ]表面処理 | 洗浄方法 | ||||
| 右ねじ | 左ねじ | 洗浄方法 | 洗浄環境 | 梱包形態 | 梱包環境 | ||
| SL-MTSWK | SL-MTSWLK | SUS303 | - | 脱脂洗浄 | 一般環境 | 防錆梱包 | 一般環境 |
| SH-MTSWK | SH-MTSWLK | 精密洗浄 | クラス1000 | 脱気2重梱包 | クラス10 | ||
| SHD-MTSWK | SHD-MTSWLK | 電解研磨+精密洗浄 | |||||
| SL-RMTWK | SL-RMTWLK | S45C | 低温黒色クロムメッキ | 脱脂洗浄 | 一般環境 | 防錆梱包 | 一般環境 |
| SH-RMTWK | SH-RMTWLK | 精密洗浄 | クラス1000 | 脱気2重梱包 | クラス10 | ||
詳細図を記載しておりますので、ご確認ください。| 型式 | − | L | − | S |
| SL-MTSWK20 | − | 800 | − | S90 |
| 型式 | 指定1mm単位 | F | R | B | T | Q | A | M×ピッチ (細目) | E | D | ピッチP | <参考> 台形ねじ部 最短長さ | |||
| Type | D | L | S | ||||||||||||
| 右ねじ SL-MTSWK SH-MTSWK SHD-MTSWK SL-RMTWK SH-RMTWK | 左ねじ SL-MTSWLK SH-MTSWLK SHD-MTSWLK SL-RMTWLK SH-RMTWLK | 12 | 80〜800 | 2≦S≦80 | 10 | 8 | 7 | 26 | 8 | 11 | 8×1.0 | 6 | 12 | 2 | 22 |
| 14 | 12 | 10 | 8 | 29 | 10 | 12 | 10×1.0 | 8 | 14 | 3 | 22 | ||||
| 16 | 100〜800 | 2≦S≦95 | 12 | 12 | 8 | 29 | 12 | 12 | 12×1.0 | 10 | 16 | (3) | 26 | ||
| 18 | 150〜800 | 12 | 12 | 8 | 29 | 12 | 12 | 12×1.0 | 10 | 18 | 4 | 31 | |||
| 20 | 2≦S≦100 | 12 | 15 | 9 | 34 | 15 | 14 | 15×1.0 | 12 | 20 | 4 | 31 | |||
| 22 | 12 | 15 | 9 | 34 | 15 | 14 | 15×1.0 | 12 | 22 | 5 | 40 | ||||
| 25 | 12 | 15 | 9 | 34 | 15 | 14 | 15×1.0 | 12 | 25 | (5) | 40 | ||||
| 型式 | − | L | − | S | − | (NAR・RC・FE・SE・ME・MR・ZE・KE) | ||
| SH-MTSWK20 | − | 800 | − | S90 | − | KE0 | − | C30 |
| Alterations | 支持側止め輪溝加工無 | 支持側加工無 | 平面取追加工 | 二面幅追加工 | 並目タップ穴追加工 | 四角取追加工 | キー溝追加工 | |||||||||||||||||||||||||||||||||||||||||||||||||||
![]() | ![]() | ![]() | ![]() | ![]() | ![]() | ![]() | ||||||||||||||||||||||||||||||||||||||||||||||||||||
| Code | NAR(R部) | RC(R部) | FE(E部) | SE(E部) | ME(E部) MR(左側) | Z E(E部) | KE(E部) | |||||||||||||||||||||||||||||||||||||||||||||||||||
| Spec. | 支持側R部の 止め輪溝加工を 行いません。 指定方法 NAR | 支持側R部の 加工を行いません。 指定方法 RC [ NG ]他のR部の追加工と併用不可 | FE,FW,FY= 指定0.5mm単位 FE=E部に加工 指定方法 FE5−FW10−FY1 [ ! ]FY≦1.0 [ ! ]FE=0,又はFE≧2 [ ! ]3≦FW≦20 | SE,SW,SY= 指定1mm単位 SE=E部に加工 指定方法 SE3−SW10−SY7 [ ! ]SW≦E−2 [ ! ]3≦SY≦20 [ ! ]SE=0,又はFE≧2 | ME=E部に加工 MR=R部及び左端面に加工 指定方法 ME6
![]() | A=指定1mm単位 ZE=E部に加工 指定方法 ZE12−W10−A8 [ ! ]同一軸上にタップ穴 追加工のみ併用可 (加工条件:P.811参照) [ ! ]5≦A≦20 [ ! ]ZE=Eで指定
| KE,C=指定1mm単位 [ ! ]C≦60 [ ! ]KE≧2 [ ! ]KE=0のとき ![]() KE=E部に加工 [ ! ]D寸16以上に適応 キー溝追加工のときE部外径公差
| |||||||||||||||||||||||||||||||||||||||||||||||||||
| ¥/1 Code | −200 | −300 | 200 | 400 | 200 | 800 | 400 | |||||||||||||||||||||||||||||||||||||||||||||||||||
[ ! ]追加工の位置指定は、段付き部分から2mm以上の隙間があくようにして下さい。(注意点①の図参照)
[ ! ]複数の追加工を選択の場合、加工部の位置関係は2mm以上の間隔が必要です。(注意点②の図参照)
[ ! ]平面取追加工、二面幅追加工、四角取追加工、キー溝追加工をそれぞれ組み合わせた場合、位相関係は任意となります。(注意点③の図参照)
[ ! ]同一軸の回転方向上に複数の追加工が重なるような指定はできません。(注意点④の図参照)
[ ! ]同一軸上に2個以上の追加工を併用する場合は、相関関係で加工できない場合があります。
[ ! ]追加工詳細(P.811)はこちら。
| 注意点① 段付き部から2mm以上の隙間を あけて追加工を指定してください ![]() | 注意点② 追加工同士の間隔は 2mm以上必要です。 ![]() | 注意点③ 追加工同士を組合せて指定した場合、位置関係は任意になり、直線上に必ず整列するとは限りません。(下部図面は一例てす) ![]() 上記の図のとおり、位相は任意であるため、同一軸上の追加工A、Bは直線状に整列しないことがあります。 | 注意点④ 同一軸上に追加工が重なるような指示は不可となります。 (下部の図はNG例) ![]()
|
洗浄工程| ※材質がステンレスの場合、アルカリ系温水洗浄となることがあります。 | |
| ・脱脂洗浄(型式:SL-□□) | ※表面処理が低温黒色クロムメッキの場合、IPA洗浄となります。 |
作業環境:一般環境 | ||||||
|---|---|---|---|---|---|---|
![]() 炭化水素系洗浄※ Ro水洗浄 中性洗剤洗浄 | ![]() | ![]() 高圧ジェット水洗(Ro水) 後に純水(10MΩ・cm)で 洗浄 | ![]() | ![]() エアブロー(オイルフリー) 使用 | ![]() | ![]() 防錆袋使用 |
| ・精密洗浄(型式:SH-□□) | ※表面処理が低温黒色クロムメッキの場合、IPA洗浄となります。 |
作業環境:クラス1000 | 作業環境:クラス10 | |||||||
|---|---|---|---|---|---|---|---|---|
![]() 炭化水素系洗浄※ Ro水洗浄 中性洗剤洗浄 | ![]() | ![]() 高圧ジェット水洗(Ro水) 後に純水(10MΩ・cm)で 洗浄 | ![]() | ![]() 温純水(13MΩ・cm)使用 | ![]() | ![]() 窒素ブロー使用 | ![]() | ![]() クリーンベンチ(クラス10) で実施 |
作業環境:クラス1000 | 作業環境:クラス10 | |||||||||
|---|---|---|---|---|---|---|---|---|---|---|
![]() 炭化水素系洗浄 Ro水洗浄 中性洗剤洗浄 | ![]() | ![]() 材質に応じた電解研磨槽 で電解研磨 | ![]() | ![]() 高圧ジェット水洗(Ro水) 後に純水(10MΩ・cm)で 洗浄 | ![]() | ![]() 温純水(13MΩ・cm)使用 | ![]() | ![]() 窒素ブロー使用 | ![]() | ![]() クリーンベンチ(クラス10) で実施 |
梱包例| 脱脂洗浄の場合 (TYPE型番:SL-□□) | 精密洗浄または電解研磨+精密洗浄の場合 | |
| (TYPE型番:SH-□□・SHD-□□) | ||
| オーステナイト系ステンレス・アルミ材質の場合 | 鉄・マルテンサイト系ステンレス材質の場合 | |
![]() | ![]() | ![]() |
| 一部商品・サイズによっては、 梱包形態が異なる場合がございます。 | [ ! ]1重目・2重目の梱包とも、脱気されております。 | [ ! ]防錆対策として乾燥剤を同封しております。 1梱包につき1つになります。 |
洗浄効果・利用推奨環境| 洗浄方法 | 商品型番 | 梱包形態 | 未洗浄品と比べた効果 | ご利用環境(目安) | 利用シーン・工程 |
|---|---|---|---|---|---|
| 脱脂洗浄 | SL-□□ | 防錆梱包 | 油分除去 | 一般環境 | 通常組立工程 |
| バッテリー組立後工程 | |||||
| 精密洗浄 | SH-□□ | 脱気2重梱包 | 油分除去 粉塵除去 | クリーン環境(クラス10~1,000) | バッテリー組立工程 |
| 液晶関連組立後工程 | |||||
| 車載カメラ組立工程 | |||||
| 電解研磨+精密洗浄 | SHD-□□ | 脱気2重梱包 | 油分除去 粉塵除去 アウトガス低減 | 真空環境 クリーン環境(クラス10~1,000) | 半導体前工程 |
| 液晶成膜工程 | |||||
| 有機EL前工程 |
| 型番 |
|---|
通常単価(税別)
(税込単価) | 通常出荷日 |
洗浄不要の場合の代替品
|
|---|
- ( - ) | 6日目 |
|
- ( - ) | 6日目 |
|
- ( - ) | 6日目 |
|
- ( - ) | 6日目 |
|
- ( - ) | 6日目 |
|
- ( - ) | 6日目 |
|
- ( - ) | 6日目 |
|
- ( - ) | 6日目 |
|
- ( - ) | 6日目 |
|
- ( - ) | 6日目 |
|
- ( - ) | 6日目 |
|
- ( - ) | 11日目 |
|
- ( - ) | 11日目 |
|
- ( - ) | 11日目 |
|
- ( - ) | 11日目 |
|
- ( - ) | 11日目 |
|
- ( - ) | 11日目 |
|
- ( - ) | 11日目 |
|
- ( - ) | 11日目 |
|
- ( - ) | 11日目 |
|
- ( - ) | 11日目 |
|
- ( - ) | 11日目 |
|
- ( - ) | 11日目 |
|
- ( - ) | 11日目 |
|
- ( - ) | 11日目 |
|
- ( - ) | 6日目 |
|
- ( - ) | 6日目 |
|
- ( - ) | 6日目 |
|
- ( - ) | 6日目 |
|
- ( - ) | 6日目 |
|
- ( - ) | 6日目 |
|
- ( - ) | 6日目 |
|
- ( - ) | 6日目 |
|
- ( - ) | 6日目 |
|
- ( - ) | 6日目 |
|
- ( - ) | 6日目 |
|
- ( - ) | 6日目 |
|
- ( - ) | 6日目 |
|
- ( - ) | 6日目 |
|
- ( - ) | 6日目 |
|
- ( - ) | 6日目 |
|
- ( - ) | 6日目 |
|
- ( - ) | 6日目 |
|
- ( - ) | 6日目 |
|
- ( - ) | 6日目 |
|
- ( - ) | 6日目 |
|
- ( - ) | 6日目 |
|
- ( - ) | 11日目 |
|
- ( - ) | 11日目 |
|
- ( - ) | 11日目 |
|
- ( - ) | 11日目 |
|
- ( - ) | 11日目 |
|
- ( - ) | 11日目 |
|
- ( - ) | 11日目 |
|
- ( - ) | 11日目 |
|
- ( - ) | 11日目 |
|
- ( - ) | 11日目 |
|
- ( - ) | 11日目 |
|
- ( - ) | 11日目 |
|
- ( - ) | 11日目 |
| ・脱脂洗浄(防錆1重梱包) | :型番SL-□□ |
| ・精密洗浄(脱気2重梱包) | :型番SH-□□ |
| ・電解研磨+精密洗浄(脱気2重梱包) | :型番SHD-□□ |
| 商品型番 | 洗浄方法 | 梱包形態 | 未洗浄品と比べた効果 | ご利用環境(目安) | 工程別 |
| SL-□□ | 脱脂洗浄 | 防錆梱包 | 油分除去 | 一般環境 | 通常組立工程 |
| バッテリー組立後工程 | |||||
| SH-□□ | 精密洗浄 | 脱気2重梱包 | 油分除去 粉塵除去 | クリーン環境(クラス10~1,000) | バッテリー組立工程 |
| 液晶関連組立後工程 | |||||
| 車載カメラ組立工程 | |||||
| SHD-□□ | 電解研磨+精密洗浄 | 脱気2重梱包 | 油分除去 粉塵除去 アウトガス低減 | 真空環境 クリーン環境(クラス10~1,000) | 半導体前工程 |
| 液晶成膜工程 | |||||
| 有機EL前工程 |
| 型式 | ¥基準単価 | ||||||||||||
| Type | D | SL-MTSWK | SH-MTSWK | SHD-MTSWK | |||||||||
| 最短L〜200 | L201〜400 | L401〜600 | L601〜800 | 最短L〜200 | L201〜400 | L401〜600 | L601〜800 | 最短L〜200 | L201〜400 | L401〜600 | L601〜800 | ||
| SL-MTSWK SH-MTSWK SHD-MTSWK | 12 | 8,400 | 10,110 | 10,870 | 11,890 | 9,600 | 11,860 | 12,620 | 13,640 | 10,500 | 12,910 | 13,670 | 14,690 |
| 14 | 8,530 | 10,270 | 11,080 | 12,150 | 9,730 | 12,020 | 12,830 | 13,900 | 10,630 | 13,070 | 13,880 | 14,950 | |
| 16 | 8,660 | 10,600 | 11,300 | 12,500 | 9,860 | 12,350 | 13,050 | 14,250 | 10,760 | 13,400 | 14,100 | 15,300 | |
| 18 | 8,910 | 11,080 | 11,470 | 12,670 | 10,110 | 12,830 | 13,220 | 14,420 | 11,010 | 13,880 | 14,270 | 15,470 | |
| 20 | 9,190 | 11,730 | 12,210 | 13,720 | 10,390 | 13,480 | 13,960 | 15,470 | 11,290 | 14,530 | 15,010 | 16,520 | |
| 25 | 15,790 | 21,040 | 25,580 | 30,480 | 16,990 | 22,790 | 27,330 | 32,230 | 17,890 | 23,840 | 28,380 | 33,280 | |
| 型式 | ¥基準単価 | ||||||||||||
| Type | D | SL-MTSWLK | SH-MTSWLK | SHD-MTSWLK | |||||||||
| 最短L〜200 | L201〜400 | L401〜600 | L601〜800 | 最短L〜200 | L201〜400 | L401〜600 | L601〜800 | 最短L〜200 | L201〜400 | L401〜600 | L601〜800 | ||
| SL-MTSWLK SH-MTSWLK SHD-MTSWLK | 12 | 8,400 | 10,110 | 10,870 | 11,890 | 9,600 | 11,860 | 12,620 | 13,640 | 10,500 | 12,910 | 13,670 | 14,690 |
| 14 | 8,530 | 10,270 | 11,080 | 12,150 | 9,730 | 12,020 | 12,830 | 13,900 | 10,630 | 13,070 | 13,880 | 14,950 | |
| 16 | 8,660 | 10,600 | 11,300 | 12,500 | 9,860 | 12,350 | 13,050 | 14,250 | 10,760 | 13,400 | 14,100 | 15,300 | |
| 18 | 8,910 | 11,080 | 11,470 | 12,670 | 10,110 | 12,830 | 13,220 | 14,420 | 11,010 | 13,880 | 14,270 | 15,470 | |
| 20 | 9,190 | 11,730 | 12,210 | 13,720 | 10,390 | 13,480 | 13,960 | 15,470 | 11,290 | 14,530 | 15,010 | 16,520 | |
| 型式 | ¥基準単価 | ||||||||
| SL-RMTWK | SH-RMTWK | ||||||||
| Type | D | 最短L〜200 | L201〜400 | L401〜600 | L601〜800 | 最短L〜200 | L201〜400 | L401〜600 | L601〜800 |
| SL-RMTWK SH-RMTWK | 12 | 8,230 | 10,100 | 10,800 | 12,080 | 9,430 | 11,850 | 12,550 | 13,830 |
| 14 | 8,670 | 10,920 | 11,830 | 12,990 | 9,870 | 12,670 | 13,580 | 14,740 | |
| 16 | 8,930 | 11,370 | 12,360 | 13,600 | 10,130 | 13,120 | 14,110 | 15,350 | |
| 18 | 9,490 | 12,310 | 12,890 | 14,640 | 10,690 | 14,060 | 14,640 | 16,390 | |
| 20 | 10,060 | 13,060 | 13,810 | 16,230 | 11,260 | 14,810 | 15,560 | 17,980 | |
| 22 | 11,750 | 15,520 | 16,830 | 19,550 | 12,950 | 17,270 | 18,580 | 21,300 | |
| 25 | 12,000 | 15,870 | 17,230 | 20,050 | 13,200 | 17,620 | 18,980 | 21,800 | |
| 型式 | ¥基準単価 | ||||||||
| SL-RMTWLK | SH-RMTWLK | ||||||||
| Type | D | 最短L〜200 | L201〜400 | L401〜600 | L601〜800 | 最短L〜200 | L201〜400 | L401〜600 | L601〜800 |
| SL-RMTWLK SH-RMTWLK | 12 | 8,230 | 10,100 | 10,800 | 12,080 | 9,430 | 11,850 | 12,550 | 13,830 |
| 14 | 8,670 | 10,920 | 11,830 | 12,990 | 9,870 | 12,670 | 13,580 | 14,740 | |
| 16 | 8,930 | 11,370 | 12,360 | 13,600 | 10,130 | 13,120 | 14,110 | 15,350 | |
| 18 | 9,490 | 12,310 | 12,890 | 14,640 | 10,690 | 14,060 | 14,640 | 16,390 | |
| 20 | 10,060 | 13,060 | 13,810 | 16,230 | 11,260 | 14,810 | 15,560 | 17,980 | |
| 22 | 11,750 | 15,520 | 16,830 | 19,550 | 12,950 | 17,270 | 18,580 | 21,300 | |
| 25 | 12,000 | 15,870 | 17,230 | 20,050 | 13,200 | 17,620 | 18,980 | 21,800 | |
| 数量区分 | 標準対応 | 個別対応 | |||
| 小口 | 大口 | ||||
| 数 量 | 1〜4 | 5〜7 | 8・9 | 10〜30 | 31〜 |
| 値引率 | 基準単価 | 5% | 10% | 18% | お見積り |
■スライドベース搬送ユニット![]() | ■組み合わせ推奨商品 手動で台形ねじを回転させワークや治具を載せるスライドベースの位置が 調整可能なユニットです。専用台形ねじ、専用軸受け、専用回転止を ユニットにしました。(こちら) ラジアル方向、スラスト方向に荷重を受けることができ、従来方法よりも省スペース で安価にできます。又、ポジションインジケータも簡単に取付可能です。 ■組み合わせ部品明細
*ハンドル固定用に台形ねじ軸に下記の2種類の追加工を併用
|
通常価格、通常出荷日が表示と異なる場合がございます
通常価格、通常出荷日が表示と異なる場合がございます

ミスミ
30度台形ねじ 両端段付タイプ
4.6
ミスミ
30度台形ねじ ストレートタイプ
4.5
ミスミ
30度台形ねじ 片端段付タイプ
4.9
ミスミ
30度台形ねじ 片端段付・片端2段タイプ
4.6
ミスミ
30度台形ねじ サポートユニット適応タイプ
4
ミスミ
30度台形ねじ 片端2段タイプ
4.8
ミスミ
30度台形ねじ 左右ねじ / 精密左右ねじ(中央部h7) 両端段付タイプ
4.7
ミスミ
30度台形ねじ 両端2段タイプ
5
ミスミ
30度台形ねじ 左右ねじ / 精密左右ねじ(中央部h7) 片端段付・片端2段タイプ
4.4