メカニカル部品技術窓口
ミスミ品のみ対象


| [ M ]材質 | [ H ]硬度 | めねじ | 洗浄方法 | ||||
| D公差 | |||||||
| g6 | h7 | 洗浄方法 | 洗浄環境 | 梱包形態 | 梱包環境 | ||
| 高硬度ステンレス* | 35HRC~ | SL-ADSTC | SL-ADSTHC | 脱脂洗浄 | 一般環境 | 防錆梱包 | 一般環境 |
| SH-ADSTC | SH-ADSTHC | 精密洗浄 | クラス1000 | 脱気2重梱包 | クラス10 | ||
| SHD-ADSTC | SHD-ADSTHC | 電解研磨+精密洗浄 | |||||
| 高強度ステンレス | 55HRC~ | SL-ZDSTC | SL-ZDSTHC | 脱脂洗浄 | 一般環境 | 防錆梱包 | 一般環境 |
| SH-ZDSTC | SH-ZDSTHC | 精密洗浄 | クラス1000 | 脱気2重梱包 | クラス10 | ||
| SHD-ZDSTC | SHD-ZDSTHC | 電解研磨+精密洗浄 | |||||
| SUS316L | - | SL-XDSTC | SL-XDSTHC | 脱脂洗浄 | 一般環境 | 防錆梱包 | 一般環境 |
| SH-XDSTC | SH-XDSTHC | 精密洗浄 | クラス1000 | 脱気2重梱包 | クラス10 | ||
| SHD-XDSTC | SHD-XDSTHC | 電解研磨+精密洗浄 | |||||
| 高硬度ステンレス (35HRC~) | SUS316L | SUS304 | |
| 試験前 | ![]() | ![]() | ![]() |
| 24hr | ![]() | ![]() | ![]() |
| 48hr | ![]() | ![]() | ![]() |
| 168hr | ![]() | ![]() | ![]() |
| 高強度ステンレス (55HRC~) | SUS440C相当 | SKS3相当(参考) | |
| 試験前 | ![]() | ![]() | ![]() |
| 24hr | ![]() | ![]() | ![]() |
| 48hr | ![]() | ![]() | ![]() |
| 168hr | - | - | - |
| 材質 | せん断荷重 | 硬度 |
| 高強度ステンレス | 33kN | 55HRC~ |
| 高硬度ステンレス | 26kN | 35HRC~ |
| SUS304 | 20kN | 10~20HRC |
| SKS3相当 | 33kN | 60~63HRC |
| SUS440C | 31kN | 50~55HRC |

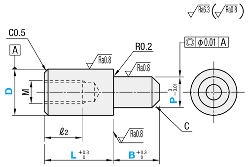
| 型式 | − | P | − | L | − | B | ||
| Type | D | |||||||
| SL-ADSTC | 5 | − | P3.98 | − | L6 | − | B3.0 | |
| SH-ADSTC | 8 | − | P6.50 | − | L6 | − | B8.0 | |
| SHD-ADSTC | 10 | − | P7.00 | − | L15 | − | B10.0 | |
| D | g6 | h7 |
| 1.00~3.00 | −0.002 −0.008 | 0 −0.010 |
| 3.01~6.00 | −0.004 −0.012 | 0 −0.012 |
| 6.01~10.00 | −0.005 −0.014 | 0 −0.015 |
| 10.01~18.00 | −0.006 −0.017 | 0 −0.018 |
| 18.01~25.50 | -0.007 -0.020 | 0 -0.021 |
| 型式 | P 指定0.01mm単位 | L 指定1mm単位 | B 指定0.1mm単位 | M (並目) | *締付トルク N・cm | C | ℓ2 | |||
| Type | D | |||||||||
| 高硬度ステンレス(35HRC~) | 高強度ステンレス(55HRC~) | SUS316L | 6 | 4.00~6.00 | 8~12 | 2.0~12.0 | M3 | 147 | 1.0 | 5.0 |
| SL-ADSTC(g6) | SL-ZDSTC(g6) | SL-XDSTC(g6) | 8 | 6.00~8.00 | 11~16 | 2.0~15.0 | M4 | 333 | 6.0 | |
| SH-ADSTC(g6) | SH-ZDSTC(g6) | SH-XDSTC(g6) | 10 | 7.00~10.00 | 11~20 | 3.0~20.0 | M5 | 676 | 8.0 | |
| SHD-ADSTC(g6) | SHD-ZDSTC(g6) | SHD-XDSTC(g6) | 12 | 7.00~12.00 | ||||||
| 13 | 8.00~13.00 | 5.0~20.0 | M6 | 1156 | 9.0 | |||||
| SL-ADSTHC(h7) | SL-ZDSTHC(h7) | SL-XDSTHC(h7) | 16 | 8.00~16.00 | ||||||
| SH-ADSTHC(h7) | SH-ZDSTHC(h7) | SH-XDSTHC(h7) | 20 | 13.00~20.00 | 16~30 | 5.0~30.0 | ||||
| SHD-ADSTHC(h7) | SHD-ZDSTHC(h7) | SHD-XDSTHC(h7) | 25 | 13.00~25.00 | 16~37 | |||||
| 型式 | − | P | − | L | − | B | − | (AC・CN・RAC…etc) |
| SL-ADSTC8 | − | P6.50 | − | L14 | − | B8.0 | − | LAC |
| 9 | 日目出荷 |
| 追加工 コード | 追加工内容 | 適用条件 | 指定例 | \/1Code | |||||||||||||||||||||||
| AC | エアーベント(エアー抜き溝) 加工を追加 ![]() | [ ! ]D-3≦Pの時、B寸側にニゲ溝がつきます [ ! ]D≦3.0の時、C0.5以下になります | SL-ADSTC8-P6.50-L14-B8.0-AC | 200 | |||||||||||||||||||||||
| CN | C面取りサイズを変更![]() | P寸部C面取りをC0.5以下に変更します [ ! ]D≧6 [ NG ]D寸部には適用しません | SL-ADSTC8-P6.50-L14-B8.0-CN | 無料 | |||||||||||||||||||||||
| RAC | 六角穴を追加![]() | [ ! ]S+3≦P-2 [ NG ]LACとの併用不可
| SL-ADSTC10-P8.50-L15-B10.0-RAC | 600 | |||||||||||||||||||||||
| LAC | レンチ穴を追加![]() | [ ! ]D≧8に適用 [ NG ]RACとの併用不可
| SL-ADSTC8-P6.50-L14-B8.0-LAC | 300 | |||||||||||||||||||||||
| PM/PP PG/PH | P寸の公差を変更![]() | [ ! ]数量スライド適用します
| SL-ADSTC8-P6.50-L14-B8.0-PH | 100 | |||||||||||||||||||||||
洗浄工程| ※材質がステンレスの場合、アルカリ系温水洗浄となることがあります。 | |
| ・脱脂洗浄(型式:SL-□□) | ※表面処理が低温黒色クロムメッキの場合、IPA洗浄となります。 |
作業環境:一般環境 | ||||||||||||||
|---|---|---|---|---|---|---|---|---|---|---|---|---|---|---|
Ro水洗浄 中性洗剤洗浄 | ![]() |
後に純水(10MΩ・cm)で 洗浄 | ![]() |
使用 | ![]() |
| ||||||||
作業環境:クラス1000 | 作業環境:クラス10 | |||||||||||||||||
|---|---|---|---|---|---|---|---|---|---|---|---|---|---|---|---|---|---|---|
Ro水洗浄 中性洗剤洗浄 | ![]() |
後に純水(10MΩ・cm)で 洗浄 | ![]() |
| ![]() |
| ![]() |
で実施 | ||||||||||
作業環境:クラス1000 | 作業環境:クラス10 | |||||||||||||||||||||
|---|---|---|---|---|---|---|---|---|---|---|---|---|---|---|---|---|---|---|---|---|---|---|
Ro水洗浄 中性洗剤洗浄 | ![]() |
で電解研磨 | ![]() |
後に純水(10MΩ・cm)で 洗浄 | ![]() |
| ![]() |
| ![]() |
で実施 | ||||||||||||
梱包例| 脱脂洗浄の場合 (TYPE型番:SL-□□) | 精密洗浄または電解研磨+精密洗浄の場合 | |
| (TYPE型番:SH-□□・SHD-□□) | ||
| オーステナイト系ステンレス・アルミ材質の場合 | 鉄・マルテンサイト系ステンレス材質の場合 | |
防錆梱包(1重梱包) | 1重目梱包2重目梱包 | 1重目梱包2重目梱包乾燥剤 |
| 一部商品・サイズによっては、 梱包形態が異なる場合がございます。 | [ ! ]1重目・2重目の梱包とも、脱気されております。 | [ ! ]防錆対策として乾燥剤を同封しております。 1梱包につき1つになります。 |
洗浄効果・利用推奨環境洗浄方法 | 商品型番 | 梱包形態 | 未洗浄品と比べた効果 | ご利用環境(目安) | 利用シーン・工程 |
|---|---|---|---|---|---|
| 脱脂洗浄 | SL-□□ | 防錆梱包 | 油分除去 | 一般環境 | 通常組立工程 |
| バッテリー組立後工程 | |||||
| 精密洗浄 | SH-□□ | 脱気2重梱包 | 油分除去 粉塵除去 | クリーン環境(クラス10~1,000) | バッテリー組立工程 |
| 液晶関連組立後工程 | |||||
| 車載カメラ組立工程 | |||||
| 電解研磨+精密洗浄 | SHD-□□ | 脱気2重梱包 | 油分除去 粉塵除去 アウトガス低減 | 真空環境 クリーン環境(クラス10~1,000) | 半導体前工程 |
| 液晶成膜工程 | |||||
| 有機EL前工程 |
| 型番 |
|---|
通常単価(税別)
(税込単価) | 通常出荷日 |
|---|
- ( - ) | 6日目 |
- ( - ) | 6日目 |
- ( - ) | 6日目 |
- ( - ) | 6日目 |
- ( - ) | 6日目 |
- ( - ) | 6日目 |
- ( - ) | 6日目 |
- ( - ) | 6日目 |
- ( - ) | 6日目 |
- ( - ) | 6日目 |
- ( - ) | 6日目 |
- ( - ) | 6日目 |
- ( - ) | 6日目 |
- ( - ) | 6日目 |
- ( - ) | 6日目 |
- ( - ) | 6日目 |
- ( - ) | 6日目 |
- ( - ) | 6日目 |
- ( - ) | 6日目 |
- ( - ) | 6日目 |
- ( - ) | 6日目 |
- ( - ) | 6日目 |
- ( - ) | 6日目 |
- ( - ) | 6日目 |
- ( - ) | 6日目 |
- ( - ) | 6日目 |
- ( - ) | 6日目 |
- ( - ) | 6日目 |
- ( - ) | 6日目 |
- ( - ) | 6日目 |
- ( - ) | 6日目 |
- ( - ) | 6日目 |
- ( - ) | 6日目 |
- ( - ) | 6日目 |
- ( - ) | 6日目 |
- ( - ) | 6日目 |
- ( - ) | 6日目 |
- ( - ) | 6日目 |
- ( - ) | 6日目 |
- ( - ) | 6日目 |
- ( - ) | 6日目 |
- ( - ) | 6日目 |
- ( - ) | 6日目 |
- ( - ) | 6日目 |
- ( - ) | 6日目 |
- ( - ) | 6日目 |
- ( - ) | 6日目 |
- ( - ) | 6日目 |
- ( - ) | 6日目 |
- ( - ) | 6日目 |
- ( - ) | 6日目 |
- ( - ) | 6日目 |
- ( - ) | 6日目 |
- ( - ) | 6日目 |
- ( - ) | 6日目 |
- ( - ) | 6日目 |
- ( - ) | 6日目 |
- ( - ) | 6日目 |
- ( - ) | 6日目 |
- ( - ) | 6日目 |
| ・脱脂洗浄(防錆1重梱包) | :型番SL-□□ |
| ・精密洗浄(脱気2重梱包) | :型番SH-□□ |
| ・電解研磨+精密洗浄(脱気2重梱包) | :型番SHD-□□ |
| 商品型番 | 洗浄方法 | 梱包形態 | 未洗浄品と比べた効果 | ご利用環境(目安) | 工程別 |
| SL-□□ | 脱脂洗浄 | 防錆梱包 | 油分除去 | 一般環境 | 通常組立工程 |
| バッテリー組立後工程 | |||||
| SH-□□ | 精密洗浄 | 脱気2重梱包 | 油分除去 粉塵除去 | クリーン環境(クラス10~1,000) | バッテリー組立工程 |
| 液晶関連組立後工程 | |||||
| 車載カメラ組立工程 | |||||
| SHD-□□ | 電解研磨+精密洗浄 | 脱気2重梱包 | 油分除去 粉塵除去 アウトガス低減 | 真空環境 クリーン環境(クラス10~1,000) | 半導体前工程 |
| 液晶成膜工程 | |||||
| 有機EL前工程 |
| D | ¥基準単価 | |||||
| g6 | h7 | |||||
| SL-ADSTC | SH-ADSTC | SHD-ADSTC | SL-ADSTHC | SH-ADSTHC | SHD-ADSTHC | |
| 6 | 1,840 | 2,240 | 2,480 | 1,840 | 2,240 | 2,480 |
| 8 | 1,890 | 2,290 | 2,530 | 1,890 | 2,290 | 2,530 |
| 10 | 1,990 | 2,390 | 2,630 | 1,990 | 2,390 | 2,630 |
| 12 | 2,030 | 2,430 | 2,670 | 2,030 | 2,430 | 2,670 |
| 13 | 2,070 | 2,470 | 2,710 | 2,070 | 2,470 | 2,710 |
| 16 | 2,190 | 2,590 | 2,830 | 2,190 | 2,590 | 2,830 |
| 20 | 2,490 | 2,890 | 3,130 | 2,490 | 2,890 | 3,130 |
| 25 | 2,690 | 3,090 | 3,330 | 2,690 | 3,090 | 3,330 |
| D | ¥基準単価 | |||||
| g6 | h7 | |||||
| SL-ZDSTC | SH-ZDSTC | SHD-ZDSTC | SL-ZDSTHC | SH-ZDSTHC | SHD-ZDSTHC | |
| 6 | 1,670 | 1,950 | 2,350 | 1,670 | 1,950 | 2,350 |
| 8 | 1,730 | 2,010 | 2,410 | 1,730 | 2,010 | 2,410 |
| 10 | 1,860 | 2,140 | 2,540 | 1,860 | 2,140 | 2,540 |
| 12 | 1,910 | 2,190 | 2,590 | 1,910 | 2,190 | 2,590 |
| 13 | 1,970 | 2,250 | 2,650 | 1,970 | 2,250 | 2,650 |
| 16 | 2,120 | 2,400 | 2,800 | 2,120 | 2,400 | 2,800 |
| D | ¥基準単価 | |||||
| g6 | h7 | |||||
| SL-XDSTC | SH-XDSTC | SHD-XDSTC | SL-XDSTHC | SH-XDSTHC | SHD-XDSTHC | |
| 6 | 1,360 | 1,640 | 1,760 | 1,360 | 1,640 | 1,760 |
| 8 | 1,410 | 1,690 | 1,810 | 1,410 | 1,690 | 1,810 |
| 10 | 1,510 | 1,790 | 1,910 | 1,510 | 1,790 | 1,910 |
| 12 | 1,550 | 1,830 | 1,950 | 1,550 | 1,830 | 1,950 |
| 13 | 1,590 | 1,870 | 1,990 | 1,590 | 1,870 | 1,990 |
| 16 | 1,710 | 1,990 | 2,110 | 1,710 | 1,990 | 2,110 |
| 20 | 2,010 | 2,290 | 2,410 | 2,010 | 2,290 | 2,410 |
| 数量区分 | 標準対応 | 個別対応 | |||||
| 小口 | 大口 | 大口 | |||||
| 数 量 | 1~4 | 5~19 | 20~49 | 50~100 | 101~500 | 501~1000 | 1001以上 |
| 値引率 | 基準単価 | 5% | 15% | 20% | 30% | 50% | お見積り |
| 出荷日 | 通常 | +2日 | +4日 | ||||
通常価格、通常出荷日が表示と異なる場合がございます
通常価格、通常出荷日が表示と異なる場合がございます

ミスミ
位置決めピン 大頭テーパタイプ -圧入-
4.8通常価格(税別):340円~

ミスミ
位置決めピン 先端形状選択タイプ -おねじ-
4.5
ミスミ
位置決めピン 先端形状選択タイプ -めねじ(大頭/ストレート)-
4.6
ミスミ
位置決めピン 高耐食ステンレス(55・35HRC~/SUS316L)大頭テーパ 圧入
4.7
ミスミ
位置決めピン 大頭フラットタイプ -圧入-
4.6通常価格(税別):300円~

ミスミ
位置決めピン 高耐食ステンレス(55・35HRC~/SUS316L)R/テーパ/テーパR 全ねじ
4.4
ミスミ
位置決めピン -エアベント付めねじタイプ-
4.6通常価格(税別):170円~

ミスミ
位置決めピン 先端形状選択タイプ -全ねじ-
4.4
ミスミ
マーカーピン 六角穴付タイプ
4.4