メカニカル部品技術窓口
ミスミ品のみ対象

「脱脂洗浄」「精密洗浄」「電解研磨+精密洗浄」3種類の洗浄方法が選択可能、いずれも標準型番で1個からご...
詳細を確認●ツバ厚指定
●ツバ径・ツバ厚指定
(丸)
(ダイヤ)


D(P)≧3の場合
a=1.0
d=D(P)-0.2
D(P)<3の場合
a=0.5
d=D(P)-0.1
[ ! ]逃げ部寸法は参考値になります。
[ ! ]L<Pitch×2の場合、不完全ねじ部(Pitch×2)はM×1.5に含まれます。
並目ねじPitch寸法>>こちら
| Type | [ M ]材質 | [ S ]表面処理 | [ H ]硬度 | 洗浄方法 | ||||||
| ツバ厚指定 | ツバ径・ツバ厚指定 | |||||||||
| 丸 | ダイヤ | 丸 | ダイヤ | 洗浄方法 | 洗浄環境 | 梱包形態 | 梱包環境 | |||
| SL-SFPUAT | SL-SFPUDT | SL-SFPUATD | SL-SFPUDTD | SUS304 | − | − | 脱脂洗浄 | 一般環境 | 防錆梱包 | 一般環境 |
| SH-SFPUAT | SH-SFPUDT | SH-SFPUATD | SH-SFPUDTD | 精密洗浄 | クラス1000 | 脱気2重梱包 | クラス10 | |||
| SHD-SFPUAT | SHD-SFPUDT | SHD-SFPUATD | SHD-SFPUDTD | 電解研磨+精密洗浄 | ||||||
| − | − | SL-HFPUATD | SL-HFPUDTD | SUS304 | 硬質クロムメッキ | メッキ硬度750HV~ | 脱脂洗浄 | 一般環境 | 防錆梱包 | 一般環境 |
| − | − | SH-HFPUATD | SH-HFPUDTD | 精密洗浄 | クラス1000 | 脱気2重梱包 | クラス10 | |||
| SL-GFPUAT | SL-GFPUDT | SL-GFPUATD | SL-GFPUDTD | SKS3相当 | 硬質クロムメッキ | 焼入硬度50~55HRC メッキ硬度750HV~ | 脱脂洗浄 | 一般環境 | 防錆梱包 | 一般環境 |
| SH-GFPUAT | SH-GFPUDT | SH-GFPUATD | SH-GFPUDTD | 精密洗浄 | クラス1000 | 脱気2重梱包 | クラス10 | |||
| SL-CFPUAT | SL-CFPUDT | SL-CFPUATD | SL-CFPUDTD | SUS440Cまたは 13Crステンレス | − | 焼入硬度50〜55HRC | 脱脂洗浄 | 一般環境 | 防錆梱包 | 一般環境 |
| SH-CFPUAT | SH-CFPUDT | SH-CFPUATD | SH-CFPUDTD | 精密洗浄 | クラス1000 | 脱気2重梱包 | クラス10 | |||
詳細図を記載しておりますので、ご確認ください。| 型式 | − | P | − | L | − | B | − | T | − | H | ||||
| Type | 形状 | D | ||||||||||||
| SL-SFPU | ATD | 12 | − | P9.98 | − | L15 | − | B5.5 | − | T12 | − | H13 | ||
| SH-SFPU | AT | 12 | − | P9.98 | − | L15 | − | B5.5 | − | T12 | ||||
| SHD-SFPU | DTD | 12 | − | P9.98 | − | L15 | − | B5.5 | − | T12 | − | H13 | ||
| 型式 | P 指定0.01mm単位 | L 指定1mm単位 | B 指定0.1mm単位 | T 指定0.5mm単位 | H | m | (W) | M (並目) | *締付トルク N・cm | ℓ | |||
| Type | 形状 | D | D寸公差 g6 | ||||||||||
| SL-SFPU SH-SFPU SHD-SFPU SL-GFPU SH-GFPU SL-CFPU SH-CFPU | AT (丸) DT (ダイヤ) | 5 | -0.004 -0.012 | 3.00〜 6.00 | 7〜10 | 2.0〜15.0(10.0) | 1.0〜10.0 | 10 | 2 | 1.5 | M2 | − | 3 |
| 6 | 4.00〜 7.00 | 6(9)〜12 | 2.0〜15.0 | 11 | 1.8 | M3 | 98 | 5 | |||||
| 8 | -0.005 -0.014 | 5.00〜 9.00 | 8(12)〜16 | 2.0〜20.0(15.0) | 13 | 3 | 2.2 | M5 | 461 | 8 | |||
| 10 | 7.00〜11.00 | 10(12)〜20 | 2.0〜30.0(25.0) | 15 | 3 | ||||||||
| 12 | -0.006 -0.017 | 7.00〜12.00 | 12〜24 | 3.0〜30.0(25.0) | 17 | 3.2 | |||||||
| 13 | 8.00〜13.00 | 13(14)〜26 | 3.0〜30.0(25.0) | 18 | 4 | 3.5 | M8 | 1911 | 10 | ||||
| 16 | 13.00〜16.00 | 16〜32 | 5.0〜30.0 | 21 | 4 | 12 | |||||||
| 20 | -0.007 -0.020 | 16.00〜20.00 | 20〜40 | 5.0〜30.0 | 25 | 5 | 5.5 | ||||||
| 型式 | P 指定0.01mm単位 | L 指定1mm単位 | B 指定0.1mm単位 | T 指定0.5mm単位 | H 指定0.5mm単位 | m | (W) | M (並目) | *締付トルク N・cm | ℓ | |||
| Type | 形状 | D | D寸公差 g6 | ||||||||||
| SL-SFPU SH-SFPU SHD-SFPU SL-HFPU SH-HFPU SL-GFPU SH-GFPU SL-CFPU SH-CFPU | ATD (丸) DTD (ダイヤ) | 5 | -0.004 -0.012 | 3.00〜 6.00 | 7〜10 | 2.0〜15.0(10.0) | 1.0〜15.0 | 8.0〜14.0 | 2 | 1.5 | M2 | − | 3 |
| 6 | 4.00〜 7.00 | 6(9)〜12 | 9.0〜15.0 | 1.8 | M3 | 98 | 5 | ||||||
| 8 | -0.005 -0.014 | 5.00〜 9.00 | 8(12)〜16 | 2.0〜20.0(15.0) | 11.0〜17.0 | 3 | 2.2 | M5 | 461 | 8 | |||
| 10 | 7.00〜11.00 | 10(12)〜20 | 2.0〜30.0(25.0) | 13.0〜19.0 | 3 | ||||||||
| 12 | -0.006 -0.017 | 7.00〜12.00 | 12〜24 | 3.0〜30.0(25.0) | 13.0〜20.0 | 3.2 | |||||||
| 13 | 8.00〜13.00 | 13(14)〜26 | 3.0〜30.0(25.0) | 15.0〜21.0 | 4 | 3.5 | M8 | 1911 | 10 | ||||
| 16 | 13.00〜16.00 | 16〜32 | 5.0〜30.0 | 18.0〜24.0 | 4 | 12 | |||||||
| 20 | -0.007 -0.020 | 16.00〜20.00 | 20〜40 | 5.0〜30.0 | 21.0〜27.0 | 5 | 5.5 | ||||||
| 型式 | − | P | − | L | − | B | − | T | − | H | − | (HC・TC・RC・TKC・NNC) |
| SL-SFPUATD12 | − | P8.50 | − | L20 | − | B10.0 | − | T13.0 | − | H16.0 | − | RC |
| 9 | 日目出荷 |
| 追加工 コード | 追加工内容 | 適用条件 | 指定例 | \/1Code | |||||||||||||||||||
| HC | 二面幅加工を追加![]() | HC=指定0.5mm単位指定 [ ! ]HC>D HC>P | FPUAT12-P8.50-L20-B10.0-T5.0-HC12 | 500 | |||||||||||||||||||
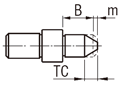
| TC | 先端テーパー部長さ変更![]() | m寸法を変更します。指定1mm単位 [ ! ]B+m≧TC+2(ストレート部min.2mm) [ ! ]P/2-TCtan15°(≒0.27)>0.5(先端φ1.0min.) [ ! ]TCの指定により、B寸法が変わります。(変更後B寸法=B+m-TC)
| FPUAT12-P8.50-L20-B10.0-T5.0-TC6 | 300 | |||||||||||||||||||
| RC | 首元R加工を追加![]() | 首元の逃げをR0.5に変更します。 [ ! ]H-P≧2の場合に適用 | FPUAT12-P8.50-L20-B10.0-T5.0-RC | 300 | |||||||||||||||||||
| TKC | ツバ厚公差を変更 | ツバ厚公差T +0.02 0 に変更します。 | FPUAT12-P8.50-L20-B10.0-T5.0-TKC | 300 |
洗浄工程| ※材質がステンレスの場合、アルカリ系温水洗浄となることがあります。 | |
| ・脱脂洗浄(型式:SL-□□) | ※表面処理が低温黒色クロムメッキの場合、IPA洗浄となります。 |
作業環境:一般環境 | ||||||
|---|---|---|---|---|---|---|
![]() 炭化水素系洗浄※ Ro水洗浄 中性洗剤洗浄 | ![]() | ![]() 高圧ジェット水洗(Ro水) 後に純水(10MΩ・cm)で 洗浄 | ![]() | ![]() エアブロー(オイルフリー) 使用 | ![]() | ![]() 防錆袋使用 |
| ・精密洗浄(型式:SH-□□) | ※表面処理が低温黒色クロムメッキの場合、IPA洗浄となります。 |
作業環境:クラス1000 | 作業環境:クラス10 | |||||||
|---|---|---|---|---|---|---|---|---|
![]() 炭化水素系洗浄※ Ro水洗浄 中性洗剤洗浄 | ![]() | ![]() 高圧ジェット水洗(Ro水) 後に純水(10MΩ・cm)で 洗浄 | ![]() | ![]() 温純水(13MΩ・cm)使用 | ![]() | ![]() 窒素ブロー使用 | ![]() | ![]() クリーンベンチ(クラス10) で実施 |
作業環境:クラス1000 | 作業環境:クラス10 | |||||||||
|---|---|---|---|---|---|---|---|---|---|---|
![]() 炭化水素系洗浄 Ro水洗浄 中性洗剤洗浄 | ![]() | ![]() 材質に応じた電解研磨槽 で電解研磨 | ![]() | ![]() 高圧ジェット水洗(Ro水) 後に純水(10MΩ・cm)で 洗浄 | ![]() | ![]() 温純水(13MΩ・cm)使用 | ![]() | ![]() 窒素ブロー使用 | ![]() | ![]() クリーンベンチ(クラス10) で実施 |
梱包例| 脱脂洗浄の場合 (TYPE型番:SL-□□) | 精密洗浄または電解研磨+精密洗浄の場合 | |
| (TYPE型番:SH-□□・SHD-□□) | ||
| オーステナイト系ステンレス・アルミ材質の場合 | 鉄・マルテンサイト系ステンレス材質の場合 | |
![]() | ![]() | ![]() |
| 一部商品・サイズによっては、 梱包形態が異なる場合がございます。 | [ ! ]1重目・2重目の梱包とも、脱気されております。 | [ ! ]防錆対策として乾燥剤を同封しております。 1梱包につき1つになります。 |
洗浄効果・利用推奨環境| 洗浄方法 | 商品型番 | 梱包形態 | 未洗浄品と比べた効果 | ご利用環境(目安) | 利用シーン・工程 |
|---|---|---|---|---|---|
| 脱脂洗浄 | SL-□□ | 防錆梱包 | 油分除去 | 一般環境 | 通常組立工程 |
| バッテリー組立後工程 | |||||
| 精密洗浄 | SH-□□ | 脱気2重梱包 | 油分除去 粉塵除去 | クリーン環境(クラス10~1,000) | バッテリー組立工程 |
| 液晶関連組立後工程 | |||||
| 車載カメラ組立工程 | |||||
| 電解研磨+精密洗浄 | SHD-□□ | 脱気2重梱包 | 油分除去 粉塵除去 アウトガス低減 | 真空環境 クリーン環境(クラス10~1,000) | 半導体前工程 |
| 液晶成膜工程 | |||||
| 有機EL前工程 |
| 型番 |
|---|
通常単価(税別)
(税込単価) | 通常出荷日 |
洗浄不要の場合の代替品
|
|---|
- ( - ) | 6日目 |
|
- ( - ) | 5日目 |
|
- ( - ) | 5日目 |
|
- ( - ) | 5日目 |
|
- ( - ) | 5日目 |
|
- ( - ) | 5日目 |
|
- ( - ) | 5日目 |
|
- ( - ) | 5日目 |
|
- ( - ) | 6日目 |
|
- ( - ) | 5日目 |
|
- ( - ) | 5日目 |
|
- ( - ) | 5日目 |
|
- ( - ) | 5日目 |
|
- ( - ) | 5日目 |
|
- ( - ) | 5日目 |
|
- ( - ) | 5日目 |
|
- ( - ) | 6日目 |
|
- ( - ) | 5日目 |
|
- ( - ) | 5日目 |
|
- ( - ) | 5日目 |
|
- ( - ) | 5日目 |
|
- ( - ) | 5日目 |
|
- ( - ) | 5日目 |
|
- ( - ) | 5日目 |
|
- ( - ) | 6日目 |
|
- ( - ) | 6日目 |
|
- ( - ) | 6日目 |
|
- ( - ) | 6日目 |
|
- ( - ) | 6日目 |
|
- ( - ) | 6日目 |
|
- ( - ) | 6日目 |
|
- ( - ) | 8日目 |
|
- ( - ) | 8日目 |
|
- ( - ) | 8日目 |
|
- ( - ) | 8日目 |
|
- ( - ) | 8日目 |
|
- ( - ) | 8日目 |
|
- ( - ) | 8日目 |
|
- ( - ) | 8日目 |
|
- ( - ) | 8日目 |
|
- ( - ) | 8日目 |
|
- ( - ) | 8日目 |
|
- ( - ) | 8日目 |
|
- ( - ) | 8日目 |
|
- ( - ) | 8日目 |
|
- ( - ) | 8日目 |
|
- ( - ) | 8日目 |
|
- ( - ) | 8日目 |
|
- ( - ) | 8日目 |
|
- ( - ) | 8日目 |
|
- ( - ) | 8日目 |
|
- ( - ) | 8日目 |
|
- ( - ) | 8日目 |
|
- ( - ) | 8日目 |
|
- ( - ) | 8日目 |
|
- ( - ) | 8日目 |
|
- ( - ) | 8日目 |
|
- ( - ) | 8日目 |
|
- ( - ) | 8日目 |
|
- ( - ) | 8日目 |
| ・脱脂洗浄(防錆1重梱包) | :型番SL-□□ |
| ・精密洗浄(脱気2重梱包) | :型番SH-□□ |
| ・電解研磨+精密洗浄(脱気2重梱包) | :型番SHD-□□ |
| 商品型番 | 洗浄方法 | 梱包形態 | 未洗浄品と比べた効果 | ご利用環境(目安) | 工程別 |
| SL-□□ | 脱脂洗浄 | 防錆梱包 | 油分除去 | 一般環境 | 通常組立工程 |
| バッテリー組立後工程 | |||||
| SH-□□ | 精密洗浄 | 脱気2重梱包 | 油分除去 粉塵除去 | クリーン環境(クラス10~1,000) | バッテリー組立工程 |
| 液晶関連組立後工程 | |||||
| 車載カメラ組立工程 | |||||
| SHD-□□ | 電解研磨+精密洗浄 | 脱気2重梱包 | 油分除去 粉塵除去 アウトガス低減 | 真空環境 クリーン環境(クラス10~1,000) | 半導体前工程 |
| 液晶成膜工程 | |||||
| 有機EL前工程 |
【特長】ツバ付タイプのツバの厚さ、ツバの径をご指定いただけます。めねじでの取り付けとなります。
| D | ¥基準単価 丸形状 | ||||||
| SUS304 | SKS3相当 硬質クロムメッキ | SUS440Cまたは13Crステンレス | |||||
| SL-SFPUAT | SH-SFPUAT | SHD-SFPUAT | SL-GFPUAT | SH-GFPUAT | SL-CFPUAT | SH-CFPUAT | |
| 5 | 2,800 | 3,200 | 3,440 | 2,960 | 3,360 | 2,970 | 3,370 |
| 6 | 2,830 | 3,230 | 3,470 | 3,000 | 3,400 | 3,010 | 3,410 |
| 8 | 2,830 | 3,230 | 3,470 | 3,000 | 3,400 | 3,120 | 3,520 |
| 10 | 2,930 | 3,330 | 3,570 | 3,110 | 3,510 | 3,240 | 3,640 |
| 12 | 3,160 | 3,560 | 3,800 | 3,360 | 3,760 | 3,360 | 3,760 |
| 13 | 3,160 | 3,560 | 3,800 | 3,360 | 3,760 | 3,410 | 3,810 |
| 16 | 3,810 | 4,210 | 4,450 | 4,040 | 4,440 | 4,200 | 4,600 |
| 20 | 4,690 | 5,090 | 5,330 | 4,950 | 5,350 | 5,300 | 5,700 |
| D | ¥基準単価 ダイヤ形状 | ||||||
| SUS304 | SKS3相当 硬質クロムメッキ | SUS440Cまたは13Crステンレス | |||||
| SL-SFPUDT | SH-SFPUDT | SHD-SFPUDT | SL-GFPUDT | SH-GFPUDT | SL-CFPUDT | SH-CFPUDT | |
| 5 | 3,120 | 3,520 | 3,760 | 3,410 | 3,810 | 3,540 | 3,940 |
| 6 | 3,160 | 3,560 | 3,800 | 3,450 | 3,850 | 3,600 | 4,000 |
| 8 | 3,170 | 3,570 | 3,810 | 3,450 | 3,850 | 3,600 | 4,000 |
| 10 | 3,310 | 3,710 | 3,950 | 3,590 | 3,990 | 3,740 | 4,140 |
| 12 | 3,540 | 3,940 | 4,180 | 3,830 | 4,230 | 3,850 | 4,250 |
| 13 | 3,540 | 3,940 | 4,180 | 3,860 | 4,260 | 3,700 | 4,100 |
| 16 | 4,240 | 4,640 | 4,880 | 4,530 | 4,930 | 4,910 | 5,310 |
| 20 | 5,170 | 5,570 | 5,810 | 5,480 | 5,880 | 5,940 | 6,340 |
| D | ¥基準単価 丸形状 | ||||||||
| SUS304 | SUS304 硬質クロムメッキ | SKS3相当 硬質クロムメッキ | SUS440Cまたは13Crステンレス | ||||||
| SL-SFPUATD | SH-SFPUATD | SHD-SFPUATD | SL-HFPUATD | SH-HFPUATD | SL-GFPUATD | SH-GFPUATD | SL-CFPUATD | SH-CFPUATD | |
| 5 | 3,500 | 3,900 | 4,140 | 3,960 | 4,360 | 3,740 | 4,140 | 3,760 | 4,160 |
| 6 | 3,550 | 3,950 | 4,190 | 4,020 | 4,420 | 3,790 | 4,190 | 3,810 | 4,210 |
| 8 | 3,550 | 3,950 | 4,190 | 4,020 | 4,420 | 3,790 | 4,190 | 3,950 | 4,350 |
| 10 | 3,700 | 4,100 | 4,340 | 4,190 | 4,590 | 3,950 | 4,350 | 4,090 | 4,490 |
| 12 | 4,010 | 4,410 | 4,650 | 4,560 | 4,960 | 4,280 | 4,680 | 4,270 | 4,670 |
| 13 | 4,010 | 4,410 | 4,650 | 4,560 | 4,960 | 4,280 | 4,680 | 4,350 | 4,750 |
| 16 | 4,900 | 5,300 | 5,540 | 5,580 | 5,980 | 5,170 | 5,570 | 5,430 | 5,830 |
| 20 | 6,080 | 6,480 | 6,720 | 6,970 | 7,370 | 6,460 | 6,860 | 6,900 | 7,300 |
| D | ¥基準単価 ダイヤ形状 | ||||||||
| SUS304 | SUS304 硬質クロムメッキ | SKS3相当 硬質クロムメッキ | SUS440Cまたは13Crステンレス | ||||||
| SL-SFPUDTD | SH-SFPUDTD | SHD-SFPUDTD | SL-HFPUDTD | SH-HFPUDTD | SL-GFPUDTD | SH-GFPUDTD | SL-CFPUDTD | SH-CFPUDTD | |
| 5 | 3,950 | 4,350 | 4,590 | 4,490 | 4,890 | 4,320 | 4,720 | - | - |
| 6 | 4,010 | 4,410 | 4,650 | 4,560 | 4,960 | 4,390 | 4,790 | 4,620 | 5,020 |
| 8 | 4,030 | 4,430 | 4,670 | 4,580 | 4,980 | 4,390 | 4,790 | 4,620 | 5,020 |
| 10 | 4,220 | 4,620 | 4,860 | 4,800 | 5,200 | 4,570 | 4,970 | 4,740 | 5,140 |
| 12 | 4,530 | 4,930 | 5,170 | 5,170 | 5,570 | 4,910 | 5,310 | 4,780 | 5,180 |
| 13 | 4,530 | 4,930 | 5,170 | 5,170 | 5,570 | 4,970 | 5,370 | 4,960 | 5,360 |
| 16 | 5,470 | 5,870 | 6,110 | 6,270 | 6,670 | 5,890 | 6,290 | 6,400 | 6,800 |
| 20 | 6,740 | 7,140 | 7,380 | 7,750 | 8,150 | 7,150 | 7,550 | 7,790 | 8,190 |
| 数量区分 | 標準対応 | 個別対応 | |||
| 小口 | 大口 | ||||
| 数 量 | 1〜19 | 20〜34 | 35〜49 | 50〜100 | 101~ |
| 値引率 | 基準単価 | 5% | 10% | 23% | お見積り |
| 出荷日 | 通常 | ||||
| 数量区分 | 標準対応 | 個別対応 | |
| 小口 | 大口 | ||
| 数 量 | 1〜10 | 11〜20 | 21〜 |
| 値引率 | 基準単価 | 10% | お見積り |
| 出荷日 | 通常 | ||
| 6 | 日目出荷 |
| 7 | 日目出荷 |
| 9 | 日目出荷 |
出荷日については、こちらをご覧ください。
段付タイプ通常価格、通常出荷日が表示と異なる場合がございます
通常価格、通常出荷日が表示と異なる場合がございます

ミスミ
位置決めピン 大頭テーパタイプ -圧入-
4.8通常価格(税別):340円~

ミスミ
位置決めピン 高耐食ステンレス(55・35HRC~/SUS316L)大頭テーパ 圧入
4.7
ミスミ
位置決めピン 先端形状選択タイプ -おねじ-
4.5
ミスミ
位置決めピン 高耐食ステンレス(55・35HRC~/SUS316L)R/テーパ/テーパR 全ねじ
4.4
ミスミ
位置決めピン 先端形状選択タイプ -めねじ(大頭/ストレート)-
4.6
ミスミ
位置決めピン 大頭フラットタイプ -圧入-
4.6通常価格(税別):300円~

ミスミ
位置決めピン 先端形状選択タイプ -全ねじ-
4.4
ミスミ
位置決めピン 大頭テーパタイプ-テーパ角度指定・公差選択・圧入-
4.4
ミスミ
マーカーピン 六角穴付タイプ
4.4