メカニカル部品技術窓口
ミスミ品のみ対象

●平面取り形状
(丸)
(ダイヤ)


D(P)≧3の場合
a=1.0
d=D(P)-0.2
[ ! ]逃げ部寸法は参考値になります。
D(P)<3の場合
a=0.5
d=D(P)-0.1
[ ! ]D<Pの場合(大頭)
[ ! ]D=Pの場合(ストレート)
[ ! ]D>Pの場合(小頭)
*ダイヤ形状はニゲ溝がつきます。

| Type | [ M ]材質 | [ S ]表面処理 | [ H ]硬度 | 洗浄方法 | ||||
| 丸 | ダイヤ | 洗浄方法 | 洗浄環境 | 梱包形態 | 梱包環境 | |||
| SL-SJPDTS | SL-SJPDTD | SUS304 | - | - | 脱脂洗浄 | 一般環境 | 防錆梱包 | 一般環境 |
| SH-SJPDTS | SH-SJPDTD | 精密洗浄 | クラス1000 | 脱気2重梱包 | クラス10 | |||
| SHD-SJPDTS | SHD-SJPDTD | 電解研磨+精密洗浄 | ||||||
| SL-GJPDTS | SL-GJPDTD | SKS3相当 | 硬質クロムメッキ | 焼入硬度 50〜55HRC メッキ硬度 750HV〜 | 脱脂洗浄 | 一般環境 | 防錆梱包 | 一般環境 |
| SH-GJPDTS | SH-GJPDTD | 精密洗浄 | クラス1000 | 脱気2重梱包 | クラス10 | |||
| SL-CJPDTS | SL-CJPDTD | SUS440Cまたは 13Crステンレス | − | 焼入硬度 50〜55HRC | 脱脂洗浄 | 一般環境 | 防錆梱包 | 一般環境 |
| SH-CJPDTS | SH-CJPDTD | 精密洗浄 | クラス1000 | 脱気2重梱包 | クラス10 | |||
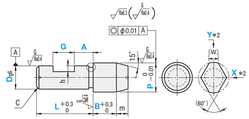
詳細図を記載しておりますので、ご確認ください。| 型式 | − | P | − | L | − | B | − | G | − | A | − | 廻り止め位置 |
| SL-SJPDTD10 | − | P10.05 | − | L22 | − | B7.5 | − | G5 | − | A14.3 | − | X |
| SH-SJPDTD10 | − | P10.00 | − | L22 | − | B7.0 | − | G5 | − | A14.0 | − | Y |
| SHD-SJPDTS16 | − | P20.00 | − | L25 | − | B8.0 | − | G6 | − | A15.0 | − | X |
| 型式 | P 指定0.01mm単位 | L 指定1mm単位 | B 指定0.1mm単位 | G 指定1mm単位 | A 指定0.1mm単位 | 廻り止め位置 | h | C | m | 適用 止めねじ | (W) | ||||
| Type | 形状 | D | D寸公差g6 | D<Pの場合 | D≧Pの場合 | ||||||||||
| SL-SJPDT SH-SJPDT SHD-SJPDT SL-GJPDT SH-GJPDT SL-CJPDT SH-CJPDT | S(丸) D(ダイヤ) | 6 | -0.004 -0.012 | 5.00〜10.00 | 12〜20 | 5.0〜20.0 | 3〜9 | 2.0〜8.0 | X Y [ ! ]ダイヤ 形状のみ適用 | 1 | 1 | 3 | M4 | 3 | 1.5 |
| 8 | -0.005 -0.014 | 5.00〜13.00 | 14〜22 | 5.0〜30.0(15.0) | 2.0〜12.0 | 1.2 | 1.5 | 4 | M5 | 3.5 | 1.8 | ||||
| 10 | 5.00〜15.00 | 15〜25 | 5.0〜30.0(25.0) | 2.0〜16.0 | 1.2 | 2 | 4 | M6 | 4 | 2.2 | |||||
| 12 | -0.006 -0.017 | 5.00〜16.00 | 15〜25 | 2.0〜20.0 | 1.2 | 2 | 4 | M6 | 5 | 2.5 | |||||
| 16 | 10.00〜25.00 | 15〜35 | 5.0〜30.0 | 2.0〜28.0 | 2 | 3 | 5 | M8 | 7 | 4 | |||||
| 20 | -0.007 -0.020 | 13.00〜30.00 | 27〜40 | 2.0〜36.0 | 2 | 3 | 5 | M8 | 9 | 5 | |||||
| 型式 | − | P | − | L | − | B | − | G | − | A | − | 廻り止め位置 | − | (TC) |
| SL-SJPDTS10 | − | P12.00 | − | L6 | − | B7.5 | − | G5 | − | A14.3 | − | X | − | TC6 |
| 9 | 日目出荷 |
| 追加工 コード | 追加工内容 | 適用条件 | 指定例 | \/1Code | ||||||||||||||
| TC | 先端テーパ部長さを変更![]() | m寸法を変更します。指定1mm単位 [ ! ]B+m≧TC+2(ストレート部min.2mm) [ ! ]P/2-TC×tan15°(≒0.27)>0.5(先端φ1.0min.) [ ! ]TCの指定により、B寸法が変わります。(変更後B寸法=B+m-TC)
| JPDTS10-P12.00-L6-B7.5-G3-A1.5-TC6 | 300 |
洗浄工程| ※材質がステンレスの場合、アルカリ系温水洗浄となることがあります。 | |
| ・脱脂洗浄(型式:SL-□□) | ※表面処理が低温黒色クロムメッキの場合、IPA洗浄となります。 |
作業環境:一般環境 | ||||||
|---|---|---|---|---|---|---|
![]() 炭化水素系洗浄※ Ro水洗浄 中性洗剤洗浄 | ![]() | ![]() 高圧ジェット水洗(Ro水) 後に純水(10MΩ・cm)で 洗浄 | ![]() | ![]() エアブロー(オイルフリー) 使用 | ![]() | ![]() 防錆袋使用 |
| ・精密洗浄(型式:SH-□□) | ※表面処理が低温黒色クロムメッキの場合、IPA洗浄となります。 |
作業環境:クラス1000 | 作業環境:クラス10 | |||||||
|---|---|---|---|---|---|---|---|---|
![]() 炭化水素系洗浄※ Ro水洗浄 中性洗剤洗浄 | ![]() | ![]() 高圧ジェット水洗(Ro水) 後に純水(10MΩ・cm)で 洗浄 | ![]() | ![]() 温純水(13MΩ・cm)使用 | ![]() | ![]() 窒素ブロー使用 | ![]() | ![]() クリーンベンチ(クラス10) で実施 |
作業環境:クラス1000 | 作業環境:クラス10 | |||||||||
|---|---|---|---|---|---|---|---|---|---|---|
![]() 炭化水素系洗浄 Ro水洗浄 中性洗剤洗浄 | ![]() | ![]() 材質に応じた電解研磨槽 で電解研磨 | ![]() | ![]() 高圧ジェット水洗(Ro水) 後に純水(10MΩ・cm)で 洗浄 | ![]() | ![]() 温純水(13MΩ・cm)使用 | ![]() | ![]() 窒素ブロー使用 | ![]() | ![]() クリーンベンチ(クラス10) で実施 |
梱包例| 脱脂洗浄の場合 (TYPE型番:SL-□□) | 精密洗浄または電解研磨+精密洗浄の場合 | |
| (TYPE型番:SH-□□・SHD-□□) | ||
| オーステナイト系ステンレス・アルミ材質の場合 | 鉄・マルテンサイト系ステンレス材質の場合 | |
![]() | ![]() | ![]() |
| 一部商品・サイズによっては、 梱包形態が異なる場合がございます。 | [ ! ]1重目・2重目の梱包とも、脱気されております。 | [ ! ]防錆対策として乾燥剤を同封しております。 1梱包につき1つになります。 |
洗浄効果・利用推奨環境| 洗浄方法 | 商品型番 | 梱包形態 | 未洗浄品と比べた効果 | ご利用環境(目安) | 利用シーン・工程 |
|---|---|---|---|---|---|
| 脱脂洗浄 | SL-□□ | 防錆梱包 | 油分除去 | 一般環境 | 通常組立工程 |
| バッテリー組立後工程 | |||||
| 精密洗浄 | SH-□□ | 脱気2重梱包 | 油分除去 粉塵除去 | クリーン環境(クラス10~1,000) | バッテリー組立工程 |
| 液晶関連組立後工程 | |||||
| 車載カメラ組立工程 | |||||
| 電解研磨+精密洗浄 | SHD-□□ | 脱気2重梱包 | 油分除去 粉塵除去 アウトガス低減 | 真空環境 クリーン環境(クラス10~1,000) | 半導体前工程 |
| 液晶成膜工程 | |||||
| 有機EL前工程 |
| 型番 |
|---|
通常単価(税別)
(税込単価) | 通常出荷日 |
|---|
- ( - ) | 6日目 |
- ( - ) | 6日目 |
- ( - ) | 6日目 |
- ( - ) | 6日目 |
- ( - ) | 6日目 |
- ( - ) | 6日目 |
- ( - ) | 6日目 |
- ( - ) | 6日目 |
- ( - ) | 6日目 |
- ( - ) | 6日目 |
- ( - ) | 6日目 |
- ( - ) | 6日目 |
- ( - ) | 6日目 |
- ( - ) | 6日目 |
- ( - ) | 6日目 |
- ( - ) | 6日目 |
- ( - ) | 6日目 |
- ( - ) | 6日目 |
- ( - ) | 6日目 |
- ( - ) | 6日目 |
- ( - ) | 6日目 |
- ( - ) | 6日目 |
- ( - ) | 6日目 |
- ( - ) | 6日目 |
- ( - ) | 5日目 |
- ( - ) | 5日目 |
- ( - ) | 5日目 |
- ( - ) | 5日目 |
- ( - ) | 5日目 |
- ( - ) | 5日目 |
- ( - ) | 5日目 |
- ( - ) | 5日目 |
- ( - ) | 5日目 |
- ( - ) | 5日目 |
- ( - ) | 5日目 |
- ( - ) | 5日目 |
- ( - ) | 5日目 |
- ( - ) | 5日目 |
- ( - ) | 5日目 |
- ( - ) | 5日目 |
- ( - ) | 5日目 |
- ( - ) | 5日目 |
- ( - ) | 5日目 |
- ( - ) | 5日目 |
- ( - ) | 5日目 |
- ( - ) | 5日目 |
- ( - ) | 5日目 |
- ( - ) | 5日目 |
- ( - ) | 6日目 |
- ( - ) | 6日目 |
- ( - ) | 6日目 |
- ( - ) | 6日目 |
- ( - ) | 6日目 |
- ( - ) | 6日目 |
- ( - ) | 6日目 |
- ( - ) | 6日目 |
- ( - ) | 6日目 |
- ( - ) | 6日目 |
- ( - ) | 6日目 |
- ( - ) | 6日目 |
| ・脱脂洗浄(防錆1重梱包) | :型番SL-□□ |
| ・精密洗浄(脱気2重梱包) | :型番SH-□□ |
| ・電解研磨+精密洗浄(脱気2重梱包) | :型番SHD-□□ |
| 商品型番 | 洗浄方法 | 梱包形態 | 未洗浄品と比べた効果 | ご利用環境(目安) | 工程別 |
| SL-□□ | 脱脂洗浄 | 防錆梱包 | 油分除去 | 一般環境 | 通常組立工程 |
| バッテリー組立後工程 | |||||
| SH-□□ | 精密洗浄 | 脱気2重梱包 | 油分除去 粉塵除去 | クリーン環境(クラス10~1,000) | バッテリー組立工程 |
| 液晶関連組立後工程 | |||||
| 車載カメラ組立工程 | |||||
| SHD-□□ | 電解研磨+精密洗浄 | 脱気2重梱包 | 油分除去 粉塵除去 アウトガス低減 | 真空環境 クリーン環境(クラス10~1,000) | 半導体前工程 |
| 液晶成膜工程 | |||||
| 有機EL前工程 |
| D | ¥基準単価 丸形状 | ||||||
| SUS304 | SKS3相当 硬質クロムメッキ | SUS440Cまたは13Crステンレス | |||||
| SL-SJPDTS | SH-SJPDTS | SHD-SJPDTS | SL-GJPDTS | SH-GJPDTS | SL-CJPDTS | SH-CJPDTS | |
| 6 | 3,120 | 3,520 | 3,760 | 2,600 | 3,000 | 2,860 | 3,260 |
| 8 | 3,230 | 3,630 | 3,870 | 2,690 | 3,090 | 2,950 | 3,350 |
| 10 | 3,340 | 3,740 | 3,980 | 2,750 | 3,150 | 3,050 | 3,450 |
| 12 | 3,440 | 3,840 | 4,080 | 2,830 | 3,230 | 3,340 | 3,740 |
| 16 | 4,380 | 4,780 | 5,020 | 3,510 | 3,910 | 3,980 | 4,380 |
| 20 | 5,280 | 5,680 | 5,920 | 4,130 | 4,530 | 4,740 | 5,140 |
| D | ¥基準単価 ダイヤ形状 | ||||||
| SUS304 | SKS3相当 硬質クロムメッキ | SUS440Cまたは13Crステンレス | |||||
| SL-SJPDTD | SH-SJPDTD | SHD-SJPDTD | SL-GJPDTD | SH-GJPDTD | SL-CJPDTD | SH-CJPDTD | |
| 6 | 2,640 | 3,040 | 3,280 | 3,060 | 3,460 | 3,420 | 3,820 |
| 8 | 2,730 | 3,130 | 3,370 | 3,170 | 3,570 | 3,520 | 3,920 |
| 10 | 2,800 | 3,200 | 3,440 | 3,250 | 3,650 | 3,640 | 4,040 |
| 12 | 2,880 | 3,280 | 3,520 | 3,360 | 3,760 | 3,670 | 4,070 |
| 16 | 3,600 | 4,000 | 4,240 | 4,220 | 4,620 | 4,870 | 5,270 |
| 20 | 4,310 | 4,710 | 4,950 | 5,050 | 5,450 | 5,840 | 6,240 |
| 数量区分 | 標準対応 | 個別対応 | |||
| 小口 | 大口 | ||||
| 数 量 | 1~19 | 20~34 | 35~49 | 50~100 | 101~ |
| 値引率 | 基準単価 | 5% | 10% | 23% | お見積り |
| 出荷日 | 通常 | ||||
通常価格、通常出荷日が表示と異なる場合がございます
通常価格、通常出荷日が表示と異なる場合がございます

ミスミ
位置決めピン 大頭テーパタイプ -圧入-
4.8通常価格(税別):340円~

ミスミ
位置決めピン 先端形状選択タイプ -全ねじ-
4.4
ミスミ
位置決めピン 先端形状選択タイプ -おねじ-
4.5
ミスミ
マーカーピン 六角穴付タイプ
4.4
ミスミ
位置決めピン 大頭フラットタイプ -圧入-
4.6通常価格(税別):300円~

ミスミ
位置決めピン 高耐食ステンレス(55・35HRC~/SUS316L)R/テーパ/テーパR 全ねじ
4.4
ミスミ
位置決めピン 高耐食ステンレス(55・35HRC~/SUS316L)大頭テーパ 圧入
4.7
ミスミ
位置決めピン 先端形状選択タイプ -めねじ(大頭/ストレート)-
4.6
ミスミ
位置決めピン 大頭テーパタイプ-テーパ角度指定・公差選択・圧入-
4.4