メカニカル部品技術窓口
ミスミ品のみ対象

「脱脂洗浄」「精密洗浄」「電解研磨+精密洗浄」3種類の洗浄方法が選択可能、いずれも標準型番で1個からご...
詳細を確認●めねじ
(丸)
(ダイヤ)

P<3の場合
a=0.5
d=P-0.1
[ ! ]逃げ部寸法は参考値になります。
P≧3の場合
a=1.0
d=P-0.2

[ ! ]逃げ部寸法は参考値になります。
(2)ダイヤ形状はニゲ溝がつきます。

[ ! ]D=Pを規格化したストレートテーパタイプもご用意しております。詳細は>>こちら
| Type | [ M ]材質 | [ S ]表面処理 | [ H ]硬度 | 洗浄方法 | ||||
| 丸 | ダイヤ | 洗浄方法 | 洗浄環境 | 梱包形態 | 梱包環境 | |||
| SL-SKFSTA | SL-SKFSTD | SUS304 | − | − | 脱脂洗浄 | 一般環境 | 防錆梱包 | 一般環境 |
| SH-SKFSTA | SH-SKFSTD | 精密洗浄 | クラス1000 | 脱気2重梱包 | クラス10 | |||
| SHD-SKFSTA | SHD-SKFSTD | 電解研磨+精密洗浄 | ||||||
| SL-HKFSTA | SL-HKFSTD | SUS304 | 硬質クロムメッキ | メッキ硬度 750HV〜 | 脱脂洗浄 | 一般環境 | 防錆梱包 | 一般環境 |
| SH-HKFSTA | SH-HKFSTD | 精密洗浄 | クラス1000 | 脱気2重梱包 | クラス10 | |||
| SL-GKFSTA | SL-GKFSTD | SKS3相当 | 硬質クロムメッキ | 焼入硬度 50〜55HRC メッキ硬度 750HV〜 | 脱脂洗浄 | 一般環境 | 防錆梱包 | 一般環境 |
| SH-GKFSTA | SH-GKFSTD | 精密洗浄 | クラス1000 | 脱気2重梱包 | クラス10 | |||
| SL-CKFSTA | SL-CKFSTD | SUS440Cまたは 13Crステンレス | − | 焼入硬度 50〜55HRC | 脱脂洗浄 | 一般環境 | 防錆梱包 | 一般環境 |
| SH-CKFSTA | SH-CKFSTD | 精密洗浄 | クラス1000 | 脱気2重梱包 | クラス10 | |||
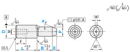
詳細図を記載しておりますので、ご確認ください。| 型式 | − | P | − | L | − | B | − | E | − | A | ||||||||
| Type | 形状 | D公差 | P公差 | D | ||||||||||||||
| SL-SKFST | A | G | S | 10 | − | P8.00 | − | L12 | − | B8.0 | − | E3.0 | − | A30 | ||||
| SH-HKFST | D | M | G | 10 | − | P8.00 | − | L12 | − | B8.0 | − | E3.0 | − | A30 | ||||
| SHD-HKFST | A | P | H | 12 | − | P9.00 | − | L15 | − | B10.0 | − | E5.0 | − | A30 | ||||
| D 又は P | 並級 | ||||
| M | P | G | H | S | |
| m6 | p6 | g6 | h7 | − | |
| 3.00 | +0.008 +0.002 | +0.012 +0.006 | −0.002 −0.008 | 0 −0.010 | 0 −0.01 |
| 3.01 〜 6.00 | +0.012 +0.004 | +0.020 +0.012 | −0.004 −0.012 | 0 −0.012 | |
| 6.01 〜 10.00 | +0.015 +0.006 | +0.024 +0.015 | −0.005 −0.014 | 0 −0.015 | |
| 10.01 〜 18.00 | +0.018 +0.007 | +0.029 +0.018 | −0.006 −0.017 | 0 −0.018 | |
| 18.01 〜 20.00 | +0.021 +0.008 | +0.035 +0.022 | −0.007 −0.020 | 0 −0.021 | |
| 型式 | P 指定 0.01mm単位 | L 指定 1mm単位 | B 指定 0.1mm単位 | E 指定 0.1mm単位 | A 選択 | (W) | M (並目) | *締付トルク N・cm | ℓ | ||||
| Type | 形状 | D公差 選択 | P公差 選択 | D | |||||||||
| SL-SKFST SH-SKFST SHD-SKFST SL-HKFST SH-HKFST SL-GKFST SH-GKFST SL-CKFST SH-CKFST | A (丸) D (ダイヤ) | M P G H | S M P G H | 5 | 3.00〜5.00 | 8〜10 | 2.0〜15.0(10.0) | 0.5〜10.0 | 15 30 45 60 | 1.2 | M2 | - | 3 |
| 6 | 4.00〜6.00 | 8(9)〜17 | 2.0〜15.0 | 1.5 | M3 | 98 | 5 | ||||||
| 6T | M2.6 | - | 4 | ||||||||||
| 8 | 6.00〜8.00 | 11(12)〜21 | 2.0〜30.0(15.0) | 1.8 | M5 | 461 | 8 | ||||||
| 8T | M4 | 225 | 6 | ||||||||||
| 10 | 7.00〜10.00 | 11(12)〜23 | 3.0〜30.0(25.0) | 2.2 | M5 | 461 | 8 | ||||||
| 12 | 7.00〜12.00 | 12〜24 | 3.0〜30.0(25.0) | 2.5 | |||||||||
| 13 | 8.00〜13.00 | 13(14)〜26 | 5.0〜30.0(25.0) | 3 | M8 | 1911 | 10 | ||||||
| 16 | 10.00〜16.00 | 16〜32 | 5.0〜30.0 | 4 | 12 | ||||||||
| 20 | 13.00〜20.00 | 20〜40 | 5.0〜30.0 | 5 | |||||||||
| 型式 | − | P | − | L | − | B | − | E | − | A | − | (GDC・RC・AC) |
| SL-HKFSTAGS10 | − | P8.00 | − | L10 | − | B8.0 | − | E3.0 | − | A30 | − | RC |
| 9 | 日目出荷 |
| 追加工 コード | 追加工内容 | 適用条件 | 指定例 | \/1Code | ||||||
| GDC | 導入部を追加![]() | 導入部を追加します。
| KFSTAGS10-P8.00-L10-B8.0-E3.0-A30-GDC | 200 | ||||||
| RC | 首元R加工を追加![]() | 首元の逃げをR0.5に変更します。 [ ! ]D-P≧2の場合に適用 | KFSTAGS10-P8.00-L10-B8.0-E3.0-A30-RC | 300 | ||||||
| AC | エアーベント(エアー抜き溝) 加工を追加 ![]() | エアー抜き溝加工を追加します。 | KFSTAGS10-P8.00-L10-B8.0-E3.0-A30-AC | 200 |
洗浄工程| ※材質がステンレスの場合、アルカリ系温水洗浄となることがあります。 | |
| ・脱脂洗浄(型式:SL-□□) | ※表面処理が低温黒色クロムメッキの場合、IPA洗浄となります。 |
作業環境:一般環境 | ||||||
|---|---|---|---|---|---|---|
![]() 炭化水素系洗浄※ Ro水洗浄 中性洗剤洗浄 | ![]() | ![]() 高圧ジェット水洗(Ro水) 後に純水(10MΩ・cm)で 洗浄 | ![]() | ![]() エアブロー(オイルフリー) 使用 | ![]() | ![]() 防錆袋使用 |
| ・精密洗浄(型式:SH-□□) | ※表面処理が低温黒色クロムメッキの場合、IPA洗浄となります。 |
作業環境:クラス1000 | 作業環境:クラス10 | |||||||
|---|---|---|---|---|---|---|---|---|
![]() 炭化水素系洗浄※ Ro水洗浄 中性洗剤洗浄 | ![]() | ![]() 高圧ジェット水洗(Ro水) 後に純水(10MΩ・cm)で 洗浄 | ![]() | ![]() 温純水(13MΩ・cm)使用 | ![]() | ![]() 窒素ブロー使用 | ![]() | ![]() クリーンベンチ(クラス10) で実施 |
作業環境:クラス1000 | 作業環境:クラス10 | |||||||||
|---|---|---|---|---|---|---|---|---|---|---|
![]() 炭化水素系洗浄 Ro水洗浄 中性洗剤洗浄 | ![]() | ![]() 材質に応じた電解研磨槽 で電解研磨 | ![]() | ![]() 高圧ジェット水洗(Ro水) 後に純水(10MΩ・cm)で 洗浄 | ![]() | ![]() 温純水(13MΩ・cm)使用 | ![]() | ![]() 窒素ブロー使用 | ![]() | ![]() クリーンベンチ(クラス10) で実施 |
梱包例| 脱脂洗浄の場合 (TYPE型番:SL-□□) | 精密洗浄または電解研磨+精密洗浄の場合 | |
| (TYPE型番:SH-□□・SHD-□□) | ||
| オーステナイト系ステンレス・アルミ材質の場合 | 鉄・マルテンサイト系ステンレス材質の場合 | |
![]() | ![]() | ![]() |
| 一部商品・サイズによっては、 梱包形態が異なる場合がございます。 | [ ! ]1重目・2重目の梱包とも、脱気されております。 | [ ! ]防錆対策として乾燥剤を同封しております。 1梱包につき1つになります。 |
洗浄効果・利用推奨環境| 洗浄方法 | 商品型番 | 梱包形態 | 未洗浄品と比べた効果 | ご利用環境(目安) | 利用シーン・工程 |
|---|---|---|---|---|---|
| 脱脂洗浄 | SL-□□ | 防錆梱包 | 油分除去 | 一般環境 | 通常組立工程 |
| バッテリー組立後工程 | |||||
| 精密洗浄 | SH-□□ | 脱気2重梱包 | 油分除去 粉塵除去 | クリーン環境(クラス10~1,000) | バッテリー組立工程 |
| 液晶関連組立後工程 | |||||
| 車載カメラ組立工程 | |||||
| 電解研磨+精密洗浄 | SHD-□□ | 脱気2重梱包 | 油分除去 粉塵除去 アウトガス低減 | 真空環境 クリーン環境(クラス10~1,000) | 半導体前工程 |
| 液晶成膜工程 | |||||
| 有機EL前工程 |
| 型番 |
|---|
通常単価(税別)
(税込単価) | 通常出荷日 |
洗浄不要の場合の代替品
|
|---|
- ( - ) | 5日目 |
|
- ( - ) | 5日目 |
|
- ( - ) | 5日目 |
|
- ( - ) | 5日目 |
|
- ( - ) | 5日目 |
|
- ( - ) | 5日目 |
|
- ( - ) | 5日目 |
|
- ( - ) | 5日目 |
|
- ( - ) | 5日目 |
|
- ( - ) | 5日目 |
|
- ( - ) | 5日目 |
|
- ( - ) | 5日目 |
|
- ( - ) | 5日目 |
|
- ( - ) | 5日目 |
|
- ( - ) | 5日目 |
|
- ( - ) | 5日目 |
|
- ( - ) | 5日目 |
|
- ( - ) | 5日目 |
|
- ( - ) | 5日目 |
|
- ( - ) | 5日目 |
|
- ( - ) | 5日目 |
|
- ( - ) | 5日目 |
|
- ( - ) | 5日目 |
|
- ( - ) | 5日目 |
|
- ( - ) | 5日目 |
|
- ( - ) | 5日目 |
|
- ( - ) | 5日目 |
|
- ( - ) | 5日目 |
|
- ( - ) | 5日目 |
|
- ( - ) | 5日目 |
|
- ( - ) | 5日目 |
|
- ( - ) | 5日目 |
|
- ( - ) | 5日目 |
|
- ( - ) | 5日目 |
|
- ( - ) | 5日目 |
|
- ( - ) | 5日目 |
|
- ( - ) | 5日目 |
|
- ( - ) | 5日目 |
|
- ( - ) | 5日目 |
|
- ( - ) | 5日目 |
|
- ( - ) | 5日目 |
|
- ( - ) | 5日目 |
|
- ( - ) | 5日目 |
|
- ( - ) | 5日目 |
|
- ( - ) | 5日目 |
|
- ( - ) | 5日目 |
|
- ( - ) | 5日目 |
|
- ( - ) | 5日目 |
|
- ( - ) | 5日目 |
|
- ( - ) | 5日目 |
|
- ( - ) | 5日目 |
|
- ( - ) | 5日目 |
|
- ( - ) | 5日目 |
|
- ( - ) | 5日目 |
|
- ( - ) | 5日目 |
|
- ( - ) | 5日目 |
|
- ( - ) | 5日目 |
|
- ( - ) | 5日目 |
|
- ( - ) | 5日目 |
|
- ( - ) | 5日目 |
| ・脱脂洗浄(防錆1重梱包) | :型番SL-□□ |
| ・精密洗浄(脱気2重梱包) | :型番SH-□□ |
| ・電解研磨+精密洗浄(脱気2重梱包) | :型番SHD-□□ |
| 商品型番 | 洗浄方法 | 梱包形態 | 未洗浄品と比べた効果 | ご利用環境(目安) | 工程別 |
| SL-□□ | 脱脂洗浄 | 防錆梱包 | 油分除去 | 一般環境 | 通常組立工程 |
| バッテリー組立後工程 | |||||
| SH-□□ | 精密洗浄 | 脱気2重梱包 | 油分除去 粉塵除去 | クリーン環境(クラス10~1,000) | バッテリー組立工程 |
| 液晶関連組立後工程 | |||||
| 車載カメラ組立工程 | |||||
| SHD-□□ | 電解研磨+精密洗浄 | 脱気2重梱包 | 油分除去 粉塵除去 アウトガス低減 | 真空環境 クリーン環境(クラス10~1,000) | 半導体前工程 |
| 液晶成膜工程 | |||||
| 有機EL前工程 |
| D | ¥基準単価 丸形状 | ||||||||
| SUS304 | SUS304 硬質クロムメッキ | SKS3相当 硬質クロムメッキ | SUS440Cまたは13Crステンレス | ||||||
| SL-SKFSTA | SH-SKFSTA | SHD-SKFSTA | SL-HKFSTA | SH-HKFSTA | SL-GKFSTA | SH-GKFSTA | SL-CKFSTA | SH-CKFSTA | |
| 5 | 2,760 | 3,160 | 3,400 | 3,150 | 3,550 | 2,820 | 3,220 | 3,030 | 3,430 |
| 6 | 2,800 | 3,200 | 3,440 | 3,190 | 3,590 | 2,860 | 3,260 | 3,080 | 3,480 |
| 6T | 2,800 | 3,200 | 3,440 | 3,300 | 3,700 | 2,860 | 3,260 | 3,080 | 3,480 |
| 8 | 2,890 | 3,290 | 3,530 | 3,300 | 3,700 | 2,950 | 3,350 | 3,160 | 3,560 |
| 8T | 2,890 | 3,290 | 3,530 | 3,300 | 3,700 | 2,950 | 3,350 | 3,160 | 3,560 |
| 10 | 2,970 | 3,370 | 3,610 | 3,410 | 3,810 | 3,020 | 3,420 | 3,280 | 3,680 |
| 12 | 3,060 | 3,460 | 3,700 | 3,500 | 3,900 | 3,120 | 3,520 | 3,280 | 3,680 |
| 13 | 3,140 | 3,540 | 3,780 | 3,610 | 4,010 | 3,190 | 3,590 | 3,460 | 3,860 |
| 16 | 3,850 | 4,250 | 4,490 | 4,450 | 4,850 | 3,860 | 4,260 | 4,270 | 4,670 |
| 20 | 4,580 | 4,980 | 5,220 | 5,340 | 5,740 | 4,570 | 4,970 | 5,120 | 5,520 |
| D | ¥基準単価 ダイヤ形状 | ||||||||
| SUS304 | SUS304 硬質クロムメッキ | SKS3相当 硬質クロムメッキ | SUS440Cまたは13Crステンレス | ||||||
| SL-SKFSTD | SH-SKFSTD | SHD-SKFSTD | SL-HKFSTD | SH-HKFSTD | SL-GKFSTD | SH-GKFSTD | SL-CKFSTD | SH-CKFSTD | |
| 5 | 3,280 | 3,680 | 3,920 | - | - | 3,360 | 3,760 | - | - |
| 6 | 3,320 | 3,720 | 3,960 | 3,830 | 4,230 | 3,370 | 3,770 | 3,680 | 4,080 |
| 6T | 3,320 | 3,720 | 3,960 | 3,950 | 4,350 | 3,370 | 3,770 | 3,680 | 4,080 |
| 8 | 3,430 | 3,830 | 4,070 | 3,950 | 4,350 | 3,480 | 3,880 | 3,790 | 4,190 |
| 8T | 3,430 | 3,830 | 4,070 | 3,950 | 4,350 | 3,480 | 3,880 | 3,790 | 4,190 |
| 10 | 3,550 | 3,950 | 4,190 | 4,100 | 4,500 | 3,580 | 3,980 | 3,910 | 4,310 |
| 12 | 3,670 | 4,070 | 4,310 | 4,230 | 4,630 | 3,730 | 4,130 | 3,960 | 4,360 |
| 13 | 3,770 | 4,170 | 4,410 | 4,370 | 4,770 | 3,780 | 4,180 | 3,970 | 4,370 |
| 16 | 4,670 | 5,070 | 5,310 | 5,450 | 5,850 | 4,690 | 5,090 | 5,240 | 5,640 |
| 20 | 5,650 | 6,050 | 6,290 | 6,620 | 7,020 | 5,600 | 6,000 | 6,330 | 6,730 |
| 数量区分 | 標準対応 | 個別対応 | |||||
| 小口 | 大口 | 大口 | |||||
| 数 量 | 1~19 | 20~34 | 35~49 | 50~100 | 101~300 | 301~500 | 501~ |
| 値引率 | 基準単価 | 5% | 10% | 18% | 40% | 55% | お見積り |
| 出荷日 | 通常 | +5日 | |||||
| 数量区分 | 標準対応 | 個別対応 | ||||
| 小口 | 大口 | 大口 | ||||
| 数 量 | 1〜19 | 20〜34 | 35〜49 | 50〜100 | 101~300 | 301~ |
| 値引率 | 基準単価 | 5% | 10% | 18% | 23% | お見積り |
| 出荷日 | 通常 | +7日 | ||||
通常価格、通常出荷日が表示と異なる場合がございます
通常価格、通常出荷日が表示と異なる場合がございます

ミスミ
位置決めピン 大頭テーパタイプ -圧入-
4.8通常価格(税別):340円~

ミスミ
位置決めピン 高耐食ステンレス(55・35HRC~/SUS316L)大頭テーパ 圧入
4.7
ミスミ
位置決めピン 先端形状選択タイプ -おねじ-
4.5
ミスミ
位置決めピン 先端形状選択タイプ -めねじ(大頭/ストレート)-
4.6
ミスミ
位置決めピン 大頭テーパタイプ-テーパ角度指定・公差選択・圧入-
4.4
ミスミ
位置決めピン 高耐食ステンレス(55・35HRC~/SUS316L)R/テーパ/テーパR 全ねじ
4.4
ミスミ
位置決めピン 先端形状選択タイプ -全ねじ-
4.4
ミスミ
位置決めピン 大頭フラットタイプ -圧入-
4.6通常価格(税別):300円~

ミスミ
マーカーピン 六角穴付タイプ
4.4