メカニカル部品技術窓口
ミスミ品のみ対象

「脱脂洗浄」「精密洗浄」「電解研磨+精密洗浄」3種類の洗浄方法が選択可能、いずれも標準型番で1個からご...
詳細を確認
| Type | [ M ]材質 | [ S ]表面処理 | [ H ]硬度 | 洗浄方法 | |||
| 洗浄方法 | 洗浄環境 | 梱包形態 | 梱包環境 | ||||
| SL-LPZS | SUS304 | − | − | 脱脂洗浄 | 一般環境 | 防錆梱包 | 一般環境 |
| SH-LPZS | 精密洗浄 | クラス1000 | 脱気2重梱包 | クラス10 | |||
| SHD-LPZS | 電解研磨+精密洗浄 | ||||||
| SL-LPZH | SUS304 | 硬質クロムメッキ | メッキ硬度 750HV~ | 脱脂洗浄 | 一般環境 | 防錆梱包 | 一般環境 |
| SH-LPZH | 精密洗浄 | クラス1000 | 脱気2重梱包 | クラス10 | |||
| SL-LPZR | S45C相当 | 硬質クロムメッキ | 焼入硬度 45〜50HRC メッキ硬度 750HV~ | 脱脂洗浄 | 一般環境 | 防錆梱包 | 一般環境 |
| SH-LPZR | 精密洗浄 | クラス1000 | 脱気2重梱包 | クラス10 | |||
| SL-LPZC | SUS440Cまたは 13Crステンレス | − | 焼入硬度 50〜55HRC | 脱脂洗浄 | 一般環境 | 防錆梱包 | 一般環境 |
| SH-LPZC | 精密洗浄 | クラス1000 | 脱気2重梱包 | クラス10 | |||
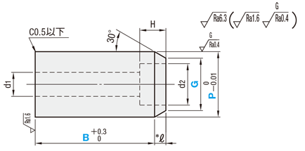
詳細図を記載しておりますので、ご確認ください。| 型式 | − | P | − | B | − | G |
| SL-LPZ5 | − | P16.00 | − | B25.5 | − | G15 |
| SH-LPZ3 | − | P9.00 | − | B10.0 | − | G8 |
| SHD-LPZ8 | − | P18.00 | − | B20.0 | − | G16 |
| 型式 | P 指定0.01mm単位 | B 指定0.1mm単位 | G 指定1mm単位 | d1 | d2 | H | 適用 ボルト | |
| Type | No. | |||||||
| SL-LPZS SH-LPZS SHD-LPZS SL-LPZH SH-LPZH SL-LPZR SH-LPZR SL-LPZC SH-LPZC | 3 | 9.00〜15.00 | 10.0〜25.0 | 8≦G<P | 3.5 | 6.5 | 4 | M3 |
| 4 | 12.00〜20.00 | 10.0〜25.0 | 10≦G<P | 4.5 | 8 | 5 | M4 | |
| 5 | 14.00〜20.00 | 10.0〜30.0 | 12≦G<P | 5.5 | 9.5 | 6 | M5 | |
| 6 | 15.00〜25.00 | 12.0〜40.0 | 13≦G<P | 6.5 | 11 | 7 | M6 | |
| 8 | 18.00〜25.00 | 14.0〜50.0 | 16≦G<P | 9 | 14 | 9 | M8 | |
洗浄工程| ※材質がステンレスの場合、アルカリ系温水洗浄となることがあります。 | |
| ・脱脂洗浄(型式:SL-□□) | ※表面処理が低温黒色クロムメッキの場合、IPA洗浄となります。 |
作業環境:一般環境 | ||||||
|---|---|---|---|---|---|---|
![]() 炭化水素系洗浄※ Ro水洗浄 中性洗剤洗浄 | ![]() | ![]() 高圧ジェット水洗(Ro水) 後に純水(10MΩ・cm)で 洗浄 | ![]() | ![]() エアブロー(オイルフリー) 使用 | ![]() | ![]() 防錆袋使用 |
| ・精密洗浄(型式:SH-□□) | ※表面処理が低温黒色クロムメッキの場合、IPA洗浄となります。 |
作業環境:クラス1000 | 作業環境:クラス10 | |||||||
|---|---|---|---|---|---|---|---|---|
![]() 炭化水素系洗浄※ Ro水洗浄 中性洗剤洗浄 | ![]() | ![]() 高圧ジェット水洗(Ro水) 後に純水(10MΩ・cm)で 洗浄 | ![]() | ![]() 温純水(13MΩ・cm)使用 | ![]() | ![]() 窒素ブロー使用 | ![]() | ![]() クリーンベンチ(クラス10) で実施 |
作業環境:クラス1000 | 作業環境:クラス10 | |||||||||
|---|---|---|---|---|---|---|---|---|---|---|
![]() 炭化水素系洗浄 Ro水洗浄 中性洗剤洗浄 | ![]() | ![]() 材質に応じた電解研磨槽 で電解研磨 | ![]() | ![]() 高圧ジェット水洗(Ro水) 後に純水(10MΩ・cm)で 洗浄 | ![]() | ![]() 温純水(13MΩ・cm)使用 | ![]() | ![]() 窒素ブロー使用 | ![]() | ![]() クリーンベンチ(クラス10) で実施 |
梱包例| 脱脂洗浄の場合 (TYPE型番:SL-□□) | 精密洗浄または電解研磨+精密洗浄の場合 | |
| (TYPE型番:SH-□□・SHD-□□) | ||
| オーステナイト系ステンレス・アルミ材質の場合 | 鉄・マルテンサイト系ステンレス材質の場合 | |
![]() | ![]() | ![]() |
| 一部商品・サイズによっては、 梱包形態が異なる場合がございます。 | [ ! ]1重目・2重目の梱包とも、脱気されております。 | [ ! ]防錆対策として乾燥剤を同封しております。 1梱包につき1つになります。 |
洗浄効果・利用推奨環境| 洗浄方法 | 商品型番 | 梱包形態 | 未洗浄品と比べた効果 | ご利用環境(目安) | 利用シーン・工程 |
|---|---|---|---|---|---|
| 脱脂洗浄 | SL-□□ | 防錆梱包 | 油分除去 | 一般環境 | 通常組立工程 |
| バッテリー組立後工程 | |||||
| 精密洗浄 | SH-□□ | 脱気2重梱包 | 油分除去 粉塵除去 | クリーン環境(クラス10~1,000) | バッテリー組立工程 |
| 液晶関連組立後工程 | |||||
| 車載カメラ組立工程 | |||||
| 電解研磨+精密洗浄 | SHD-□□ | 脱気2重梱包 | 油分除去 粉塵除去 アウトガス低減 | 真空環境 クリーン環境(クラス10~1,000) | 半導体前工程 |
| 液晶成膜工程 | |||||
| 有機EL前工程 |
| 型番 |
|---|
通常単価(税別)
(税込単価) | 通常出荷日 |
洗浄不要の場合の代替品
|
|---|
- ( - ) | 5日目 |
|
- ( - ) | 5日目 |
|
- ( - ) | 5日目 |
|
- ( - ) | 5日目 |
|
- ( - ) | 5日目 |
|
- ( - ) | 6日目 |
|
- ( - ) | 6日目 |
|
- ( - ) | 6日目 |
|
- ( - ) | 6日目 |
|
- ( - ) | 6日目 |
|
- ( - ) | 6日目 |
|
- ( - ) | 6日目 |
|
- ( - ) | 6日目 |
|
- ( - ) | 6日目 |
|
- ( - ) | 6日目 |
|
- ( - ) | 5日目 |
|
- ( - ) | 5日目 |
|
- ( - ) | 5日目 |
|
- ( - ) | 5日目 |
|
- ( - ) | 5日目 |
|
- ( - ) | 5日目 |
|
- ( - ) | 5日目 |
|
- ( - ) | 5日目 |
|
- ( - ) | 5日目 |
|
- ( - ) | 5日目 |
|
- ( - ) | 5日目 |
|
- ( - ) | 5日目 |
|
- ( - ) | 5日目 |
|
- ( - ) | 5日目 |
|
- ( - ) | 5日目 |
|
- ( - ) | 6日目 |
|
- ( - ) | 6日目 |
|
- ( - ) | 6日目 |
|
- ( - ) | 6日目 |
|
- ( - ) | 6日目 |
|
- ( - ) | 6日目 |
|
- ( - ) | 6日目 |
|
- ( - ) | 6日目 |
|
- ( - ) | 6日目 |
|
- ( - ) | 6日目 |
|
- ( - ) | 5日目 |
|
- ( - ) | 5日目 |
|
- ( - ) | 5日目 |
|
- ( - ) | 5日目 |
|
- ( - ) | 5日目 |
| ・脱脂洗浄(防錆1重梱包) | :型番SL-□□ |
| ・精密洗浄(脱気2重梱包) | :型番SH-□□ |
| ・電解研磨+精密洗浄(脱気2重梱包) | :型番SHD-□□ |
| 商品型番 | 洗浄方法 | 梱包形態 | 未洗浄品と比べた効果 | ご利用環境(目安) | 工程別 |
| SL-□□ | 脱脂洗浄 | 防錆梱包 | 油分除去 | 一般環境 | 通常組立工程 |
| バッテリー組立後工程 | |||||
| SH-□□ | 精密洗浄 | 脱気2重梱包 | 油分除去 粉塵除去 | クリーン環境(クラス10~1,000) | バッテリー組立工程 |
| 液晶関連組立後工程 | |||||
| 車載カメラ組立工程 | |||||
| SHD-□□ | 電解研磨+精密洗浄 | 脱気2重梱包 | 油分除去 粉塵除去 アウトガス低減 | 真空環境 クリーン環境(クラス10~1,000) | 半導体前工程 |
| 液晶成膜工程 | |||||
| 有機EL前工程 |
| No. | ¥基準単価 | ||||||||
| SL-LPZS | SH-LPZS | SHD-LPZS | SL-LPZH | SH-LPZH | SL-LPZR | SH-LPZR | SL-LPZC | SH-LPZC | |
| 3 | 2,500 | 2,900 | 3,140 | 2,840 | 3,240 | 2,440 | 2,840 | 2,980 | 3,380 |
| 4 | 2,810 | 3,210 | 3,450 | 3,200 | 3,600 | 2,730 | 3,130 | 3,360 | 3,760 |
| 5 | 3,040 | 3,440 | 3,680 | 3,490 | 3,890 | 2,950 | 3,350 | 3,660 | 4,060 |
| 6 | 3,120 | 3,520 | 3,760 | 3,580 | 3,980 | 3,020 | 3,420 | 3,760 | 4,160 |
| 8 | 3,180 | 3,580 | 3,820 | 3,660 | 4,060 | 3,090 | 3,490 | 3,830 | 4,230 |
| 数量区分 | 標準対応 | 個別対応 | |||
| 小口 | 大口 | ||||
| 数 量 | 1〜19 | 20〜34 | 35〜49 | 50〜100 | 101~ |
| 値引率 | 基準単価 | 5% | 10% | 23% | お見積り |
| 出荷日 | 通常 | ||||
通常価格、通常出荷日が表示と異なる場合がございます
通常価格、通常出荷日が表示と異なる場合がございます

ミスミ
位置決めピン 大頭テーパタイプ -圧入-
4.8通常価格(税別):340円~

ミスミ
位置決めピン 大頭フラットタイプ -圧入-
4.6通常価格(税別):300円~

ミスミ
位置決めピン 高耐食ステンレス(55・35HRC~/SUS316L)大頭テーパ 圧入
4.7
ミスミ
位置決めピン 先端形状選択タイプ -おねじ-
4.5
ミスミ
位置決めピン -エアベント付めねじタイプ-
4.6通常価格(税別):170円~

ミスミ
位置決めピン 先端形状選択タイプ -めねじ(大頭/ストレート)-
4.6
ミスミ
位置決めピン 先端形状選択タイプ -全ねじ-
4.4
ミスミ
位置決めピン 高耐食ステンレス(55・35HRC~/SUS316L)R/テーパ/テーパR 全ねじ
4.4
ミスミ
位置決めピン 小頭テーパタイプ -圧入-
4.5通常価格(税別):300円~