メカニカル部品技術窓口
ミスミ品のみ対象

「脱脂洗浄」「精密洗浄」「電解研磨+精密洗浄」3種類の洗浄方法が選択可能、いずれも標準型番で1個からご...
詳細を確認
| 先端形状 | ||||
| A 形状 | [ ! ]R≧P/2![]()
| |||
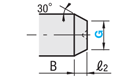
| B 形状 | [ ! ]G≦P ![]() [ ! ]ℓ2=P-G2tan30° 参考:2tan30°≒1.15 [ ! ]G=Pの時C0.2程度の面取り | |||
| C 形状 | [ ! ]R≦P/2![]() [ ! ]ℓ3=P2÷tan30°+R−(R÷sin30°) [ ! ]参考:tan30°≒0.577 sin30°=0.5 | |||
| Type | [ M ]材質 | [ S ]表面処理 | [ H ]硬度 | 洗浄方法 | |||||
| 丸 | ダイヤ | ストレート | 洗浄方法 | 洗浄環境 | 梱包形態 | 梱包環境 | |||
| SL-LPGS | SL-LPDGS | SL-LPCS | SUS304 | − | − | 脱脂洗浄 | 一般環境 | 防錆梱包 | 一般環境 |
| SH-LPGS | SH-LPDGS | SH-LPCS | 精密洗浄 | クラス1000 | 脱気2重梱包 | クラス10 | |||
| SHD-LPGS | SHD-LPDGS | SHD-LPCS | 電解研磨+精密洗浄 | ||||||
| SL-LPGD | − | SL-LPCD | SUS304 | 硬質クロムメッキ | メッキ硬度 750HV〜 | 脱脂洗浄 | 一般環境 | 防錆梱包 | 一般環境 |
| SH-LPGD | SH-LPCD | 精密洗浄 | クラス1000 | 脱気2重梱包 | クラス10 | ||||
| SL-LPGG | SL-LPDGG | SL-LPCG | SKS3相当 | 硬質クロムメッキ | 焼入硬度 50〜55HRC メッキ硬度 750HV〜 | 脱脂洗浄 | 一般環境 | 防錆梱包 | 一般環境 |
| SH-LPGG | SH-LPDGG | SH-LPCG | 精密洗浄 | クラス1000 | 脱気2重梱包 | クラス10 | |||
| SL-LPGR | SL-LPDGR | SL-LPCR | S45C相当 | 硬質クロムメッキ | 焼入硬度 45〜50HRC メッキ硬度 750HV〜 | 脱脂洗浄 | 一般環境 | 防錆梱包 | 一般環境 |
| SH-LPGR | SH-LPDGR | SH-LPCR | 精密洗浄 | クラス1000 | 脱気2重梱包 | クラス10 | |||
| SL-LPGC | SL-LPDGC | SL-LPCC | SUS440Cまたは 13Crステンレス | − | 焼入硬度 50〜55HRC | 脱脂洗浄 | 一般環境 | 防錆梱包 | 一般環境 |
| SH-LPGC | SH-LPDGC | SH-LPCC | 精密洗浄 | クラス1000 | 脱気2重梱包 | クラス10 | |||
詳細図を記載しておりますので、ご確認ください。| 型式 | − | P | − | B | − | R | − | G | − | L |
| SL-LPGSA6 | − | P10.0 | − | B25.0 | − | R6 | − | G13 | − | L6 |
| SH-LPGDB10 | − | P16.0 | − | B50.0 | − | L16 | ||||
| SHD-LPCSA6 | − | P10.0 | − | B25.0 | − | R6 |
| 型式 | P 指定0.01mm単位 | B 指定0.1mm単位 | R 指定1mm単位 | G 指定1mm単位 | L 指定1mm単位 | M (並目) | *締付トルク N・cm | |||
| Type | 先端 形状 | D | D寸公差 g6 | |||||||
| A形状・C形状のみ | B形状のみ | |||||||||
| SL-LPGS SH-LPGS SHD-LPGS SL-LPGD SH-LPGD SL-LPGG SH-LPGG SL-LPGR SH-LPGR SL-LPGC SH-LPGC | A B C | 6 | -0.004 -0.012 | 6.50〜12.00 | 2.0〜40.0 | A形状 R≧P/2 C形状 R≦P/2 | B形状 G≦P | 6〜12 | M3 | 98 |
| 6T | M2.6 | − | ||||||||
| 8 | -0.005 -0.014 | 9.00〜15.00 | 8〜16 | M4 | 225 | |||||
| 10 | 11.00〜20.00 | 3.0〜50.0 | 10〜20 | M5 | 461 | |||||
| 10T | 6〜16 | M4 | 225 | |||||||
| 12 | -0.006 -0.017 | 13.00〜20.00 | 12〜24 | M5 | 461 | |||||
| 12T | 8〜18 | M4 | 225 | |||||||
| 16 | 17.00〜25.00 | 5.0〜50.0 | 16〜32 | M8 | 1911 | |||||
| 16T | 10〜24 | M6 | 784 | |||||||
| 20 | -0.007 -0.020 | 21.00〜35.00 | 20〜40 | M8 | 1911 | |||||
| 20T | 12〜30 | M6 | 784 | |||||||
| 型式 | P 指定0.01mm単位 | B 指定0.1mm単位 | R 指定1mm単位 | G 指定1mm単位 | L 指定1mm単位 | M (並目) | *締付トルク N・cm | (W) | |||
| Type | 先端 形状 | D | D寸公差 g6 | ||||||||
| A形状・C形状のみ | B形状のみ | ||||||||||
| SL-LPDGS SH-LPDGS SHD-LPDGS SL-LPDGG SH-LPDGG SL-LPDGR SH-LPDGR SL-LPDGC SH-LPDGC | A B C | 6 | -0.004 -0.012 | 6.50〜12.00 | 2.0〜12.0 | A形状 R≧P/2 C形状 R≦P/2 | B形状 G≦P | 6〜12 | M3 | 98 | 3 |
| 6T | M2.6 | − | |||||||||
| 8 | -0.005 -0.014 | 9.00〜15.00 | 2.0〜15.0 | 8〜16 | M4 | 225 | 3.5 | ||||
| 10 | 11.00〜20.00 | 3.0〜20.0 | 12〜20 | M5 | 461 | 4 | |||||
| 10T | 12〜16 | M4 | 225 | ||||||||
| 12 | -0.006 -0.017 | 13.00〜20.00 | 12〜24 | M5 | 461 | 5 | |||||
| 12T | 12〜18 | M4 | 225 | ||||||||
| 16 | 17.00〜25.00 | 5.0〜20.0 | 16〜32 | M8 | 1911 | 7 | |||||
| 16T | 14〜24 | M6 | 784 | ||||||||
| 20 | -0.007 -0.020 | 21.00〜35.00 | 20〜40 | M8 | 1911 | 9 | |||||
| 20T | 18〜30 | M6 | 784 | ||||||||
| 型式 | P 指定0.01mm単位 | B 指定0.1mm単位 | R 指定1mm単位 | G 指定1mm単位 | ||
| Type | 先端形状 | M | ||||
| A形状・C形状のみ | B形状のみ | |||||
| SL-LPCS SH-LPCS SHD-LPCS SL-LPCD SH-LPCD SL-LPCG SH-LPCG SL-LPCR SH-LPCR SL-LPCC SH-LPCC | A B C | 3 | 6.00〜10.00 | 10.0〜25.0 | A形状 R≧P/2 C形状 R≦P/2 | B形状 G≦P |
| 4 | 7.00〜12.00 | 11.0〜25.0 | ||||
| 5 | 8.00〜16.00 | 13.0〜30.0 | ||||
| 6 | 9.00〜20.00 | 15.0〜40.0 | ||||
| 8 | 11.00〜20.00 | 19.0〜50.0 | ||||
| 10 | 14.00〜20.00 | 23.0〜50.0 | ||||
| 12 | 18.00〜25.00 | 28.0〜60.0 | ||||
| 16 | 22.00〜30.00 | 35.0〜60.0 | ||||
| 20 | 26.00〜30.00 | 44.0〜60.0 | ||||
| 型式 | − | P | − | B | − | R | − | G | − | L | − | (SC・LAC・LTE) |
| SL-LPCSA6 | − | P10.0 | − | B25.0 | − | R6 | - | LAC |
| 9 | 日目出荷 |
| 追加工 コード | 追加工内容 | 適用条件 | 指定例 | \/1Code |
| SC | 2面幅を追加![]() | SC指定1mm単位指定 [ ! ]丸タイプの場合P-3≦SC≦P-1,SC≧D [ ! ]ストレートタイプの場合M+3≦SC≦P-1 [ ! ]B≦11の場合、先端部に2面幅加工がつきます | LPCA6-P10.0-B25.0-R6-SC9 | 500 |
| LAC | レンチ穴を追加(φ3.5)![]() | φ3.5の穴加工追加 [ ! ]B≧10 P≧8の場合に適用 | LPCA6-P10.0-B25.0-R6-LAC | 100 |
| LTE | レンチ穴を追加(φ2.5)![]() | φ2.5の穴加工追加 [ ! ]B≧8 7≦P≦15の場合に適用 | LPCA6-P10.0-B25.0-R6-LTE | 100 |
洗浄工程| ※材質がステンレスの場合、アルカリ系温水洗浄となることがあります。 | |
| ・脱脂洗浄(型式:SL-□□) | ※表面処理が低温黒色クロムメッキの場合、IPA洗浄となります。 |
作業環境:一般環境 | ||||||
|---|---|---|---|---|---|---|
![]() 炭化水素系洗浄※ Ro水洗浄 中性洗剤洗浄 | ![]() | ![]() 高圧ジェット水洗(Ro水) 後に純水(10MΩ・cm)で 洗浄 | ![]() | ![]() エアブロー(オイルフリー) 使用 | ![]() | ![]() 防錆袋使用 |
| ・精密洗浄(型式:SH-□□) | ※表面処理が低温黒色クロムメッキの場合、IPA洗浄となります。 |
作業環境:クラス1000 | 作業環境:クラス10 | |||||||
|---|---|---|---|---|---|---|---|---|
![]() 炭化水素系洗浄※ Ro水洗浄 中性洗剤洗浄 | ![]() | ![]() 高圧ジェット水洗(Ro水) 後に純水(10MΩ・cm)で 洗浄 | ![]() | ![]() 温純水(13MΩ・cm)使用 | ![]() | ![]() 窒素ブロー使用 | ![]() | ![]() クリーンベンチ(クラス10) で実施 |
作業環境:クラス1000 | 作業環境:クラス10 | |||||||||
|---|---|---|---|---|---|---|---|---|---|---|
![]() 炭化水素系洗浄 Ro水洗浄 中性洗剤洗浄 | ![]() | ![]() 材質に応じた電解研磨槽 で電解研磨 | ![]() | ![]() 高圧ジェット水洗(Ro水) 後に純水(10MΩ・cm)で 洗浄 | ![]() | ![]() 温純水(13MΩ・cm)使用 | ![]() | ![]() 窒素ブロー使用 | ![]() | ![]() クリーンベンチ(クラス10) で実施 |
梱包例| 脱脂洗浄の場合 (TYPE型番:SL-□□) | 精密洗浄または電解研磨+精密洗浄の場合 | |
| (TYPE型番:SH-□□・SHD-□□) | ||
| オーステナイト系ステンレス・アルミ材質の場合 | 鉄・マルテンサイト系ステンレス材質の場合 | |
![]() | ![]() | ![]() |
| 一部商品・サイズによっては、 梱包形態が異なる場合がございます。 | [ ! ]1重目・2重目の梱包とも、脱気されております。 | [ ! ]防錆対策として乾燥剤を同封しております。 1梱包につき1つになります。 |
洗浄効果・利用推奨環境| 洗浄方法 | 商品型番 | 梱包形態 | 未洗浄品と比べた効果 | ご利用環境(目安) | 利用シーン・工程 |
|---|---|---|---|---|---|
| 脱脂洗浄 | SL-□□ | 防錆梱包 | 油分除去 | 一般環境 | 通常組立工程 |
| バッテリー組立後工程 | |||||
| 精密洗浄 | SH-□□ | 脱気2重梱包 | 油分除去 粉塵除去 | クリーン環境(クラス10~1,000) | バッテリー組立工程 |
| 液晶関連組立後工程 | |||||
| 車載カメラ組立工程 | |||||
| 電解研磨+精密洗浄 | SHD-□□ | 脱気2重梱包 | 油分除去 粉塵除去 アウトガス低減 | 真空環境 クリーン環境(クラス10~1,000) | 半導体前工程 |
| 液晶成膜工程 | |||||
| 有機EL前工程 |
| 型番 |
|---|
通常単価(税別)
(税込単価) | 通常出荷日 |
洗浄不要の場合の代替品
|
|---|
- ( - ) | 6日目 |
|
- ( - ) | 6日目 |
|
- ( - ) | 6日目 |
|
- ( - ) | 6日目 |
|
- ( - ) | 6日目 |
|
- ( - ) | 6日目 |
|
- ( - ) | 6日目 |
|
- ( - ) | 6日目 |
|
- ( - ) | 6日目 |
|
- ( - ) | 6日目 |
|
- ( - ) | 6日目 |
|
- ( - ) | 6日目 |
|
- ( - ) | 6日目 |
|
- ( - ) | 6日目 |
|
- ( - ) | 6日目 |
|
- ( - ) | 6日目 |
|
- ( - ) | 6日目 |
|
- ( - ) | 6日目 |
|
- ( - ) | 6日目 |
|
- ( - ) | 6日目 |
|
- ( - ) | 6日目 |
|
- ( - ) | 6日目 |
|
- ( - ) | 6日目 |
|
- ( - ) | 6日目 |
|
- ( - ) | 6日目 |
|
- ( - ) | 6日目 |
|
- ( - ) | 6日目 |
|
- ( - ) | 6日目 |
|
- ( - ) | 6日目 |
|
- ( - ) | 6日目 |
|
- ( - ) | 6日目 |
|
- ( - ) | 6日目 |
|
- ( - ) | 6日目 |
|
- ( - ) | 6日目 |
|
- ( - ) | 6日目 |
|
- ( - ) | 6日目 |
|
- ( - ) | 6日目 |
|
- ( - ) | 6日目 |
|
- ( - ) | 6日目 |
|
- ( - ) | 6日目 |
|
- ( - ) | 6日目 |
|
- ( - ) | 6日目 |
|
- ( - ) | 6日目 |
|
- ( - ) | 6日目 |
|
- ( - ) | 6日目 |
|
- ( - ) | 6日目 |
|
- ( - ) | 6日目 |
|
- ( - ) | 6日目 |
|
- ( - ) | 6日目 |
|
- ( - ) | 6日目 |
|
- ( - ) | 6日目 |
|
- ( - ) | 6日目 |
|
- ( - ) | 6日目 |
|
- ( - ) | 6日目 |
|
- ( - ) | 6日目 |
|
- ( - ) | 6日目 |
|
- ( - ) | 6日目 |
|
- ( - ) | 6日目 |
|
- ( - ) | 6日目 |
|
- ( - ) | 6日目 |
| ・脱脂洗浄(防錆1重梱包) | :型番SL-□□ |
| ・精密洗浄(脱気2重梱包) | :型番SH-□□ |
| ・電解研磨+精密洗浄(脱気2重梱包) | :型番SHD-□□ |
| 商品型番 | 洗浄方法 | 梱包形態 | 未洗浄品と比べた効果 | ご利用環境(目安) | 工程別 |
| SL-□□ | 脱脂洗浄 | 防錆梱包 | 油分除去 | 一般環境 | 通常組立工程 |
| バッテリー組立後工程 | |||||
| SH-□□ | 精密洗浄 | 脱気2重梱包 | 油分除去 粉塵除去 | クリーン環境(クラス10~1,000) | バッテリー組立工程 |
| 液晶関連組立後工程 | |||||
| 車載カメラ組立工程 | |||||
| SHD-□□ | 電解研磨+精密洗浄 | 脱気2重梱包 | 油分除去 粉塵除去 アウトガス低減 | 真空環境 クリーン環境(クラス10~1,000) | 半導体前工程 |
| 液晶成膜工程 | |||||
| 有機EL前工程 |
| D | ¥基準単価 | ||||||||||
| SUS304 | SUS304 硬質クロムメッキ | SKS3相当 硬質クロムメッキ | S45C相当 硬質クロムメッキ | SUS440Cまたは13Crステンレス | |||||||
| SL-LPGS | SH-LPGS | SHD-LPGS | SL-LPGD | SH-LPGD | SL-LPGG | SH-LPGG | SL-LPGR | SH-LPGR | SL-LPGC | SH-LPGC | |
| 6 | 2,240 | 2,640 | 2,880 | 2,520 | 2,920 | 2,280 | 2,680 | 2,150 | 2,550 | 2,480 | 2,880 |
| 6T | 2,240 | 2,640 | 2,880 | 2,520 | 2,920 | 2,280 | 2,680 | 2,150 | 2,550 | 2,480 | 2,880 |
| 8 | 2,300 | 2,700 | 2,940 | 2,600 | 3,000 | 2,400 | 2,800 | 2,250 | 2,650 | 2,550 | 2,950 |
| 10 | 2,440 | 2,840 | 3,080 | 2,760 | 3,160 | 2,530 | 2,930 | 2,540 | 2,940 | 2,710 | 3,110 |
| 10T | 2,410 | 2,810 | 3,050 | 2,720 | 3,120 | 2,490 | 2,890 | 2,500 | 2,900 | 2,670 | 3,070 |
| 12 | 2,500 | 2,900 | 3,140 | 2,840 | 3,240 | 2,570 | 2,970 | 2,590 | 2,990 | 2,740 | 3,140 |
| 12T | 2,470 | 2,870 | 3,110 | 2,800 | 3,200 | 2,540 | 2,940 | 2,560 | 2,960 | 2,700 | 3,100 |
| 16 | 3,080 | 3,480 | 3,720 | 3,530 | 3,930 | 3,190 | 3,590 | 3,340 | 3,740 | 3,470 | 3,870 |
| 16T | 3,040 | 3,440 | 3,680 | 3,480 | 3,880 | 3,150 | 3,550 | 3,280 | 3,680 | 3,420 | 3,820 |
| 20 | 3,510 | 3,910 | 4,150 | 4,060 | 4,460 | 3,660 | 4,060 | 3,950 | 4,350 | 4,060 | 4,460 |
| 20T | 3,460 | 3,860 | 4,100 | 3,990 | 4,390 | 3,610 | 4,010 | 3,870 | 4,270 | 4,000 | 4,400 |
| D | ¥基準単価 | ||||||||
| SUS304 | SKS3相当 硬質クロムメッキ | S45C相当 硬質クロムメッキ | SUS440Cまたは13Crステンレス | ||||||
| SL-LPDGS | SH-LPDGS | SHD-LPDGS | SL-LPDGG | SH-LPDGG | SL-LPDGR | SH-LPDGR | SL-LPDGC | SH-LPDGC | |
| 6 | 2,860 | 3,260 | 3,500 | 3,010 | 3,410 | 2,740 | 3,140 | 3,190 | 3,590 |
| 6T | 2,860 | 3,260 | 3,500 | 3,010 | 3,410 | 2,740 | 3,140 | 3,190 | 3,590 |
| 8 | 2,940 | 3,340 | 3,580 | 3,190 | 3,590 | 2,860 | 3,260 | 3,300 | 3,700 |
| 10 | 2,900 | 3,300 | 3,540 | 3,380 | 3,780 | 3,270 | 3,670 | 3,370 | 3,770 |
| 10T | 2,860 | 3,260 | 3,500 | 3,330 | 3,730 | 3,220 | 3,620 | 3,320 | 3,720 |
| 12 | 3,230 | 3,630 | 3,870 | 3,300 | 3,700 | 3,360 | 3,760 | 3,410 | 3,810 |
| 12T | 3,170 | 3,570 | 3,810 | 3,240 | 3,640 | 3,310 | 3,710 | 3,360 | 3,760 |
| 16 | 3,870 | 4,270 | 4,510 | 4,180 | 4,580 | 4,200 | 4,600 | 4,400 | 4,800 |
| 16T | 3,800 | 4,200 | 4,440 | 4,110 | 4,510 | 4,130 | 4,530 | 4,320 | 4,720 |
| 20 | 4,440 | 4,840 | 5,080 | 4,830 | 5,230 | 5,030 | 5,430 | 5,180 | 5,580 |
| 20T | 4,370 | 4,770 | 5,010 | 4,750 | 5,150 | 4,940 | 5,340 | 5,100 | 5,500 |
| M | ¥基準単価 | ||||||||||
| SUS304 | SUS304 硬質クロムメッキ | SKS3相当 硬質クロムメッキ | S45C相当 硬質クロムメッキ | SUS440Cまたは13Crステンレス | |||||||
| SL-LPCS | SH-LPCS | SHD-LPCS | SL-LPCD | SH-LPCD | SL-LPCG | SH-LPCG | SL-LPCR | SH-LPCR | SL-LPCC | SH-LPCC | |
| 3 | 1,510 | 1,910 | 2,150 | 1,730 | 2,130 | 1,570 | 1,970 | 1,500 | 1,900 | 1,720 | 2,120 |
| 4 | 1,550 | 1,950 | 2,190 | 1,780 | 2,180 | 1,610 | 2,010 | 1,540 | 1,940 | 1,720 | 2,120 |
| 5 | 1,600 | 2,000 | 2,240 | 1,840 | 2,240 | 1,640 | 2,040 | 1,580 | 1,980 | 1,740 | 2,140 |
| 6 | 1,670 | 2,070 | 2,310 | 1,920 | 2,320 | 1,710 | 2,110 | 1,630 | 2,030 | 1,820 | 2,220 |
| 8 | 1,770 | 2,170 | 2,410 | 2,060 | 2,460 | 1,830 | 2,230 | 1,730 | 2,130 | 1,930 | 2,330 |
| 10 | 2,170 | 2,570 | 2,810 | 2,460 | 2,860 | 2,250 | 2,650 | 2,250 | 2,650 | 2,380 | 2,780 |
| 12 | 2,220 | 2,620 | 2,860 | 2,510 | 2,910 | 2,280 | 2,680 | 2,300 | 2,700 | 2,410 | 2,810 |
| 16 | 2,700 | 3,100 | 3,340 | 3,080 | 3,480 | 2,790 | 3,190 | 2,920 | 3,320 | 3,030 | 3,430 |
| 20 | 3,070 | 3,470 | 3,710 | 3,510 | 3,910 | 3,180 | 3,580 | 3,410 | 3,810 | 3,520 | 3,920 |
| 数量区分 | 標準対応 | 個別対応 | |||||
| 小口 | 大口 | 大口 | |||||
| 数 量 | 1~19 | 20~34 | 35~49 | 50~100 | 101~300 | 301~500 | 501~ |
| 値引率 | 基準単価 | 5% | 10% | 18% | 40% | 55% | お見積り |
| 出荷日 | 通常 | +5日 | |||||
| 数量区分 | 標準対応 | 個別対応 | ||||
| 小口 | 大口 | 大口 | ||||
| 数 量 | 1〜19 | 20〜34 | 35〜49 | 50〜100 | 101~300 | 301~ |
| 値引率 | 基準単価 | 5% | 10% | 18% | 23% | お見積り |
| 出荷日 | 通常 | +7日 | ||||
通常価格、通常出荷日が表示と異なる場合がございます
通常価格、通常出荷日が表示と異なる場合がございます

ミスミ
位置決めピン 大頭テーパタイプ -圧入-
4.8通常価格(税別):340円~

ミスミ
位置決めピン 先端形状選択タイプ -おねじ-
4.5
ミスミ
位置決めピン 高耐食ステンレス(55・35HRC~/SUS316L)大頭テーパ 圧入
4.7
ミスミ
位置決めピン 先端形状選択タイプ -めねじ(大頭/ストレート)-
4.6
ミスミ
位置決めピン 高耐食ステンレス(55・35HRC~/SUS316L)R/テーパ/テーパR 全ねじ
4.4
ミスミ
位置決めピン 大頭テーパタイプ-テーパ角度指定・公差選択・圧入-
4.4
ミスミ
マーカーピン 六角穴付タイプ
4.4
ミスミ
位置決めピン 大頭フラットタイプ -圧入-
4.6通常価格(税別):300円~

ミスミ
位置決めピン 小頭テーパタイプ -圧入-
4.5通常価格(税別):300円~