メカニカル部品技術窓口
ミスミ品のみ対象

「脱脂洗浄」「精密洗浄」「電解研磨+精密洗浄」3種類の洗浄方法が選択可能、いずれも標準型番で1個からご...
詳細を確認a=1.0
d=D-0.2
[ ! ]逃げ部寸法は参考値になります。

| 先端形状 | |
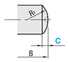
| A 形状 | ![]() [ ! ]R1=P28C+C2 |
| C 形状 | ![]() [ ! ]R2=PcosA-2EsinA2-2sinA 参考:sin15°≒0.259 sin30°=0.5 sin45°≒0.707 |
| Type | [ M ]材質 | [ S ]表面処理 | [ H ]硬度 | 洗浄方法 | ||||
| P、L、B寸指定タイプ | P、L、B、ML寸指定タイプ | 洗浄方法 | 洗浄環境 | 梱包形態 | 梱包環境 | |||
| SL-LPALS | SL-LPALSL | SUS304 | − | − | 脱脂洗浄 | 一般環境 | 防錆梱包 | 一般環境 |
| SH-LPALS | SH-LPALSL | 精密洗浄 | クラス1000 | 脱気2重梱包 | クラス10 | |||
| SHD-LPALS | SHD-LPALSL | 電解研磨+精密洗浄 | ||||||
| SL-LPALD | SL-LPALDL | SUS304 | 硬質クロムメッキ | メッキ硬度 750HV〜 | 脱脂洗浄 | 一般環境 | 防錆梱包 | 一般環境 |
| SH-LPALD | SH-LPALDL | 精密洗浄 | クラス1000 | 脱気2重梱包 | クラス10 | |||
| SL-LPALG | SL-LPALGL | SKS3相当 | 硬質クロムメッキ | 焼入硬度 50〜55HRC メッキ硬度 750HV〜 | 脱脂洗浄 | 一般環境 | 防錆梱包 | 一般環境 |
| SH-LPALG | SH-LPALGL | 精密洗浄 | クラス1000 | 脱気2重梱包 | クラス10 | |||
| SL-LPALR | SL-LPALRL | S45C相当 | 硬質クロムメッキ | 焼入硬度 45〜50HRC メッキ硬度 750HV〜 | 脱脂洗浄 | 一般環境 | 防錆梱包 | 一般環境 |
| SH-LPALR | SH-LPALRL | 精密洗浄 | クラス1000 | 脱気2重梱包 | クラス10 | |||
| SL-LPALC | SL-LPALCL | SUS440Cまたは 13Crステンレス | − | 焼入硬度 50〜55HRC | 脱脂洗浄 | 一般環境 | 防錆梱包 | 一般環境 |
| SH-LPALC | SH-LPALCL | 精密洗浄 | クラス1000 | 脱気2重梱包 | クラス10 | |||
詳細図を記載しておりますので、ご確認ください。| 型式 | − | P | − | B | − | C | − | A | − | E | − | L | − | ML |
| SL-LPALSA10 | − | P12.00 | − | B6.5 | − | C5 | − | L0 | ||||||
| SH-LPALSC16 | − | P20.00 | − | B7.0 | − | A15 | − | E10 | − | L5 | ||||
| SHD-LPALSLA8 | − | P10.00 | − | B10.0 | − | C5 | − | L2 | − | ML10 |
| 型式 | P 指定0.01mm単位 | B 指定0.1mm単位 | C 指定1mm単位 | A 選択 | E 指定1mm単位 | L 指定1mm単位 | ML (Mx1.5) | M (並目) | *締付トルク N・cm | |||
| Type | 先端 形状 | D | D寸公差 g6 | |||||||||
| A形状のみ | C形状のみ | C形状のみ | ||||||||||
| SL-LPALS SH-LPALS SHD-LPALS SL-LPALD SH-LPALD SL-LPALG SH-LPALG SL-LPALR SH-LPALR SL-LPALC SH-LPALC | A C | 3 | -0.002 -0.008 | 4.00〜 8.00 | 5.0〜30.0 | A形状 1≦C≦P/2 | C形状 15 30 45 | C形状 3〜28 [ ! ]指定可能範囲はP寸に依存します。 下表「E寸指定可能範囲詳細」をご確認ください。 | 0〜12 | 4.5 | M3 | 98 |
| 4 | -0.004 -0.012 | 5.00〜 9.00 | 5.0〜30.0 | 6 | M4 | 225 | ||||||
| 5 | 6.00〜10.00 | 5.0〜35.0 | 0〜15 | 7.5 | M5 | 461 | ||||||
| 6 | 7.00〜12.00 | 5.0〜45.0 | 9 | M6 | 784 | |||||||
| 8 | -0.005 -0.014 | 9.00〜15.00 | 5.0〜45.0 | 12 | M8 | 1911 | ||||||
| 10 | 11.00〜20.00 | 5.0〜55.0 | 0〜20 | 15 | M10 | 3783 | ||||||
| 12 | -0.006 -0.017 | 13.00〜20.00 | 5.0〜55.0 | 18 | M12 | 6605 | ||||||
| 16 | 17.00〜27.00 | 5.0〜60.0 | 0〜25 | 24 | M16 | 16366 | ||||||
| 20 | -0.007 -0.020 | 21.00〜30.00 | 5.0〜60.0 | 30 | M20 | 32928 | ||||||
| 型式 | P 指定0.01mm単位 | B 指定0.1mm単位 | C 指定1mm単位 | A 選択 | E 指定1mm単位 | L 指定1mm単位 | ML 指定1mm単位 | M (並目) | *締付トルク N・cm | |||
| Type | 先端 形状 | D | D寸公差 g6 | |||||||||
| A形状のみ | C形状のみ | C形状のみ | ||||||||||
| SL-LPALSL SH-LPALSL SHD-LPALSL SL-LPALDL SH-LPALDL SL-LPALGL SH-LPALGL SL-LPALRL SH-LPALRL SL-LPALCL SH-LPALCL | A C | 3 | -0.002 | 4.00〜 8.00 | 5.0〜30.0 | A形状 1≦C≦P/2 | C形状 15 30 45 | C形状 3〜28 [ ! ]指定可能範囲はP寸に依存します。 下表「E寸指定可能範囲詳細」をご確認ください。 | 0〜12 | 3~9 | M3 | 98 |
| -0.008 | ||||||||||||
| 4 | -0.004 -0.012 | 5.00〜 9.00 | 5.0〜30.0 | 4~12 | M4 | 225 | ||||||
| 5 | 6.00〜10.00 | 5.0〜35.0 | 0〜15 | 5~15 | M5 | 461 | ||||||
| 6 | 7.00〜12.00 | 5.0〜45.0 | 6~18 | M6 | 784 | |||||||
| 8 | -0.005 | 9.00〜15.00 | 5.0〜45.0 | 8~24 | M8 | 1911 | ||||||
| 10 | -0.014 | 11.00〜20.00 | 5.0〜55.0 | 0〜20 | 10~30 | M10 | 3783 | |||||
| 12 | -0.006 | 13.00〜20.00 | 5.0〜55.0 | 12~30 | M12 | 6605 | ||||||
| 16 | -0.017 | 17.00〜27.00 | 5.0〜60.0 | 0〜25 | 16~40 | M16 | 16366 | |||||
| 20 | -0.007 | 21.00〜30.00 | 5.0〜60.0 | 20~40 | M20 | 32928 | ||||||
| -0.02 | ||||||||||||
| P | E 指定1mm単位 | ||
| A 15 | A 30 | A 45 | |
| 4.00〜 4.99 | 4 | - | - |
| 5.00〜 8.00 | 4〜6 | 3 | − |
| 8.01〜12.00 | 6〜12 | 4・5 | 3 |
| 12.01〜16.00 | 8〜16 | 5〜9 | 4・5 |
| 16.01〜20.00 | 10〜20 | 7〜12 | 5〜7 |
| 20.01〜25.00 | 12〜24 | 8〜15 | 6〜9 |
| 25.01〜30.00 | 14〜28 | 10〜18 | 7〜11 |
| 型式 | − | P | − | B | − | C | − | A | − | E | − | L | − | (SC・DRC...etc.) |
| SL-LPALSA5 | − | P10.00 | − | B5.0 | − | C3 | − | L0 | - | NNC |
| 9 | 日目出荷 |
| 追加工 コード | 追加工内容 | 適用条件 | 指定例 | \/1Code |
| SC | 2面幅を追加![]() | SC指定1mm単位指定 [ ! ]P-3≦SC≦P-1,SC≧D [ ! ]B-C又はB-E≦11の場合、先端部に2面幅加工がつきます [ NG ]ダイヤ形状は適用不可 | LPALA5-P10.00-B12.0-R6-L5-SC8 | 500 |
| LAC | レンチ穴を追加(φ3.5)![]() | φ3.5の穴加工追加 [ ! ]B-C又はB-E≧10、P≧8の場合に適用 [ NG ]ダイヤ形状は適用不可 | LPALA5-P10.00-B12.0-R6-L5-LAC | 100 |
| LTE | レンチ穴を追加(φ2.5)![]() | φ2.5の穴加工追加 [ ! ]B-C又はB-E≧8 7≦P≦15の場合に適用 [ NG ]ダイヤ形状は適用不可 | LPALA5-P10.00-B12.0-R6-L5-LTE | 100 |
| DRC | ドライバー溝を追加![]() | [ ! ]幅0.8mm 深さ1mm | LPALA5-P10.00-B12.0-R6-L5-DRC | 100 |
| MC | ねじ径を変更![]() | [ ! ]D/3≦MC<D [ ! ]MC≧3 指定方法 MC4 [ ! ]不完全ねじ部(Pitch×2)が含まれます。 [ NG ]P、L,B、ML寸指定タイプは適用不可 | LPALA5-P10.00-B12.0-R6-L5-MC4 | 200 |
| NNC | ねじ元ニゲ加工を追加![]() | [ ! ]L=0の場合に適用 | LPALA5-P10.00-B12.0-R6-L0-NNC | 100 |
洗浄工程| ※材質がステンレスの場合、アルカリ系温水洗浄となることがあります。 | |
| ・脱脂洗浄(型式:SL-□□) | ※表面処理が低温黒色クロムメッキの場合、IPA洗浄となります。 |
作業環境:一般環境 | ||||||
|---|---|---|---|---|---|---|
![]() 炭化水素系洗浄※ Ro水洗浄 中性洗剤洗浄 | ![]() | ![]() 高圧ジェット水洗(Ro水) 後に純水(10MΩ・cm)で 洗浄 | ![]() | ![]() エアブロー(オイルフリー) 使用 | ![]() | ![]() 防錆袋使用 |
| ・精密洗浄(型式:SH-□□) | ※表面処理が低温黒色クロムメッキの場合、IPA洗浄となります。 |
作業環境:クラス1000 | 作業環境:クラス10 | |||||||
|---|---|---|---|---|---|---|---|---|
![]() 炭化水素系洗浄※ Ro水洗浄 中性洗剤洗浄 | ![]() | ![]() 高圧ジェット水洗(Ro水) 後に純水(10MΩ・cm)で 洗浄 | ![]() | ![]() 温純水(13MΩ・cm)使用 | ![]() | ![]() 窒素ブロー使用 | ![]() | ![]() クリーンベンチ(クラス10) で実施 |
作業環境:クラス1000 | 作業環境:クラス10 | |||||||||
|---|---|---|---|---|---|---|---|---|---|---|
![]() 炭化水素系洗浄 Ro水洗浄 中性洗剤洗浄 | ![]() | ![]() 材質に応じた電解研磨槽 で電解研磨 | ![]() | ![]() 高圧ジェット水洗(Ro水) 後に純水(10MΩ・cm)で 洗浄 | ![]() | ![]() 温純水(13MΩ・cm)使用 | ![]() | ![]() 窒素ブロー使用 | ![]() | ![]() クリーンベンチ(クラス10) で実施 |
梱包例| 脱脂洗浄の場合 (TYPE型番:SL-□□) | 精密洗浄または電解研磨+精密洗浄の場合 | |
| (TYPE型番:SH-□□・SHD-□□) | ||
| オーステナイト系ステンレス・アルミ材質の場合 | 鉄・マルテンサイト系ステンレス材質の場合 | |
![]() | ![]() | ![]() |
| 一部商品・サイズによっては、 梱包形態が異なる場合がございます。 | [ ! ]1重目・2重目の梱包とも、脱気されております。 | [ ! ]防錆対策として乾燥剤を同封しております。 1梱包につき1つになります。 |
洗浄効果・利用推奨環境| 洗浄方法 | 商品型番 | 梱包形態 | 未洗浄品と比べた効果 | ご利用環境(目安) | 利用シーン・工程 |
|---|---|---|---|---|---|
| 脱脂洗浄 | SL-□□ | 防錆梱包 | 油分除去 | 一般環境 | 通常組立工程 |
| バッテリー組立後工程 | |||||
| 精密洗浄 | SH-□□ | 脱気2重梱包 | 油分除去 粉塵除去 | クリーン環境(クラス10~1,000) | バッテリー組立工程 |
| 液晶関連組立後工程 | |||||
| 車載カメラ組立工程 | |||||
| 電解研磨+精密洗浄 | SHD-□□ | 脱気2重梱包 | 油分除去 粉塵除去 アウトガス低減 | 真空環境 クリーン環境(クラス10~1,000) | 半導体前工程 |
| 液晶成膜工程 | |||||
| 有機EL前工程 |
| 型番 |
|---|
通常単価(税別)
(税込単価) | 通常出荷日 |
洗浄不要の場合の代替品
|
|---|
- ( - ) | 6日目 |
|
- ( - ) | 6日目 |
|
- ( - ) | 6日目 |
|
- ( - ) | 6日目 |
|
- ( - ) | 6日目 |
|
- ( - ) | 6日目 |
|
- ( - ) | 6日目 |
|
- ( - ) | 6日目 |
|
- ( - ) | 6日目 |
|
- ( - ) | 6日目 |
|
- ( - ) | 6日目 |
|
- ( - ) | 6日目 |
|
- ( - ) | 6日目 |
|
- ( - ) | 6日目 |
|
- ( - ) | 6日目 |
|
- ( - ) | 6日目 |
|
- ( - ) | 6日目 |
|
- ( - ) | 6日目 |
|
- ( - ) | 6日目 |
|
- ( - ) | 6日目 |
|
- ( - ) | 6日目 |
|
- ( - ) | 6日目 |
|
- ( - ) | 6日目 |
|
- ( - ) | 6日目 |
|
- ( - ) | 6日目 |
|
- ( - ) | 6日目 |
|
- ( - ) | 6日目 |
|
- ( - ) | 6日目 |
|
- ( - ) | 6日目 |
|
- ( - ) | 6日目 |
|
- ( - ) | 6日目 |
|
- ( - ) | 6日目 |
|
- ( - ) | 6日目 |
|
- ( - ) | 6日目 |
|
- ( - ) | 6日目 |
|
- ( - ) | 6日目 |
|
- ( - ) | 6日目 |
|
- ( - ) | 6日目 |
|
- ( - ) | 6日目 |
|
- ( - ) | 6日目 |
|
- ( - ) | 6日目 |
|
- ( - ) | 6日目 |
|
- ( - ) | 6日目 |
|
- ( - ) | 6日目 |
|
- ( - ) | 6日目 |
|
- ( - ) | 6日目 |
|
- ( - ) | 6日目 |
|
- ( - ) | 6日目 |
|
- ( - ) | 6日目 |
|
- ( - ) | 6日目 |
|
- ( - ) | 6日目 |
|
- ( - ) | 6日目 |
|
- ( - ) | 6日目 |
|
- ( - ) | 6日目 |
|
- ( - ) | 5日目 |
|
- ( - ) | 5日目 |
|
- ( - ) | 5日目 |
|
- ( - ) | 5日目 |
|
- ( - ) | 5日目 |
|
- ( - ) | 5日目 |
| ・脱脂洗浄(防錆1重梱包) | :型番SL-□□ |
| ・精密洗浄(脱気2重梱包) | :型番SH-□□ |
| ・電解研磨+精密洗浄(脱気2重梱包) | :型番SHD-□□ |
| 商品型番 | 洗浄方法 | 梱包形態 | 未洗浄品と比べた効果 | ご利用環境(目安) | 工程別 |
| SL-□□ | 脱脂洗浄 | 防錆梱包 | 油分除去 | 一般環境 | 通常組立工程 |
| バッテリー組立後工程 | |||||
| SH-□□ | 精密洗浄 | 脱気2重梱包 | 油分除去 粉塵除去 | クリーン環境(クラス10~1,000) | バッテリー組立工程 |
| 液晶関連組立後工程 | |||||
| 車載カメラ組立工程 | |||||
| SHD-□□ | 電解研磨+精密洗浄 | 脱気2重梱包 | 油分除去 粉塵除去 アウトガス低減 | 真空環境 クリーン環境(クラス10~1,000) | 半導体前工程 |
| 液晶成膜工程 | |||||
| 有機EL前工程 |
| D | ¥基準単価 | ||||||||||
| SUS304 | SUS304 硬質クロムメッキ | SKS3相当 硬質クロムメッキ | S45C相当 硬質クロムメッキ | SUS440Cまたは13Crステンレス | |||||||
| SL-LPALS | SH-LPALS | SHD-LPALS | SL-LPALD | SH-LPALD | SL-LPALG | SH-LPALG | SL-LPALR | SH-LPALR | SL-LPALC | SH-LPALC | |
| 3 | 1,710 | 2,110 | 2,350 | 1,990 | 2,390 | 1,780 | 2,180 | 1,710 | 2,110 | 2,010 | 2,410 |
| 4 | 1,770 | 2,170 | 2,410 | 2,040 | 2,440 | 1,830 | 2,230 | 1,780 | 2,180 | 2,010 | 2,410 |
| 5 | 1,820 | 2,220 | 2,460 | 2,130 | 2,530 | 1,910 | 2,310 | 1,830 | 2,230 | 2,060 | 2,460 |
| 6 | 1,910 | 2,310 | 2,550 | 2,190 | 2,590 | 2,000 | 2,400 | 1,890 | 2,290 | 2,130 | 2,530 |
| 8 | 2,030 | 2,430 | 2,670 | 2,330 | 2,730 | 2,130 | 2,530 | 2,030 | 2,430 | 2,280 | 2,680 |
| 10 | 2,550 | 2,950 | 3,190 | 2,900 | 3,300 | 2,700 | 3,100 | 2,710 | 3,110 | 2,900 | 3,300 |
| 12 | 2,620 | 3,020 | 3,260 | 2,970 | 3,370 | 2,740 | 3,140 | 2,770 | 3,170 | 2,940 | 3,340 |
| 16 | 3,240 | 3,640 | 3,880 | 3,710 | 4,110 | 3,430 | 3,830 | 3,590 | 3,990 | 3,750 | 4,150 |
| 20 | 3,380 | 3,780 | 4,020 | 3,910 | 4,310 | 3,590 | 3,990 | 3,870 | 4,270 | 4,010 | 4,410 |
| D | ¥基準単価 | ||||||||||
| SUS304 | SUS304 硬質クロムメッキ | SKS3相当 硬質クロムメッキ | S45C相当 硬質クロムメッキ | SUS440Cまたは13Crステンレス | |||||||
| SL-LPALSL | SH-LPALSL | SHD-LPALSL | SL-LPALDL | SH-LPALDL | SL-LPALGL | SH-LPALGL | SL-LPALRL | SH-LPALRL | SL-LPALCL | SH-LPALCL | |
| 3 | 1,710 | 2,110 | 2,350 | 1,990 | 2,390 | 1,740 | 2,140 | 1,680 | 2,080 | 1,970 | 2,370 |
| 4 | 1,770 | 2,170 | 2,410 | 2,040 | 2,440 | 1,800 | 2,200 | 1,740 | 2,140 | 1,970 | 2,370 |
| 5 | 1,820 | 2,220 | 2,460 | 2,130 | 2,530 | 1,880 | 2,280 | 1,800 | 2,200 | 2,030 | 2,430 |
| 6 | 1,910 | 2,310 | 2,550 | 2,190 | 2,590 | 1,960 | 2,360 | 1,860 | 2,260 | 2,090 | 2,490 |
| 8 | 2,030 | 2,430 | 2,670 | 2,330 | 2,730 | 2,090 | 2,490 | 2,000 | 2,400 | 2,240 | 2,640 |
| 10 | 2,550 | 2,950 | 3,190 | 2,900 | 3,300 | 2,650 | 3,050 | 2,660 | 3,060 | 2,820 | 3,220 |
| 12 | 2,620 | 3,020 | 3,260 | 2,970 | 3,370 | 2,690 | 3,090 | 2,720 | 3,120 | 2,880 | 3,280 |
| 16 | 3,240 | 3,640 | 3,880 | 3,710 | 4,110 | 3,360 | 3,760 | 3,490 | 3,890 | 3,660 | 4,060 |
| 20 | 3,380 | 3,780 | 4,020 | 3,910 | 4,310 | 3,490 | 3,890 | 3,780 | 4,180 | 3,910 | 4,310 |
| ML | \価格(1円単位切り捨て) |
| M ×1 ≦ML<M ×1.5 | 表中基準単価 |
| M ×1.5≦ML<M ×2 | 表中基準単価×1.05 |
| M ×2 ≦ML<M ×2.5 | 表中基準単価×1.1 |
| M ×2.5≦ML<M ×3 | 表中基準単価×1.15 |
| 数量区分 | 標準対応 | 個別対応 | |||||
| 小口 | 大口 | 大口 | |||||
| 数 量 | 1~19 | 20~34 | 35~49 | 50~100 | 101~300 | 301~500 | 501~ |
| 値引率 | 基準単価 | 5% | 10% | 18% | 40% | 55% | お見積り |
| 出荷日 | 通常 | +5日 | |||||
| 数量区分 | 標準対応 | 個別対応 | ||||
| 小口 | 大口 | 大口 | ||||
| 数 量 | 1~19 | 20~34 | 35~49 | 50~100 | 101~300 | 301~ |
| 値引率 | 基準単価 | 5% | 10% | 18% | 23% | お見積り |
| 出荷日 | 通常 | +7日 | ||||
通常価格、通常出荷日が表示と異なる場合がございます
通常価格、通常出荷日が表示と異なる場合がございます

ミスミ
位置決めピン 大頭テーパタイプ -圧入-
4.8通常価格(税別):340円~

ミスミ
位置決めピン 先端形状選択タイプ -おねじ-
4.5
ミスミ
位置決めピン 大頭フラットタイプ -圧入-
4.6通常価格(税別):300円~

ミスミ
位置決めピン 先端形状選択タイプ -めねじ(大頭/ストレート)-
4.6
ミスミ
位置決めピン 高耐食ステンレス(55・35HRC~/SUS316L)大頭テーパ 圧入
4.7
ミスミ
位置決めピン 先端形状選択タイプ -全ねじ-
4.4
ミスミ
位置決めピン 高耐食ステンレス(55・35HRC~/SUS316L)R/テーパ/テーパR 全ねじ
4.4
ミスミ
マーカーピン 六角穴付タイプ
4.4
ミスミ
位置決めピン 大頭テーパタイプ-テーパ角度指定・公差選択・圧入-
4.4