メカニカル部品技術窓口
ミスミ品のみ対象

「脱脂洗浄」「精密洗浄」「電解研磨+精密洗浄」3種類の洗浄方法が選択可能、いずれも標準型番で1個からご...
詳細を確認●丸
●ダイヤ

a=1.0
d=D-0.2
[ ! ]逃げ部寸法は参考値になります。

| 先端形状 | |
| A 形状 | ![]() ![]() [ ! ]R≧P/2 |
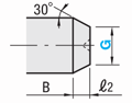
| B 形状 | ![]() [ ! ]G≦P [ ! ]G=Pの時、C0.2程度の面取り |
| C 形状 | ![]() [ ! ]R≦P/2 参考:tan30°≒0.577 sin30°=0.5 |
| Type | [ M ]材質 | [ S ]表面処理 | [ H ]硬度 | 洗浄方法 | ||||||
| P、L、B寸指定タイプ | P、L、B、ML寸指定タイプ | |||||||||
| 丸 | ダイヤ | 丸 | ダイヤ | 洗浄方法 | 洗浄環境 | 梱包形態 | 梱包環境 | |||
| SL-LPAS | SL-LPDAS | SL-LPASL | SL-LPDASL | SUS304 | − | − | 脱脂洗浄 | 一般環境 | 防錆梱包 | 一般環境 |
| SH-LPAS | SH-LPDAS | SH-LPASL | SH-LPDASL | 精密洗浄 | クラス1000 | 脱気2重梱包 | クラス10 | |||
| SHD-LPAS | SHD-LPDAS | SHD-LPASL | SHD-LPDASL | 電解研磨+精密洗浄 | ||||||
| SL-LPAD | SL-LPDAD | SL-LPADL | SL-LPDADL | SUS304 | 硬質クロムメッキ | メッキ硬度 750HV〜 | 脱脂洗浄 | 一般環境 | 防錆梱包 | 一般環境 |
| SH-LPAD | SH-LPDAD | SH-LPADL | SH-LPDADL | 精密洗浄 | クラス1000 | 脱気2重梱包 | クラス10 | |||
| SL-LPAG | SL-LPDAG | SL-LPAGL | SL-LPDAGL | SKS3相当 | 硬質クロムメッキ | 焼入硬度 50〜55HRC メッキ硬度 750HV〜 | 脱脂洗浄 | 一般環境 | 防錆梱包 | 一般環境 |
| SH-LPAG | SH-LPDAG | SH-LPAGL | SH-LPDAGL | 精密洗浄 | クラス1000 | 脱気2重梱包 | クラス10 | |||
| SL-LPAR | SL-LPDAR | SL-LPARL | SL-LPDARL | S45C相当 | 硬質クロムメッキ | 焼入硬度 45〜50HRC メッキ硬度 750HV〜 | 脱脂洗浄 | 一般環境 | 防錆梱包 | 一般環境 |
| SH-LPAR | SH-LPDAR | SH-LPARL | SH-LPDARL | 精密洗浄 | クラス1000 | 脱気2重梱包 | クラス10 | |||
| SL-LPAC | − | SL-LPACL | − | SUS440Cまたは 13Crステンレス | − | 焼入硬度50〜55HRC | 脱脂洗浄 | 一般環境 | 防錆梱包 | 一般環境 |
| SH-LPAC | SH-LPACL | 精密洗浄 | クラス1000 | 脱気2重梱包 | クラス10 | |||||
詳細図を記載しておりますので、ご確認ください。| 型式 | - | P | - | B | - | R | - | G | - | L | - | ML |
| SL-LPASA5 | - | P10.00 | - | B12.0 | - | R6 | - | L5 | ||||
| SH-LPASB10 | - | P15.00 | - | B17.0 | - | G10 | - | L10 | ||||
| SHD-LPASLB8 | - | P9.50 | - | B15.0 | - | G10 | - | L7 | - | ML10 |
| 型式 | P 指定0.01mm単位 | B 指定0.1mm単位 | R 指定1mm単位 | G 指定1mm単位 | L 指定1mm単位 | ML (Mx1.5) | M (並目) | ねじpitch | *締付トルク N・cm | (W) | ||||
| Type | 先端 形状 | D | D寸公差 g6 | |||||||||||
| A形状・C形状のみ | B形状のみ | |||||||||||||
| (丸) SL-LPAS SH-LPAS SHD-LPAS SL-LPAD SH-LPAD SL-LPAG SH-LPAG SL-LPAR SH-LPAR SL-LPAC SH-LPAC | (ダイヤ) SL-LPDAS SH-LPDAS SHD-LPDAS SL-LPDAD SH-LPDAD SL-LPDAG SH-LPDAG SL-LPDAR SH-LPDAR | A B C | 3 | −0.002 −0.008 | 4.00〜 8.00 | 3.5〜25.0(10.0) | A形状 R≧P/2 C形状 R≦P/2 | B形状 G≦P | 0〜10 | 4.5 | M3 | 0.5 | 98 | 1.5 |
| 4 | −0.004 −0.012 | 5.00〜 9.00 | 3.5〜25.0(10.0) | 6 | M4 | 0.7 | 225 | 1.8 | ||||||
| 5 | 6.00〜10.00 | 3.5〜30.0(10.0) | 7.5 | M5 | 0.8 | 461 | 2.2 | |||||||
| 6 | 7.00〜12.00 | 3.5〜40.0(12.0) | 9 | M6 | 1 | 784 | 3 | |||||||
| 8 | −0.005 −0.014 | 9.00〜15.00 | 3.5〜40.0(15.0) | 12 | M8 | 1.25 | 1911 | 3.5 | ||||||
| 10 | 11.00〜20.00 | 5.0〜50.0(20.0) | 0〜20 | 15 | M10 | 1.5 | 3783 | 4 | ||||||
| 12 | −0.006 −0.017 | 13.00〜20.00 | 5.0〜50.0(20.0) | 18 | M12 | 1.75 | 6605 | 5 | ||||||
| 16 | 17.00〜27.00 | 5.0〜50.0(20.0) | 0〜25 | 24 | M16 | 2 | 16366 | 7 | ||||||
| 20 | −0.007 −0.020 | 21.00〜30.00 | 5.0〜50.0(20.0) | 30 | M20 | 2.5 | 32928 | 9 | ||||||
| 型式 | P 指定0.01mm単位 | B 指定0.1mm単位 | R 指定1mm単位 | G 指定1mm単位 | L 指定1mm単位 | ML 指定1mm単位 | M (並目) | ねじpitch | *締付トルク N・cm | (W) | ||||
| Type | 先端 | D | D寸公差 | |||||||||||
| 形状 | g6 | A形状・C形状のみ | B形状のみ | |||||||||||
| (丸) SL-LPASL SH-LPASL SHD-LPASL SL-LPADL SH-LPADL SL-LPAGL SH-LPAGL SL-LPARL SH-LPARL SL-LPACL SH-LPACL | (ダイヤ) SL-LPDASL SH-LPDASL SHD-LPDASL SL-LPDADL SH-LPDADL SL-LPDAGL SH-LPDAGL SL-LPDARL SH-LPDARL | A B C | 3 | −0.002 −0.008 | 4.00〜 8.00 | 3.5〜25.0(10.0) | A形状 R≧P/2 C形状 R≦P/2 | B形状 G≦P | 0〜12 | 3~9 | M3 | 0.5 | 98 | 1.5 |
| 4 | −0.004 −0.012 | 5.00〜 9.00 | 3.5〜25.0(10.0) | 4~12 | M4 | 0.7 | 225 | 1.8 | ||||||
| 5 | 6.00〜10.00 | 3.5〜30.0(10.0) | 0~15 | 5~15 | M5 | 0.8 | 461 | 2.2 | ||||||
| 6 | 7.00〜12.00 | 3.5〜40.0(12.0) | 6~18 | M6 | 1 | 784 | 3 | |||||||
| 8 | −0.005 −0.014 | 9.00〜15.00 | 3.5〜40.0(15.0) | 8~24 | M8 | 1.25 | 1911 | 3.5 | ||||||
| 10 | 11.00〜20.00 | 5.0〜50.0(20.0) | 0〜20 | 10~30 | M10 | 1.5 | 3783 | 4 | ||||||
| 12 | −0.006 −0.017 | 13.00〜20.00 | 5.0〜50.0(20.0) | 12~30 | M12 | 1.75 | 6605 | 5 | ||||||
| 16 | 17.00〜27.00 | 5.0〜50.0(20.0) | 0〜25 | 16~40 | M16 | 2 | 16366 | 7 | ||||||
| 20 | −0.007 −0.020 | 21.00〜30.00 | 5.0〜50.0(20.0) | 20~40 | M20 | 2.5 | 32928 | 9 | ||||||
| 9 | 日目出荷 |
| 追加工 コード | 追加工内容 | 適用条件 | 指定例 | \/1Code |
| SC | 2面幅を追加![]() | SC指定1mm単位指定 [ ! ]P-3≦SC≦P-1,SC≧D [ ! ]B≦11の場合、先端部に2面幅加工がつきます [ NG ]ダイヤ形状は適用不可 | SL-LPASA5-P10.00-B12.0-R6-L5-SC8 | 500 |
| LAC | レンチ穴を追加(φ3.5)![]() | φ3.5の穴加工追加 [ ! ]B≧10、P≧8の場合に適用 [ NG ]ダイヤ形状は適用不可 | SL-LPASA5-P10.00-B12.0-R6-L5-LAC | 100 |
| LTE | レンチ穴を追加(φ2.5)![]() | φ2.5の穴加工追加 [ ! ]B≧8 7≦P≦15の場合に適用 [ NG ]ダイヤ形状は適用不可 | SL-LPASA5-P10.00-B12.0-R6-L5-LTE | 100 |
| DRC | ドライバー溝を追加![]() | [ ! ]幅0.8mm 深さ1mm | SL-LPASA5-P10.00-B12.0-R6-L5-DRC | 100 |
| MC | ねじ径を変更![]() | [ ! ]D/3≦MC<D [ ! ]MC≧3 [ ! ]不完全ねじ部(Pitch×2)が含まれます。 [ NG ]P、L、B、ML寸指定タイプは適用不可 | SL-LPASA5-P10.00-B12.0-R6-L5-MC4 | 200 |
| NNC | ねじ元ニゲ加工を追加![]() | [ ! ]L=0の場合に適用 | SL-LPASA5-P10.00-B12.0-R6-L0-NNC | 100 |
洗浄工程| ※材質がステンレスの場合、アルカリ系温水洗浄となることがあります。 | |
| ・脱脂洗浄(型式:SL-□□) | ※表面処理が低温黒色クロムメッキの場合、IPA洗浄となります。 |
作業環境:一般環境 | ||||||
|---|---|---|---|---|---|---|
![]() 炭化水素系洗浄※ Ro水洗浄 中性洗剤洗浄 | ![]() | ![]() 高圧ジェット水洗(Ro水) 後に純水(10MΩ・cm)で 洗浄 | ![]() | ![]() エアブロー(オイルフリー) 使用 | ![]() | ![]() 防錆袋使用 |
| ・精密洗浄(型式:SH-□□) | ※表面処理が低温黒色クロムメッキの場合、IPA洗浄となります。 |
作業環境:クラス1000 | 作業環境:クラス10 | |||||||
|---|---|---|---|---|---|---|---|---|
![]() 炭化水素系洗浄※ Ro水洗浄 中性洗剤洗浄 | ![]() | ![]() 高圧ジェット水洗(Ro水) 後に純水(10MΩ・cm)で 洗浄 | ![]() | ![]() 温純水(13MΩ・cm)使用 | ![]() | ![]() 窒素ブロー使用 | ![]() | ![]() クリーンベンチ(クラス10) で実施 |
作業環境:クラス1000 | 作業環境:クラス10 | |||||||||
|---|---|---|---|---|---|---|---|---|---|---|
![]() 炭化水素系洗浄 Ro水洗浄 中性洗剤洗浄 | ![]() | ![]() 材質に応じた電解研磨槽 で電解研磨 | ![]() | ![]() 高圧ジェット水洗(Ro水) 後に純水(10MΩ・cm)で 洗浄 | ![]() | ![]() 温純水(13MΩ・cm)使用 | ![]() | ![]() 窒素ブロー使用 | ![]() | ![]() クリーンベンチ(クラス10) で実施 |
梱包例| 脱脂洗浄の場合 (TYPE型番:SL-□□) | 精密洗浄または電解研磨+精密洗浄の場合 | |
| (TYPE型番:SH-□□・SHD-□□) | ||
| オーステナイト系ステンレス・アルミ材質の場合 | 鉄・マルテンサイト系ステンレス材質の場合 | |
![]() | ![]() | ![]() |
| 一部商品・サイズによっては、 梱包形態が異なる場合がございます。 | [ ! ]1重目・2重目の梱包とも、脱気されております。 | [ ! ]防錆対策として乾燥剤を同封しております。 1梱包につき1つになります。 |
洗浄効果・利用推奨環境| 洗浄方法 | 商品型番 | 梱包形態 | 未洗浄品と比べた効果 | ご利用環境(目安) | 利用シーン・工程 |
|---|---|---|---|---|---|
| 脱脂洗浄 | SL-□□ | 防錆梱包 | 油分除去 | 一般環境 | 通常組立工程 |
| バッテリー組立後工程 | |||||
| 精密洗浄 | SH-□□ | 脱気2重梱包 | 油分除去 粉塵除去 | クリーン環境(クラス10~1,000) | バッテリー組立工程 |
| 液晶関連組立後工程 | |||||
| 車載カメラ組立工程 | |||||
| 電解研磨+精密洗浄 | SHD-□□ | 脱気2重梱包 | 油分除去 粉塵除去 アウトガス低減 | 真空環境 クリーン環境(クラス10~1,000) | 半導体前工程 |
| 液晶成膜工程 | |||||
| 有機EL前工程 |
| 型番 |
|---|
通常単価(税別)
(税込単価) | 通常出荷日 |
洗浄不要の場合の代替品
|
|---|
- ( - ) | 6日目 |
|
- ( - ) | 6日目 |
|
- ( - ) | 6日目 |
|
- ( - ) | 6日目 |
|
- ( - ) | 6日目 |
|
- ( - ) | 6日目 |
|
- ( - ) | 6日目 |
|
- ( - ) | 6日目 |
|
- ( - ) | 6日目 |
|
- ( - ) | 6日目 |
|
- ( - ) | 6日目 |
|
- ( - ) | 6日目 |
|
- ( - ) | 6日目 |
|
- ( - ) | 6日目 |
|
- ( - ) | 6日目 |
|
- ( - ) | 6日目 |
|
- ( - ) | 6日目 |
|
- ( - ) | 6日目 |
|
- ( - ) | 6日目 |
|
- ( - ) | 6日目 |
|
- ( - ) | 6日目 |
|
- ( - ) | 6日目 |
|
- ( - ) | 6日目 |
|
- ( - ) | 6日目 |
|
- ( - ) | 6日目 |
|
- ( - ) | 6日目 |
|
- ( - ) | 6日目 |
|
- ( - ) | 6日目 |
|
- ( - ) | 6日目 |
|
- ( - ) | 6日目 |
|
- ( - ) | 6日目 |
|
- ( - ) | 6日目 |
|
- ( - ) | 6日目 |
|
- ( - ) | 6日目 |
|
- ( - ) | 6日目 |
|
- ( - ) | 6日目 |
|
- ( - ) | 6日目 |
|
- ( - ) | 6日目 |
|
- ( - ) | 6日目 |
|
- ( - ) | 6日目 |
|
- ( - ) | 6日目 |
|
- ( - ) | 6日目 |
|
- ( - ) | 6日目 |
|
- ( - ) | 6日目 |
|
- ( - ) | 6日目 |
|
- ( - ) | 6日目 |
|
- ( - ) | 6日目 |
|
- ( - ) | 6日目 |
|
- ( - ) | 6日目 |
|
- ( - ) | 6日目 |
|
- ( - ) | 6日目 |
|
- ( - ) | 6日目 |
|
- ( - ) | 6日目 |
|
- ( - ) | 6日目 |
|
- ( - ) | 6日目 |
|
- ( - ) | 6日目 |
|
- ( - ) | 6日目 |
|
- ( - ) | 6日目 |
|
- ( - ) | 6日目 |
|
- ( - ) | 6日目 |
| ・脱脂洗浄(防錆1重梱包) | :型番SL-□□ |
| ・精密洗浄(脱気2重梱包) | :型番SH-□□ |
| ・電解研磨+精密洗浄(脱気2重梱包) | :型番SHD-□□ |
| 商品型番 | 洗浄方法 | 梱包形態 | 未洗浄品と比べた効果 | ご利用環境(目安) | 工程別 |
| SL-□□ | 脱脂洗浄 | 防錆梱包 | 油分除去 | 一般環境 | 通常組立工程 |
| バッテリー組立後工程 | |||||
| SH-□□ | 精密洗浄 | 脱気2重梱包 | 油分除去 粉塵除去 | クリーン環境(クラス10~1,000) | バッテリー組立工程 |
| 液晶関連組立後工程 | |||||
| 車載カメラ組立工程 | |||||
| SHD-□□ | 電解研磨+精密洗浄 | 脱気2重梱包 | 油分除去 粉塵除去 アウトガス低減 | 真空環境 クリーン環境(クラス10~1,000) | 半導体前工程 |
| 液晶成膜工程 | |||||
| 有機EL前工程 |
| D | 丸形状 ¥基準単価 | ||||||||||
| SUS304 | SUS304 硬質クロムメッキ | SKS3相当 硬質クロムメッキ | S45C相当 硬質クロムメッキ | SUS440Cまたは13Crステンレス | |||||||
| SL-LPAS | SH-LPAS | SHD-LPAS | SL-LPAD | SH-LPAD | SL-LPAG | SH-LPAG | SL-LPAR | SH-LPAR | SL-LPAC | SH-LPAC | |
| 3 | 1,400 | 1,680 | 1,710 | 1,910 | 2,310 | 1,690 | 2,090 | 1,630 | 2,030 | 1,900 | 2,300 |
| 4 | 1,440 | 1,730 | 1,760 | 1,970 | 2,370 | 1,730 | 2,130 | 1,690 | 2,090 | 1,900 | 2,300 |
| 5 | 1,500 | 1,800 | 1,830 | 2,050 | 2,450 | 1,810 | 2,210 | 1,730 | 2,130 | 1,940 | 2,340 |
| 6 | 1,580 | 1,900 | 1,930 | 2,100 | 2,500 | 1,890 | 2,290 | 1,790 | 2,190 | 2,020 | 2,420 |
| 8 | 1,700 | 2,040 | 2,070 | 2,230 | 2,630 | 2,020 | 2,420 | 1,920 | 2,320 | 2,140 | 2,540 |
| 10 | 2,180 | 2,620 | 2,650 | 2,760 | 3,160 | 2,530 | 2,930 | 2,540 | 2,940 | 2,700 | 3,100 |
| 12 | 2,240 | 2,690 | 2,720 | 2,840 | 3,240 | 2,570 | 2,970 | 2,590 | 2,990 | 2,740 | 3,140 |
| 16 | 2,820 | 3,380 | 3,410 | 3,530 | 3,930 | 3,190 | 3,590 | 3,340 | 3,740 | 3,470 | 3,870 |
| 20 | 2,970 | 3,560 | 3,590 | 3,710 | 4,110 | 3,340 | 3,740 | 3,600 | 4,000 | 3,710 | 4,110 |
| D | ダイヤ形状 ¥基準単価 | ||||||||
| SUS304 | SUS304 硬質クロムメッキ | SKS3相当 硬質クロムメッキ | S45C相当 硬質クロムメッキ | ||||||
| SL-LPDAS | SH-LPDAS | SHD-LPDAS | SL-LPDAD | SH-LPDAD | SL-LPDAG | SH-LPDAG | SL-LPDAR | SH-LPDAR | |
| 3 | 2,040 | 2,440 | 2,680 | 2,390 | 2,790 | 2,130 | 2,530 | 2,000 | 2,400 |
| 4 | 2,100 | 2,500 | 2,740 | 2,470 | 2,870 | 2,200 | 2,600 | 2,080 | 2,480 |
| 5 | 2,190 | 2,590 | 2,830 | 2,590 | 2,990 | 2,310 | 2,710 | 2,140 | 2,540 |
| 6 | 2,300 | 2,700 | 2,940 | 2,660 | 3,060 | 2,430 | 2,830 | 2,240 | 2,640 |
| 8 | 2,480 | 2,880 | 3,120 | 2,840 | 3,240 | 2,610 | 3,010 | 2,410 | 2,810 |
| 10 | 3,170 | 3,570 | 3,810 | 3,440 | 3,840 | 3,380 | 3,780 | 3,310 | 3,710 |
| 12 | 3,260 | 3,660 | 3,900 | 3,540 | 3,940 | 3,300 | 3,700 | 3,400 | 3,800 |
| 16 | 3,900 | 4,300 | 4,540 | 4,460 | 4,860 | 4,180 | 4,580 | 4,260 | 4,660 |
| 20 | 4,110 | 4,510 | 4,750 | 4,710 | 5,110 | 4,390 | 4,790 | 4,630 | 5,030 |
| D | 丸形状 ¥基準単価 | ||||||||||
| SUS304 | SUS304 硬質クロムメッキ | SKS3相当 硬質クロムメッキ | S45C相当 硬質クロムメッキ | SUS440Cまたは13Crステンレス | |||||||
| SL-LPASL | SH-LPASL | SHD-LPASL | SL-LPADL | SH-LPADL | SL-LPAGL | SH-LPAGL | SL-LPARL | SH-LPARL | SL-LPACL | SH-LPACL | |
| 3 | 1,640 | 2,040 | 2,280 | 1,880 | 2,280 | 1,670 | 2,070 | 1,610 | 2,010 | 1,870 | 2,270 |
| 4 | 1,670 | 2,070 | 2,310 | 1,930 | 2,330 | 1,700 | 2,100 | 1,670 | 2,070 | 1,870 | 2,270 |
| 5 | 1,720 | 2,120 | 2,360 | 2,010 | 2,410 | 1,780 | 2,180 | 1,700 | 2,100 | 1,910 | 2,310 |
| 6 | 1,810 | 2,210 | 2,450 | 2,060 | 2,460 | 1,860 | 2,260 | 1,750 | 2,150 | 1,980 | 2,380 |
| 8 | 1,920 | 2,320 | 2,560 | 2,190 | 2,590 | 1,980 | 2,380 | 1,890 | 2,290 | 2,100 | 2,500 |
| 10 | 2,390 | 2,790 | 3,030 | 2,700 | 3,100 | 2,470 | 2,870 | 2,480 | 2,880 | 2,650 | 3,050 |
| 12 | 2,450 | 2,850 | 3,090 | 2,770 | 3,170 | 2,510 | 2,910 | 2,540 | 2,940 | 2,690 | 3,090 |
| 16 | 3,010 | 3,410 | 3,650 | 3,450 | 3,850 | 3,120 | 3,520 | 3,260 | 3,660 | 3,400 | 3,800 |
| 20 | 3,150 | 3,550 | 3,790 | 3,620 | 4,020 | 3,260 | 3,660 | 3,510 | 3,910 | 3,630 | 4,030 |
| D | ダイヤ形状 ¥基準単価 | ||||||||
| SUS304 | SUS304 硬質クロムメッキ | SKS3相当 硬質クロムメッキ | S45C相当 硬質クロムメッキ | ||||||
| SL-LPDASL | SH-LPDASL | SHD-LPDASL | SL-LPDADL | SH-LPDADL | SL-LPDAGL | SH-LPDAGL | SL-LPDARL | SH-LPDARL | |
| 3 | 2,000 | 2,400 | 2,640 | 2,330 | 2,730 | 2,090 | 2,490 | 1,960 | 2,360 |
| 4 | 2,060 | 2,460 | 2,700 | 2,420 | 2,820 | 2,150 | 2,550 | 2,040 | 2,440 |
| 5 | 2,140 | 2,540 | 2,780 | 2,530 | 2,930 | 2,270 | 2,670 | 2,100 | 2,500 |
| 6 | 2,260 | 2,660 | 2,900 | 2,610 | 3,010 | 2,380 | 2,780 | 2,190 | 2,590 |
| 8 | 2,430 | 2,830 | 3,070 | 2,770 | 3,170 | 2,560 | 2,960 | 2,370 | 2,770 |
| 10 | 3,100 | 3,500 | 3,740 | 3,350 | 3,750 | 3,310 | 3,710 | 3,230 | 3,630 |
| 12 | 3,180 | 3,580 | 3,820 | 3,460 | 3,860 | 3,220 | 3,620 | 3,330 | 3,730 |
| 16 | 3,800 | 4,200 | 4,440 | 4,360 | 4,760 | 4,080 | 4,480 | 4,140 | 4,540 |
| 20 | 4,010 | 4,410 | 4,650 | 4,590 | 4,990 | 4,280 | 4,680 | 4,500 | 4,900 |
| ML | ¥価格(1円単位切り捨て) |
| M ×1 ≦ML<M ×1.5 | 表中基準単価 |
| M ×1.5≦ML<M ×2 | 表中基準単価×1.05 |
| M ×2 ≦ML<M ×2.5 | 表中基準単価×1.1 |
| M ×2.5≦ML<M ×3 | 表中基準単価×1.15 |
| 数量区分 | 標準対応 | 個別対応 | |||
| 小口 | 大口 | ||||
| 数 量 | 1〜4 | 5〜19 | 20~35 | 36~50 | 51~ |
| 値引率 | 基準単価 | 25% | 45% | 50% | 55% |
| 出荷日 | 通常 | お見積り | |||
| 数量区分 | 標準対応 | 個別対応 | ||||
| 小口 | 大口 | 大口 | ||||
| 数 量 | 1~19 | 20~34 | 35~49 | 50~100 | 101~300 | 301~ |
| 値引率 | 基準単価 | 5% | 10% | 18% | 23% | お見積り |
| 出荷日 | 通常 | +7日 | ||||
通常価格、通常出荷日が表示と異なる場合がございます
通常価格、通常出荷日が表示と異なる場合がございます

ミスミ
位置決めピン 大頭テーパタイプ -圧入-
4.8通常価格(税別):340円~

ミスミ
位置決めピン 大頭フラットタイプ -圧入-
4.6通常価格(税別):300円~

ミスミ
位置決めピン 先端形状選択タイプ -おねじ-
4.5
ミスミ
位置決めピン 高耐食ステンレス(55・35HRC~/SUS316L)大頭テーパ 圧入
4.7
ミスミ
位置決めピン 先端形状選択タイプ -めねじ(大頭/ストレート)-
4.6
ミスミ
位置決めピン 高耐食ステンレス(55・35HRC~/SUS316L)R/テーパ/テーパR 全ねじ
4.4
ミスミ
位置決めピン 大頭テーパタイプ-テーパ角度指定・公差選択・圧入-
4.4
ミスミ
マーカーピン 六角穴付タイプ
4.4
ミスミ
位置決めピン 小頭テーパタイプ -圧入-
4.5通常価格(税別):300円~