メカニカル部品技術窓口
ミスミ品のみ対象
【まとめ買いでお得】151個以上から大幅割引き!ミスミの低価格新ブランド【エコノミーシリーズ】順次商品...
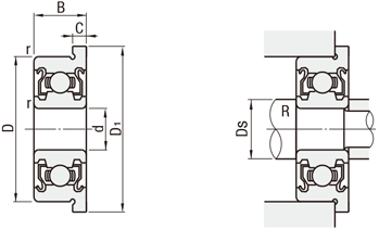
詳細を確認| 型番 | d | D | B | D1 | C | r (min.) | 基本定格荷重 | 許容回転数 rpm (参 考) | 取付寸法 | 質量 (g) (参 考) | ¥基準単価 | ||
| Ds (min.) | R (max.) | ||||||||||||
| Cr(動)N | Cor(静)N | ||||||||||||
| C−SEFL682ZZ | 2 | 5 | 2.3 | 6.1 | 0.6 | 0.08 | 85 | 24 | 33600 | 2.7 | 0.08 | 0.22 | 175 |
| C−SEFL692ZZ | 6 | 3 | 7.5 | 0.8 | 0.15 | 167 | 47 | 29600 | 3 | 0.15 | 0.48 | 205 | |
| C−SEFL602ZZ | 7 | 3.5 | 8.5 | 0.9 | 196 | 60 | 24000 | 3.2 | 0.71 | 205 | |||
| C−SEFL682AZZ | 2.5 | 6 | 2.6 | 7.1 | 0.8 | 0.08 | 106 | 35 | 33600 | 3.7 | 0.08 | 0.36 | 220 |
| C−SEFL692AZZ | 7 | 3.5 | 8.5 | 0.9 | 0.15 | 196 | 60 | 29600 | 3.85 | 0.15 | 0.68 | ||
| C−SEFL673ZZ | 3 | 6 | 2.5 | 7.2 | 0.6 | 0.1 | 105 | 35 | 24000 | 3.6 | 0.08 | 0.33 | 420 |
| C−SEFL683ZZ | 7 | 3 | 8.1 | 0.8 | 197 | 62 | 24800 | 3.9 | 0.1 | 0.53 | 300 | ||
| C−SEFL693ZZ | 8 | 4 | 9.5 | 0.9 | 0.15 | 282 | 86 | 24000 | 4.2 | 0.15 | 0.97 | 205 | |
| C−SEFL603ZZ | 9 | 5 | 10.5 | 1 | 289 | 90 | 22400 | 1.63 | |||||
| C−SEFL623ZZ | 10 | 4 | 11.5 | 1 | 319 | 105 | 20000 | 1.86 | |||||
| C−SEFL674ZZ | 4 | 7 | 2.5 | 8.2 | 0.6 | 0.1 | 129 | 51 | 20800 | 4.6 | 0.08 | 0.35 | 450 |
| C−SEFL684ZZ | 9 | 4 | 10.3 | 1 | 324 | 106 | 5 | 0.1 | 1.14 | 300 | |||
| C−SEFL694ZZ | 11 | 12.5 | 0.15 | 325 | 108 | 19200 | 5.2 | 0.15 | 1.96 | 290 | |||
| C−SEFL604ZZ | 12 | 13.5 | 0.2 | 484 | 164 | 5.6 | 0.2 | 2.53 | 360 | ||||
| C−SEFL624ZZ | 13 | 5 | 15 | 658 | 231 | 16000 | 3.53 | 340 | |||||
| C−SEFL675ZZ | 5 | 8 | 2.5 | 9.2 | 0.6 | 0.08 | 111 | 43 | 17600 | 0.08 | 0.41 | 450 | |
| C−SEFL685ZZ | 11 | 5 | 12.5 | 1 | 0.15 | 361 | 134 | 6.2 | 0.15 | 2.18 | 300 | ||
| C−SEFL695ZZ | 13 | 4 | 15 | 0.2 | 545 | 205 | 16800 | 6.6 | 0.2 | 2.84 | 340 | ||
| C−SEFL605ZZ | 14 | 5 | 16 | 658 | 241 | 16000 | 3.85 | ||||||
| C−SEFL625ZZ | 16 | 18 | 0.3 | 874 | 319 | 14400 | 7.7 | 0.3 | 5.3 | 205 | |||
| C−SEFL676ZZ | 6 | 10 | 3 | 11.2 | 0.6 | 0.1 | 251 | 104 | 16000 | 6.6 | 0.1 | 0.77 | 450 |
| C−SEFL686ZZ | 13 | 5 | 15 | 1.1 | 0.15 | 547 | 209 | 7 | 0.15 | 3.04 | 290 | ||
| C−SEFL696ZZ | 15 | 17 | 1.2 | 0.2 | 677 | 249 | 7.6 | 0.2 | 4.26 | 300 | |||
| C−SEFL606ZZ | 17 | 6 | 19 | 0.3 | 1143 | 398 | 15200 | 8 | 0.3 | 6.61 | 340 | ||
| C−SEFL626ZZ | 19 | 22 | 1.5 | 1182 | 422 | 12800 | 9.09 | 197 | |||||
| C−SEFL678ZZ | 8 | 12 | 3.5 | 13.6 | 0.8 | 0.1 | 275 | 130 | 14400 | 8.8 | 0.1 | 1.15 | 520 |
| C−SEFL688ZZ | 16 | 5 | 18 | 1.1 | 0.2 | 814 | 338 | 9.6 | 0.2 | 4.47 | 340 | ||
| C−SEFL698ZZ | 19 | 6 | 22 | 1.5 | 0.3 | 1131 | 434 | 10 | 0.3 | 8.3 | |||
| C−SEFL608ZZ | 22 | 7 | 25 | 1665 | 656 | 13600 | 10 | 0.3 | 13 | ||||
| 内径d(mm) | ミスミ類似部品すきま(μm) | エコノミー部品すきま(μm) | |||
| を超え | 以下 | 最小 | 最大 | 最小 | 最大 |
| 10のみ | 2 | 13 | 4 | 18 | |
| 10 | 18 | 3 | 18 | 6 | 23 |
| 当社類似品 SFL682ZZ | エコノミーシリーズ 「軽荷重」 C−SFL682ZZ | エコノミーシリーズ 「軽荷重・低速」 C−SEFL682ZZ | ||
| 基本定格荷重 | Cr(動)N | 143 | 100 | 85 |
| Cor(静)N | 40 | 28 | 24 | |
| ベアリング内部隙間 | 最小 μm | 2 | 4 | 4 |
| 最大 μm | 13 | 18 | 18 | |
| (参考)許容回転数 rpm | 85000 | 85000 | 33600 | |
| RoHS10 | 対応 | 対応 | 保証外 | |
| 型番 |
|---|
通常単価(税別)
(税込単価) | 通常出荷日 |
高品質の代替品
|
|---|
205円 ( 226円 ) | 在庫品1日目当日出荷可能 |
|
360円 ( 396円 ) | 在庫品1日目当日出荷可能 |
|
340円 ( 374円 ) | 在庫品1日目当日出荷可能 |
|
340円 ( 374円 ) | 在庫品1日目当日出荷可能 |
|
340円 ( 374円 ) | 在庫品1日目当日出荷可能 |
|
340円 ( 374円 ) | 在庫品1日目当日出荷可能 |
|
340円 ( 374円 ) | 在庫品1日目当日出荷可能 |
|
340円 ( 374円 ) | 在庫品1日目当日出荷可能 |
|
320円 ( 352円 ) | 在庫品1日目当日出荷可能 |
|
420円 ( 462円 ) | 在庫品1日目当日出荷可能 |
|
450円 ( 495円 ) | 在庫品1日目当日出荷可能 |
|
450円 ( 495円 ) | 在庫品1日目当日出荷可能 |
|
450円 ( 495円 ) | 在庫品1日目当日出荷可能 |
|
520円 ( 572円 ) | 在庫品1日目当日出荷可能 |
|
220円 ( 242円 ) | 在庫品1日目当日出荷可能 |
|
290円 ( 319円 ) | 在庫品1日目当日出荷可能 |
|
300円 ( 330円 ) | 在庫品1日目当日出荷可能 |
|
300円 ( 330円 ) | 在庫品1日目当日出荷可能 |
|
300円 ( 330円 ) | 在庫品1日目当日出荷可能 |
|
290円 ( 319円 ) | 在庫品1日目当日出荷可能 |
|
340円 ( 374円 ) | 在庫品1日目当日出荷可能 |
|
220円 ( 242円 ) | 在庫品1日目当日出荷可能 |
|
205円 ( 226円 ) | 在庫品1日目当日出荷可能 |
|
205円 ( 226円 ) | 在庫品1日目当日出荷可能 |
|
290円 ( 319円 ) | 在庫品1日目当日出荷可能 |
|
340円 ( 374円 ) | 在庫品1日目当日出荷可能 |
|
300円 ( 330円 ) | 在庫品1日目当日出荷可能 |
|
340円 ( 374円 ) | 在庫品1日目当日出荷可能 |



通常価格、通常出荷日が表示と異なる場合がございます
通常価格、通常出荷日が表示と異なる場合がございます

NSK
単列深溝玉軸受(開放形/シール形/シールド形)
4.8通常価格(税別):195円~

ミスミ
深溝玉軸受 両シールド形
4.5通常価格(税別):180円~

NTN
深溝玉軸受
4.8通常価格(税別):319円~

ミスミ
小径玉軸受 両シールド形
4.8通常価格(税別):130円~

ミスミ
小径玉軸受 フランジ付両シールド形
4.7通常価格(税別):430円~

ミスミ
ステンレス小径玉軸受 両シールド形
4.8通常価格(税別):220円~

ミスミ
小径玉軸受 フランジ付両シールド形 ステンレス
4.3通常価格(税別):370円~

ミスミ
深溝玉軸受 両シールド形-ステンレス-
4.8通常価格(税別):500円~

NTN
ミニチュア玉軸受・小径玉軸受
4.6通常価格(税別):187円~