メカニカル部品技術窓口
ミスミ品のみ対象
従来の高硬度ステンレス、SUS316Lに加え、より硬度の高い高強度ステンレスを材質追加しました。SUS...
詳細を確認
| [ M ]材質 | [ H ]硬度 | 圧入 | 特徴 | |||
| D公差 | ||||||
| m6 | p6 | g6 | h7 | |||
| 高強度ステンレス | 55HRC~ | ZDSC | ZDSPC | ZDSGC | ZDSHC | SUS440Cと同等の硬度(55HRC~)でSUS440Cよりも 耐食性が優れたマルテンサイト系ステンレスです。 |
| 高硬度ステンレス* | 35HRC~ | ADSC | ADSPC | ADSGC | ADSHC | 硬度(35HRC~)と耐食性を兼ね備えた低コストでバランスの 取れたオーステナイト系ステンレスです。 |
| SUS316L | - | XDSC | XDSPC | XDSGC | XDSHC | SUS304の上位互換材質です。ローカーボンでよりサビにくく、 非磁性のオーステナイト系ステンレスです。 |
| 高硬度ステンレス (35HRC~) | SUS316L | SUS304 | |
| 試験前 | ![]() | ![]() | ![]() |
| 24hr | ![]() | ![]() | ![]() |
| 48hr | ![]() | ![]() | ![]() |
| 168hr | ![]() | ![]() | ![]() |
| 高強度ステンレス (55HRC~) | SUS440C相当 | SKS3相当(参考) | |
| 試験前 | ![]() | ![]() | ![]() |
| 24hr | ![]() | ![]() | ![]() |
| 48hr | ![]() | ![]() | ![]() |
| 168hr | - | - | - |
| 材質 | せん断荷重 | 硬度 |
| 高強度ステンレス | 33kN | 55HRC~ |
| 高硬度ステンレス | 26kN | 35HRC~ |
| SUS304 | 20kN | 10~20HRC |
| SKS3相当 | 33kN | 60~63HRC |
| SUS440C | 31kN | 50~55HRC |

| D又はP | m6 | p6 | g6 | h7 |
| 1.00~3.00 | +0.008 +0.002 | +0.012 +0.006 | −0.002 −0.008 | 0 −0.010 |
| 3.01~6.00 | +0.012 +0.004 | +0.020 +0.012 | −0.004 −0.012 | 0 −0.012 |
| 6.01~10.00 | +0.015 +0.006 | +0.024 +0.015 | −0.005 −0.014 | 0 −0.015 |
| 10.01~18.00 | +0.018 +0.007 | +0.029 +0.018 | −0.006 −0.017 | 0 −0.018 |
| 18.01~25.50 | +0.021 +0.008 | +0.035 +0.022 | -0.007 -0.020 | 0 -0.021 |
| Type | D | − | P | − | L | − | B | |
| ADSC | 5 | − | P3.98 | − | L6 | − | B3.0 |
| 型式 | P 指定0.01mm単位 | L 指定1mm単位 | B 指定0.1mm単位 | C | ℓ1 | ¥基準単価 | |||||
| Type | D | 高強度ステンレス | 高硬度ステンレス | SUS316L | |||||||
| 高強度ステンレス (55HRC~) ZDSC(m6) ZDSPC(p6) ZDSGC(g6) ZDSHC(h7) [ ! ]D≦18に適用 | 高硬度ステンレス (35HRC~) ADSC(m6) ADSPC(p6) ADSGC(g6) ADSHC(h7) | SUS316L XDSC(m6) XDSPC(p6) XDSGC(g6) XDSHC(h7) | 3 | 1.00~3.00 | 3~10 | 2.0~10.0 | 0.1 | 1 | 680 | 530 | 530 |
| 4 | 2.00~4.00 | 0.5 | 700 | 540 | 540 | ||||||
| 5 | 2.00~5.00 | 750 | 580 | 580 | |||||||
| 6 | 2.00~6.00 | 2.0~12.0 | 830 | 640 | 640 | ||||||
| 7 | 2.00~7.00 | 2.0~15.0 | 870 | 670 | 670 | ||||||
| 8 | 2.00~8.00 | 890 | 690 | 690 | |||||||
| 9 | 2.00~8.00 | 970 | 750 | 750 | |||||||
| 10 | 6.00~10.00 | 4~20 | 2.0~20.0 | 1 | 1,020 | 790 | 790 | ||||
| 11 | 6.00~11.00 | 1,050 | 810 | 810 | |||||||
| 12 | 6.00~12.00 | 1,070 | 830 | 830 | |||||||
| 13 | 6.00~13.00 | 1,130 | 870 | 870 | |||||||
| 15 | 6.00~15.00 | 1,240 | 960 | 960 | |||||||
| 16 | 6.00~16.00 | 1,310 | 1,010 | 1,010 | |||||||
| 18 | 6.00~18.00 | 12~30 | 7.0~30.0 | 1,540 | 1,190 | 1,190 | |||||
| 20 | 13.00~20.00 | 20~40 | - | 1,380 | 1,380 | ||||||
| 22 | 13.00~22.00 | - | 1,440 | 1,440 | |||||||
| 24 | 13.00~24.00 | - | 1,500 | 1,500 | |||||||
| 25 | 13.00~25.00 | - | 1,560 | 1,560 | |||||||
| 5 | 日目出荷 |
| Type | D | ー | P | − | L | − | B | ー | (AC・・・etc.) | |
| ADSC | 5 | − | P3.98 | − | L6 | − | B3.0 | − | AC |
| 追加工 コード | 追加工内容 | 適用条件 | \/1Code |
| AC | エアーベント(エアー抜き溝) 加工を追加 ![]() | [ ! ]D-3≦Pの時、B寸側にニゲ溝がつきます [ ! ]D≦3.0の時、C0.5以下になります | 200 |
| CN | C面取りサイズを変更![]() | P寸部C面取りをC0.5以下に変更します [ ! ]圧入 D≧4 [ ! ]めねじ D≧6 [ NG ]D寸部には適用しません | 無料 |
| 追加工 コード | 追加工内容 | 適用条件 | \/1Code | |||||||||||||||||||||||
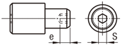
| RAC | 六角穴を追加![]() | [ ! ]S+3≦P-2 [ NG ]LACとの併用不可
| 600 | |||||||||||||||||||||||
| PM/PP PG/PH | P寸の公差を変更![]() | [ ! ]3日目出荷 [ ! ]数量スライド適用します
| 100 | |||||||||||||||||||||||
| 型番 |
|---|
通常単価(税別)
(税込単価) | 通常出荷日 |
クリーン洗浄・梱包済みでお届けします
|
|---|
- ( - ) | 3日目 |
|
- ( - ) | 3日目 |
|
- ( - ) | 3日目 |
|
- ( - ) | 3日目 |
|
- ( - ) | 3日目 |
|
- ( - ) | 3日目 |
|
- ( - ) | 3日目 |
|
- ( - ) | 3日目 |
|
- ( - ) | 3日目 |
|
- ( - ) | 3日目 |
|
- ( - ) | 3日目 |
|
- ( - ) | 3日目 |
|
- ( - ) | 3日目 |
|
- ( - ) | 3日目 |
|
- ( - ) | 3日目 |
|
- ( - ) | 3日目 |
|
- ( - ) | 3日目 |
|
- ( - ) | 3日目 |
|
- ( - ) | 3日目 |
|
- ( - ) | 3日目 |
|
- ( - ) | 3日目 |
|
- ( - ) | 3日目 |
|
- ( - ) | 3日目 |
|
- ( - ) | 3日目 |
|
- ( - ) | 3日目 |
|
- ( - ) | 3日目 |
|
- ( - ) | 3日目 |
|
- ( - ) | 3日目 |
|
- ( - ) | 3日目 |
|
- ( - ) | 3日目 |
|
- ( - ) | 3日目 |
|
- ( - ) | 3日目 |
|
- ( - ) | 3日目 |
|
- ( - ) | 3日目 |
|
- ( - ) | 3日目 |
|
- ( - ) | 3日目 |
|
- ( - ) | 3日目 |
|
- ( - ) | 3日目 |
|
- ( - ) | 3日目 |
|
- ( - ) | 3日目 |
|
- ( - ) | 3日目 |
|
- ( - ) | 3日目 |
|
- ( - ) | 3日目 |
|
- ( - ) | 3日目 |
|
- ( - ) | 3日目 |
|
- ( - ) | 3日目 |
|
- ( - ) | 3日目 |
|
- ( - ) | 3日目 |
|
- ( - ) | 3日目 |
|
- ( - ) | 3日目 |
|
- ( - ) | 3日目 |
|
- ( - ) | 3日目 |
|
- ( - ) | 3日目 |
|
- ( - ) | 3日目 |
|
- ( - ) | 3日目 |
|
- ( - ) | 3日目 |
|
- ( - ) | 3日目 |
|
- ( - ) | 3日目 |
|
- ( - ) | 3日目 |
|
- ( - ) | 3日目 |
従来の高硬度ステンレス、SUS316Lに加え、より硬度の高い高強度ステンレスを材質追加しました。
SUS316L:ローカーボンで腐食に強く、従来品よりもお求めやすい価格帯で提供します。
高強度ステンレス:SUS440Cと同等の硬度でSUS440Cよりも錆びにくい新材質です。
| 数量区分 | 標準対応 | 個別対応 | |||||
| 小口 | 大口 | 大口 | |||||
| 数 量 | 1~4 | 5~19 | 20~49 | 50~100 | 101~500 | 501~1000 | 1001以上 |
| 値引率 | 基準単価 | 5% | 15% | 20% | 30% | 50% | お見積り |
| 出荷日 | 通常 | +2日 | +4日 | ||||



通常価格、通常出荷日が表示と異なる場合がございます
通常価格、通常出荷日が表示と異なる場合がございます

ミスミ
位置決めピン 大頭テーパタイプ -圧入-
4.8通常価格(税別):340円~

ミスミ
位置決めピン 先端形状選択タイプ -おねじ-
4.5
ミスミ
位置決めピン 先端形状選択タイプ -めねじ(大頭/ストレート)-
4.6
ミスミ
位置決めピン 高耐食ステンレス(55・35HRC~/SUS316L)大頭テーパ 圧入
4.7
ミスミ
位置決めピン 大頭フラットタイプ -圧入-
4.6通常価格(税別):300円~

ミスミ
位置決めピン 高耐食ステンレス(55・35HRC~/SUS316L)R/テーパ/テーパR 全ねじ
4.4
ミスミ
位置決めピン -エアベント付めねじタイプ-
4.6通常価格(税別):170円~

ミスミ
位置決めピン 先端形状選択タイプ -全ねじ-
4.4
ミスミ
マーカーピン 六角穴付タイプ
4.4