メカニカル部品技術窓口
ミスミ品のみ対象
耐食性に優れたSUS316L材を追加しました。全長公差バラつき保証タイプは【長さ公差±0.05mm】と...
詳細を確認
| 精度 | L寸 | L寸公差 | L寸バラつき |
| 全長公差バラつき保証タイプ | 8≦L≦130 | ±0.05 | ±0.02 |
| 標準タイプ | 8≦L≦300 | ±0.1 | - |
| 300<L≦600 | ±0.3 | ||
| 600<L≦1000 | ±0.4 |
| 精度 | Type | [ M ]材質 | [ S ]表面処理 | |
| 標準 | スパナ溝付 | |||
| 全長公差バラつき保証タイプ | − | VPETKF | SS400相当 | 無電解ニッケルメッキ |
| − | VSETKF | SUS304 | − | |
| − | VUSETKF | SUS316L | − | |
| 標準タイプ | NETK | NETKF | SS400相当 | - |
| ETKK | ETKKF | 四三酸化鉄皮膜 | ||
| PETK | PETKF | 無電解ニッケルメッキ | ||
| SETK | SETKF | SUS304 | - | |
| AETK | AETKF | A2017-T4 | 白アルマイト | |
| ABETK | ABETKF | 黒アルマイト | ||
■支柱 おねじ逃げ部寸法(参考値)

| M | MC | g |
| 2.5 | 2 | 0.8 |
| 2.6 | 2.1 | |
| 3 | 2.4 | 1 |
| 4 | 3.2 | 1.2 |
| 5 | 4.1 | 1.5 |
| 6 | 4.4 | 2 |
| 8 | 6 | 3 |
| 10 | 7.7 | |
| 12 | 9.4 | 4 |
| 16 | 13 | |
| 20 | 16.4 | 5 |
| 24 | 19.6 |
| 型式 | − | L | − | SC | − | M | − | N | − | G | − | H |
| VPETKF10 | − | 100 | − | SC50 | − | M5 | − | N5 | − | G4 | − | H2 |
| ETKK10 | − | 200 | − | M5 | − | N5 | ||||||
| ETKKF10 | − | 200 | − | SC150 | − | M5 | − | N5 | − | G4 | − | H2 |
| 種類 | 型式 | 標準対応 | 個別対応 | ||||
| 2〜 | 100〜 | 300〜 | 500〜 | 1000〜 | 3001〜 | ||
| 全長公差バラつき保証タイプ | VSETKF8-100-SC10-M4-N4-G3-H3 | 1,700 | 1,530 | 970 | 920 | 870 | 870 |
| 標準タイプ | SETKF8-100-SC10-M4-N4-G3-H3-LKC-LVC | 2,310 | 2,310 | 2,310 | 2,310 | 2,310 | 2,310 |
| プライスダウン率 | ▲26% | ▲34% | ▲58% | ▲60% | ▲62% | ▲62% | |
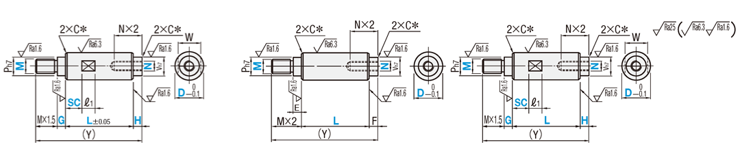
| 型式 | D | L 指定0.1mm単位 | SC 指定0.5mm単位 | M(並目)おねじ選択 | N(並目)めねじ選択 | G 指定1mm単位 | H 指定1mm単位 | P | V | W | ℓ1 | ||||||||||
| Type | |||||||||||||||||||||
| SS400相当 VPETKF SUS304 VSETKF SUS316L VUSETKF | 8 | 15.0-130.0 | 0-122.0 | 3 | 4 | 5 | 3 | 4 | 2〜 4 | 2〜 4 | 6 | 6 | 7 | 8 | |||||||
| 10 | 20.0-130.0 | 0-122.0 | 3 | 4 | 5 | 6 | 3 | 4 | 5 | 2〜 5 | 2〜 5 | 8 | 8 | 8 | |||||||
| 12 | 25.0-130.0 | 0-120.0 | 4 | 5 | 6 | 8 | 4 | 5 | 6 | 2〜 6 | 2〜 6 | 10 | 10 | 10 | 10 | ||||||
| 15 | 30.0-130.0 | 0-120.0 | 5 | 6 | 8 | 10 | 5 | 6 | 8 | 2〜 8 | 2〜 8 | 12 | 12 | 13 | |||||||
| 20 | 40.0-130.0 | 0-120.0 | 5 | 6 | 8 | 10 | 5 | 6 | 8 | 10 | 2〜10 | 2〜10 | 16 | 16 | 17 | ||||||
型式 | D | L 指定0.1mm単位 | SC 指定0.5mm単位 スパナ溝付のみ | M(並目)おねじ選択 *はインロー部&スパナ溝指定のみ選択可能です | N(並目)めねじ選択 | G 指定1mm単位 インロー部指定のみ | H 指定1mm単位 インロー部指定のみ | E | F | P | V | W | ℓ1 | ||||||||||||||||
Type | |||||||||||||||||||||||||||||
インロー部固定 SS400相当 NETK ETKK PETK SUS304 SETK A2017 AETK (D≦20) ABETK (D≦20,Y≦500) | インロー部& スパナ溝指定 SS400相当 NETKF ETKKF PETKF SUS304 SETKF A2017 AETKF (D≦20) ABETKF (D≦20,Y≦500) | 8 | 20.0〜370.0 | 0〜362.0 | 3 | 4 | 5 | 3 | 4 | 2〜 4 | 2〜 4 | 2 | 4 | 6 | 6 | 7 | 8 | ||||||||||||
10 | 20.0〜560.0(491.5) | 0〜552.0(483.5) | 3 | 4 | 5 | 6 | 3 | 4 | 5 | 2〜 5 | 2〜 5 | 2 | 5 | 8 | 8 | 8 | |||||||||||||
12 | 25.0〜650.0(490.0) | 0〜640.0(480.0) | 4 | 5 | 6 | 8 | 4 | 5 | 6 | 2〜 6 | 2〜 6 | 3 | 6 | 10 | 10 | 10 | 10 | ||||||||||||
15 | 30.0〜740.0(488.5) | 0〜730.0(478.5) | 5 | 6 | 8 | 10 | 5 | 6 | 8 | 2〜 8 | 2〜 8 | 4 | 8 | 12 | 12 | 13 | |||||||||||||
20 | 40.0〜730.0(488.5) | 0〜720.0(478.5) | 5 | 6 | 8 | 10 | 12 | 16 | 5 | 6 | 8 | 10 | 12 | 2〜10 | 2〜10 | 5 | 10 | 16 | 16 | 17 | |||||||||
25 | 60.0〜810.0 | 0〜800.0 | 5 | 6 | 8 | 10 | 12 | 16 | 20 | 5 | 6 | 8 | 10 | 12 | 16 | 2〜12 | 2〜12 | 6 | 12 | 20 | 20 | 22 | |||||||
30 | 60.0〜900.0 | 0〜885.0 | *5 | 6 | 8 | 10 | 12 | 16 | 20 | 5 | 6 | 8 | 10 | 12 | 16 | 2〜16 | 2〜16 | 7 | 16 | 24 | 24 | 27 | 15 | ||||||
| 型式 | − | L | − | SC | − | M | − | N | − | G | − | H | − | (LKC・SC・NPC・NVC…etc.) |
| NETK10 | − | 200.1 | − | M5 | − | N5 | − | LKC − PKH7 − VKH7 |
| Alterations | L寸公差変更 | 全長(L寸)精度変更 | めねじ部有効長変更 | スパナ溝加工 | ||||||||||||||||||||||||||||||||||||||||||||||||||
![]() | ![]() | ![]() | ![]() | |||||||||||||||||||||||||||||||||||||||||||||||||||
| Code | LKC | LVC | MD ND | SC | ||||||||||||||||||||||||||||||||||||||||||||||||||
| Spec. | L寸法公差は以下のようになります。 指定方法 LKC LKC使用時、L寸単位0.1mm指定可
[ NG ]全長公差バラつき保証タイプは標準でL寸公差±0.05㎜以内のため適用不可 | 複数注文時、各L寸法のバラつきを ±0.02mm以内に致します。 指定方法 LVC [ ! ]1明細行のご注文数量に上限があります。 [ NG ]L≧200、L寸固定、黒アルマイトは適用不可 [ NG ]全長公差バラつき保証タイプは標準でL寸バラつき±0.02㎜以内のため適用不可 | めねじ部の有効長をM(N)×3に 変更します。 指定方法 MD6/ND6 (MをMD・NをNDに変更) ND×4≦L+F(H) | SC=指定1mm単位 [ ! ]SC≧0 指定方法 SC10 [ ! ]インロー部固定のみ適用 |
| |||||||||||||||||||||||||||||||||||||||||||||||||
| ¥/1Code | 400 | 50 | 200 | 400 | ||||||||||||||||||||||||||||||||||||||||||||||||||
| Alterations | V部インローカット | P部インローカット | インロー部径指定 | インロー長さ変更 | 六角レンチ用通し穴 | |||||||||||||||||||||||||||||||||||||||||||||||||
![]() | ![]() | ![]() | ![]() | ![]() | ||||||||||||||||||||||||||||||||||||||||||||||||||
| Code | NVC | NPC | PKH VKH | GLC HLC | HL | |||||||||||||||||||||||||||||||||||||||||||||||||
| Spec. | Nねじ側のVインロー部の加工を 行いません。 指定方法 NVC [ NG ]NPCとの併用不可 [ ! ]インロー部&スパナ溝指定の場合、H2で指定して下さい。ただし、H実寸法は0となり、L寸法は指定寸法通りとなります。 | Mねじ側のPインロー部の加工を 行いません。 指定方法 NPC [ NG ]NVCとの併用不可 [ ! ]インロー部&スパナ溝指定の場合、G2で指定して下さい。ただし、G実寸法は0となり、L寸法は指定寸法通りとなります。 | インロー部径を指定できます。 指定1mm単位 指定方法 PHK8 VKH15
[ NG ]D=8適用不可 | インロー部長さを指定できます。 指定0.5mm単位 指定方法 GLC15 HLC15 [ ! ]2.5≦GLC<Gmax×2.5 2.5≦HLC<Hmax×2.5 [ NG ]インロー固定は指定不可 | HL=指定1mm単位 指定方法 HL10 [ ! ]d/2+5≦HL≦L-(d/2+5)
の位置につきます。 | |||||||||||||||||||||||||||||||||||||||||||||||||
| ¥/1Code | -300 | -300 | 200 | 200 | 400 | |||||||||||||||||||||||||||||||||||||||||||||||||
| 材質 / 表面処理 | 対面幅B | 追加工LVC 1明細行あたり上限数量 |
| 一般構造用鋼 / 処理なし 一般構造用鋼 / 四三酸化鉄被膜 一般構造用鋼 / 無電解ニッケルメッキ SUS304 | 6~20 | 100本/明細行 |
| 5、25~50 | 20本/明細行 | |
| 一般構造用鋼 / 三価クロメート(黒色) A2017-T4 / 白アルマイト | 5~50 |
| 型番 |
|---|
通常単価(税別)
(税込単価) | 通常出荷日 |
|---|
- ( - ) | 16日目 |
- ( - ) | 16日目 |
- ( - ) | 16日目 |
- ( - ) | 16日目 |
- ( - ) | 16日目 |
- ( - ) | 16日目 |
- ( - ) | 16日目 |
- ( - ) | 16日目 |
- ( - ) | 16日目 |
- ( - ) | 16日目 |
- ( - ) | 16日目 |
- ( - ) | 16日目 |
- ( - ) | 16日目 |
- ( - ) | 16日目 |
- ( - ) | 16日目 |
- ( - ) | 16日目 |
- ( - ) | 16日目 |
- ( - ) | 16日目 |
- ( - ) | 16日目 |
- ( - ) | 16日目 |
- ( - ) | 16日目 |
- ( - ) | 16日目 |
- ( - ) | 16日目 |
- ( - ) | 16日目 |
- ( - ) | 16日目 |
- ( - ) | 16日目 |
- ( - ) | 16日目 |
- ( - ) | 16日目 |
- ( - ) | 16日目 |
- ( - ) | 16日目 |
- ( - ) | 16日目 |
- ( - ) | 16日目 |
- ( - ) | 16日目 |
- ( - ) | 16日目 |
- ( - ) | 16日目 |
- ( - ) | 16日目 |
- ( - ) | 16日目 |
- ( - ) | 16日目 |
- ( - ) | 16日目 |
- ( - ) | 16日目 |
- ( - ) | 16日目 |
- ( - ) | 16日目 |
- ( - ) | 16日目 |
- ( - ) | 16日目 |
- ( - ) | 16日目 |
- ( - ) | 16日目 |
- ( - ) | 16日目 |
- ( - ) | 16日目 |
- ( - ) | 16日目 |
- ( - ) | 16日目 |
- ( - ) | 16日目 |
- ( - ) | 16日目 |
- ( - ) | 16日目 |
- ( - ) | 16日目 |
- ( - ) | 16日目 |
- ( - ) | 16日目 |
- ( - ) | 16日目 |
- ( - ) | 16日目 |
- ( - ) | 16日目 |
- ( - ) | 16日目 |
耐食性に優れたSUS316L材を追加しました。
全長公差バラつき保証タイプは【長さ公差±0.05mm】と【長さバラつき±0.02mm】を標準で保証した規格となります。
既存追加工のLVC+LKCをご希望の場合は、全長公差バラつき保証タイプで安価にご購入いただけます。
| Type | D | ¥基準単価 | ||||||||
| SS400相当 無電解ニッケルメッキ VPETKF | SUS304 VSETKF | SUS316L VUSETKF | ||||||||
| 最短L 〜50 | L50.1 ~100 | L100.1 ~130 | 最短L 〜50 | L50.1 ~100 | L100.1 ~130 | 最短L 〜50 | L50.1 ~100 | L100.1 ~130 | ||
| VPETKF VSETKF VUSETKF | 8 | 1,590 | 1,600 | 1,610 | 1,610 | 1,700 | 1,770 | 2,420 | 2,550 | 2,660 |
| 10 | 1,610 | 1,620 | 1,630 | 1,660 | 1,740 | 1,810 | 2,490 | 2,610 | 2,720 | |
| 12 | 1,650 | 1,750 | 1,880 | 1,850 | 2,070 | 2,290 | 2,780 | 3,110 | 3,440 | |
| 15 | 1,740 | 1,910 | 2,060 | 2,280 | 2,510 | 2,750 | 3,420 | 3,770 | 4,130 | |
| 20 | 2,070 | 2,300 | 2,520 | 2,830 | 3,180 | 3,520 | 4,250 | 4,770 | 5,280 | |
| 型式 | ¥基準単価 | |||||||||
| Type | D | 最短L ~50 | L50.1 ~100 | L100.1 ~150 | L150.1 ~200 | L200.1 ~300 | L300.1 ~400 | L400.1 ~600 | L600.1 ~800 | L800.1 ~1000 |
| SS400相当 NETK NETKF *インロー部& スパナ溝指定 は右記価格 表に+420円 | 8 | 870 | 880 | 890 | 900 | 900 | 910 | - | - | - |
| 10 | 890 | 900 | 910 | 920 | 920 | 930 | 1,200 | - | - | |
| 12 | 900 | 1,000 | 1,090 | 1,190 | 1,280 | 1,550 | 1,820 | 2,310 | - | |
| 15 | 1,000 | 1,100 | 1,210 | 1,310 | 1,420 | 1,680 | 1,940 | 2,440 | - | |
| 20 | 1,110 | 1,250 | 1,380 | 1,510 | 1,640 | 1,870 | 2,100 | 2,590 | - | |
| 25 | - | 1,500 | 1,620 | 1,730 | 1,850 | 2,060 | 2,260 | 2,750 | 3,240 | |
| 30 | - | 1,900 | 2,050 | 2,190 | 2,340 | 2,770 | 3,190 | 3,440 | 3,700 | |
| SS400相当 四三酸化鉄皮膜 ETKK ETKKF *インロー部& スパナ溝指定 は右記価格 表に+420円 | 8 | 970 | 980 | 990 | 1,000 | 1,000 | 1,010 | - | - | - |
| 10 | 990 | 1,000 | 1,010 | 1,020 | 1,020 | 1,030 | 1,320 | - | - | |
| 12 | 1,000 | 1,100 | 1,210 | 1,310 | 1,420 | 1,710 | 2,010 | 2,760 | - | |
| 15 | 1,090 | 1,220 | 1,330 | 1,450 | 1,560 | 1,860 | 2,140 | 2,900 | - | |
| 20 | 1,240 | 1,390 | 1,530 | 1,680 | 1,820 | 2,080 | 2,330 | 3,090 | - | |
| 25 | - | 1,690 | 1,840 | 2,000 | 2,140 | 2,450 | 2,740 | 3,500 | 4,250 | |
| 30 | - | 2,210 | 2,400 | 2,610 | 2,810 | 3,360 | 3,910 | 4,310 | 4,700 | |
| SS400相当 無電解ニッケルメッキ PETK PETKF *インロー部& スパナ溝指定 は右記価格 表に+420円 | 8 | 1,090 | 1,100 | 1,110 | 1,120 | 1,130 | 1,140 | - | - | - |
| 10 | 1,110 | 1,120 | 1,130 | 1,140 | 1,160 | 1,170 | 1,510 | - | - | |
| 12 | 1,110 | 1,240 | 1,370 | 1,490 | 1,610 | 1,960 | 2,310 | 3,530 | - | |
| 15 | 1,230 | 1,390 | 1,540 | 1,700 | 1,860 | 2,220 | 2,570 | 3,790 | - | |
| 20 | 1,550 | 1,770 | 1,980 | 2,190 | 2,400 | 2,820 | 3,240 | 4,460 | - | |
| 25 | - | 2,220 | 2,470 | 2,720 | 2,970 | 3,440 | 3,910 | 5,120 | 6,340 | |
| 30 | - | 2,910 | 3,220 | 3,550 | 3,860 | 4,650 | 5,430 | 6,220 | 7,000 | |
| SUS304 SETK SETKF *インロー部& スパナ溝指定 は右記価格 表に+420円 | 8 | 1,110 | 1,190 | 1,260 | 1,330 | 1,400 | 1,460 | - | - | - |
| 10 | 1,160 | 1,230 | 1,300 | 1,380 | 1,440 | 1,500 | 2,180 | - | - | |
| 12 | 1,340 | 1,550 | 1,760 | 1,970 | 2,180 | 2,870 | 3,550 | 5,550 | - | |
| 15 | 1,750 | 1,970 | 2,190 | 2,420 | 2,630 | 3,510 | 4,380 | 6,380 | - | |
| 20 | 2,270 | 2,600 | 2,930 | 3,260 | 3,580 | 4,390 | 5,200 | 7,200 | - | |
| 25 | - | 3,710 | 4,100 | 4,480 | 4,870 | 5,640 | 6,410 | 8,410 | 10,420 | |
| 30 | - | 5,100 | 5,570 | 6,040 | 6,500 | 7,900 | 9,280 | 10,370 | 11,470 | |
| A2017 白アルマイト(×1.0) AETK AETKF 黒アルマイト(×1.1) ABETK ABETKF *インロー部& スパナ溝指定 は右記価格 表に+420円 | 8 | 1,200 | 1,210 | 1,220 | 1,230 | 1,230 | 1,240 | - | - | - |
| 10 | 1,340 | 1,350 | 1,370 | 1,380 | 1,730 | 1,730 | 2,250 | - | - | |
| 12 | 1,480 | 1,630 | 1,790 | 1,930 | 2,000 | 2,370 | 2,680 | 4,080 | - | |
| 15 | 1,690 | 1,850 | 2,000 | 2,150 | 2,160 | 2,530 | 2,960 | 4,360 | - | |
| 20 | 1,910 | 2,140 | 2,360 | 2,570 | 2,630 | 3,060 | 3,410 | 4,680 | - | |




通常価格、通常出荷日が表示と異なる場合がございます
通常価格、通常出荷日が表示と異なる場合がございます

ミスミ
六角支柱-片端おねじ片端めねじ【全長公差バラつき保証タイプ・標準タイプ】
4.5
ミスミ
六角支柱-両端めねじ【全長公差バラつき保証タイプ・標準タイプ】
4.6
ミスミ
円形支柱-両端めねじ【全長公差バラつき保証タイプ・標準タイプ】
4.6
ミスミ
円形支柱-片端おねじ片端めねじ【全長公差バラつき保証タイプ・標準タイプ】
4.5
ミスミ
六角支柱-並目ねじ径長さ指定片端おねじ片端めねじ-
4.5
ミスミ
【黄銅・SUS・鉄】 金属スペーサー(小径六角支柱) 片端おねじ片端めねじ
4.6通常価格(税別):31円~

ミスミ
円形支柱-片端おねじ-【全長公差バラつき保証タイプ・標準タイプ】
4.5
ミスミ
【エコノミーシリーズ】 RoHS対応 六角支柱 片端おねじ・片端めねじタイプ
4.7通常価格(税別):165円~

ミスミ
円形支柱-片端めねじ-【全長公差バラつき保証タイプ・標準タイプ】
4.5