メカニカル部品技術窓口
ミスミ品のみ対象
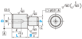
小頭フラットタイプの各部寸法に加え、両端部公差もご指定いただけます。

P<3の場合
a=0.5
d=P-0.1
[ ! ]逃げ部寸法は参考値になります。
P≧3の場合
a=1.0
d=P-0.2

[ ! ]D=Pのとき
ニゲ溝がつきません。
(ⅰ)D=Pで公差が異なる場合
(ⅱ)D=Pで公差が同じ場合
(L+B)は一般公差になります。

| 材質 No. | [ M ]材質 | [ S ]表面処理 | [ H ]硬度 | Type |
| めねじ | ||||
| ① | SKS3相当 | − | 焼入硬度 60〜63HRC | KFFSTA |
| ② | SKS3相当 | 硬質クロムメッキ | 焼入硬度 50〜55HRC メッキ硬度 750HV〜 | GKFFSTA |
| ③ | SKS3相当 | − | − | BKFFSTA |
| ④ | SUS304 | − | − | SKFFSTA |
| ⑥ | SUS440Cまたは 13Crステンレス | − | 焼入硬度 50〜55HRC | CKFFSTA |
| 型式 | − | P | − | L | − | B | ||||||
| Type | D公差 | P公差 | D | |||||||||
| KFFSTA | G | S | 10 | − | P8.00 | − | L12 | − | B8.0 | |||
| D 又は P | 並級 | ||||
| M | P | G | H | S | |
| m6 | p6 | g6 | h7 | − | |
| 4.00 〜 6.00 | +0.012 +0.004 | +0.020 +0.012 | −0.004 −0.012 | 0 − 0.012 | 0 − 0.01 |
| 6.01 〜 10.00 | +0.015 +0.006 | +0.024 +0.015 | −0.005 −0.014 | 0 − 0.015 | |
| 10.01 〜 18.00 | +0.018 +0.007 | +0.029 +0.018 | −0.006 −0.017 | 0 − 0.018 | |
| 18.01 〜 30.00 | +0.021 +0.008 | +0.035 +0.022 | −0.007 −0.020 | 0 − 0.021 | |
| 型式 | P 指定0.01mm単位 | L 指定1mm単位 | B 指定0.1mm単位 | M (並目) | *締付 トルク N・cm | ℓ | C | |||
| Type | D公差 選択 | P公差 選択 | D | |||||||
| KFFSTA GKFFSTA BKFFSTA SKFFSTA CKFFSTA | M P G H | S M P G H | 6 | 4.00〜6.00 | 8〜17 | 4.0〜15.0 | M3 | 98 | 5 | 0.5 |
| 6T | M2.6 | − | 4 | |||||||
| 8 | 6.00〜8.00 | 11〜21 | 6.0〜30.0 | M5 | 461 | 8 | 1 | |||
| 8T | M4 | 225 | 6 | |||||||
| 10 | 7.00〜10.00 | 11〜23 | 6.0〜30.0 | M5 | 461 | 8 | ||||
| 12 | 7.00〜12.00 | 12〜24 | 6.0〜30.0 | 1.5 | ||||||
| 13 | 8.00〜13.00 | 13〜26 | 6.0〜30.0 | M8 | 1911 | 10 | 2 | |||
| 16 | 10.00〜16.00 | 16〜32 | 7.0〜30.0 | 12 | 3 | |||||
| 20 | 13.00〜20.00 | 20〜40 | 7.0〜30.0 | |||||||
| 5 | 日目出荷 |
| 追加工 コード | 追加工内容 | 適用条件 | 指定例 | \/1Code | ||||||||||||||||||||
| GDC | 導入部を追加![]() | 導入部を追加します。 [ NG ]D≦2適用不可
| KFFSTAGS10-P8.00-L10-B8.0-GDC | 200 | ||||||||||||||||||||
| RC | 首元R加工を追加![]() | 首元の逃げをR0.5に変更します。 [ ! ]D-P≧2の場合に適用 | KFFSTAGS10-P8.00-L10-B8.0-RC | 300 | ||||||||||||||||||||
| AC | エアーベント(エアー抜き溝) 加工を追加 ![]() | エアー抜き溝加工を追加します。 | KFFSTAGS10-P8.00-L10-B8.0-AC | 200 | ||||||||||||||||||||
| CN | C面取りのサイズ変更![]() | P寸部C面取りをC0.5以下に変更します。 [ ! ]圧入D≧4 めねじD≧8の場合に適用 [ NG ]D寸法には適用不可 | KFFSTAGS10-P8.00-L10-B8.0-CN | 無料 | ||||||||||||||||||||
| LAC | レンチ穴を追加![]() | レンチ穴を追加します。 [ ! ]D≧8に適用 [ NG ]圧入は適用不可 [ ! ]RCとの併用不可
レンチ穴寸法
| KFFSTAGS10-P8.00-L10-B8.0-LAC | 300 |
| 型番 |
|---|
通常単価(税別)
(税込単価) | 通常出荷日 |
|---|
- ( - ) | 2日目 |
- ( - ) | 2日目 |
- ( - ) | 2日目 |
- ( - ) | 2日目 |
- ( - ) | 2日目 |
- ( - ) | 2日目 |
- ( - ) | 2日目 |
- ( - ) | 2日目 |
- ( - ) | 2日目 |
- ( - ) | 2日目 |
- ( - ) | 2日目 |
- ( - ) | 2日目 |
- ( - ) | 2日目 |
- ( - ) | 2日目 |
- ( - ) | 2日目 |
- ( - ) | 2日目 |
- ( - ) | 2日目 |
- ( - ) | 2日目 |
- ( - ) | 2日目 |
- ( - ) | 2日目 |
- ( - ) | 2日目 |
- ( - ) | 2日目 |
- ( - ) | 2日目 |
- ( - ) | 2日目 |
- ( - ) | 2日目 |
- ( - ) | 2日目 |
- ( - ) | 2日目 |
- ( - ) | 2日目 |
- ( - ) | 2日目 |
- ( - ) | 2日目 |
- ( - ) | 2日目 |
- ( - ) | 2日目 |
- ( - ) | 2日目 |
- ( - ) | 2日目 |
- ( - ) | 2日目 |
- ( - ) | 2日目 |
- ( - ) | 2日目 |
- ( - ) | 2日目 |
- ( - ) | 2日目 |
- ( - ) | 2日目 |
- ( - ) | 2日目 |
- ( - ) | 2日目 |
- ( - ) | 2日目 |
- ( - ) | 2日目 |
- ( - ) | 2日目 |
- ( - ) | 2日目 |
- ( - ) | 2日目 |
- ( - ) | 2日目 |
- ( - ) | 2日目 |
- ( - ) | 2日目 |
- ( - ) | 2日目 |
- ( - ) | 2日目 |
- ( - ) | 2日目 |
- ( - ) | 2日目 |
- ( - ) | 2日目 |
- ( - ) | 2日目 |
- ( - ) | 2日目 |
- ( - ) | 2日目 |
- ( - ) | 2日目 |
- ( - ) | 2日目 |
小頭フラットタイプの各部寸法に加え、両端部公差もご指定いただけます。
| D | ¥基準単価 並級 | ||||
| ①SKS3焼 KFFSTA | ②SKS3硬質 GKFFSTA | ③SKS3 BKFFSTA | ④SUS304 SKFFSTA | ⑥SUS440Cまたは 13Crステンレス CKFFSTA | |
| 6 | 1,550 | 2,090 | 1,410 | 2,330 | 2,560 |
| 6T | 1,550 | 2,090 | 1,410 | 2,330 | 2,560 |
| 8 | 1,630 | 2,190 | 1,470 | 2,440 | 2,680 |
| 8T | 1,630 | 2,190 | 1,470 | 2,440 | 2,680 |
| 10 | 1,680 | 2,270 | 1,510 | 2,520 | 2,770 |
| 12 | 1,750 | 2,360 | 1,590 | 2,630 | 2,890 |
| 13 | 1,820 | 2,450 | 1,640 | 2,720 | 2,990 |
| 16 | 2,320 | 3,130 | 2,090 | 3,480 | 3,820 |
| 20 | 2,870 | 3,860 | 2,580 | 4,290 | 4,730 |
| 数量区分 | 標準対応 | 個別対応 | ||||
| 小口 | 大口 | 大口 | ||||
| 数 量 | 1〜19 | 20〜34 | 35〜49 | 50〜100 | 101~300 | 301~ |
| 値引率 | 基準単価 | 5% | 10% | 18% | 23% | お見積り |
| 出荷日 | 通常 | +7日 | ||||
| 数量区分 | 標準対応 | 個別対応 | |||||
| 小口 | 大口 | 大口 | |||||
| 数 量 | 1〜19 | 20〜34 | 35〜49 | 50〜100 | 101~300 | 301~500 | 501~ |
| 値引率 | 基準単価 | 5% | 10% | 18% | 40% | 55% | お見積り |
| 出荷日 | 通常 | +5日 | |||||
通常価格、通常出荷日が表示と異なる場合がございます
通常価格、通常出荷日が表示と異なる場合がございます

ミスミ
位置決めピン 大頭テーパタイプ -圧入-
4.8通常価格(税別):340円~

ミスミ
位置決めピン 先端形状選択タイプ -おねじ-
4.5
ミスミ
位置決めピン 高耐食ステンレス(55・35HRC~/SUS316L)大頭テーパ 圧入
4.7
ミスミ
位置決めピン 先端形状選択タイプ -めねじ(大頭/ストレート)-
4.6
ミスミ
位置決めピン 高耐食ステンレス(55・35HRC~/SUS316L)R/テーパ/テーパR 全ねじ
4.4
ミスミ
位置決めピン 大頭テーパタイプ-テーパ角度指定・公差選択・圧入-
4.4
ミスミ
マーカーピン 六角穴付タイプ
4.4
ミスミ
位置決めピン 大頭フラットタイプ -圧入-
4.6通常価格(税別):300円~

ミスミ
位置決めピン 小頭テーパタイプ -圧入-
4.5通常価格(税別):300円~