メカニカル部品技術窓口
大頭・小頭の止めねじタイプです。全周溝・切欠き・平面取り形状からお選びいただけます。
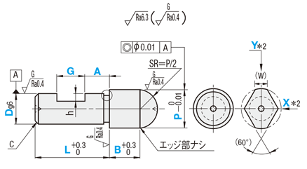
●平面取り形状
(丸)
(ダイヤ)

[ ! ]L>G+A+1
*2 切欠き・平面取り形状のダイヤの場合、止めねじの位置をX・Yより選択できます。
D(P)≧3の場合
a=1.0
d=D(P)-0.2
[ ! ]逃げ部寸法は参考値になります。
D(P)<3の場合
a=0.5
d=D(P)-0.1

[ ! ]D<Pの場合(大頭)
[ ! ]D=Pの場合(ストレート)
[ ! ]D>Pの場合(小頭)
*ダイヤ形状はニゲ溝がつきます。

[ ! ]SUS440Cまたは13CrステンレスはL寸が短い場合を除き、D部に識別用の溝がつきます。
| 材質 No. | [ M ]材質 | [ S ]表面処理 | [ H ]硬度 | Type | |
| 丸 | ダイヤ | ||||
| ① | SKS3相当 | − | 焼入硬度 60〜63HRC | JPDQS | JPDQD |
| 型式 | − | P | − | L | − | B | − | G | − | A | − | 廻り止め位置 |
| JPDQD8 | − | P5.05 | − | L15 | − | B10.1 | − | G4 | − | A8.0 | − | Y |
| 型式 | P 指定0.01mm単位 | L 指定1mm単位 | B 指定0.1mm単位 | G 指定1mm単位 | A 指定0.1mm単位 | 廻り止め位置 | h | C | 適用 止めねじ | (W) | ||||
| Type | 形状 | D | D寸公差g6 | D<Pの場合 | D≧Pの場合 | |||||||||
| (平面取り) JPDQ | S(丸) D(ダイヤ) | 6 | −0.004 −0.012 | 5.00〜10.00 | 12〜20 | 5.0〜20.0(15.0) | 3〜9 | 2.0〜8.0 | X Y [ ! ]ダイヤ形状 のみ適用 | 1 | 1 | M4 | 3 | 1.5 |
| 8 | −0.005 −0.014 | 5.00〜13.00 | 14〜22 | 5.0〜30.0(15.0) | 2.0〜12.0 | 1.2 | 1.5 | M5 | 3.5 | 1.8 | ||||
| 10 | −0.005 −0.014 | 5.00〜15.00 | 15〜25 | 5.0〜30.0(15.0) | 2.0〜16.0 | 1.2 | 2 | M6 | 4 | 2.2 | ||||
| 12 | −0.006 −0.017 | 5.00〜16.00 | 15〜25 | 2.0〜20.0 | 1.2 | 2 | M6 | 5 | 2.5 | |||||
| 16 | −0.006 −0.017 | 10.00〜25.00 | 24〜35 | 5.0〜30.0 | 2.0〜28.0 | 2 | 3 | M8 | 7 | 4 | ||||
| 20 | −0.007 −0.020 | 13.00〜30.00 | 27〜40 | 2.0〜36.0 | 2 | 3 | M8 | 9 | 5 | |||||
| 型番 |
|---|
通常単価(税別)
(税込単価) | 通常出荷日 |
|---|
- ( - ) | 3日目 |
- ( - ) | 3日目 |
- ( - ) | 3日目 |
- ( - ) | 3日目 |
- ( - ) | 3日目 |
- ( - ) | 3日目 |
- ( - ) | 3日目 |
- ( - ) | 3日目 |
- ( - ) | 3日目 |
- ( - ) | 3日目 |
- ( - ) | 3日目 |
- ( - ) | 3日目 |
大頭・小頭の止めねじタイプです。全周溝・切欠き・平面取り形状からお選びいただけます。
| D | ¥基準単価 丸形状 | ¥基準単価 ダイヤ形状 |
| ①SKS3焼 JPDQS | ①SKS3焼 JPDQD | |
| 6 | 1,390 | 1,810 |
| 8 | 1,450 | 1,870 |
| 10 | 1,490 | 1,950 |
| 12 | 1,550 | 2,000 |
| 16 | 2,070 | 2,550 |
| 20 | 2,550 | 3,030 |
| 数量区分 | 標準対応 | 個別対応 | |||
| 小口 | 大口 | ||||
| 数 量 | 1~19 | 20~34 | 35~49 | 50~100 | 101~ |
| 値引率 | 基準単価 | 5% | 10% | 23% | お見積り |



通常価格、通常出荷日が表示と異なる場合がございます
通常価格、通常出荷日が表示と異なる場合がございます

ミスミ
位置決めピン 大頭テーパタイプ -圧入-
4.8通常価格(税別):340円~

ミスミ
位置決めピン 大頭フラットタイプ -圧入-
4.6通常価格(税別):300円~

ミスミ
位置決めピン 高耐食ステンレス(55・35HRC~/SUS316L)大頭テーパ 圧入
4.7
ミスミ
位置決めピン 先端形状選択タイプ -おねじ-
4.5
ミスミ
位置決めピン 先端形状選択タイプ -めねじ(大頭/ストレート)-
4.6
ミスミ
位置決めピン 先端形状選択タイプ -全ねじ-
4.4
ミスミ
位置決めピン 高耐食ステンレス(55・35HRC~/SUS316L)R/テーパ/テーパR 全ねじ
4.4
ミスミ
位置決めピン 小頭テーパタイプ -圧入-
4.5通常価格(税別):300円~

ミスミ
マーカーピン 六角穴付タイプ
4.4