メカニカル部品技術窓口
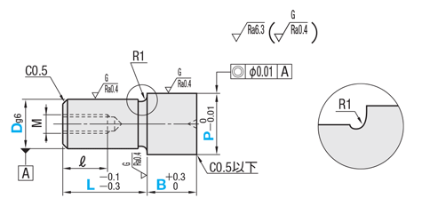
横方向からの荷重加わるシーンを想定して研磨逃げ溝形状を変更し、折損しにくい形状でご用意しました。

| 材質 No. | [ M ]材質 | [ S ]表面処理 | [ H ]硬度 | Type |
| めねじ | ||||
| ① | SCM415 | − | 浸炭焼入 55HRC〜(深度0.7〜0.8) | FPYTM |
| ② | SUS304 | − | − | SFPYTM |
| 型式 | − | P | − | L | − | B |
| FPYTM10 | − | P15.00 | − | L15 | − | B10.0 |
| 型式 | P 指定0.01mm単位 | L 指定1mm単位 | B 指定0.1mm単位 | M (並目) | *締付トルク N・cm | ℓ | ||
| Type | D | D寸公差g6 | ||||||
| FPYTM SFPYTM | 6 | −0.004 −0.012 | 10.00〜13.00 | 9〜12 | 2.0〜15.0 | M2.6 | ー | 4 |
| 8 | −0.005 −0.014 | 12.00〜15.00 | 12〜16 | 3.0〜20.0 | M4 | 225 | 6 | |
| 10 | 14.00〜16.00 | 12〜20 | 3.0〜30.0 | M5 | 461 | 8 | ||
| 12 | −0.006 −0.017 | 16.00〜18.00 | 12〜24 | 5.0〜30.0 | ||||
| 13 | 17.00〜20.00 | 16〜26 | 5.0〜30.0 | M8 | 1911 | 12 | ||
| 16 | 20.00〜25.00 | 16〜32 | 5.0〜35.0 | |||||
| 20 | −0.007 −0.020 | 24.00〜30.00 | 20〜40 | 5.0〜40.0 | ||||
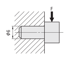
| 材質 | 静的降伏荷重(KN) | |
| 逃シ | R1 | |
| SCM415浸炭焼入 | 18.8 | 21.3 |
| 型番 |
|---|
通常単価(税別)
(税込単価) | 通常出荷日 |
クリーン洗浄・梱包済みでお届けします
|
|---|
- ( - ) | 5日目 |
- |
- ( - ) | 5日目 |
- |
- ( - ) | 5日目 |
- |
- ( - ) | 5日目 |
- |
- ( - ) | 5日目 |
- |
- ( - ) | 5日目 |
- |
- ( - ) | 5日目 |
- |
- ( - ) | 3日目 |
|
- ( - ) | 3日目 |
|
- ( - ) | 3日目 |
|
- ( - ) | 3日目 |
|
- ( - ) | 3日目 |
|
- ( - ) | 3日目 |
|
- ( - ) | 3日目 |
横方向からの荷重加わるシーンを想定して研磨逃げ溝形状を変更し、折損しにくい形状でご用意しました。
| 型式 | ¥基準単価 | ||
| Type | D | ①SCM415浸炭焼 FPYTM | ②SUS304 SFPYTM |
| FPYTM SFPYTM | 6 | 1,560 | 1,810 |
| 8 | 1,620 | 1,870 | |
| 10 | 1,680 | 1,940 | |
| 12 | 1,730 | 2,090 | |
| 13 | 1,790 | 2,470 | |
| 16 | 2,250 | 2,530 | |
| 20 | 2,570 | 3,120 | |
| 数量区分 | 標準対応 | 個別対応 | |||
| 小口 | 大口 | ||||
| 数 量 | 1〜19 | 20〜34 | 35〜49 | 50〜100 | 101~ |
| 値引率 | 基準単価 | 5% | 10% | 23% | お見積り |
| 出荷日 | 通常 | ||||




通常価格、通常出荷日が表示と異なる場合がございます
通常価格、通常出荷日が表示と異なる場合がございます

ミスミ
位置決めピン 大頭テーパタイプ -圧入-
4.8通常価格(税別):340円~

ミスミ
位置決めピン 高耐食ステンレス(55・35HRC~/SUS316L)大頭テーパ 圧入
4.7
ミスミ
位置決めピン 大頭フラットタイプ -圧入-
4.6通常価格(税別):300円~

ミスミ
位置決めピン 先端形状選択タイプ -おねじ-
4.5
ミスミ
位置決めピン 高耐食ステンレス(55・35HRC~/SUS316L)R/テーパ/テーパR 全ねじ
4.4
ミスミ
位置決めピン 先端形状選択タイプ -めねじ(大頭/ストレート)-
4.6
ミスミ
位置決めピン 大頭テーパタイプ -おねじ-
4.5通常価格(税別):580円~

ミスミ
位置決めピン -エアベント付めねじタイプ-
4.6通常価格(税別):170円~

ミスミ
位置決めピン 先端形状選択タイプ -全ねじ-
4.4