メカニカル部品技術窓口
簡易位置決めに最適 増速機構を埋め込み、従来の2.5倍の早さで送ることが可能です。New!!! FAカ...
詳細を確認
| ハンドル種類A | ハンドル種類B | |
![]() | ![]() |
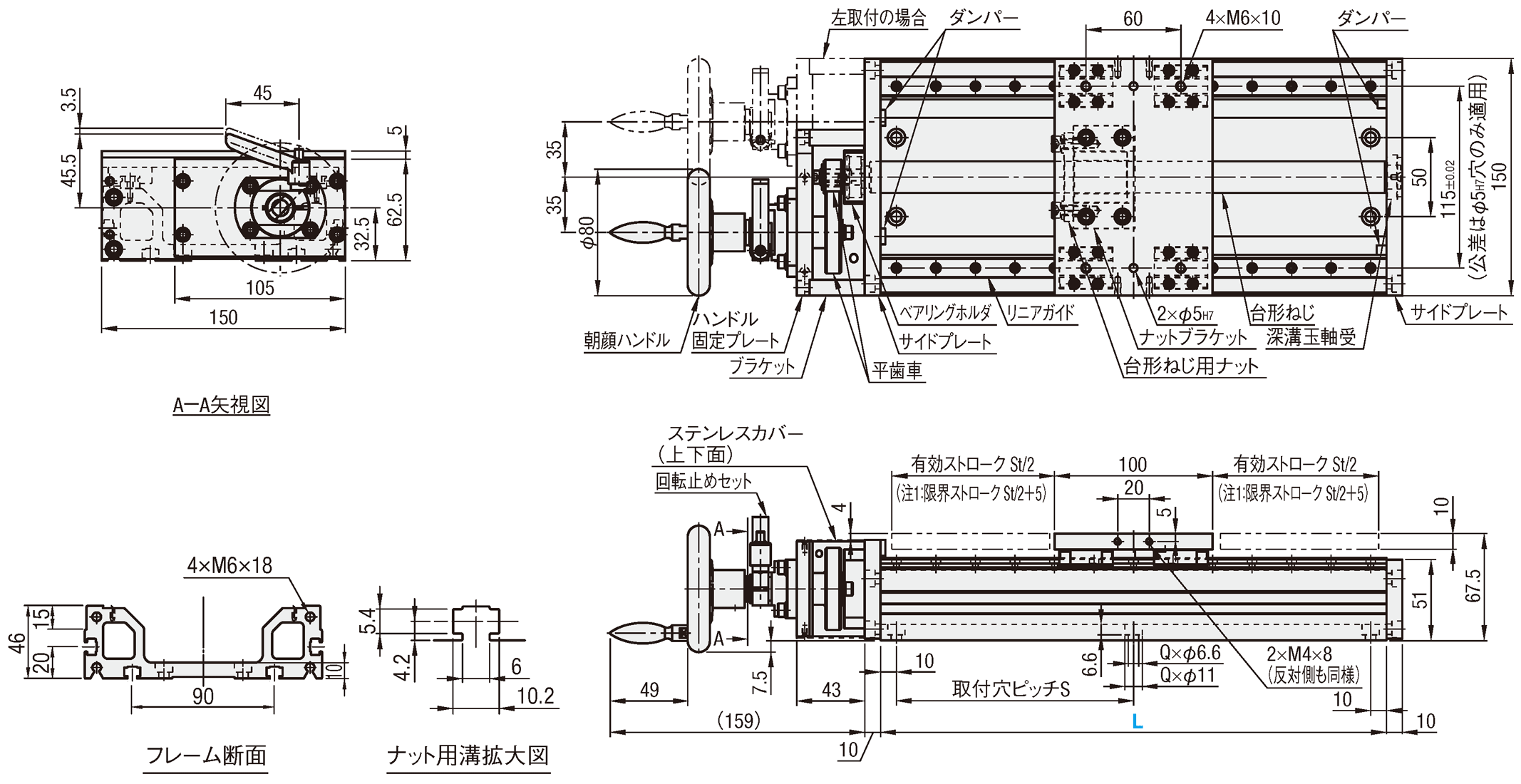
| 部品 | フレーム | テーブル | 台形ねじ | 台形ねじ用ナット |
| [ M ]材質 | アルミ合金 | アルミ合金 | S45C | 黄銅 |
| [ S ]表面処理 | 白アルマイト | 白アルマイト | 四三酸化鉄皮膜 | - |
| 部品 | ナットブラケット | サイドプレート | 平歯車 | カバー |
| [ M ]材質 | アルミ合金 | アルミ合金 | S45C | SUS304HL |
| [ S ]表面処理 | 白アルマイト | 白アルマイト | - | - |
| 型式 | − | ハンドル種類 | − | ハンドル位置 | − | L |
| KUEHS20 | − | A | − | L | − | 320 |
| 型式 | ハンドル種類 | ハンドル位置 | フレーム長さ L(mm) | 有効 ストローク St(mm) | ハンドル 1回転での テーブル 移動量 | 台形ねじ | 許容荷重(N) | 許容モーメント(N・m) | フレーム取付穴 | 質量(kg) | ||||||||
| Type | No. | ねじ径 | リード | 水平 | 垂直 | Ma | Mb | Mc | S | Q (穴数) | ハンドル種類 | |||||||
| A | B | C | ||||||||||||||||
| KUEHS | 20 | Aプラハンドル Bプラハンドル 折りたたみタイプ C朝顔ハンドル | R右取付 L左取付 | 320 | 203 | 10 | 20 | 4 | 490 | 98 | 14 | 14 | 27 | 150 | 6 | 6.2 | 6.2 | 6.2 |
| 370 | 253 | 175 | 6 | 6.7 | 6.7 | 6.7 | ||||||||||||
| 420 | 303 | 200 | 6 | 7.2 | 7.2 | 7.2 | ||||||||||||
| 470 | 353 | 150 | 8 | 7.7 | 7.7 | 7.7 | ||||||||||||
[ ! ]増速ギヤ機構を埋め込み、従来の2.5倍の早さで送ることが可能です。(ギヤ比 2.5:1)
ハンドル1回転でねじ軸が2.5回転することにより、リード4mmの2.5倍10mm進みます。
| 型番 |
|---|
通常単価(税別)
(税込単価) | 通常出荷日 |
|---|
- ( - ) | 16日目 |
- ( - ) | 16日目 |
- ( - ) | 16日目 |
- ( - ) | 16日目 |
- ( - ) | 16日目 |
- ( - ) | 16日目 |
簡易位置決めに最適 増速機構を埋め込み、従来の2.5倍の早さで送ることが可能です。New!!! FAカメラ位置調整 特設ページリリースのお知らせ『実験用』から『量産機』まで、幅広い用途で役立つ商品や事例をご紹介しています。
ダウンロード可能な3D CADや部品表を使って、設計時間の短縮にお役立てください。
| 型式 | ハンドル 種類 | ¥基準単価 1〜2台 | ||||
| Type | No. | L=320 | L=370 | L=420 | L=470 | |
| KUEHS | 20 | A | 74,660 | 77,390 | 80,330 | 83,060 |
| B | 75,180 | 77,910 | 80,850 | 83,580 | ||
| C | 76,440 | 79,170 | 82,110 | 84,840 | ||
| 8 | 日目出荷 |
| 数量区分 | 標準対応 | 個別対応 |
| 小口 | 大口 | |
| 数 量 | 1~2 | 3~ |
| 出荷日 | 通常 | お見積り |
| ■精度 | ■平行度図 | ■モーメント図 | ||||||||
| ![]() | ![]() |
| ■必要トルク・必要回転力 | ■回転力図 | |||||||||||||||||||
| ![]() | |||||||||||||||||||
通常価格、通常出荷日が表示と異なる場合がございます
通常価格、通常出荷日が表示と異なる場合がございます

ミスミ
【簡易調整】X軸 送りねじ式 ストローク選択タイプ シャフトスライド
4.7
ミスミ
手動ユニット スタンダード
5
ミスミ
【簡易調整】X軸 押しねじ式 スタンダードタイプ
4.5通常価格(税別):4,590円~

ミスミ
【簡易調整】X軸 送りねじ式 スタンダードタイプ
4.5通常価格(税別):4,990円~

ミスミ
【簡易調整】X軸 重荷重シャフトガイドユニット
4.6通常価格(税別):24,080円~

ミスミ
【簡易調整】X軸 ラック&ピニオン式 スタンダードタイプ 並級/精級
5通常価格(税別):5,890円~

ミスミ
【簡易調整】X軸 左右ねじ式 開閉幅調整ユニット
4通常価格(税別):21,190円~

ミスミ
【簡易調整】X軸 送りねじ式 キーガイドユニット
4通常価格(税別):5,530円~

ミスミ
【簡易調整】X軸 送りねじ式 大リードタイプ
0通常価格(税別):11,090円~