メカニカル部品技術窓口
ミスミ品のみ対象
【2024年新商品】サイズを追加しました!任意の角度で保持ができるトルク蝶番です。六角トルクレンチでト...
詳細を確認NO.5
5-25
NO.6
8
8-6
NO.8-45
8-50
8-60



| 部品名 | [ M ]材質 | [ S ]表面処理 |
| 本体 | A6063 | アルマイト処理 |
| ブッシュ | ポリアセタール(白) | − |
| 六角穴付ボルト | SUSXM7 | − |
| 型式 |
| HHPTFN8 |
| 型式 | *定格トルク | 質量 (g) | S | P1 | P2 | J | *適用ボルト・ナット | 白アルマイト | 黒アルマイト | |||||||||
| Type | No. | N・m | kgf・cm | ボルト | 個数 | ナット | 個数 | ¥基準単価 | ¥基準単価 | |||||||||
| HHPTF HHPTFB | 5 | 0~2 | 0~20 | 24 | 21 | 10.5 | 10.5 | 9.5 | CBM5-6 | 4 | HNTT5-5 | 4 | 1,000 | 1,060 | ||||
| 5−25 | 26 | 13 | 13 | 7 | CBM5-6 | 4 | HNTT5-5 | 4 | ||||||||||
| 6 | 0〜4.9 | 0〜50 | 54 | 32 | 16 | 16 | 13.5 | CBM6−10 | 4 | HNTT6−6 | 4 | 1,260 | 1,363 | |||||
| 8−6 | 37 | 16 | 21 | 13.5 | CBM6−10 | 2 | HNTT6−6 | 2 | ||||||||||
| CBM6−12 | 2 | HNTT8−6 | 2 | |||||||||||||||
| 8 | 42 | 21 | 21 | 8.5 | CBM6−12 | 4 | HNTT8−6 | 4 | ||||||||||
| 8−45 | 0~7.2 | 0~73 | 113 | 47 | 23.5 | 23.5 | 19 | CBM6-12 | 4 | HNTT8-6 | 4 | 1,680 | 1,750 | |||||
| 8−50 | 52 | 26 | 26 | 16.5 | CBM6-12 | 4 | HNTT8-6 | 4 | ||||||||||
| 8−60 | 62 | 31 | 31 | 11.5 | CBM6-12 | 4 | HNTT8-6 | 4 | ||||||||||
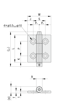
| 型式 | *定格トルク | 質量 (g) | L | (L1) | W | K | P | S | P1 | P2 | J | R | T | t | (H) | *適用ボルト・ナット | 白アルマイト | 黒アルマイト | |||||||||
| Type | No. | N・m | kgf・cm | ボルト | 個数 | ナット | 個数 | ¥基準単価 | ¥基準単価 | ||||||||||||||||||
| HHPTFN HHPTFBN | 5 | 0~2 | 0~20 | 24 | 47 | (60) | 40 | 11 | 25 | 21 | 10.5 | 10.5 | 9.5 | 10.2 | 3.5 | 2 | (11) | CBM5-6 | 4 | HNTT5-5 | 4 | 1,000 | 1,060 | ||||
| 5−25 | 26 | 13 | 13 | 7 | CBM5-6 | 4 | HNTT5-5 | 4 | |||||||||||||||||||
| 6 | 0〜4.9 | 0〜50 | 60 | 60 | (75) | 59 | 10 | 40 | 32 | 16 | 16 | 13.5 | 18 | (18.5) | CBM6−10 | 4 | HNTT6−6 | 4 | 1,260 | 1,363 | |||||||
| 8−6 | 37 | 16 | 21 | 13.5 | CBM6−10 | 2 | HNTT6−6 | 2 | |||||||||||||||||||
| CBM6−12 | 2 | HNTT8−6 | 2 | ||||||||||||||||||||||||
| 8 | 42 | 21 | 21 | 8.5 | CBM6−12 | 4 | HNTT8−6 | 4 | |||||||||||||||||||
| 8−45 | 0~7.2 | 0~73 | 113 | 65 | (79) | 85 | 11 | 43 | 47 | 23.5 | 23.5 | 19 | 24 | 4.5 | 3 | (24.5) | CBM6-12 | 4 | HNTT8-6 | 4 | 1,680 | 1,750 | |||||
| 8−50 | 52 | 26 | 26 | 16.5 | CBM6-12 | 4 | HNTT8-6 | 4 | |||||||||||||||||||
| 8−60 | 62 | 31 | 31 | 11.5 | CBM6-12 | 4 | HNTT8-6 | 4 | |||||||||||||||||||
注文例
| 型式 | - | 追加工型番 |
| HHPTFN8-6 | - | SEU |
| Alterations | Code | Spec. | ||||||
| 適用ボルト ナットセット | SET SEP SEU SST SSP SSU | Code | ボルト | ナット | ||||
| Type | 材質 | Spec | Type | 材質 | Spec | |||
| SET | CBM | 鉄 | 六角穴付ボルト | HNTT | 鉄 | 先入れナット | ||
| SEP | HNTP | 後入れバネナット | ||||||
| SEU | HNTU | 先入れバネナット | ||||||
| SST | SCB | ステンレス | HNTTSN | ステンレス | 先入れナット | |||
| SSP | SHNTP | 後入れバネナット | ||||||
| SSU | SHNTU | 先入れバネナット | ||||||
| 蝶番 | No. | 対応 フレーム | ¥/1Code | |||||
| SET | SEP | SEU | SST | SSP | SSU | |||
| HHPTF HHPTFB HHPTFN HHPTFBN | 5 | 5 | 315 | 360 | 380 | 305 | 385 | 460 |
| 5−25 | 5−25 | |||||||
| 6 | 6 | 211 | 287 | 310 | 275 | 586 | 690 | |
| 8−6 | 8・6 | 224 | 299 | 327 | 292 | 597 | 697 | |
| 8 | 8 | 262 | 310 | 339 | 304 | 609 | 702 | |
| 8−45 | 8−45 | 325 | 380 | 410 | 265 | 345 | 435 | |
| 8−50 | 8−50 | |||||||
| 8−60 | 8−60 | |||||||
[ ! ]重量選定目安表に従い調整しながら締付ください。(過度の締付は破損する恐れがあります。)
| No. | 使用六角レンチ |
| 5、5-25 | M4 |
| 6、8-6、8 | M5 |
| 8-45、8-50、8-60 | M6 |
No.5、5-25
No.6、8-6、8
No.8-45、8-50
8-60
※HHPTF、HHPTFB、HHPTFN、HHPTFBN蝶番は共通トルク製品の為、
本扉寸法重量選定目安表を参考にねじ締付にて
トルクを適切調整の上でご使用ください。
表はあくまでも目安です。ご使用に際しては必ず現品にて
検証をお願いいたします。
| L(蓋寸法) | |||||||||||||||||||||
| 質 量 kg | 0.10 | 0.15 | 0.20 | 0.25 | 0.30 | 0.35 | 0.40 | 0.45 | 0.50 | 0.55 | 0.60 | 0.65 | 0.70 | 0.75 | 0.80 | 0.85 | 0.90 | 0.95 | 1.00 | 1.05 | |
| 0.1 | |||||||||||||||||||||
| 0.2 | |||||||||||||||||||||
| 0.3 | |||||||||||||||||||||
| 0.4 | |||||||||||||||||||||
| 0.5 | |||||||||||||||||||||
| 0.6 | |||||||||||||||||||||
| 0.7 | |||||||||||||||||||||
| 0.8 | |||||||||||||||||||||
| 0.9 | |||||||||||||||||||||
| 1.0 | |||||||||||||||||||||
| 1.1 | |||||||||||||||||||||
| 1.2 | |||||||||||||||||||||
| 1.3 | |||||||||||||||||||||
| 1.4 | |||||||||||||||||||||
| 1.5 | |||||||||||||||||||||
| 1.6 | |||||||||||||||||||||
| 1.7 | |||||||||||||||||||||
| 1.8 | |||||||||||||||||||||
| 1.9 | |||||||||||||||||||||
| 2.0 | |||||||||||||||||||||
| 2.1 | |||||||||||||||||||||
| 2.2 | |||||||||||||||||||||
| 2.3 | |||||||||||||||||||||
| 2.4 | |||||||||||||||||||||
| 2.5 | |||||||||||||||||||||
| 2.6 | |||||||||||||||||||||
| 2.7 | |||||||||||||||||||||
| 2.8 | |||||||||||||||||||||
| 2.9 | |||||||||||||||||||||
| 3.0 | |||||||||||||||||||||
| 3.1 | |||||||||||||||||||||
| 3.2 | |||||||||||||||||||||
| 3.3 | |||||||||||||||||||||
| 3.4 | |||||||||||||||||||||
| 3.5 | |||||||||||||||||||||
| 3.6 | |||||||||||||||||||||
| 3.7 | |||||||||||||||||||||
| 3.8 | |||||||||||||||||||||
| 3.9 | |||||||||||||||||||||
| 4.0 | |||||||||||||||||||||
m(蓋の質量)

| 型番 |
|---|
通常単価(税別)
(税込単価) | 通常出荷日 |
クリーン洗浄・梱包済みでお届けします
|
|---|
1,000円 ( 1,100円 ) | 在庫品1日目当日出荷可能 |
- |
1,000円 ( 1,100円 ) | 在庫品1日目当日出荷可能 |
- |
1,720円 ( 1,892円 ) | 在庫品1日目当日出荷可能 |
- |
1,675円 ( 1,843円 ) | 在庫品1日目当日出荷可能 |
- |
1,740円 ( 1,914円 ) | 在庫品1日目当日出荷可能 |
- |
1,540円 ( 1,694円 ) | 在庫品1日目当日出荷可能 |
- |
1,460円 ( 1,606円 ) | 在庫品1日目当日出荷可能 |
- |
1,615円 ( 1,777円 ) | 在庫品1日目当日出荷可能 |
- |
1,720円 ( 1,892円 ) | 在庫品1日目当日出荷可能 |
- |
1,675円 ( 1,843円 ) | 在庫品1日目当日出荷可能 |
- |
1,740円 ( 1,914円 ) | 在庫品1日目当日出荷可能 |
- |
1,440円 ( 1,584円 ) | 在庫品1日目当日出荷可能 |
- |
1,360円 ( 1,496円 ) | 在庫品1日目当日出荷可能 |
- |
1,510円 ( 1,661円 ) | 在庫品1日目当日出荷可能 |
- |
1,260円 ( 1,386円 ) | 在庫品1日目当日出荷可能 |
- |
1,960円 ( 2,156円 ) | 在庫品1日目当日出荷可能 |
- |
1,912円 ( 2,103円 ) | 在庫品1日目当日出荷可能 |
- |
2,000円 ( 2,200円 ) | 在庫品1日目当日出荷可能 |
- |
1,660円 ( 1,826円 ) | 在庫品1日目当日出荷可能 |
|
1,610円 ( 1,771円 ) | 在庫品1日目当日出荷可能 |
- |
1,780円 ( 1,958円 ) | 在庫品1日目当日出荷可能 |
|
1,260円 ( 1,386円 ) | 在庫品1日目当日出荷可能 |
- |
1,260円 ( 1,386円 ) | 在庫品1日目当日出荷可能 |
- |
1,975円 ( 2,173円 ) | 在庫品1日目当日出荷可能 |
- |
1,929円 ( 2,122円 ) | 在庫品1日目当日出荷可能 |
- |
2,010円 ( 2,211円 ) | 在庫品1日目当日出荷可能 |
- |
2,385円 ( 2,624円 ) | 在庫品1日目当日出荷可能 |
|
2,018円 ( 2,220円 ) | 在庫品1日目当日出荷可能 |
- |
2,490円 ( 2,739円 ) | 在庫品1日目当日出荷可能 |
|
1,680円 ( 1,848円 ) | 在庫品1日目当日出荷可能 |
- |
2,410円 ( 2,651円 ) | 在庫品1日目当日出荷可能 |
- |
2,360円 ( 2,596円 ) | 在庫品1日目当日出荷可能 |
- |
2,440円 ( 2,684円 ) | 在庫品1日目当日出荷可能 |
- |
2,125円 ( 2,338円 ) | 在庫品1日目当日出荷可能 |
- |
2,045円 ( 2,250円 ) | 在庫品1日目当日出荷可能 |
- |
2,215円 ( 2,437円 ) | 在庫品1日目当日出荷可能 |
- |
1,680円 ( 1,848円 ) | 在庫品1日目当日出荷可能 |
- |
2,410円 ( 2,651円 ) | 在庫品1日目当日出荷可能 |
- |
2,360円 ( 2,596円 ) | 在庫品1日目当日出荷可能 |
- |
2,440円 ( 2,684円 ) | 在庫品1日目当日出荷可能 |
- |
2,125円 ( 2,338円 ) | 在庫品1日目当日出荷可能 |
- |
2,045円 ( 2,250円 ) | 在庫品1日目当日出荷可能 |
- |
2,215円 ( 2,437円 ) | 在庫品1日目当日出荷可能 |
- |
1,680円 ( 1,848円 ) | 在庫品1日目当日出荷可能 |
- |
2,410円 ( 2,651円 ) | 在庫品1日目当日出荷可能 |
- |
2,360円 ( 2,596円 ) | 在庫品1日目当日出荷可能 |
- |
2,440円 ( 2,684円 ) | 在庫品1日目当日出荷可能 |
- |
2,125円 ( 2,338円 ) | 在庫品1日目当日出荷可能 |
- |
2,045円 ( 2,250円 ) | 在庫品1日目当日出荷可能 |
- |
2,215円 ( 2,437円 ) | 在庫品1日目当日出荷可能 |
- |
1,990円 ( 2,189円 ) | 在庫品1日目当日出荷可能 |
- |
1,940円 ( 2,134円 ) | 在庫品1日目当日出荷可能 |
- |
2,020円 ( 2,222円 ) | 在庫品1日目当日出荷可能 |
- |
1,705円 ( 1,876円 ) | 在庫品1日目当日出荷可能 |
|
1,625円 ( 1,788円 ) | 在庫品1日目当日出荷可能 |
- |
1,795円 ( 1,975円 ) | 在庫品1日目当日出荷可能 |
|
1,060円 ( 1,166円 ) | 在庫品1日目当日出荷可能 |
- |
1,060円 ( 1,166円 ) | 在庫品1日目当日出荷可能 |
- |
1,780円 ( 1,958円 ) | 在庫品1日目当日出荷可能 |
- |
1,735円 ( 1,909円 ) | 在庫品1日目当日出荷可能 |
- |
【2024年新商品】サイズを追加しました!
任意の角度で保持ができるトルク蝶番です。六角トルクレンチでトルク値を調整できるため、扉のサイズに応じてトルクの強弱の設定が可能です。
重量選定目安表に従い調整しながら締め付けしてください。



ミスミからのコメント
貴重なご意見をいただきありがとうございます。 扉の形状と質量が、定格トルクの範囲であることをご確認願います。 ご不明点がございましたら弊社技術相談窓口へお問い合わせ願います。
通常価格、通常出荷日が表示と異なる場合がございます
通常価格、通常出荷日が表示と異なる場合がございます

ミスミ
アルミ蝶番・異形アルミ蝶番
4.4通常価格(税別):416円~

ミスミ
平型蝶番 ステンレス・スチール
4.5通常価格(税別):520円~

ミスミ
アルミ抜差し蝶番 ザグリ穴タイプ
4.8通常価格(税別):457円~

ミスミ
ハタ蝶番・異形用ハタ蝶番
4.8通常価格(税別):352円~

ミスミ
蝶番用ナット
5通常価格(税別):254円~

ミスミ
ステンレス抜差し蝶番 簡単抜差しタイプ
4.8通常価格(税別):595円~

ミスミ
トルク蝶番 トルク調整タイプ
4通常価格(税別):1,000円~

ミスミ
アルミ抜差し蝶番
3通常価格(税別):560円~

ミスミ
アルミ蝶番 ショートタイプ・ロングタイプ
4.5通常価格(税別):410円~