メカニカル部品技術窓口
お客様の使用条件に合わせた潤滑剤をお選び頂く際にご使用ください。

B6□□
BR□□
BR□□□
[ ! ]出荷時、グリースは封入されていません。ご使用の際には、グリースを封入してご使用ください。
軸受精度 JIS B 1514 0級
技術データのラジアル軸受(等級0級)の許容差及び許容値を参照願います。>>こちら
| 型式 |
| B605 BR126 |
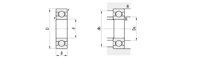
| 型式 | d | D | B | r (min) | 基本定格荷重 | 許容回転数 rpm (参考) | 取付関係寸法 | 質量 (g) (参考) | ¥基準単価 | |||
| Cr(動) N | Co(静) N | Ds (min) | dh (max) | R (max) | ||||||||
| B683 | 3 | 7 | 2 | 0.1 | 311 | 112 | 63000 | 3.85 | 6.35 | 0.1 | 0.32 | 260 |
| B603 | 9 | 3 | 0.15 | 571 | 189 | 56000 | 4.35 | 7.9 | 0.15 | 0.84 | 190 | |
| B623 | 10 | 4 | 631 | 219 | 50000 | 4.35 | 7.98 | 1.45 | ||||
| B634 | 4 | 16 | 5 | 0.3 | 1340 | 523 | 36000 | 6.7 | 13 | 0.3 | 5.24 | 150 |
| B605 | 5 | 14 | 0.2 | 1329 | 507 | 40000 | 6.9 | 12.2 | 0.2 | 3.46 | 110 | |
| B625 | 16 | 0.3 | 1729 | 675 | 36000 | 7.5 | 13.8 | 0.3 | 4.95 | |||
| B606 | 6 | 17 | 6 | 0.3 | 2263 | 846 | 38000 | 8.2 | 14.8 | 5.94 | ||
| B626 | 19 | 2336 | 896 | 32000 | 8.5 | 16.5 | 8.12 | 120 | ||||
| B608 | 8 | 22 | 7 | 3293 | 1379 | 34000 | 10.5 | 19.03 | 11.8 | |||
| B628 | 24 | 8 | 3333 | 1423 | 28000 | 11.9 | 19.9 | 17.1 | 130 | |||
| 型式 | d | D | B | r (min) | 基本定格荷重 | 許容回転数 rpm (参考) | 取付関係寸法 | 質量 (g) (参考) | ¥基準単価 | |||
| Cr(動) N | Co(静) N | Ds (min) | dh (max) | R (max) | ||||||||
| BR63 | 3 | 6 | 2 | 0.1 | 209 | 74 | 71000 | 3.7 | 4.9 | 0.1 | 0.2 | 290 |
| BR74 | 4 | 7 | 311 | 115 | 60000 | 4.75 | 6.25 | 0.23 | 300 | |||
| BR84 | 8 | 0.15 | 395 | 141 | 56000 | 5 | 6.8 | 0.39 | 290 | |||
| BR104 | 10 | 3 | 0.2 | 711 | 272 | 48000 | 6.15 | 8.35 | 0.15 | 0.96 | ||
| BR85 | 5 | 8 | 2 | 0.1 | 308 | 120 | 53000 | 5.75 | 7.25 | 0.1 | 0.25 | 320 |
| BR95 | 9 | 2.5 | 0.15 | 431 | 169 | 50000 | 6 | 7.8 | 0.15 | 0.54 | ||
| BR105 | 10 | 3 | 431 | 169 | 0.78 | 0.91 | 290 | |||||
| BR106 | 6 | 2.5 | 496 | 218 | 45000 | 7.04 | 8.9 | 0.1 | 0.55 | 270 | ||
| BR126 | 12 | 3 | 0.2 | 714 | 295 | 43000 | 7.73 | 10.19 | 0.15 | 1.25 | ||
| BR128 | 8 | 12 | 2.5 | 0.15 | 543 | 274 | 40000 | 9.05 | 10.9 | 0.1 | 0.7 | 280 |
| BR148 | 14 | 3.5 | 0.2 | 817 | 386 | 38000 | 9.86 | 12.19 | 0.15 | 1.9 | 290 | |
| 形式 | 開放形 | 両シールド形(ZZ) | 非接触ゴムシール形(VV) | 接触ゴムシール形(DDU) |
| 密封型の摩擦トルク | - | 小 | 小 | 大 シールが接触しているため |
| 高速性 | ○ | ○ | ○ | △ |
| 防塵性 | × | △ | ○ | ◎ |
| 防水性 | × | × | × | ○ 飛沫程度の条件下で利用可 |
| 使用温度 | 潤滑材による | −10 〜 110℃ | −10 〜 100℃ | |
軸受の技術データは下記のリンクをご参照ください。
通常単価(税別)
(税込単価) | 通常出荷日 |
|---|
190円 ( 209円 ) | 在庫品1日目当日出荷可能 |
110円 ( 121円 ) | 在庫品1日目当日出荷可能 |
110円 ( 121円 ) | 在庫品1日目当日出荷可能 |
120円 ( 132円 ) | 在庫品1日目当日出荷可能 |
190円 ( 209円 ) | 在庫品1日目当日出荷可能 |
110円 ( 121円 ) | 在庫品1日目当日出荷可能 |
120円 ( 132円 ) | 在庫品1日目当日出荷可能 |
130円 ( 143円 ) | 在庫品1日目当日出荷可能 |
150円 ( 165円 ) | 在庫品1日目当日出荷可能 |
260円 ( 286円 ) | 在庫品1日目当日出荷可能 |
290円 ( 319円 ) | 在庫品1日目当日出荷可能 |
300円 ( 330円 ) | 在庫品1日目当日出荷可能 |
290円 ( 319円 ) | 在庫品1日目当日出荷可能 |
320円 ( 352円 ) | 在庫品1日目当日出荷可能 |
320円 ( 352円 ) | 在庫品1日目当日出荷可能 |
290円 ( 319円 ) | 在庫品1日目当日出荷可能 |
290円 ( 319円 ) | 在庫品1日目当日出荷可能 |
270円 ( 297円 ) | 在庫品1日目当日出荷可能 |
270円 ( 297円 ) | 在庫品1日目当日出荷可能 |
280円 ( 308円 ) | 在庫品1日目当日出荷可能 |
290円 ( 319円 ) | 在庫品1日目当日出荷可能 |
お客様の使用条件に合わせた潤滑剤をお選び頂く際にご使用ください。



通常価格、通常出荷日が表示と異なる場合がございます
通常価格、通常出荷日が表示と異なる場合がございます

NSK
単列深溝玉軸受(開放形/シール形/シールド形)
4.8通常価格(税別):195円~

ミスミ
深溝玉軸受 両シールド形
4.5通常価格(税別):180円~

NTN
深溝玉軸受
4.8通常価格(税別):319円~

ミスミ
小径玉軸受 両シールド形
4.8通常価格(税別):130円~

ミスミ
小径玉軸受 フランジ付両シールド形
4.7通常価格(税別):430円~

ミスミ
ステンレス小径玉軸受 両シールド形
4.8通常価格(税別):220円~

ミスミ
小径玉軸受 フランジ付両シールド形 ステンレス
4.3通常価格(税別):370円~

ミスミ
深溝玉軸受 両シールド形-ステンレス-
4.8通常価格(税別):500円~

NTN
ミニチュア玉軸受・小径玉軸受
4.6通常価格(税別):187円~