メカニカル部品技術窓口
ミスミ品のみ対象
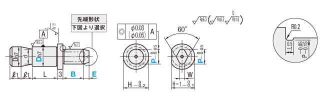
【用途】治具用位置決めピン並級ツバ付タイプです。【特長】先端形状は2種類から選択可能です。止めねじタイ...
詳細を確認(丸)
(ダイヤ)
研磨逃げ溝

| 先端形状選択 | |
| A形状 | B形状 |
![]() | ![]() |
| [ ! ]センター穴が残ります。 [ ! ]P-2Etan(A/2)≧0.73 [ ! ]P-2Etan(A/2)≧2(ディコート®) | [ ! ]センター穴が残ります。 [ ! ]e=P/2÷tan(A/2)+R-{R÷sin(A/2)} |
| 参考: sin15°≒0.259 sin30°=0.5 sin45°≒0.707 sin60°≒0.866 tan15°≒0.267 tan30°≒0.577 tan45°=1 tan60°≒1.732 | |
| Type | [ M ]材質 | [ H ]硬度 | |
| SELATA□ | 丸 | SCM435 | 焼入 35〜40HRC |
| SELATD□ | ダイヤ | ||
| TSELATA□ | 丸 | SCM415 | 浸炭焼入 55HRC〜(深度0.7〜0.8) |
| TSELATD□ | ダイヤ | ||
| Type | [ M ]材質 | [ H ]硬度 | [ S ]表面処理 | |
| R−SLATA□ | 丸 | SCM435 | 35〜40HRC (表面750HV〜) | 硬質クロムメッキ |
| R−SLATD□ | ダイヤ | |||
| D−SLATA□ | 丸 | SKD11相当 | 55HRC〜 (表面3000HV) | ディコートⓇ処理 |
| D−SLATD□ | ダイヤ | |||
| H−SLATA□ | 丸 | SKD11相当 | 55HRC〜 (表面3000HV) | TiCN処理 |
| H−SLATD□ | ダイヤ | |||
| 型式 | − | P | − | B | − | A | − | E | ||||
| Type | 先端形状 | D | ||||||||||
| SELATA | A | 16 | − | P14.2 | − | B21 | − | A60 | − | E2 | ||
| 型式 | P 指定 0.1mm単位 | B 指定 1mm単位 | A 選択 | E (A形状) 1mm単位 | L | ℓ1 | H | d | R | 適用 止め ねじ | W | ¥基準単価 | ||||||||||||||||
| Type | 先端形状 | Dh7 | SELATA□ | SELATD□ | TSELATA□ | TSELATD□ | R−SLATA□ | R−SLATD□ | D−SLATA□ | D−SLATD□ | H−SLATA□ | H−SLATD□ | ||||||||||||||||
| 焼入 (丸) SELATA (ダイヤ) SELATD | 浸炭 (丸) TSELATA (ダイヤ) TSELATD | 硬質クロム (丸) R-SLATA (ダイヤ) R-SLATD | ディコート (丸) D-SLATA (ダイヤ) D-SLATD | TiCN (丸) H-SLATA (ダイヤ) H-SLATD | A (テーパ) B (テーパR) | 6 | 0 -0.012 | 3.0〜8.0 | [ ! ]2〜30 (B≦P×4) | *30 60 90 120 | 1~10 | 8 | 8 | 9 | 4 | 1 | M5 | 1〜2 | 720 | 890 | 1,000 | 1,170 | 1,250 | 1,420 | 2,690 | 3,430 | 2,480 | 3,220 |
| 8 | 0 -0.015 | 3.0〜10.0 | 8 | 8 | 11 | 5 | 1.5 | M5 | 1〜2 | 900 | 1,120 | 1,180 | 1,400 | 1,430 | 1,650 | 2,890 | 3,700 | 2,680 | 3,490 | |||||||||
| 10 | 4.5〜12.0 | 10 | 8 | 13 | 7 | 2 | M6 | 1〜3 | 1,180 | 1,480 | 1,450 | 1,740 | 1,700 | 2,010 | 3,170 | 4,070 | 2,960 | 3,860 | ||||||||||
| 10T | 4.5〜12.0 | 5 | 8 | 13 | 7 | 2 | M6 | 1〜3 | 1,180 | 1,480 | 1,450 | 1,740 | 1,700 | 2,010 | 3,170 | 4,070 | 2,960 | 3,860 | ||||||||||
| 12 | 0 -0.018 | 9.0〜14.0 | 12 | 10 | 15 | 9 | 3 | M8 | 4 | 1,450 | 1,830 | 1,710 | 2,090 | 1,970 | 2,350 | 3,450 | 4,430 | 3,240 | 4,220 | |||||||||
| 16 | 13.0〜18.0 | 12 | 10 | 19 | 13 | 4 | M8 | 5 | 1,710 | 2,170 | 1,980 | 2,450 | 2,240 | 2,700 | 3,820 | 4,900 | 3,610 | 4,690 | ||||||||||
| 追加工 コード | 追加工内容 | 適用条件 | 指定例 | \/1Code | |||||||||||||
| MK | 摩耗溝追加工![]() | B寸部に4カ所溝を掘ります。溝の減り具合を見る事で摩耗管理がしやすくなります。 溝深さ:0.2mm(±0.05mm) 溝形状:V溝(90°) | [ ! ]焼入・浸炭焼入品かつ丸形状のみ適用 [ ! ]B≧4のとき適用 [ ! ]RTCと併用した場合、溝はR値+1mmの箇所から始まります。 [ ! ]ツバ付きの場合、B寸部の2/3程度の長さの溝となります。(ツバの根本側には溝がつきません。) | SELATAA10-P8.8-B10-A60-E2-MK | 300 | ||||||||||||
| KC | 廻り止め位置変更![]() | 規格位置を0°とし90°移動した位置に廻り止め一面加工を行います。 | [ ! ]ダイヤ形状のみ適用 [ ! ]H-P≧2 | SELATDB8-P6.5-B10-A60-KC | 200 | ||||||||||||
| KD | 廻り止め加工![]() | 一面加工を行います。 | [ ! ]H-P≧2 [ ! ]丸形状のみ適用 [ ! ]KDとSCは併用不可 | TSELATAA10-P8.8-B10-A60-E2-KD | 200 | ||||||||||||
| SC | スパナ掛加工![]() | スパナ掛を追加工します。 指定方法:SC
| [ ! ]丸形状のみ適用 | R-SLATAB8-P6.5-B10-A60-SC | 500 | ||||||||||||
| RTC | つば上部R変更 ・ディコート® ・その他 ![]() | 逃げ溝加工を下記選択Rに変更します。 選択:R1、R2、R3 指定方法:RTC1 | [ ! ]RTC≦(H-P)/2 [ ! ]B≧5の時適用 | SELATAA10-P8.8-B10-A90-E2-RTC1 | 無料 | ||||||||||||
| 型番 |
|---|
通常単価(税別)
(税込単価) | 通常出荷日 |
|---|
- ( - ) | 3日目 |
- ( - ) | 3日目 |
- ( - ) | 3日目 |
- ( - ) | 3日目 |
- ( - ) | 3日目 |
- ( - ) | 3日目 |
- ( - ) | 3日目 |
- ( - ) | 3日目 |
- ( - ) | 3日目 |
- ( - ) | 3日目 |
- ( - ) | 3日目 |
- ( - ) | 3日目 |
- ( - ) | 3日目 |
- ( - ) | 3日目 |
- ( - ) | 3日目 |
- ( - ) | 3日目 |
- ( - ) | 3日目 |
- ( - ) | 3日目 |
- ( - ) | 3日目 |
- ( - ) | 3日目 |
- ( - ) | 3日目 |
- ( - ) | 3日目 |
- ( - ) | 3日目 |
- ( - ) | 3日目 |
- ( - ) | 5日目 |
- ( - ) | 5日目 |
- ( - ) | 5日目 |
- ( - ) | 5日目 |
- ( - ) | 5日目 |
- ( - ) | 5日目 |
- ( - ) | 5日目 |
- ( - ) | 5日目 |
- ( - ) | 5日目 |
- ( - ) | 5日目 |
- ( - ) | 5日目 |
- ( - ) | 5日目 |
- ( - ) | 5日目 |
- ( - ) | 5日目 |
- ( - ) | 5日目 |
- ( - ) | 5日目 |
- ( - ) | 5日目 |
- ( - ) | 5日目 |
- ( - ) | 5日目 |
- ( - ) | 5日目 |
- ( - ) | 5日目 |
- ( - ) | 5日目 |
- ( - ) | 5日目 |
- ( - ) | 5日目 |
- ( - ) | 3日目 |
- ( - ) | 3日目 |
- ( - ) | 3日目 |
- ( - ) | 3日目 |
- ( - ) | 3日目 |
- ( - ) | 3日目 |
- ( - ) | 3日目 |
- ( - ) | 3日目 |
- ( - ) | 3日目 |
- ( - ) | 3日目 |
- ( - ) | 3日目 |
- ( - ) | 3日目 |
【用途】治具用位置決めピン並級ツバ付タイプです。【特長】先端形状は2種類から選択可能です。止めねじタイプです。
| 数量区分 | 標準対応 | 個別対応 | ||||
| 小口 | 大口 | 大口 | ||||
| 数 量 | 1~19 | 20~34 | 35~49 | 50~99 | 100~200 | 201~ |
| 値引率 | 基準単価 | 5% | 10% | 18% | 18% | お見積り |
| 出荷日 | 通常 | +5日 | ||||
| 数量区分 | 標準対応 | 個別対応 | ||||
| 小口 | 大口 | 大口 | ||||
| 数 量 | 1~19 | 20~34 | 35~49 | 50~99 | 100~200 | 201~ |
| 値引率 | 基準単価 | 5% | 10% | 18% | 18% | お見積り |
| 出荷日 | 通常 | +7日 | ||||
| 数量区分 | 標準対応 | 個別対応 | ||||
| 小口 | 大口 | 大口 | ||||
| 数 量 | 1~19 | 20~34 | 35~49 | 50~99 | 100~200 | 201~ |
| 値引率 | 基準単価 | 5% | 10% | 18% | 25% | お見積り |
| 出荷日 | 通常 | +4日 | ||||
| 2 | 日目出荷 |
| ご注文締切 | |||||
| 急 | ストークA早割 | 翌日出荷 | 300円/1明細行 | PM 3:00迄 | >>こちら |
ストークA | 翌日出荷 | 500円/1本 | PM 6:00迄 |
| 3 | 日目出荷 |
| 3 | 日目出荷 |
| ご注文締切 | |||||
| 急 | ストークA | 翌日出荷 | 800円/1本 | PM 6:00迄 | >>こちら |
| 5 | 日目出荷 |
| ご注文締切 | |||||
| 急 | ストークB | 3日目出荷 | 500円/1本 | PM 8:00迄 | >>こちら |
出荷日については、こちらをご覧ください。



通常価格、通常出荷日が表示と異なる場合がございます
通常価格、通常出荷日が表示と異なる場合がございます

ミスミ
治具用位置決めピン 並級ツバ付タイプ おねじタイプ
4.4
ミスミ
治具用位置決めピン 並級ツバ付タイプ 先端形状選択おねじタイプ
4.3
ミスミ
治具用位置決めピン 並級ツバなしタイプ おねじタイプ
5
ミスミ
治具用高さ受けピン おねじ
4.6
ミスミ
治具用位置決めピン 並級ツバ付タイプ 止めねじタイプ
5
ミスミ
治具用位置決めピン 並級ツバなしタイプ 先端形状選択おねじタイプ
5
ミスミ
治具用高さ受けピン 止めねじ
5
ミスミ
治具用位置決めピン 並級 砲弾形状 ツバ付タイプ
5
ミスミ
治具用位置決めピン 精級ツバ付タイプ おねじタイプ
4.3