メカニカル部品技術窓口
ミスミ品のみ対象
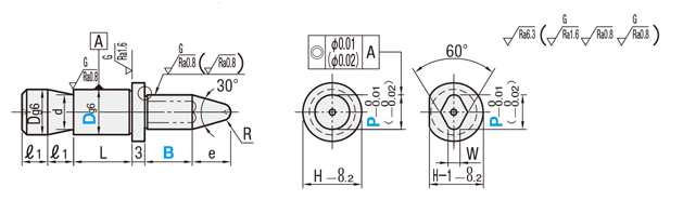
P寸公差 0-0.01または 0-0.02、同軸度0.01または0.02の精級商品です。


| Type | [ M ]材質 | [ H ]硬度 | |
| LATAN | 丸 | SCM435 | 焼入 35〜40HRC |
| LATDN | ダイヤ | ||
| TLATAN | 丸 | SCM415 | 浸炭焼入 55HRC〜(深度0.7〜0.8) |
| TLATDN | ダイヤ | ||
| Type | [ M ]材質 | [ H ]硬度 | [ S ]表面処理 | |
| R−ATAN | 丸 | SCM435 | 35〜40HRC (表面750HV〜) | 硬質クロムメッキ |
| R−ATDN | ダイヤ | |||
| D−ATAN | 丸 | SKD11相当 | 55HRC〜 (表面3000HV) | ディコートⓇ処理 |
| D−ATDN | ダイヤ | |||
| H−ATAN | 丸 | SKD11相当 | 55HRC〜 (表面3000HV) | TiCN処理 |
| H−ATDN | ダイヤ | |||
| 型式 | − | P | − | B | ||||
| Type | D | |||||||
| LATAN | 6 | − | P6.8 | − | B14 | |||
| 型式 | P指定0.1mm単位 | B指定1mm単位 | L | ℓ1 | H | d | R | 適用 止めねじ | W | ¥基準単価 | |||||||||||||||
| Type | Dg6 | LATAN | LATDN | TLATAN | TLATDN | R-ATAN | R-ATDN | D-ATAN | D-ATDN | H-ATAN | H-ATDN | ||||||||||||||
| 焼入 (丸) LATAN (ダイヤ) LATDN | 浸炭 (丸) TLATAN (ダイヤ) TLATDN | 硬質クロム (丸) R-ATAN (ダイヤ) R-ATDN | ディコート (丸) D-ATAN (ダイヤ) D-ATDN | TiCN (丸) H-ATAN (ダイヤ) H-ATDN | 6 | -0.004 -0.012 | 3.0〜8.0 | [ ! ]2~30 (B≦P×4) | 8 | 8 | 9 | 4 | 1 | M5 | 1~2 | 900 | 1,340 | 1,170 | 1,620 | 1,430 | 1,870 | 4,180 | 6,150 | 3,970 | 5,940 |
| 8 | -0.005 -0.014 | 3.0〜10.0 | 8 | 8 | 11 | 5 | 1.5 | M5 | 1~2 | 1,080 | 1,520 | 1,340 | 1,800 | 1,610 | 2,050 | 4,070 | 5,700 | 3,860 | 5,490 | ||||||
| 10 | 4.5〜12.0 | 10 | 8 | 13 | 7 | 2 | M6 | 1~3 | 1,440 | 1,890 | 1,700 | 2,150 | 1,960 | 2,420 | 4,350 | 5,700 | 4,140 | 5,490 | |||||||
| 10T | 4.5〜12.0 | 5 | 8 | 13 | 7 | 2 | M6 | 1~3 | 1,440 | 1,890 | 1,700 | 2,150 | 1,960 | 2,420 | 4,350 | 5,700 | 4,140 | 5,490 | |||||||
| 12 | -0.006 -0.017 | 9.0〜14.0 | 12 | 10 | 15 | 9 | 3 | M8 | 4 | 1,620 | 2,070 | 1,890 | 2,330 | 2,140 | 2,590 | 4,200 | 5,370 | 3,990 | 5,160 | ||||||
| 16 | 13.0〜18.0 | 12 | 10 | 19 | 13 | 4 | M8 | 5 | 1,890 | 2,250 | 2,150 | 2,510 | 2,420 | 2,770 | 4,490 | 5,340 | 4,280 | 5,130 | |||||||
| 追加工 コード | 追加工内容 | 適用条件 | 指定例 | \/1Code | |||||||||||||
| MK | 摩耗溝追加工![]() | B寸部に4カ所溝を掘ります。溝の減り具合を見る事で摩耗管理がしやすくなります。 溝深さ:0.2mm(±0.05mm) 溝形状:V溝(90°) | [ ! ]焼入・浸炭焼入品かつ丸形状のみ適用 [ ! ]B≧4のとき適用 [ ! ]RTCと併用した場合、溝はR値+1mmの箇所から始まります。 [ ! ]ツバ付きの場合、B寸部の2/3程度の長さの溝となります。(ツバの根本側には溝がつきません。) | LATAN10-P8.8-B10-MK | 300 | ||||||||||||
| KC | 廻り止め位置変更![]() | 規格位置を0°とし90°移動した位置に廻り止め一面加工を行います。 | [ ! ]ダイヤ形状のみ適用 [ ! ]H-P≧2 | LATDN8-P6.5-B10-KC | 200 | ||||||||||||
| KD | 廻り止め加工![]() | 一面加工を行います。 | [ ! ]H-P≧2 [ ! ]丸形状のみ適用 [ ! ]KDとSCは併用不可 | TLATAN10-P8.8-B10-KD | 200 | ||||||||||||
| SC | スパナ掛加工![]() | スパナ掛を追加工します。 指定方法:SC
| [ ! ]丸形状のみ適用 | R-ATAN8-P6.5-B10-SC | 500 | ||||||||||||
| RTC | つば上部R変更 ・ディコート® ・その他 ![]() | 逃げ溝加工を下記選択Rに変更します。 選択:R1、R2、R3 指定方法:RTC1 | [ ! ]RTC≦(H-P)/2 [ ! ]B≧5の時適用 | LATAN10-P8.8-B10-RTC1 | 無料 | ||||||||||||
| 型番 |
|---|
通常単価(税別)
(税込単価) | 通常出荷日 |
|---|
- ( - ) | 3日目 |
- ( - ) | 3日目 |
- ( - ) | 3日目 |
- ( - ) | 3日目 |
- ( - ) | 3日目 |
- ( - ) | 3日目 |
- ( - ) | 3日目 |
- ( - ) | 3日目 |
- ( - ) | 3日目 |
- ( - ) | 3日目 |
- ( - ) | 3日目 |
- ( - ) | 3日目 |
- ( - ) | 5日目 |
- ( - ) | 5日目 |
- ( - ) | 5日目 |
- ( - ) | 5日目 |
- ( - ) | 5日目 |
- ( - ) | 5日目 |
- ( - ) | 5日目 |
- ( - ) | 5日目 |
- ( - ) | 5日目 |
- ( - ) | 5日目 |
- ( - ) | 5日目 |
- ( - ) | 5日目 |
- ( - ) | 2日目 |
- ( - ) | 2日目 |
- ( - ) | 2日目 |
- ( - ) | 2日目 |
- ( - ) | 2日目 |
- ( - ) | 2日目 |
- ( - ) | 2日目 |
- ( - ) | 2日目 |
- ( - ) | 2日目 |
- ( - ) | 2日目 |
- ( - ) | 2日目 |
- ( - ) | 2日目 |
- ( - ) | 3日目 |
- ( - ) | 3日目 |
- ( - ) | 3日目 |
- ( - ) | 3日目 |
- ( - ) | 3日目 |
- ( - ) | 3日目 |
- ( - ) | 3日目 |
- ( - ) | 3日目 |
- ( - ) | 3日目 |
- ( - ) | 3日目 |
- ( - ) | 3日目 |
- ( - ) | 3日目 |
- ( - ) | 3日目 |
- ( - ) | 3日目 |
- ( - ) | 3日目 |
- ( - ) | 3日目 |
- ( - ) | 3日目 |
- ( - ) | 3日目 |
- ( - ) | 3日目 |
- ( - ) | 3日目 |
- ( - ) | 3日目 |
- ( - ) | 3日目 |
- ( - ) | 3日目 |
- ( - ) | 3日目 |
P寸公差 0-0.01または 0-0.02、同軸度0.01または0.02の精級商品です。
| 数 量 | 1~19 | 20~34 | 35~49 | 50~99 | 100~200 | 201~ |
| 値引率 | 基準単価 | 5% | 10% | 21% | 21% | お見積り |
| 出荷日 | 通常 | +5日 | ||||
| 数 量 | 1~19 | 20~34 | 35~49 | 50~99 | 100~200 | 201~ |
| 値引率 | 基準単価 | 5% | 10% | 21% | 21% | お見積り |
| 出荷日 | 通常 | +7日 | ||||
| 数 量 | 1~19 | 20~34 | 35~49 | 50~99 | 100~200 | 201~ |
| 値引率 | 基準単価 | 5% | 10% | 21% | 21% | お見積り |
| 出荷日 | 通常 | +4日 | ||||
通常価格、通常出荷日が表示と異なる場合がございます
通常価格、通常出荷日が表示と異なる場合がございます

ミスミ
治具用位置決めピン 並級ツバ付タイプ おねじタイプ
4.4
ミスミ
治具用位置決めピン 並級 ぼかしR付タイプ おねじ
5
ミスミ
治具用位置決めピン 並級ツバ付タイプ 先端形状選択おねじタイプ
4.3
ミスミ
治具用位置決めピン 並級ツバなしタイプ おねじタイプ
5
ミスミ
治具用高さ受けピン おねじ
4.6
ミスミ
治具用位置決めピン 並級ツバなしタイプ 先端形状選択おねじタイプ
5
ミスミ
治具用位置決めピン 並級ツバ付タイプ 止めねじタイプ
5
ミスミ
治具用位置決めピン 並級ツバなしタイプ 止めねじタイプ
5
ミスミ
治具用位置決めピン 精級ツバ付タイプ 先端形状選択おねじタイプ
5