メカニカル部品技術窓口
ミスミ品のみ対象
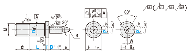
D寸・P寸・B寸・L寸・T寸の選択幅が広がった精級タイプのピンです。


| D | 3 | 4〜6 | 8・10 | 12・16 | 20 |
| g6 | -0.002 -0.008 | -0.004 -0.012 | -0.005 -0.014 | -0.006 -0.017 | -0.007 -0.020 |
| Type | [ M ]材質 | [ H ]硬度 | ||
| 丸 | ダイヤ | |||
| FLANA | FLAND | SCM435 | 焼入硬度 | 35〜40HRC |
| FTLANA | FTLAND | SCM415 | 浸炭焼入硬度 | 55HRC〜 |
| FSLANA | FSLAND | SUS304 | − | |
| FCLANA | FCLAND | SUS440Cまたは 13Crステンレス | 焼入硬度 | 50〜55HRC |
*浸炭焼入:深度0.7~0.8/ねじ部防炭処理
| Type | [ M ]材質 | [ H ]硬度 | [ S ]表面処理 | |
| R−FANA | 丸 | SCM435 | 35~40HRC (表面750HV~) | 硬質クロムメッキ |
| R−FAND | ダイヤ | |||
| D−FANA | 丸 | SKD11相当 | 55HRC~ (表面3000HV) | ディコート®処理 |
| D−FAND | ダイヤ | |||
| 型式 | − | P | − | B | − | L | − | T |
| FLANA6 | − | P6.8 | − | B10.5 | − | L5 | − | T3.1 |
| 型式 | D | P指定 0.1mm単位 | B指定 0.1mm単位 | L指定 1mm単位 | T指定 0.1mm単位 | ℓ1 | H | R | M (並目) | W | ¥基準単価 | ||||||||||||||||
| Type | FLANA | FLAND | FTLANA | FTLAND | FSLANA | FSLAND | FCLANA | FCLAND | R-FANA | R-FAND | D-FANA | D-FAND | |||||||||||||||
| 焼入 (丸) FLANA (ダイヤ) FLAND | 浸炭 (丸) FTLANA (ダイヤ) FTLAND | SUS304 (丸) FSLANA (ダイヤ) FSLAND | SUS440Cまたは13Crステンレス (丸) FCLANA (ダイヤ) FCLAND | 硬質クロム (丸) R-FANA (ダイヤ) R-FAND | ディコート (丸) D-FANA (ダイヤ) D-FAND | 3 | 3.0~4.0 | 2.0~16.0 | 5~10 | 2.0~10.0 | 5 | 6 | 1 | M3 | 1~2 | 1,140 | 1,710 | 1,480 | 2,060 | 1,680 | 1,930 | 1,850 | 2,120 | 1,430 | 2,060 | - | - |
| 4 | 3.0~5.0 | 2.0~20.0 | 5~10 | 6 | 7 | 1 | M4 | 1~2 | 1,200 | 1,790 | 1,550 | 2,090 | 1,750 | 2,020 | 1,930 | 2,220 | 1,500 | 2,140 | - | - | |||||||
| 5 | 3.0~6.0 | 2.0~24.0 | 5~10 | 6 | 8 | 1 | M5 | 1~2 | 1,220 | 1,830 | 1,590 | 2,190 | 1,800 | 2,060 | 1,970 | 2,270 | 1,530 | 2,190 | - | - | |||||||
| 6 | 3.0~8.0 | 2.0~28.0 | 5~10 | 6 | 9 | 1 | M6 | 1~2 | 1,260 | 1,880 | 1,630 | 2,260 | 1,850 | 2,120 | 2,030 | 2,330 | 1,540 | 2,260 | 4,780 | 6,210 | |||||||
| 8 | 3.0~10.0 | 2.0~35.0 | 5~10 | 10 | 11 | 1.5 | M8 | 1~2 | 1,350 | 1,920 | 1,690 | 2,260 | 1,920 | 2,210 | 2,110 | 2,430 | 1,880 | 2,450 | 5,180 | 6,720 | |||||||
| 10 | 5.0~12.0 | 3.0~35.0 | 8~15 | 12 | 13 | 2 | M10 | 2~3 | 1,700 | 2,240 | 2,030 | 2,560 | 2,290 | 2,640 | 2,520 | 2,900 | 2,230 | 2,760 | 5,520 | 7,190 | |||||||
| 12 | 7.0~14.0 | 3.0~35.0 | 10~18 | 15 | 15 | 3 | M12 | 4 | 1,920 | 2,450 | 2,240 | 2,770 | 2,530 | 2,910 | 2,780 | 3,200 | 2,450 | 2,970 | 5,950 | 7,730 | |||||||
| 16 | 13.0~18.0 | 5.0~35.0 | 12~20 | 18 | 19 | 4 | M16 | 5 | 2,150 | 2,570 | 2,470 | 2,880 | 2,780 | 3,200 | 3,070 | 3,530 | 2,680 | 3,100 | 6,420 | 8,340 | |||||||
| 20 | 16.0~22.0 | 5.0~35.0 | 15~20 | 22 | 23 | 4 | M20 | 5 | 2,860 | 3,400 | 3,270 | 3,810 | 3,690 | 4,240 | 4,060 | 4,670 | - | - | - | - | |||||||
| 追加工 コード | 追加工内容 | 適用条件 | 指定例 | \/1Code | |
| MK | 摩耗溝追加工![]() | B寸部に4カ所溝を掘ります。溝の減り具合を見る事で摩耗管理がしやすくなります。 溝深さ:0.2mm(±0.05mm) 溝形状:V溝(90°) | [ ! ]焼入・浸炭焼入品かつ丸形状のみ適用 [ ! ]B≧4のとき適用 [ ! ]RTCと併用した場合、溝はR値+1mmの箇所から始まります。 [ ! ]ツバ付きの場合、B寸部の2/3程度の長さの溝となります。(ツバの根本側には溝がつきません。) | FLANA6-P6.8-B10.5-L5-T3.1-MK | 300 |
| KC | 廻り止め位置変更![]() | 規格位置を0°とし90°移動した位置に廻り止め一面加工を行います。 | [ ! ]ダイヤ形状のみ適用 [ ! ]H-P≧2 | FLAND6-P6.8-B10.5-L5-T3.1-KC | 200 |
| KD | 廻り止め加工![]() | 一面加工を行います。 | [ ! ]H-P≧2 [ ! ]丸形状のみ適用 [ ! ]KDとSCは併用不可 | FTLANA6-P6.8-B10.5-L5-T3.1-KD | 200 |
| SC | スパナ掛加工![]() | スパナ掛を追加工します。 指定方法:SC10 | SC=指定1mm単位 SC>D、SC>P SC≦H-2 [ ! ]丸形状のみ適用 | FLANA6-P6.8-B10.5-L5-T3.1-SC7 | 500 |
| RTC | つば上部R変更 ・ディコート® ・その他 ![]() | 逃げ溝加工を下記選択Rに変更します。 選択:R1、R2、R3 指定方法:RTC1 | [ ! ]RTC≦(H-P)/2 [ ! ]B≧5の時適用 | FLANA6-P6.8-B10.5-L5-T3.1-RTC1 | 無料 |
| RC | 先端部角度変更![]() | 先端角度を変更します。 選択:60°、90°、120° 指定方法:RC60 | ー | FLANA6-P6.8-B10.5-L5-T3.1-RC60 | 200 |
| NNC | ねじ元ニゲ加工![]() | ねじ元にニゲを加工します。 | [ NG ]止めねじタイプは適用不可 [ NG ]折損防止の為ディコート®処理適用不可 | FLANA6-P6.8-B10.5-L5-T3.1-NNC | 100 |
| 型番 |
|---|
通常単価(税別)
(税込単価) | 通常出荷日 |
クリーン洗浄・梱包済みでお届けします
|
|---|
- ( - ) | 5日目 |
- |
- ( - ) | 5日目 |
- |
- ( - ) | 5日目 |
- |
- ( - ) | 5日目 |
- |
- ( - ) | 5日目 |
- |
- ( - ) | 5日目 |
- |
- ( - ) | 5日目 |
- |
- ( - ) | 5日目 |
- |
- ( - ) | 5日目 |
- |
- ( - ) | 5日目 |
- |
- ( - ) | 3日目 |
- |
- ( - ) | 3日目 |
- |
- ( - ) | 3日目 |
- |
- ( - ) | 3日目 |
- |
- ( - ) | 3日目 |
- |
- ( - ) | 3日目 |
- |
- ( - ) | 3日目 |
- |
- ( - ) | 3日目 |
- |
- ( - ) | 3日目 |
- |
- ( - ) | 3日目 |
- |
- ( - ) | 3日目 |
- |
- ( - ) | 3日目 |
- |
- ( - ) | 3日目 |
- |
- ( - ) | 3日目 |
- |
- ( - ) | 3日目 |
- |
- ( - ) | 3日目 |
- |
- ( - ) | 3日目 |
- |
- ( - ) | 3日目 |
- |
- ( - ) | 3日目 |
- |
- ( - ) | 3日目 |
- |
- ( - ) | 3日目 |
- |
- ( - ) | 3日目 |
- |
- ( - ) | 3日目 |
- |
- ( - ) | 3日目 |
- |
- ( - ) | 3日目 |
- |
- ( - ) | 3日目 |
- |
- ( - ) | 3日目 |
- |
- ( - ) | 3日目 |
- |
- ( - ) | 3日目 |
- |
- ( - ) | 3日目 |
- |
- ( - ) | 3日目 |
- |
- ( - ) | 3日目 |
- |
- ( - ) | 3日目 |
- |
- ( - ) | 3日目 |
- |
- ( - ) | 3日目 |
- |
- ( - ) | 3日目 |
- |
- ( - ) | 3日目 |
|
- ( - ) | 3日目 |
|
- ( - ) | 3日目 |
|
- ( - ) | 3日目 |
|
- ( - ) | 3日目 |
|
- ( - ) | 3日目 |
|
- ( - ) | 3日目 |
|
- ( - ) | 3日目 |
|
- ( - ) | 3日目 |
|
- ( - ) | 3日目 |
|
- ( - ) | 3日目 |
|
- ( - ) | 3日目 |
|
- ( - ) | 3日目 |
|
- ( - ) | 3日目 |
D寸・P寸・B寸・L寸・T寸の選択幅が広がった精級タイプのピンです。
| 数 量 | 1~19 | 20~34 | 35~49 | 50~99 | 100~200 | 201~ |
| 値引率 | 基準単価 | 5% | 10% | 18% | 18% | お見積り |
| 出荷日 | 通常 | +5日 | ||||
| 数 量 | 1~19 | 20~34 | 35~49 | 50~99 | 100~200 | 201~ |
| 値引率 | 基準単価 | 5% | 10% | 18% | 18% | お見積り |
| 出荷日 | 通常 | +7日 | ||||
| 数 量 | 1~19 | 20~34 | 35~49 | 50~99 | 100~200 | 201~ |
| 値引率 | 基準単価 | 5% | 10% | 18% | 25% | お見積り |
| 出荷日 | 通常 | +2日 | ||||



通常価格、通常出荷日が表示と異なる場合がございます
通常価格、通常出荷日が表示と異なる場合がございます

ミスミ
治具用位置決めピン 並級ツバ付タイプ おねじタイプ
4.4
ミスミ
治具用位置決めピン 並級 ぼかしR付タイプ おねじ
5
ミスミ
治具用位置決めピン 並級ツバ付タイプ 先端形状選択おねじタイプ
4.3
ミスミ
治具用位置決めピン 並級ツバなしタイプ おねじタイプ
5
ミスミ
治具用高さ受けピン おねじ
4.6
ミスミ
治具用位置決めピン 並級ツバなしタイプ 先端形状選択おねじタイプ
5
ミスミ
治具用位置決めピン 並級ツバ付タイプ 止めねじタイプ
5
ミスミ
治具用位置決めピン 並級ツバなしタイプ 止めねじタイプ
5
ミスミ
治具用位置決めピン 精級ツバ付タイプ 先端形状選択おねじタイプ
5