メカニカル部品技術窓口
ミスミ品のみ対象


| Type | [ M ]材質 | [ S ]表面処理 | |
| 六角穴(無し) | 六角穴(有り) | ||
| FXDA | FXDAR | S45C相当 | 四三酸化鉄皮膜 |
| PFXDA | PFXDAR | 無電解ニッケルメッキ | |
| SFXDA | SFXDAR | SUS304 | − |
| 型式 | − | Y | − | F |
| FXDA10 | − | 25 | − | F18 |
| SFXDA12 | − | 15 | − | F25 |
| FXDAR6 | − | 4 | − | F10 |
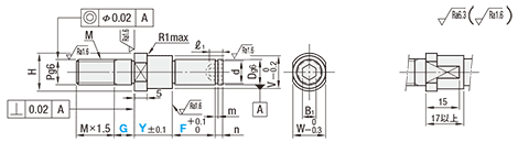
| 型式 | Dg6 | 指定1mm単位 | Pg6 | M (並目) | V | H | W | d | m | n | ¥基準単価 | |||||||
| Type | No. | Y | F | G | 基準寸法 | 許容差 | FXDA | PFXDA | SFXDA | |||||||||
| FXDA PFXDA SFXDA | 3 | 3 | −0.002 −0.008 | 7〜30 | 3〜 50 | 3〜 8 | 3 | M 3 | 5 | 7 | 5 | 2 | + 0.060 0 | 0.5 | 2 | 820 | 990 | 1,240 |
| 3A | 9 | 11 | 9 | 1,120 | 1,190 | 1,440 | ||||||||||||
| 4 | 4 | −0.004 −0.012 | 4 | M 4 | 6 | 8 | 6 | 3 | 0.7 | 900 | 1,080 | 1,350 | ||||||
| 4A | 10 | 12 | 10 | 1,190 | 1,460 | 1,830 | ||||||||||||
| 5 | 5 | 5 | M 5 | 7 | 9 | 7 | 4 | + 0.075 0 | 1,190 | 1,430 | 1,790 | |||||||
| 5A | 11 | 13 | 11 | 1,300 | 1,690 | 2,170 | ||||||||||||
| 6 | 6 | 7〜60 | 5〜100 | 5〜10 | 6 | M 6 | 8 | 10 | 8 | 5 | 1,300 | 1,560 | 1,950 | |||||
| 6A | 12 | 14 | 12 | 1,420 | 1,930 | 2,540 | ||||||||||||
| 8 | 8 | −0.005 −0.014 | 8 | M 8 | 10 | 12 | 10 | 7 | + 0.090 0 | 0.9 | 3 | 1,390 | 1,670 | 2,090 | ||||
| 8A | 14 | 16 | 14 | 1,590 | 2,110 | 2,750 | ||||||||||||
| 10 | 10 | 10 | M10 | 13 | 15 | 13 | 9.6 | 0 − 0.090 | 1.15 | 1,470 | 1,760 | 2,220 | ||||||
| 10A | 18 | 20 | 17 | 1,870 | 2,230 | 2,950 | ||||||||||||
| 12 | 12 | −0.006 −0.017 | 10〜100 | 5〜15 | 12 | M12 | 15 | 17 | 14 | 11.5 | 0 − 0.110 | 4 | 1,680 | 2,030 | 2,530 | |||
| 13 | 13 | 16 | 18 | 15 | 12.4 | 1,880 | 2,270 | 2,820 | ||||||||||
| 15 | 15 | 18 | 20 | 17 | 14.3 | 1,970 | 2,370 | 2,960 | ||||||||||
| 16 | 16 | 19 | 21 | 18 | 15.2 | 2,270 | 2,740 | 3,440 | ||||||||||
| 17 | 17 | 5〜20 | 20 | 23 | 20 | 16.2 | 2,400 | 2,910 | 3,650 | |||||||||
| 18 | 18 | 21 | 17 | 1.35 | 2,470 | 2,970 | 3,720 | |||||||||||
| 20 | 20 | −0.007 −0.020 | 20 | M20 | 24 | 26 | 24 | 19 | 0 − 0.210 | 2,500 | 3,000 | 3,750 | ||||||
| 20A | 16 | M16 | 2,500 | 3,000 | 3,750 | |||||||||||||
| 22 | 22 | 20 | M20 | 26 | 28 | 25 | 21 | 5 | 2,820 | 3,390 | 4,240 | |||||||
| 22A | 16 | M16 | 2,820 | 3,390 | 4,240 | |||||||||||||
| 25 | 25 | 20 | M20 | 29 | 31 | 27 | 23.9 | 2,970 | 3,560 | 4,460 | ||||||||
| 25A | 16 | M16 | 2,970 | 3,560 | 4,460 | |||||||||||||
| 30 | 30 | 20 | M20 | 34 | 36 | 32 | 28.6 | 1.65 | 3,500 | 4,210 | 5,250 | |||||||
| 30A | 16 | M16 | 3,500 | 4,210 | 5,250 | |||||||||||||
| 型式 | Dg6 | 指定1mm単位 | Pg6 | M (並目) | V | H | W | d | m | n | B₁ | ℓ₁ | ¥基準単価 | |||||||
| Type | No. | Y | F | G | 基準寸法 | 許容差 | FXDAR | PFXDAR | SFXDAR | |||||||||||
| FXDAR PFXDAR SFXDAR | 6 | 6 | −0.004 −0.012 | 7~25 | 5~30 | 5〜10 | 6 | M 6 | 8 | 10 | 8 | 5 | 0 +0.075 | 0.7 | 2 | 3 | 3 | 2,000 | 2,260 | 2,650 |
| 6A | 12 | 14 | 12 | 2,120 | 2,630 | 3,240 | ||||||||||||||
| 8 | 8 | −0.005 −0.014 | 5~35 | 8 | M 8 | 10 | 12 | 10 | 7 | +0.090 0 | 0.9 | 3 | 4 | 4 | 2,090 | 2,370 | 2,790 | |||
| 8A | 14 | 16 | 14 | 2,290 | 2,810 | 3,450 | ||||||||||||||
| 10 | 10 | 5~40 | 10 | M10 | 13 | 15 | 13 | 9.6 | 0 −0.090 | 1.15 | 5 | 5 | 2,170 | 2,460 | 2,920 | |||||
| 10A | 18 | 20 | 17 | 2,570 | 2,930 | 3,650 | ||||||||||||||
| 12 | 12 | −0.006 −0.017 | 5~50 | 5〜15 | 12 | M12 | 15 | 17 | 14 | 11.5 | 0 −0.110 | 4 | 6 | 5.5 | 2,380 | 2,730 | 3,230 | |||
| 15 | 15 | 5~60 | 18 | 20 | 17 | 14.3 | 8 | 6 | 2,670 | 3,070 | 3,660 | |||||||||
| 17 | 17 | 5〜20 | 20 | 23 | 20 | 16.2 | 10 | 8 | 3,100 | 3,610 | 4,350 | |||||||||
| 20 | 20 | −0.007 −0.020 | 20 | M20 | 24 | 26 | 24 | 19 | 0 −0.210 | 1.35 | 3,200 | 3,700 | 4,450 | |||||||
| 20A | 16 | M16 | 3,200 | 3,700 | 4,450 | |||||||||||||||
| 25 | 25 | 7~45 | 20 | M20 | 29 | 31 | 27 | 23.9 | 5 | 3,670 | 4,260 | 5,160 | ||||||||
| 25A | 16 | M16 | 3,670 | 4,260 | 5,160 | |||||||||||||||
| 30 | 30 | 20 | M20 | 34 | 36 | 32 | 28.6 | 1.65 | 4,200 | 4,910 | 5,950 | |||||||||
| 30A | 16 | M16 | 4,200 | 4,910 | 5,950 | |||||||||||||||
| 型式 | − | Y | − | F | − | G | − | N | − | (YKC・WSC・SET) |
| FXCA25 | − | 30 | − | F15 | G8 | − | YKC |
| Alterations | Y寸法公差変更 | スパナ掛け四面変更 | 止め輪セット | ||||||||||||||||||
![]() | ![]() | ||||||||||||||||||||
| Code | YKC | WSC | SET | ||||||||||||||||||
| Spec. | Y寸法公差を±0.05へ 変更します。 [ ! ]すべてのタイプに適用 指定方法 YKC | スパナ掛け二面幅を四面 カットに追加工します。 [ ! ]標準・段付タイプに適用 指定方法 WSC | 軸径に適用する止め輪を付属します。 指定方法 SET [ ! ]すべてのタイプに適用 止め輪形状 No.=3〜8:E型止め輪 No.10〜30A:C型止め輪 止め輪材質
| ||||||||||||||||||
| ¥/1Code | 400 | 400 | 250 | ||||||||||||||||||
| 型番 |
|---|
通常単価(税別)
(税込単価) | 通常出荷日 |
クリーン洗浄・梱包済みでお届けします
|
|---|
- ( - ) | 2日目 |
- |
- ( - ) | 2日目 |
- |
- ( - ) | 2日目 |
- |
- ( - ) | 2日目 |
- |
- ( - ) | 2日目 |
- |
- ( - ) | 2日目 |
- |
- ( - ) | 2日目 |
- |
- ( - ) | 2日目 |
- |
- ( - ) | 2日目 |
- |
- ( - ) | 2日目 |
- |
- ( - ) | 2日目 |
- |
- ( - ) | 2日目 |
- |
- ( - ) | 2日目 |
- |
- ( - ) | 2日目 |
- |
- ( - ) | 2日目 |
- |
- ( - ) | 2日目 |
- |
- ( - ) | 2日目 |
- |
- ( - ) | 2日目 |
- |
- ( - ) | 2日目 |
- |
- ( - ) | 2日目 |
- |
- ( - ) | 2日目 |
- |
- ( - ) | 2日目 |
- |
- ( - ) | 2日目 |
- |
- ( - ) | 2日目 |
- |
- ( - ) | 2日目 |
- |
- ( - ) | 2日目 |
- |
- ( - ) | 2日目 |
- |
- ( - ) | 2日目 |
- |
- ( - ) | 2日目 |
- |
- ( - ) | 2日目 |
- |
- ( - ) | 2日目 |
- |
- ( - ) | 2日目 |
- |
- ( - ) | 2日目 |
- |
- ( - ) | 2日目 |
- |
- ( - ) | 2日目 |
- |
- ( - ) | 2日目 |
- |
- ( - ) | 2日目 |
- |
- ( - ) | 2日目 |
- |
- ( - ) | 2日目 |
- |
- ( - ) | 2日目 |
- |
- ( - ) | 2日目 |
- |
- ( - ) | 3日目 |
|
- ( - ) | 3日目 |
|
- ( - ) | 3日目 |
|
- ( - ) | 3日目 |
|
- ( - ) | 3日目 |
|
- ( - ) | 3日目 |
|
- ( - ) | 3日目 |
|
- ( - ) | 3日目 |
|
- ( - ) | 3日目 |
|
- ( - ) | 3日目 |
|
- ( - ) | 3日目 |
|
- ( - ) | 3日目 |
|
- ( - ) | 3日目 |
|
- ( - ) | 3日目 |
|
- ( - ) | 3日目 |
|
- ( - ) | 3日目 |
|
- ( - ) | 3日目 |
|
- ( - ) | 3日目 |
|
- ( - ) | 3日目 |
【新商品】取付易い六角穴付タイプを追加しました。
【特徴】インローが入っているため、位置決め可能な片持ちピンです。
【取付方法】本体固定方法はナットと回転軸部は止め輪となります。
| 数量区分 | 標準対応 | 個別対応 | |||||
| 小口 | 大口 | 大口 | |||||
| 数 量 | 1〜4 | 5〜12 | 13〜19 | 20〜49 | 50〜100 | 101〜200 | 201以上 |
| 値引率 | 基準単価 | 5% | 10% | 18% | 20% | 20% | お見積り |
| 出荷日 | 通常 | +1日 | +6日 | +12日 | |||




通常価格、通常出荷日が表示と異なる場合がございます
通常価格、通常出荷日が表示と異なる場合がございます

ミスミ
片持ちピン おねじ取付 止め輪溝タイプ・標準タイプ・六角穴付タイプ
4.4
ミスミ
片持ちピン おねじ取付 止め輪溝タイプ・六角タイプ・六角穴付タイプ
4.7
ミスミ
片持ちピン ボルトマウント・止め輪溝タイプ・六角タイプ・六角穴付タイプ
5
ミスミ
片持ちピン おねじ取付・めねじタイプ・段付タイプ標準タイプ
4.4
ミスミ
片持ちピン ボルトマウント・止め輪溝タイプ・標準タイプ・六角穴付タイプ
4
ミスミ
片持ちピン フランジ・止め輪タイプ/薄型フランジ・止め輪タイプ
4.8
ミスミ
片持ちピン フランジ・ボルト止めタイプ/薄型フランジ・ボルト止めタイプ
3.5
ミスミ
片持ちピン おねじ取付・おねじタイプ・六角タイプ
4
ミスミ
六角片持ちピン -テンションアイドラー用-止め輪タイプ・六角穴付タイプ
4.5