メカニカル部品技術窓口
ミスミ品のみ対象
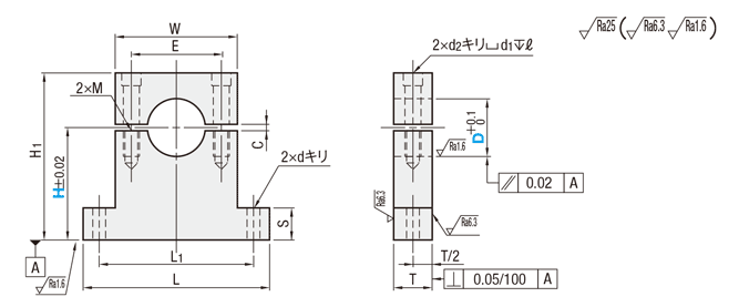
シャフトホルダが分離可能なため、メンテナンスが容易です。全てのボルトを上から固定することができます。

| 高さH選択 | 高さH指定 | [ M ]材質 | [ S ]表面処理 | [ A ]付属品 |
| SHPTB | SHPTBH | S45C相当 | 四三酸化鉄皮膜 | 六角穴付ボルト2本 |
| SHPTM | SHPTMH | 無電解ニッケルメッキ | 六角穴付ボルト2本 (SUS) | |
| SHPTS | SHPTSH | SUS304 | − | |
| SHPTA | SHPTAH | A6063 | 白アルマイト |
| 型式 | − | H | |
| [oil] | SHPTM8 SHPTMH8 SF−SHPTS30 | − − | 25 25.6 40 |
| 型式 | H | L | H1 | T | S | W | L1 | d | E | 締付 ボルト M | d2 | d1 | ℓ | C | ¥基準単価 | ||||||||||||||
| Type | D | 高さH選択タイプ | 高さH指定タイプ 0.1mm単位 | 高さH選択タイプ | 高さH指定タイプ | ||||||||||||||||||||||||
| SHPTB | SHPTM | SHPTS | SHPTA | SHPTBH | SHPTMH | SHPTSH | SHPTAH | ||||||||||||||||||||||
| 高さH選択 SHPTB SHPTM SHPTS SHPTA 高さH指定 SHPTBH SHPTMH SHPTSH SHPTAH | 3 | 10 | 15 | 20 | 10.0〜30.0 | 38 | H+6 | 8 | 4 | 22 | 30 | 3.5 | 13 | M3深6 | 3.5 | 6.5 | 3.5 | 1.5 | 1,250 | 1,280 | 2,650 | 1,180 | 2,530 | 2,600 | 5,000 | 2,300 | |||
| 4 | 1,300 | 1,340 | 2,650 | 1,210 | 2,630 | 2,740 | 5,000 | 2,300 | |||||||||||||||||||||
| 5 | 10 | 15 | 20 | 25 | 10.0〜35.0 | H+7 | 1,370 | 1,410 | 2,740 | 1,280 | 2,750 | 2,870 | 5,180 | 2,390 | |||||||||||||||
| 6 | 1,400 | 1,470 | 2,740 | 1,320 | 2,760 | 2,990 | 5,180 | 2,390 | |||||||||||||||||||||
| 8 | 10 | 15 | 20 | 25 | 30 | 40 | 10.0〜50.0 | 50 | H+10 | 10 | 6 | 30 | 40 | 4.5 | 20 | M4深8 | 4.5 | 8 | 4.5 | 2 | 1,700 | 1,790 | 3,590 | 1,660 | 3,370 | 3,650 | 6,780 | 2,470 | |
| 10 | 10 | 15 | 20 | 25 | 30 | 60 | 38 | 50 | 26 | 1,870 | 1,920 | 3,590 | 1,760 | 3,790 | 3,920 | 6,780 | 3,500 | ||||||||||||
| 12 | 2,000 | 2,040 | 4,330 | 1,910 | 4,040 | 4,170 | 8,180 | 3,680 | |||||||||||||||||||||
| 13 | 15 | 20 | 25 | 30 | 15.0〜50.0 | 2,130 | 2,170 | 4,330 | 2,010 | 4,310 | 4,430 | 8,180 | 4,170 | ||||||||||||||||
| 15 | 15 | 20 | 25 | 30 | 40 | H+12 | 2,290 | 2,340 | 4,980 | 2,160 | 4,620 | 4,780 | 9,420 | 5,880 | |||||||||||||||
| 16 | 15 | 20 | 25 | 30 | 40 | 2,290 | 2,340 | 4,980 | 2,160 | 4,620 | 4,780 | 9,420 | 5,880 | ||||||||||||||||
| 20 | 20 | 25 | 30 | 40 | 50 | 60 | 20.0〜60.0 | 82 | H+17 | 16 | 8 | 50 | 66 | 6.6 | 36 | M6深12 | 6.6 | 11 | 6.5 | 3,080 | 3,150 | 6,770 | 2,430 | 6,230 | 6,430 | 12,810 | 7,830 | ||
| 25 | H+20 | 3,260 | 3,320 | 6,930 | 2,550 | 6,570 | 6,770 | 13,080 | 8,440 | ||||||||||||||||||||
| 30 | 25 | 30 | 40 | 50 | 60 | 25.0〜60.0 | 110 | H+30 | 20 | 10 | 70 | 90 | 9 | 48 | M8深16 | 9 | 14 | 9 | 3 | 4,250 | 4,360 | 8,410 | 3,140 | 8,580 | 8,890 | 15,890 | 8,790 | ||
| 35 | 4,630 | 4,770 | 8,820 | 4,420 | 9,290 | 9,720 | 16,650 | 8,980 | |||||||||||||||||||||
| 40 | 30 | 40 | 50 | 60 | 80 | 30.0〜80.0 | 116 | 76 | 96 | 56 | 5,150 | 5,270 | 11,110 | 5,100 | 10,360 | 10,760 | 20,980 | 9,260 | |||||||||||
| 50 | 40 | 50 | 60 | 80 | 40.0〜80.0 | 154 | H+40 | 25 | 15 | 102 | 128 | 14 | 76 | M12深24 | 14 | 20 | 13 | 7,260 | 7,400 | 13,060 | 6,800 | 14,700 | 15,100 | 24,680 | 9,560 | ||||
| 型番 |
|---|
通常単価(税別)
(税込単価) | 通常出荷日 |
クリーン洗浄・梱包済みでお届けします
|
|---|
- ( - ) | 4日目 |
|
- ( - ) | 4日目 |
|
- ( - ) | 4日目 |
|
- ( - ) | 4日目 |
|
- ( - ) | 4日目 |
|
- ( - ) | 4日目 |
|
- ( - ) | 4日目 |
|
- ( - ) | 4日目 |
|
- ( - ) | 4日目 |
- |
- ( - ) | 4日目 |
|
- ( - ) | 4日目 |
|
- ( - ) | 4日目 |
|
- ( - ) | 4日目 |
|
- ( - ) | 4日目 |
|
- ( - ) | 4日目 |
|
- ( - ) | 4日目 |
|
- ( - ) | 4日目 |
|
- ( - ) | 4日目 |
|
- ( - ) | 4日目 |
|
- ( - ) | 4日目 |
|
- ( - ) | 4日目 |
|
- ( - ) | 4日目 |
|
- ( - ) | 4日目 |
|
- ( - ) | 4日目 |
|
- ( - ) | 4日目 |
- |
- ( - ) | 4日目 |
|
- ( - ) | 4日目 |
|
- ( - ) | 4日目 |
|
- ( - ) | 4日目 |
|
- ( - ) | 4日目 |
|
- ( - ) | 4日目 |
|
- ( - ) | 4日目 |
|
- ( - ) | 4日目 |
- |
- ( - ) | 4日目 |
- |
- ( - ) | 4日目 |
- |
- ( - ) | 4日目 |
- |
- ( - ) | 4日目 |
- |
- ( - ) | 4日目 |
- |
- ( - ) | 4日目 |
- |
- ( - ) | 4日目 |
- |
- ( - ) | 4日目 |
- |
- ( - ) | 4日目 |
- |
- ( - ) | 4日目 |
- |
- ( - ) | 4日目 |
- |
- ( - ) | 4日目 |
- |
- ( - ) | 4日目 |
- |
- ( - ) | 4日目 |
- |
- ( - ) | 4日目 |
- |
- ( - ) | 4日目 |
- |
- ( - ) | 4日目 |
- |
- ( - ) | 4日目 |
- |
- ( - ) | 4日目 |
- |
- ( - ) | 4日目 |
- |
- ( - ) | 4日目 |
- |
- ( - ) | 4日目 |
- |
- ( - ) | 4日目 |
- |
- ( - ) | 4日目 |
- |
- ( - ) | 4日目 |
- |
- ( - ) | 4日目 |
- |
- ( - ) | 4日目 |
- |


ミスミ
シャフトホルダ -T型(鋳造品) スリット・スタンダードタイプ-
ノック穴付きタイプは、組み立て時の位置決めが容易となります。メンテナンス時の取外しの際、位置決めの再現性があります。精度を必要とする使用の場合は機械加工品をおすすめします。

通常価格、通常出荷日が表示と異なる場合がございます
通常価格、通常出荷日が表示と異なる場合がございます

ミスミ
シャフトホルダ -フランジ型(鋳造品) スリット・スタンダードタイプ-
4.5通常価格(税別):900円~

ミスミ
シャフトホルダ -ブラケット型スタンダードタイプ- -取付穴キリ穴/取付穴タップ穴-
4.6通常価格(税別):860円~

ミスミ
シャフトホルダ -T型(鋳造品) スリット・スタンダードタイプ-
4.3通常価格(税別):760円~

ミスミ
シャフトホルダ -フランジ型(鋳造品) スリット・ガイドロングタイプ-
4.8通常価格(税別):1,630円~

ミスミ
シャフトホルダ -ブラケット型スリットタイプ- -スタンダードタイプ-
4.5通常価格(税別):1,650円~

ミスミ
シャフトホルダ -ブラケット型スリットタイプ- -ガイドロングタイプ-
4.4通常価格(税別):2,220円~

ミスミ
シャフトホルダ ブラケット型 コンパクト スタンダード/ガイドロングタイプ
4.6通常価格(税別):1,430円~

ミスミ
シャフトホルダ -ブラケット型ホールド部肉厚タイプ- -スタンダードタイプ-
4.5通常価格(税別):1,270円~

ミスミ
【エコノミーシリーズ】 RoHS対応 シャフトホルダ T型スリット・薄型
5通常価格(税別):600円~