メカニカル部品技術窓口
ミスミ品のみ対象


| Type | [ M ]材質 | [ S ]表面処理 | [ A ]付属品 | 洗浄方法 | ||||
| 高さH選択 | 高さH指定 | 洗浄方法 | 洗浄環境 | 梱包形態 | 梱包環境 | |||
| SL-SHPTS | SL-SHPTSH | SUS304 | - | 六角穴付ボルト2本 (SUS) | 脱脂洗浄 | 一般環境 | 防錆梱包 | 一般環境 |
| SH-SHPTS | SH-SHPTSH | 精密洗浄 | クラス1000 | 脱気2重梱包 | クラス10 | |||
| SHD-SHPTS | SHD-SHPTSH | 電解研磨+精密洗浄 | ||||||
| SL-SHPTA | SL-SHPTAH | A6063 | 白アルマイト | 脱脂洗浄 | 一般環境 | 防錆梱包 | 一般環境 | |
| SH-SHPTA | SH-SHPTAH | 精密洗浄 | クラス1000 | 脱気2重梱包 | クラス10 | |||
| SL-SHPTM | SL-SHPTMH | S45C相当 | 無電解ニッケルメッキ | 脱脂洗浄 | 一般環境 | 防錆梱包 | 一般環境 | |
| SH-SHPTM | SH-SHPTMH | 精密洗浄 | クラス1000 | 脱気2重梱包 | クラス10 | |||
詳細図を記載しておりますので、ご確認ください。| 型式 | − | H |
| SL-SHPTS8 SH-SHPTSH8 | − − | 25 25.6 |
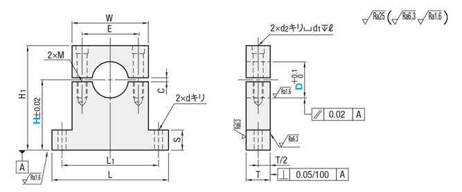
| 型式 | H | L | H1 | T | S | W | L1 | d | E | 締付 ボルト M | d2 | d1 | ℓ | C | ||||||||
| Type | D | 高さH選択タイプ | 高さH指定タイプ 0.1mm単位 | |||||||||||||||||||
| 高さH選択 SL-SHPTS SH-SHPTS SHD-SHPTS SL-SHPTA SH-SHPTA SL-SHPTM SH-SHPTM | 高さH指定 SL-SHPTSH SH-SHPTSH SHD-SHPTSH SL-SHPTAH SH-SHPTAH SL-SHPTMH SH-SHPTMH | 3 | 10 | 15 | 20 | 10.0〜30.0 | 38 | H+6 | 8 | 4 | 22 | 30 | 3.5 | 13 | M3深6 | 3.5 | 6.5 | 3.5 | 1.5 | |||
| 4 | ||||||||||||||||||||||
| 5 | 10 | 15 | 20 | 25 | 10.0〜35.0 | H+7 | ||||||||||||||||
| 6 | ||||||||||||||||||||||
| 8 | 10 | 15 | 20 | 25 | 30 | 40 | 10.0〜50.0 | 50 | H+10 | 10 | 6 | 30 | 40 | 4.5 | 20 | M4深8 | 4.5 | 8 | 4.5 | 2 | ||
| 10 | 10 | 15 | 20 | 25 | 30 | 60 | 38 | 50 | 26 | |||||||||||||
| 12 | ||||||||||||||||||||||
| 13 | 15 | 20 | 25 | 30 | 15.0〜50.0 | |||||||||||||||||
| 15 | 15 | 20 | 25 | 30 | 40 | H+12 | ||||||||||||||||
| 16 | 15 | 20 | 25 | 30 | 40 | |||||||||||||||||
| 20 | 20 | 25 | 30 | 40 | 50 | 60 | 20.0〜60.0 | 82 | H+17 | 16 | 8 | 50 | 66 | 6.6 | 36 | M6深12 | 6.6 | 11 | 6.5 | |||
| 25 | H+20 | |||||||||||||||||||||
| 30 | 25 | 30 | 40 | 50 | 60 | 25.0〜60.0 | 110 | H+30 | 20 | 10 | 70 | 90 | 9 | 48 | M8深16 | 9 | 14 | 9 | 3 | |||
| 35 | ||||||||||||||||||||||
| 40 | 30 | 40 | 50 | 60 | 80 | 30.0〜80.0 | 116 | 76 | 96 | 56 | ||||||||||||
| 50 | 40 | 50 | 60 | 80 | 40.0〜80.0 | 154 | H+40 | 25 | 15 | 102 | 128 | 14 | 76 | M12深24 | 14 | 20 | 13 | |||||
| D | ¥基準単価 | |||||||||||||
| 高さH選択タイプ | 高さH指定タイプ | |||||||||||||
| SL-SHPTS | SH-SHPTS | SHD-SHPTS | SL-SHPTA | SH-SHPTA | SL-SHPTM | SH-SHPTM | SL-SHPTSH | SH-SHPTSH | SHD-SHPTSH | SL-SHPTAH | SH-SHPTAH | SL-SHPTMH | SH-SHPTMH | |
| 3 | 3,850 | 4,450 | 4,810 | 2,380 | 2,980 | 2,480 | 3,080 | 6,200 | 6,800 | 7,160 | 3,500 | 4,100 | 3,800 | 4,400 |
| 4 | 3,850 | 4,450 | 4,810 | 2,410 | 3,010 | 2,540 | 3,140 | 6,200 | 6,800 | 7,160 | 3,500 | 4,100 | 3,940 | 4,540 |
| 5 | 3,940 | 4,540 | 4,900 | 2,480 | 3,080 | 2,610 | 3,210 | 6,380 | 6,980 | 7,340 | 3,590 | 4,190 | 4,070 | 4,670 |
| 6 | 3,940 | 4,540 | 4,900 | 2,520 | 3,120 | 2,670 | 3,270 | 6,380 | 6,980 | 7,340 | 3,590 | 4,190 | 4,190 | 4,790 |
| 8 | 4,790 | 5,390 | 5,750 | 2,860 | 3,460 | 2,990 | 3,590 | 7,980 | 8,580 | 8,940 | 3,670 | 4,270 | 4,850 | 5,450 |
| 10 | 4,790 | 5,390 | 5,750 | 2,960 | 3,560 | 3,120 | 3,720 | 7,980 | 8,580 | 8,940 | 4,700 | 5,300 | 5,120 | 5,720 |
| 12 | 5,530 | 6,130 | 6,490 | 3,110 | 3,710 | 3,240 | 3,840 | 9,380 | 9,980 | 10,340 | 4,880 | 5,480 | 5,370 | 5,970 |
| 13 | 5,530 | 6,130 | 6,490 | 3,210 | 3,810 | 3,370 | 3,970 | 9,380 | 9,980 | 10,340 | 5,370 | 5,970 | 5,630 | 6,230 |
| 15 | − | − | − | − | − | 3,540 | 4,140 | − | − | − | − | − | 5,980 | 6,580 |
| 16 | 6,180 | 6,780 | 7,140 | 3,360 | 3,960 | 3,540 | 4,140 | 10,620 | 11,220 | 11,580 | 7,080 | 7,680 | 5,980 | 6,580 |
| 20 | 7,970 | 8,570 | 8,930 | 3,630 | 4,230 | 4,350 | 4,950 | 14,010 | 14,610 | 14,970 | 9,030 | 9,630 | 7,630 | 8,230 |
| 25 | 8,130 | 8,730 | 9,090 | 3,750 | 4,350 | 4,520 | 5,120 | 14,280 | 14,880 | 15,240 | 9,640 | 10,240 | 7,970 | 8,570 |
| 30 | 9,610 | 10,210 | 10,570 | 4,340 | 4,940 | 5,560 | 6,160 | 17,090 | 17,690 | 18,050 | 9,990 | 10,590 | 10,090 | 10,690 |
| 35 | 10,020 | 10,620 | 10,980 | 5,620 | 6,220 | 5,970 | 6,570 | 17,850 | 18,450 | 18,810 | 10,180 | 10,780 | 10,920 | 11,520 |
| 40 | 12,310 | 12,910 | 13,270 | 6,300 | 6,900 | 6,470 | 7,070 | 22,180 | 22,780 | 23,140 | 10,460 | 11,060 | 11,960 | 12,560 |
| 50 | 14,260 | 14,860 | 15,220 | 8,000 | 8,600 | 8,600 | 9,200 | 25,880 | 26,480 | 26,840 | 10,760 | 11,360 | 16,300 | 16,900 |
洗浄工程| ※材質がステンレスの場合、アルカリ系温水洗浄となることがあります。 | |
| ・脱脂洗浄(型式:SL-□□) | ※表面処理が低温黒色クロムメッキの場合、IPA洗浄となります。 |
作業環境:一般環境 | ||||||
|---|---|---|---|---|---|---|
![]() 炭化水素系洗浄※ Ro水洗浄 中性洗剤洗浄 | ![]() | ![]() 高圧ジェット水洗(Ro水) 後に純水(10MΩ・cm)で 洗浄 | ![]() | ![]() エアブロー(オイルフリー) 使用 | ![]() | ![]() 防錆袋使用 |
| ・精密洗浄(型式:SH-□□) | ※表面処理が低温黒色クロムメッキの場合、IPA洗浄となります。 |
作業環境:クラス1000 | 作業環境:クラス10 | |||||||
|---|---|---|---|---|---|---|---|---|
![]() 炭化水素系洗浄※ Ro水洗浄 中性洗剤洗浄 | ![]() | ![]() 高圧ジェット水洗(Ro水) 後に純水(10MΩ・cm)で 洗浄 | ![]() | ![]() 温純水(13MΩ・cm)使用 | ![]() | ![]() 窒素ブロー使用 | ![]() | ![]() クリーンベンチ(クラス10) で実施 |
作業環境:クラス1000 | 作業環境:クラス10 | |||||||||
|---|---|---|---|---|---|---|---|---|---|---|
![]() 炭化水素系洗浄 Ro水洗浄 中性洗剤洗浄 | ![]() | ![]() 材質に応じた電解研磨槽 で電解研磨 | ![]() | ![]() 高圧ジェット水洗(Ro水) 後に純水(10MΩ・cm)で 洗浄 | ![]() | ![]() 温純水(13MΩ・cm)使用 | ![]() | ![]() 窒素ブロー使用 | ![]() | ![]() クリーンベンチ(クラス10) で実施 |
梱包例| 脱脂洗浄の場合 (TYPE型番:SL-□□) | 精密洗浄または電解研磨+精密洗浄の場合 | |
| (TYPE型番:SH-□□・SHD-□□) | ||
| オーステナイト系ステンレス・アルミ材質の場合 | 鉄・マルテンサイト系ステンレス材質の場合 | |
![]() | ![]() | ![]() |
| 一部商品・サイズによっては、 梱包形態が異なる場合がございます。 | [ ! ]1重目・2重目の梱包とも、脱気されております。 | [ ! ]防錆対策として乾燥剤を同封しております。 1梱包につき1つになります。 |
洗浄効果・利用推奨環境洗浄方法 | 商品型番 | 梱包形態 | 未洗浄品と比べた効果 | ご利用環境(目安) | 利用シーン・工程 |
|---|---|---|---|---|---|
| 脱脂洗浄 | SL-□□ | 防錆梱包 | 油分除去 | 一般環境 | 通常組立工程 |
| バッテリー組立後工程 | |||||
| 精密洗浄 | SH-□□ | 脱気2重梱包 | 油分除去 粉塵除去 | クリーン環境(クラス10~1,000) | バッテリー組立工程 |
| 液晶関連組立後工程 | |||||
| 車載カメラ組立工程 | |||||
| 電解研磨+精密洗浄 | SHD-□□ | 脱気2重梱包 | 油分除去 粉塵除去 アウトガス低減 | 真空環境 クリーン環境(クラス10~1,000) | 半導体前工程 |
| 液晶成膜工程 | |||||
| 有機EL前工程 |
| 型番 |
|---|
通常単価(税別)
(税込単価) | 通常出荷日 |
洗浄不要の場合の代替品
|
|---|
- ( - ) | 6日目 |
|
- ( - ) | 6日目 |
|
- ( - ) | 6日目 |
|
- ( - ) | 6日目 |
|
- ( - ) | 6日目 |
|
- ( - ) | 6日目 |
|
- ( - ) | 6日目 |
|
- ( - ) | 6日目 |
|
- ( - ) | 6日目 |
|
- ( - ) | 6日目 |
|
- ( - ) | 6日目 |
|
- ( - ) | 6日目 |
|
- ( - ) | 6日目 |
|
- ( - ) | 6日目 |
|
- ( - ) | 6日目 |
|
- ( - ) | 6日目 |
|
- ( - ) | 6日目 |
|
- ( - ) | 6日目 |
|
- ( - ) | 6日目 |
|
- ( - ) | 6日目 |
|
- ( - ) | 6日目 |
|
- ( - ) | 6日目 |
|
- ( - ) | 6日目 |
|
- ( - ) | 6日目 |
|
- ( - ) | 6日目 |
|
- ( - ) | 6日目 |
|
- ( - ) | 6日目 |
|
- ( - ) | 6日目 |
|
- ( - ) | 6日目 |
|
- ( - ) | 6日目 |
|
- ( - ) | 6日目 |
|
- ( - ) | 6日目 |
|
- ( - ) | 6日目 |
|
- ( - ) | 6日目 |
|
- ( - ) | 6日目 |
|
- ( - ) | 6日目 |
|
- ( - ) | 6日目 |
|
- ( - ) | 6日目 |
|
- ( - ) | 6日目 |
|
- ( - ) | 6日目 |
|
- ( - ) | 6日目 |
|
- ( - ) | 6日目 |
|
- ( - ) | 6日目 |
|
- ( - ) | 6日目 |
|
- ( - ) | 6日目 |
|
- ( - ) | 6日目 |
|
- ( - ) | 6日目 |
|
- ( - ) | 6日目 |
|
- ( - ) | 6日目 |
|
- ( - ) | 6日目 |
|
- ( - ) | 6日目 |
|
- ( - ) | 6日目 |
|
- ( - ) | 6日目 |
|
- ( - ) | 6日目 |
|
- ( - ) | 6日目 |
|
- ( - ) | 6日目 |
|
- ( - ) | 6日目 |
|
- ( - ) | 6日目 |
|
- ( - ) | 6日目 |
|
- ( - ) | 6日目 |
| ・脱脂洗浄(防錆1重梱包) | :型番SL-□□ |
| ・精密洗浄(脱気2重梱包) | :型番SH-□□ |
| ・電解研磨+精密洗浄(脱気2重梱包) | :型番SHD-□□ |
| 商品型番 | 洗浄方法 | 梱包形態 | 未洗浄品と比べた効果 | ご利用環境(目安) | 工程別 |
| SL-□□ | 脱脂洗浄 | 防錆梱包 | 油分除去 | 一般環境 | 通常組立工程 |
| バッテリー組立後工程 | |||||
| SH-□□ | 精密洗浄 | 脱気2重梱包 | 油分除去 粉塵除去 | クリーン環境(クラス10~1,000) | バッテリー組立工程 |
| 液晶関連組立後工程 | |||||
| 車載カメラ組立工程 | |||||
| SHD-□□ | 電解研磨+精密洗浄 | 脱気2重梱包 | 油分除去 粉塵除去 アウトガス低減 | 真空環境 クリーン環境(クラス10~1,000) | 半導体前工程 |
| 液晶成膜工程 | |||||
| 有機EL前工程 |
| 数量区分 | 標準対応 | 個別対応 | ||||
| 小口 | 大口 | 大口 | ||||
| 数 量 | 1〜9 | 10〜12 | 13・14 | 15〜19 | 20〜50 | 51~ |
| 値引率 | 基準単価 | 5% | 10% | 18% | 23% | お見積り |
| 出荷日 | 通常 | +8日 | ||||

通常価格、通常出荷日が表示と異なる場合がございます
通常価格、通常出荷日が表示と異なる場合がございます

ミスミ
シャフトホルダ -フランジ型(鋳造品) スリット・スタンダードタイプ-
4.5通常価格(税別):900円~

ミスミ
シャフトホルダ -T型(鋳造品) スリット・スタンダードタイプ-
4.3通常価格(税別):760円~

ミスミ
シャフトホルダ -ブラケット型スタンダードタイプ- -取付穴キリ穴/取付穴タップ穴-
4.6通常価格(税別):860円~

ミスミ
シャフトホルダ -フランジ型(鋳造品) スリット・ガイドロングタイプ-
4.8通常価格(税別):1,630円~

ミスミ
シャフトホルダ -ブラケット型スリットタイプ- -スタンダードタイプ-
4.5通常価格(税別):1,650円~

ミスミ
シャフトホルダ -ブラケット型スリットタイプ- -ガイドロングタイプ-
4.4通常価格(税別):2,220円~

ミスミ
シャフトホルダ ブラケット型 コンパクト スタンダード/ガイドロングタイプ
4.6通常価格(税別):1,430円~

ミスミ
シャフトホルダ -T型(機械加工品) 止めねじタイプ-
4.4通常価格(税別):870円~

ミスミ
シャフトホルダ -ブラケット型ホールド部肉厚タイプ- -スタンダードタイプ-
4.5通常価格(税別):1,270円~