メカニカル部品技術窓口
ミスミ品のみ対象
【特長】配線をシャフトの内側に通したり重量を軽くしたりといった用途に便利な直動用シャフト(リニアシャフ...
詳細を確認
メッキ無し品は
です。| Type | [ M ]材質 | [ H ]硬度 | [ S ]表面処理 |
| SPJA | SUJ2相当 | 高周波焼入 有効硬化層深さ >>こちら 58HRC〜 | − |
| PSPJA | 硬質クロムメッキ メッキ硬度HV750〜 メッキ厚5μ以上 | ||
| RSPJA | 低温黒色クロムメッキ |
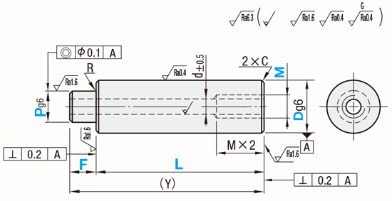
| 型式 | − | L | − | F | − | P | − | M |
| SPJA20 | − | 277 | − | F25 | − | P16 | − | M16 |
| 型式 | 指定1mm単位 | M(並目) 選択 | (Y) Max. | d | R | C | ||||||||||||||
| Type | Dg6 | L | F | P | ||||||||||||||||
| SPJA PSPJA RSPJA (D≦30、L≦500) | 6 | −0.004 −0.012 | 25〜 598 | 2≦F≦P×3 | 5≦P<D | 3 | 600 | 2 | 0.3 以下 | 0.5 以下 | ||||||||||
| 8 | −0.005 −0.014 | 25〜 798 | 6≦P<D | 4 | 5 | 800 | 3 | |||||||||||||
| 10 | 25〜 798 | 7≦P<D | 5 | 6 | 800 | 4 | ||||||||||||||
| 12 | −0.006 −0.017 | 25〜 998 | 10≦P<D | 8 | T1(RC1/8) | 1000 | 6 | |||||||||||||
| 13 | 25〜 998 | 10 | T1(RC1/8) | 1000 | 7 | |||||||||||||||
| 16 | 25〜1198 | 13≦P<D | 12 | T2(RC1/4) | 1200 | 10 | ||||||||||||||
| 20 | −0.007 −0.020 | 25〜1198 | 16≦P<D | 16 | T3(RC3/8) | 1200 | 14 | 1.0 以下 | ||||||||||||
| 25 | 25〜1198 | 20≦P<D | 20 | 1200 | 16 | |||||||||||||||
| 30 | 25〜1498 | 22≦P<D | 20 | 1500 | 17 | |||||||||||||||
| 35 | −0.009 −0.025 | 25〜1498 | 24≦P<D | 24 | 1500 | 19 | 0.5 以下 | |||||||||||||
| 40 | 25〜1498 | 25≦P<D | 24 | 30 | 1500 | 20 | ||||||||||||||
| 50 | 25〜1498 | 32≦P<D | 30 | 1500 | 26 | |||||||||||||||
| 3 | 日目出荷 |
| 8 | 日目出荷 |
| 追加工コード | 追加工内容 | 固定寸法 | 適用条件 | 指定例 | ¥/1Code | ||||||||||||||||||||||||||||||||||||||||||
|---|---|---|---|---|---|---|---|---|---|---|---|---|---|---|---|---|---|---|---|---|---|---|---|---|---|---|---|---|---|---|---|---|---|---|---|---|---|---|---|---|---|---|---|---|---|---|---|
| DKC | 外径公差を |
| [ NG ]低温黒色クロムメッキは適応不可 | SPJA20-277-F25-P16-M16-DKC | 400 | ||||||||||||||||||||||||||||||||||||||||||
| LKC | L寸法・公差を | ・L<200→L±0.03 ・200≦L<500→L±0.05 ・L≧500→L±0.1 | [ ! ]L寸単位0.1mm指定可 [ NG ]D-P≦2の場合、適用不可 | SPJA20-277-F25-P16-M16-LKC | 400 | ||||||||||||||||||||||||||||||||||||||||||
| SC | スパナ溝1箇所追加 |
| [ ! ]SC=指定1mm単位 [ ! ]SC+ℓ1≦L-M×2 [ ! ]SC≧0 | SPJA20-277-F25-P16-M16-SC5 | 400 |
・上記以外の追加工をご希望の場合は、「 カタログ規格外サービス」にてお見積りください。


| D | 真円度 M | |
|---|---|---|
| を超え | 以下 | |
| 5 | 13 | 0.004 |
| 13 | 20 | 0.005 |
| 20 | 40 | 0.006 |
| 40 | 50 | 0.007 |
| D | L | 真直度 K | |
|---|---|---|---|
| 6~50 | L≦100 | 0.01以下 | |
| L>100 | (L/100)×0.01以下 | ||
| L | L寸法 公差 | |
|---|---|---|
| を超え | 以下 | |
| 24 | 30 | ±0.2 |
| 30 | 120 | ±0.3 |
| 120 | 400 | ±0.5 |
| 400 | 1000 | ±0.8 |
| 1000 | 1500 | ±1.2 |
■パイプシャフト偏肉・パイプ内径について
パイプシャフトは材質によって偏肉量(A-B)、パイプ内径(d)が異なります。
| 外径 (D) | SUJ2相当 | SUS440Cまたは 13Cr系ステンレス | ||
| 偏肉量 | 内径 | 偏肉量 | 内径 | |
| 6 | 0.3以下 | 2 | − | − |
| 8 | 0.4以下 | 3 | 1.5以下 | 3 |
| 10 | 4 | 4.0以下 | 4 | |
| 12 | 6 | 5 | ||
| 13 | 7 | 5 | ||
| 16 | 10 | 6 | ||
| 20 | 14 | 8 | ||
| 25 | 0.6以下 | 16 | 10 | |
| 30 | 1.0以下 | 17 | 12 | |
| 35 | 19 | − | − | |
| 40 | 1.5以下 | 20 | − | − |
| 50 | 26 | − | − | |

※パイプシャフトの内部はメッキ処理されません。よって、錆の発生があります。
■加工部の硬度低下について
・母材焼入れ後に加工をいたしますが、加工のための焼きなましにより硬度低下の可能性があります。
※低下後硬度:10~40HRC程度
■硬度低下範囲
・加工部から10mm程度

■焼なましによる硬度低下加工部
・段付 ・スパナ溝
■焼き入れの有効硬化層深さ
有効硬化層深さは外形寸法や材質の違いにより異なります。
| 外径 D | 有効硬化層深さ | |||
|---|---|---|---|---|
| SUJ2相当 | SUS440C/ 13Cr系ステンレス | |||
| 6~10 | 0.5以上 | 0.5以上 | ||
| 12・13 | 0.7以上 | |||
| 16・20 | 0.7以上 | |||
| 25~50 | 1.0以上 | |||
■硬質クロムメッキ及び加工部のメッキ層について
※パイプシャフトの内部はメッキ処理されません。よって、錆の発生があります。
///部:メッキ残部

・リニアシャフトと 回転軸用シャフトの仕様比較
■基本仕様
| 仕様 | シャフト | 回転軸 | ||||||||
|---|---|---|---|---|---|---|---|---|---|---|
| 材質 | SUJ2相当 SUS440Cまたは13Cr系ステンレス | S45C相当 SUS304 | S45C相当 SUS304 | SCM435 | ||||||
| 焼き入れ | 高周波焼き入れ | - | - | 硬度30~35HRC | ||||||
| 外径公差 | g6/h5 | f8 | g6/h9/h7 | g6 | ||||||
| 表面処理 | メッキ無 硬質クロムメッキ 低温黒色クロムメッキ 無電解ニッケルメッキ(全長表面処理タイプ) | 硬質クロムメッキ | メッキ無 四三酸化鉄皮膜 無電解ニッケルメッキ | 四三酸化鉄皮膜 無電解ニッケルメッキ | ||||||
※硬質クロムメッキは加工部にメッキ層が残りません。詳しくは こちらをご確認ください
■追加工
| 追加工名称 | シャフト | 回転軸 | |||||
|---|---|---|---|---|---|---|---|
| L寸公差変更 | L<200⇒L±0.03 200≦L<500⇒L±0.05 L≧500⇒L±0.1 | L<500⇒L±0.05 L≧500⇒L±0.1 L≧800は適用不可 | |||||
| スパナ溝追加工 | 2箇所まで指定可能 | 1箇所まで指定可能 | |||||
| 平面取り | 2箇所まで指定可能 | 3箇所まで指定可能 | |||||
| 2面取り追加工 | 2箇所まで指定可能 角度指定:固定 | 1箇所まで指定可能 角度指定:15度単位で指定可能 | |||||
| V溝追加工 | 2箇所まで指定可能 | - | |||||
| キー溝 | 2箇所まで指定可能 段部への加工:不可 | 4箇所まで指定可能 段部への加工:可 | |||||
| おねじ細目ねじ変更 | 2種類 | 1種類 | |||||
| めねじ細目ねじ変更 | 1種類 | - | |||||
| 逃げ溝追加 | M6~M30 | M3~M30 | |||||
| めねじ深さ変更 | 可能 | 可能 | |||||
| 止め輪溝 | 2箇所指定可能 (追加工ではなく止め輪付タイプとなります) | D部2箇所、段部それぞれ1箇所 併用可 | |||||
| スリットカム用溝 | - | 1箇所まで指定可能 | |||||
| 同軸度変更 | - | 可能 | |||||
| おねじ左ねじ変更 | - | 可能 | |||||
| すり割り溝追加 | - | 1箇所まで指定可能 | |||||
| C面取り幅変更 | - | 可能 | |||||
■よくある質問
//jp.misumi-ec.com/maker/misumi/mech/linear_shaft/tech_support/#anc06
■規格外品サービスのご案内
ミスミ FA 標準品から規格外部品のお見積もり・ご注文ができるサービスです。
標準型式を指定後、サイズ変更や追加工処理などの条件をご指示ください。
https://meviy.misumi-ec.com/ja-jp/2dx/app/create/qt
規格外品サービスによくある質問
| 型番 |
|---|
通常単価(税別)
(税込単価) | 通常出荷日 |
|---|
- ( - ) | 3日目 |
- ( - ) | 3日目 |
- ( - ) | 3日目 |
- ( - ) | 3日目 |
- ( - ) | 3日目 |
- ( - ) | 3日目 |
- ( - ) | 3日目 |
- ( - ) | 3日目 |
- ( - ) | 3日目 |
- ( - ) | 3日目 |
- ( - ) | 3日目 |
- ( - ) | 3日目 |
- ( - ) | 3日目 |
- ( - ) | 3日目 |
- ( - ) | 3日目 |
- ( - ) | 3日目 |
- ( - ) | 15日目 |
- ( - ) | 15日目 |
- ( - ) | 15日目 |
- ( - ) | 15日目 |
- ( - ) | 15日目 |
- ( - ) | 15日目 |
- ( - ) | 15日目 |
- ( - ) | 15日目 |
- ( - ) | 15日目 |
- ( - ) | 15日目 |
- ( - ) | 15日目 |
- ( - ) | 15日目 |
- ( - ) | 15日目 |
- ( - ) | 3日目 |
- ( - ) | 3日目 |
- ( - ) | 3日目 |
- ( - ) | 3日目 |
- ( - ) | 3日目 |
- ( - ) | 3日目 |
- ( - ) | 3日目 |
- ( - ) | 3日目 |
- ( - ) | 3日目 |
- ( - ) | 3日目 |
- ( - ) | 3日目 |
- ( - ) | 3日目 |
- ( - ) | 3日目 |
- ( - ) | 3日目 |
- ( - ) | 3日目 |
- ( - ) | 3日目 |
【特長】配線をシャフトの内側に通したり重量を軽くしたりといった用途に便利な直動用シャフト(リニアシャフト・焼入れシャフト・ガイドシャフト・スライドシャフト)片端段付・片端めねじパイプタイプになります。
【技術コンテンツ】
選定や追加工、焼き入れなどについての技術情報をご用意しております!
シャフト選定手順追加工・公差変更寸法公差回転軸との違い焼き入れ詳細よくある質問
| 型式 | ¥基準単価 | ||||||||||||
| Type | D | 最短L~50 | L51~100 | L101~150 | L151~200 | L201~300 | L301~400 | L401~500 | L501~600 | L601~800 | L801~1000 | L1001~1200 | L1201~1498 |
| SPJA RSPJA 右記価格+下表価格 | 6 | 680 | 810 | 920 | 1,060 | 1,380 | 1,680 | 2,010 | 2,310 | - | - | - | - |
| 8 | 700 | 830 | 980 | 1,100 | 1,450 | 1,790 | 2,130 | 2,470 | 3,290 | - | - | - | |
| 10 | 640 | 770 | 880 | 990 | 1,280 | 1,560 | 1,840 | 2,120 | 2,690 | - | - | - | |
| 12 | 750 | 900 | 1,070 | 1,240 | 1,640 | 2,040 | 2,430 | 2,820 | 3,590 | 4,430 | - | - | |
| 13 | 690 | 820 | 960 | 1,090 | 1,430 | 1,750 | 2,090 | 2,430 | 3,690 | 4,360 | - | - | |
| 16 | 710 | 850 | 990 | 1,130 | 1,480 | 1,830 | 2,170 | 2,510 | 3,800 | 4,500 | 5,280 | - | |
| 20 | 710 | 860 | 1,000 | 1,160 | 1,500 | 1,850 | 2,230 | 2,580 | 3,870 | 4,590 | 5,300 | - | |
| 25 | 790 | 960 | 1,130 | 1,310 | 1,750 | 2,210 | 2,650 | 3,090 | 4,580 | 5,460 | 6,350 | - | |
| 30 | 890 | 1,100 | 1,330 | 1,560 | 2,140 | 2,710 | 3,280 | 3,850 | 5,590 | 6,740 | 7,900 | 9,780 | |
| 35 | 1,000 | 1,280 | 1,560 | 1,850 | 2,570 | 3,280 | 4,000 | 4,710 | 6,740 | 8,180 | 9,620 | 11,920 | |
| 40 | 1,160 | 1,530 | 1,900 | 2,260 | 3,190 | 4,120 | 5,020 | 5,920 | 8,380 | 10,260 | 12,080 | 14,980 | |
| 50 | 1,420 | 1,920 | 2,420 | 2,910 | 4,140 | 5,380 | 6,920 | 8,450 | 10,950 | 13,410 | 15,870 | 19,730 | |
| PSPJA | 6 | 760 | 910 | 1,090 | 1,250 | 1,660 | 2,060 | 2,470 | 2,880 | - | - | - | - |
| 8 | 790 | 960 | 1,130 | 1,310 | 1,750 | 2,190 | 2,640 | 3,080 | 4,120 | - | - | - | |
| 10 | 710 | 870 | 1,010 | 1,160 | 1,530 | 1,900 | 2,260 | 2,630 | 3,360 | - | - | - | |
| 12 | 840 | 1,060 | 1,260 | 1,470 | 2,000 | 2,510 | 3,020 | 3,550 | 4,590 | 5,630 | - | - | |
| 13 | 750 | 900 | 1,070 | 1,240 | 1,650 | 2,040 | 2,450 | 2,860 | 4,370 | 5,170 | - | - | |
| 16 | 770 | 920 | 1,090 | 1,270 | 1,700 | 2,130 | 2,540 | 2,960 | 4,530 | 5,360 | 6,300 | - | |
| 20 | 780 | 950 | 1,120 | 1,290 | 1,720 | 2,140 | 2,590 | 3,020 | 4,600 | 5,460 | 6,330 | - | |
| 25 | 850 | 1,070 | 1,280 | 1,490 | 2,040 | 2,580 | 3,120 | 3,650 | 5,450 | 6,510 | 7,610 | - | |
| 30 | 990 | 1,250 | 1,530 | 1,810 | 2,510 | 3,190 | 3,890 | 4,580 | 6,680 | 8,060 | 9,490 | 11,750 | |
| 35 | 1,110 | 1,460 | 1,810 | 2,140 | 3,020 | 3,890 | 4,760 | 5,620 | 8,060 | 9,810 | 11,540 | 14,330 | |
| 40 | 1,320 | 1,750 | 2,220 | 2,660 | 3,690 | 4,880 | 6,000 | 7,100 | 10,070 | 12,330 | 14,520 | 18,060 | |
| 50 | 1,630 | 2,230 | 2,820 | 3,420 | 4,920 | 6,430 | 8,270 | 10,130 | 13,180 | 16,140 | 19,120 | 23,780 | |
| 低温黒色 クロムメッキ 追加価格 | D | ¥追加価格 | ||||||
| 最短L~50 | L51~100 | L101~150 | L151~200 | L201~300 | L301~400 | L401~500 | ||
| 6 | 1,030 | 1,030 | 1,040 | 1,040 | 1,110 | 1,200 | 1,250 | |
| 8 | 1,030 | 1,040 | 1,100 | 1,190 | 1,250 | 1,410 | 1,550 | |
| 10 | 1,040 | 1,110 | 1,180 | 1,320 | 1,540 | 1,690 | 1,850 | |
| 12 | 1,110 | 1,250 | 1,400 | 1,540 | 1,760 | 2,070 | 2,360 | |
| 13 | 1,110 | 1,250 | 1,400 | 1,620 | 1,920 | 2,230 | 2,510 | |
| 16 | 1,250 | 1,470 | 1,690 | 2,060 | 2,570 | 3,010 | 3,470 | |
| 20 | 1,400 | 1,840 | 2,220 | 2,720 | 3,470 | 3,860 | 4,250 | |
| 25 | 1,760 | 2,350 | 2,930 | 3,490 | 4,260 | 5,190 | 5,800 | |
| 30 | 2,120 | 2,940 | 3,510 | 4,320 | 5,380 | 6,340 | 7,560 | |
| 数量区分 | 標準対応 | 個別対応 | |||
| 小口 | 大口 | ||||
| 数 量 | 1〜4 | 5〜12 | 13〜19 | 20〜50 | 51~ |
| 値引率 | 基準単価 | 5% | 10% | 15% | お見積り |



通常価格、通常出荷日が表示と異なる場合がございます
通常価格、通常出荷日が表示と異なる場合がございます

ミスミ
シャフト ストレートタイプ
4.7通常価格(税別):200円~

ミスミ
シャフト 両端めねじタイプ
4.7
ミスミ
シャフト 片端めねじタイプ
4.6
ミスミ
シャフト 両端めねじキリ穴付タイプ・スパナ溝付タイプ
4.4
ミスミ
シャフト 片端めねじキリ穴付・スパナ溝付タイプ
4.6
ミスミ
シャフト 片端おねじ・片端めねじ 逃げ溝スパナ溝付き/キリ穴付き
4.6
ミスミ
シャフト 片端おねじタイプ
4.6
ミスミ
シャフト 両端段付めねじ/両端段付
4.5
ミスミ
シャフト 片端おねじ逃げ溝 キリ穴付きタイプ・スパナ溝付きタイプ
4.5