プレス金型部品技術窓口
ミスミ品のみ対象

[ M ]材質 SKD11相当
[ H ]硬度 60~63HRC
シャンク径 D[ T ]公差 | [ M ]材質 | [ H ]母材硬度 | [ H ]表面硬度 (α処理) | 型式 |
m5 | SKD11相当 | 60~63HRC | 1100~1200HV | P-SPCPD |
型式 | 指定0.1mm単位 | 指定0.01mm単位 | 指定0.1mm単位 | 指定0.1mm単位 | G | |||||||
L | P | V | B | S | ||||||||
Type | D | min. | max. | min. | max. | |||||||
P-SPCPD | 8 | 35.0~60.0 | 4.80 | ~ | 7.99 | 1.50 | Gー0.5 | 4.0≦B≦19.0 and B≦Lー27 | 3 | (10) | G≦P×0.6 and (PーG)/2≧1.20 | 指定 0.2mm単位 |
10 | 4.80 | ~ | 9.99 | 1.50 | ||||||||
13 | 5.80 | ~ | 12.99 | 1.50 | 指定 0.5mm単位 | |||||||
16 | 9.80 | ~ | 15.99 | 2.50 | 4.0≦B≦25.0 and B≦Lー27 | |||||||
20 | 12.80 | ~ | 19.99 | 3.50 | 12 | |||||||
25 | 40.0~60.0 | 17.80 | ~ | 24.99 | 5.00 | 4.0≦B≦25.0 and B≦Lー32 | ||||||
32 | 19.80 | ~ | 31.99 | 7.50 | 15 | |||||||
| 型式 | - | L | - | P | - | V | - | B | - | S | - | G | ||
| P-SPCPD20 | - | 55.0 | - | P14.65 | - | V7.35 | - | B8 | - | S10 | - | G8.5 | ||
| 11 | 日目出荷 |
| 型式 | - | L | - | P | - | V | - | B | - | S | - | G | - | (TLC・LKC・・・etc.) | ||
| P-SPCPD20 | - | 55.0 | - | P14.65 | - | V7.35 | - | B8 | - | S10 | - | G8.5 | - | TKC |
| 追加工 | 記号 | 詳細 | ||
| 刃先 | ![]() | PKC | 刃先公差変更 P+0.01 0→+0.005 0 [ ! ](P寸法0.001mm単位指定可) | |
![]() | VKC | 刃先公差変更 V+0.01 0→+0.005 0 [ ! ](V寸法0.001mm単位指定可) | ||
| 全長 | ![]() | LKC | 全長公差 変 更 | L+0.3 0→ +0.05 0 |
| ツバ部 | ![]() | KC | ツバ部廻り止め 一面加工 | |
![]() | WKC | 廻り止め平行 加工(2面) | ||
![]() | KFC | ![]() [ NG ]KC・WKC併用不可 廻り止め0゜と角度指定加工(2面) 指定1°単位 | ||
![]() | HC | ツバ径変更 D≦HC<(D+3) 指定0.1mm単位 | ||
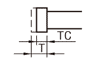
![]() | TC | ツバ厚変更 2≦TC<5 指定0.1mm単位 (TKC・TKM併用の場合0.01mm単位指定可) [ ! ]全長は指定寸法と同じです。 | ||
![]() | TKC | ツバ厚公差 変 更 | T+0.3 0→ +0.02 0 | |
| (TC併用の場合、T寸法0.01mm単位指定可) | ||||
| TKM | ツバ厚公差 変 更 | T+0.3 0→ 0-0.02 | ||
| (TC併用の場合、T寸法0.01mm単位指定可) | ||||
![]() | TCC | ツバ部C面加工 パンチ頭部の強度UPになります。 指定0.01mm単位 0.5≦TCC≦(H-D)/2 [ ! ]H≦5はTCC 0.05になります。 | ||
| シャンク部 | ![]() | NDC | 導入部 無 し | ℓ≧3→ℓ=0 |

| 型番 |
|---|
通常単価(税別)
(税込単価) | 通常出荷日 |
|---|
- ( - ) | 8日目 |
- ( - ) | 8日目 |
- ( - ) | 8日目 |
- ( - ) | 8日目 |
- ( - ) | 8日目 |
- ( - ) | 8日目 |
- ( - ) | 8日目 |
新表面処理が登場!
「コーティング無しでパンチを強化したい」「パンチの潤滑性を高めたい」
などのお悩みを、新表面処理技術「α処理®」が解決します。
【α処理®の特長】
・処理表面のナノ結晶化により靭性を損なわない硬度向上を実現!
・従来の表面処理と比較して、現寸法・刃先形状・エッジ部の変化を最小限に抑えて強化可能!
・処理表面にマイクロテクスチャを形成させることで摩擦係数が下がり摺動性と油保持力を向上!
(詳細は「α処理®(新表面処理技術) ボタンダイ&パンチへの適用」をご参照ください。)
■プレス金型用標準部品の新商品紹介はこちら。
通常価格、通常出荷日が表示と異なる場合がございます
通常価格、通常出荷日が表示と異なる場合がございます

ミスミ
総抜きパンチ
4.3
ミスミ
ショルダーパンチ
4.8
ミスミ
ジェクタパンチ
4.6
ミスミ
ストレートパンチ ノーマル・ラップ仕上げ
4.7
ミスミ
ジェクタパンチ -TiCNコーティング-
4.5
ミスミ
ショルダーパンチ -TiCNコーティング-
4.3
ミスミ
位置決めノック穴付ジェクタパンチ
4.4
ミスミ
厚板打抜き用パンチ -TiCNコーティング-
4.6
ミスミ
厚板打抜き用パンチ-HWコーティング(TiCNコーティング+WPC®処理)-
3.5