プレス金型部品技術窓口
ミスミ品のみ対象
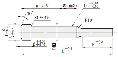
より選択
| シャンク径 D[ T ]公差 | [ M ]材質 [ H ]硬度 | 型式 | ||
|---|---|---|---|---|
| Type | 刃先形状 | B 刃先長さ | ||
| Dm5 | SKH51相当 61~64HRC 表面3000HV | HW-AP |
|
L>S |
| 粉末ハイス鋼 64~67HRC 表面3000HV | HW-APH | |||
| D +0.005/0 | SKH51相当 61~64HRC 表面3000HV | AHW-AP | ||
| 粉末ハイス鋼 64~67HRC 表面3000HV | AHW-APH | |||
[ ! ]P≧W
[ ! ]P≧W
| 型式 | L | 指定0.01mm単位 | 0.01mm | B | H | |||||||||||||
|---|---|---|---|---|---|---|---|---|---|---|---|---|---|---|---|---|---|---|
|
|
| ||||||||||||||||
| Type | 刃先形状 | B 刃先長さ | D | |||||||||||||||
| min. P max. | P・Kmax. | P・Wmin. | R | |||||||||||||||
| Dm5 HW-AP HW-APH D +0.005/0 AHW-AP AHW-APH |
|
| 5 | 50 | 60 | 70 | 80 | 90 | 100 | 2.00~4.99 | 4.97 | 1.20 | 0.15 ~ W2 未満 ![]() のみ | 8 | 10 | |||
| 6 | 50 | 60 | 70 | 80 | 90 | 100 | 2.00~5.99 | 5.97 | 1.50 | 11 | ||||||||
| 8 | (50) | 60 | 70 | 80 | 90 | 100 | 110 | 120 | 130 | 3.00~7.99 | 7.97 | 2.00 | 13 | 13 | ||||
| 10 | (50) | 60 | 70 | 80 | 90 | 100 | 110 | 120 | 130 | 3.00~9.99 | 9.97 | 2.50 | 15 | |||||
| 13 | (50) | 60 | 70 | 80 | 90 | 100 | 110 | 120 | 130 | 6.00~12.99 | 12.97 | 3.00 | 18 | |||||
| 16 | (50) | 60 | 70 | 80 | 90 | 100 | 110 | 120 | 130 | 10.00~15.99 | 15.97 | 4.00 | 19 | 21 | ||||
| 20 | (50) | 60 | 70 | 80 | 90 | 100 | 110 | 120 | 130 | 13.00~19.99 | 19.97 | 5.00 | 25 | |||||
| 25 | (50) | 60 | 70 | 80 | 90 | 100 | 110 | 120 | 130 | 18.00~24.99 | 24.97 | 6.00 | 30 | |||||
| 5 | 60 | 70 | 80 | 90 | 100 | 2.00~4.99 | 4.97 | 1.20 | 13 | 10 | |||||||
| 6 | 60 | 70 | 80 | 90 | 100 | 2.00~5.99 | 5.97 | 1.50 | 11 | |||||||||
| 8 | 60 | 70 | 80 | 90 | 100 | 110 | 120 | 130 | 3.00~7.99 | 7.97 | 2.00 | 19 | 13 | |||||
| 10 | 60 | 70 | 80 | 90 | 100 | 110 | 120 | 130 | 3.00~9.99 | 9.97 | 2.50 | 15 | ||||||
| 13 | 60 | 70 | 80 | 90 | 100 | 110 | 120 | 130 | 6.00~12.99 | 12.97 | 3.00 | 18 | ||||||
| 16 | 70 | 80 | 90 | 100 | 110 | 120 | 130 | 10.00~15.99 | 15.97 | 4.00 | 25 | 21 | ||||||
| 20 | 70 | 80 | 90 | 100 | 110 | 120 | 130 | 13.00~19.99 | 19.97 | 5.00 | 25 | |||||||
| 25 | 70 | 80 | 90 | 100 | 110 | 120 | 130 | 18.00~24.99 | 24.97 | 6.00 | 30 | |||||||
[ ! ] :P>D -0.03 →ℓ=0 | 刃先形状 でP>D -0.03の場合、D -0.01/-0.03(導入部)はつきません。 |
[ ! ] :P・K>D -0.05→ℓ=0 | 刃先形状 でP・K>D -0.05の場合、D -0.01/-0.03(導入部)はつきません。 |
| [ ! ]L(50)→B=8 全長が(50)の場合、刃先長さは一律8mmになります。 | |
| 型式 | - | L | - | P | - | W | - | R( のみ) | ||
| HW-APAS 20 | - | 80 | - | P16.50 |

| 2 | 日目出荷 |
| 急 | ストークA |

| 3 | 日目出荷 |
| 型式 | - | L(LC) | - | P(PC) | - | W(WC) | - | R | - | (BC・KC…etc.) | ||
| HW-APAS 20 | - | LC82 | - | PC12.00 | - | BC13 |
| 追加工 | 記号 | 刃先形状 | ||||||||||||
![]() | ![]() | |||||||||||||
| 刃先 | ![]() | PC WC | 刃先寸法変更 PC≧Pmin2 [ ! ]D5・6はPC≧1.50 指定0.01mm単位 (PKC併用の場合 0.001mm単位指定可)
| 刃先寸法変更 PCWC≧P・Wmin2 [ ! ]D5・6はPCWC≧1.00 指定0.01mm単位
| ||||||||||
![]() | BC | 刃先長変更 2≦BC≦Bmax 指定0.1mm単位 [ ! ]全長Lは刃先長さBC+ 35mm以上必要です。 [ ! ]PC・WC追加工の記載内 の表にご注意ください | 刃先長変更 2≦BC≦Bmax 指定0.1mm単位 [ ! ]全長Lは刃先長さBC+ 40mm以上必要です。 [ ! ]PC・WC追加工の記載内 の表にご注意ください | |||||||||||
![]() | PRC | 刃先側端面R加工 0.1≦PRC≦1 指定0.1mm単位 [ ! ]PRC≦(P-0.2)/2 [ NG ]PCC・GC併用不可 [ NG ]ストークA適用不可 | - | |||||||||||
![]() | PCC | 刃先側端面C面取り加工 0.1≦PCC≦1 指定0.1mm単位 [ ! ]PCC≦(P-0.2)/2 [ ! ]研磨仕上げとなります [ NG ]PRC・GC併用不可 [ NG ]ストークA適用不可 | 刃先側端面C面取り加工 刃先形状 のみ適用0.1 / 0.3 / 0.5 より選択 [ ! ]PCC≦(Wー0.4)/2 [ ! ]放電仕上げとなります [ NG ]LKZ併用不可 | |||||||||||
![]() | PKC | 刃先交差変更 P+0.010 ⇒ +0.0050 (P寸法0.001mm単位指定可) | 刃先交差変更 P・W±0.01 ⇒ +0.010 | |||||||||||
| [ NG ]D>13適用不可 | ||||||||||||||
| 追加工 | 記号 | 刃先形状 | |||||||||||||||||||
![]() | ![]() | ||||||||||||||||||||
| 全長 | ![]() | LC | 全長変更 35+B(BC)≦LC<L 指定0.1mm単位 [ ! ]全長-刃先長さが35mm 以下の場合、刃先長さは 全長-35mmになります。 | 全長変更 40+B(BC)≦LC<L 指定0.1mm単位 [ ! ]全長-刃先長さが40mm 以下の場合、刃先長さは 全長-40mmになります。 | |||||||||||||||||
| (LKC併用の場合、0.01mm単位指定可) | |||||||||||||||||||||
![]() | LKC | 全長公差 変 更 L+0.30 ⇒ +0.050 | |||||||||||||||||||
| (LC併用の場合、L寸法0.01mm単位指定可) | |||||||||||||||||||||
| ツバ部 | ![]() | KC | ![]() | ツバ部廻り止め 一面加工 | ![]() | 廻り止め 位置変更 指定1゜単位 | |||||||||||||||
![]() | WKC | ![]() | 廻り止め平行 加工(2面) | ![]() | 廻り止め平行 加工(2面) KC併用可 | ||||||||||||||||
![]() | KFC | ![]() | 廻り止め0゜ と角度指定 加工(2面) 指定1゜単位 | ![]() | 廻り止め0゜ と角度指定 加工(2面) 指定1゜単位 | ||||||||||||||||
| [ NG ]KC・WKC併用不可 [ NG ]ストークA適用不可 | [ NG ]KC・WKC併用不可 | ||||||||||||||||||||
![]() | NKC | - | 廻り止め無し [ NG ]リテーナセット 納入品適用不可 | ||||||||||||||||||
| シャンク部 | ![]() | SKC | ![]() | シャンク部フラット面加工(1面)
| |||||||||||||||||
![]() | UC | ウレタンストリッパ(USN)取付加工
[ ! ]L≧80、L≧90に適用 [ ! ]D10 ~ 25に適用 | |||||||||||||||||||
![]() | NDC | 導 入 部 無 し | ℓ≧3⇒ℓ=0 [ NG ]リテーナセット納入品適用不可 | ||||||||||||||||||
| 刃先シャー角 | ![]() | 1F | - | [ NG ]LKC併用不可 [ NG ] 形状のQ寸法指定不可 | |||||||||||||||||
![]() | 2F | [ NG ]LKC併用不可 [ NG ]PRC・PCC併用不可 [ NG ]KC・WKC・KFC・SKC併用不可 | [ NG ]LKC併用不可 | ||||||||||||||||||
![]() | 3F | [ NG ]LKC併用不可 [ NG ]PRC・PCC併用不可 [ NG ]KC・WKC・KFC・SKC併用不可 | [ NG ]LKC併用不可 | ||||||||||||||||||
![]() | 4F | [ NG ]LKC併用不可 [ NG ]PRC・PCC併用不可 [ NG ]KC・WKC・KFC・SKC併用不可 | [ NG ]LKC併用不可 | ||||||||||||||||||
![]() | 5F | [ ! ]全長公差L±0.3 [ ! ]球面加工ではありません [ NG ]LKC併用不可 [ NG ]PRC・PCC併用不可 [ NG ]KC・WKC・KFC・SKC併用不可 [ NG ]PKC併用不可 | [ ! ]全長公差L±0.3 [ ! ]球面加工ではありません [ NG ]LKC併用不可 [ NG ]PKC併用不可 | ||||||||||||||||||
![]() | 6F | [ NG ]LKC併用不可 [ NG ]PRC・PCC併用不可 [ NG ]KC・WKC・KFC・SKC併用不可 | [ NG ]LKC併用不可 | ||||||||||||||||||
![]() | 7F | [ NG ]LKC併用不可 [ NG ]PRC・PCC併用不可 [ NG ]KC・WKC・KFC・SKC併用不可 | - | ||||||||||||||||||
[ ! ]ウレタンストリッパ取付加工(追加工UC)の詳細は>>こちら
[ ! ]刃先シャー角変更(追加工1Fなど)の詳細は>>こちら
| 型番 |
|---|
通常単価(税別)
(税込単価) | 通常出荷日 |
|---|
- ( - ) | 2日目 |
- ( - ) | 2日目 |
- ( - ) | 2日目 |
- ( - ) | 2日目 |
- ( - ) | 2日目 |
- ( - ) | 2日目 |
- ( - ) | 2日目 |
- ( - ) | 2日目 |
- ( - ) | 2日目 |
- ( - ) | 2日目 |
- ( - ) | 2日目 |
- ( - ) | 2日目 |
- ( - ) | 2日目 |
- ( - ) | 2日目 |
- ( - ) | 2日目 |
- ( - ) | 2日目 |
- ( - ) | 2日目 |
- ( - ) | 2日目 |
- ( - ) | 2日目 |
- ( - ) | 2日目 |
- ( - ) | 2日目 |
- ( - ) | 2日目 |
- ( - ) | 2日目 |
- ( - ) | 2日目 |
- ( - ) | 2日目 |
- ( - ) | 2日目 |
- ( - ) | 2日目 |
- ( - ) | 2日目 |
- ( - ) | 2日目 |
- ( - ) | 2日目 |
- ( - ) | 2日目 |
- ( - ) | 2日目 |
- ( - ) | 2日目 |
- ( - ) | 2日目 |
- ( - ) | 2日目 |
- ( - ) | 2日目 |
- ( - ) | 2日目 |
- ( - ) | 2日目 |
- ( - ) | 2日目 |
- ( - ) | 2日目 |
- ( - ) | 2日目 |
- ( - ) | 2日目 |
- ( - ) | 2日目 |
- ( - ) | 2日目 |
- ( - ) | 2日目 |
- ( - ) | 2日目 |
- ( - ) | 2日目 |
- ( - ) | 2日目 |
- ( - ) | 2日目 |
- ( - ) | 2日目 |
- ( - ) | 2日目 |
- ( - ) | 2日目 |
- ( - ) | 2日目 |
- ( - ) | 2日目 |
- ( - ) | 2日目 |
- ( - ) | 2日目 |
- ( - ) | 2日目 |
- ( - ) | 2日目 |
- ( - ) | 2日目 |
- ( - ) | 2日目 |
・つば部破損や刃先摩耗を抑制し、メンテナンス工数とトータルコストを削減する高耐久商品です。
【厚板打抜き用パンチとは】
・ハイテン材の打ち抜きなど、パンチのつば部破損が心配な場合にお勧めです。
(詳細は「製品データ 厚板打抜き用パンチ・テーパヘッドパンチ」をご参照ください)
・超ハイテン材の加工等で、本商品でもつば破損が問題となる場合は、さらにつば強度を高めたこちらをご検討ください。
【HWコーティングとは】
・TiCNコーティングの下地にWPC処理を施して、TiCN膜の密着性を改善したコーティングです。
コーティング膜が剥がれにくくなることで、従来のTiCNよりパンチの寿命アップが期待できます。
(詳細は「製品データ WPC処理・HWコーティングパンチ」をご参照ください)
・表面処理を見直すことでメンテナンス工数とトータルコストを削減できる可能性があります。ミスミの表面処理についてもっと詳しく知りたい方はこちらをご参照ください。
ミスミからのコメント
厳しい条件のためHWコートの耐久性では不十分だったと拝察します。 今回の厚板材のような、かじりが問題となり易い打ち抜きでは、 より高耐熱のRXコートの方が寿命アップを期待できます。 次回お試し頂ければと存じます。
通常価格、通常出荷日が表示と異なる場合がございます
通常価格、通常出荷日が表示と異なる場合がございます

ミスミ
厚板打抜き用パンチ
4.2
ミスミ
厚板打抜き用パンチ -TiCNコーティング-
4.6
ミスミ
厚板打抜き用ジェクタパンチ-HWコーティング(TiCNコーティング+WPC®処理)-
3.7
ミスミ
厚板打抜き用ジェクタパンチ
4.8
ミスミ
厚板打抜き用ジェクタパンチ -TiCNコーティング-
5
ミスミ
厚板打抜き用ジェクタパンチ -ディコート処理-
5
ミスミ
厚板打抜き用パンチ-HWコーティング(TiCNコーティング+WPC®処理)-
3.5
ミスミ
厚板打抜き用パンチ -RWコーティング(Al-Cr系コーティング+WPC®処理)-
5
ミスミ
厚板打抜き用ジェクタパンチ 全長指定・B寸キープ・コーティングTiCN処理
0