プレス金型部品技術窓口
ミスミ品のみ対象
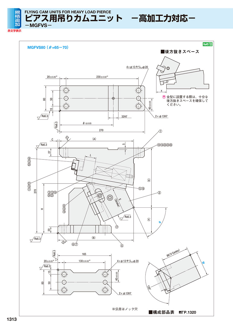
高加工力対応のピアス用吊りカムユニットです。カム幅80、角度=65~70です。
関連ページ
カム線図 P.1319

■後方抜きスペース

金型に設置する際は、十分な後方抜きスペースを確保してください。
※公差はノック穴
■構成部品表 P.1320
| W | θ | A | B | C | E | F | H | L | ℓ1 | x |
|---|---|---|---|---|---|---|---|---|---|---|
| 80 | 65 | 235.61 | 240.61 | 5 | 188.65 | 81.35 | 157.4 | 35 | 170 | 74 |
| 70 | 227.83 | 237.83 | 10 | 195.53 | 74.47 | 157.1 | 30 | 75 |
| ストロークS | 加工力kN (tonf) | スプリング力N (kgf) | 全重量kg | 型式 | W | θ | |||
|---|---|---|---|---|---|---|---|---|---|
| 標準加工力 (100万回) | 許容加工力 (30万回) | 初圧 | S-5mm時 | 終圧 | |||||
| 81.6 | 54.9 (5.6) | 109.8 (11.2) | 84 (8.6) | 3007 (306.6) | 3545 (361.5) | 23.7 | MGFVS | 80 | 65 |
| 86.4 | 81 (8.3) | 3115 (317.7) | 3553 (362.3) | 23.9 | 70 | ||||

型番確定後、右部に表示される「価格を確認」を押してお見積りください

通常価格、通常出荷日が表示と異なる場合がございます
通常価格、通常出荷日が表示と異なる場合がございます

ミスミ
ピアス用コンパクト吊りカムユニットMGFVC52(θ=00-40)
3.5通常価格(税別):46,800円~

ミスミ
ピアス用スタンダード吊りカムユニット MGFV50(θ=00-55)
2通常価格(税別):57,900円~

ミスミ
高剛性吊りカムユニット MGFLL50(θ=55-65)
0通常価格(税別):69,800円

ミスミ
CAMRiSEシリーズ ピアス・トリム・フランジ用コンパクト -ショートストローク- CB-S46
0通常価格(税別):64,130円

ミスミ
ピアス用コンパクト吊りカムユニットMGFVC52(θ=45-80)
0通常価格(税別):46,800円

ミスミ
CAMRiSEシリーズ ピアス・トリム・フランジ用コンパクト -ショートストローク- CB-S58
0通常価格(税別):116,090円

ミスミ
CAMRiSEシリーズ ピアス・トリム・フランジ用コンパクト -ショートストローク- CB-S72
0通常価格(税別):135,570円

ミスミ
スタンダード下カムユニット-ノック 下穴/仕上穴-MGDC・MGDCA65(θ=05-20)
0通常価格(税別):57,800円~

ミスミ
スタンダード下カムユニット-ノック 下穴/仕上穴-MGDC・MGDCA100(θ=00)
3通常価格(税別):92,000円~