プレス金型部品技術窓口
ミスミ品のみ対象
より選択
| シャンク径 D[ T ]公差 | [ M ]材質 [ H ]硬度 | 型式 | |||
|---|---|---|---|---|---|
| Type | 刃先形状 | B 刃先長さ | ノック穴付 | ||
| Dm5 | SKH51相当 61~64HRC | AP |
|
L>S | -C |
| 粉末ハイス鋼 64~67HRC | APH | ||||
[ ! ]P≧W

■パンチ&ダイの長寿命化を実現するミスミの表面処理商品一覧
| コーティング | 下地処理 | 名称 | 表面硬度 | 膜厚 | 処理温度 | 耐熱温度 | 代表型式 |
| 膜種 | (HV) | (μm) | (℃) | (℃) | |||
| TiCN | ー | TiCNコーティング | 3,000 | 3~5 | 約450 | 約400 | H-SPAS H-SJAS |
| WPC® | HWコーティング | HW-APAS HW-SPAS | |||||
| 窒化 | HXコーティング | HX-SPAS | |||||
| Al-Cr系 | α処理® | RPコーティング | 3,100 | 2~4 | 約450 | 約1,000 | RP-AHJAS-C RP-APAS |
| WPC® | RWコーティング | RW-SPAS RW-APAS | |||||
| 窒化 | RXコーティング | RX-SPAS RX-SJAS | |||||
| ー | Rコーティング | * | * | R-HD2A | |||
| DLC | ー | DLCコーティング | 3,000以上 | 0.1~0.2 | 約200 | 約500 | N-SPAS N-SJAS |
| WPC® | NWコーティング | 0.1~0.2 | NW-SPAS NW-SJAS | ||||
| ディコート® | ー | ディコート®処理 | 3,200~3,500 | 4~7 | 約1,000 | 約500 | T-SJAS |
| ー | ー | α処理® | 1,100~1,200 | ー | ー | 母材による | P-SJAS |
| P-MHD SRP-MHD | |||||||
| WPC®処理 | 1,000 | W-SJAS |
| 型式 | L | 指定0.01mm単位 | B | H | |||||||||||||||||
|---|---|---|---|---|---|---|---|---|---|---|---|---|---|---|---|---|---|---|---|---|---|
|
|
| |||||||||||||||||||
| Type | 刃先形状 | B 刃先長さ | ノック付 | D | |||||||||||||||||
| min. P max. | P・Kmax. | P・Wmin. | R | ||||||||||||||||||
| AP APH |
|
| -C | 10 | (50) | 60 | 70 | 80 | 90 | 100 | 110 | 120 | 130 | 140 | 150 | 3.00~9.99 | 9.97 | 2.50 | ![]() 0.15 ~ W2 未満 ( ![]() 0 のみ 指定可) | 13 | 15 |
| 13 | (50) | 60 | 70 | 80 | 90 | 100 | 110 | 120 | 130 | 140 | 150 | 6.00~12.99 | 12.97 | 3.00 | 18 | ||||||
| 16 | (50) | 60 | 70 | 80 | 90 | 100 | 110 | 120 | 130 | 140 | 150 | 10.00~15.99 | 15.97 | 4.00 | 19 | 21 | |||||
| 20 | (50) | 60 | 70 | 80 | 90 | 100 | 110 | 120 | 130 | 140 | 150 | 13.00~19.99 | 19.97 | 5.00 | 25 | ||||||
| 25 | (50) | 60 | 70 | 80 | 90 | 100 | 110 | 120 | 130 | 140 | 150 | 18.00~24.99 | 24.97 | 6.00 | 30 | ||||||
| 32 | (50) | 60 | 70 | 80 | 90 | 100 | 110 | 120 | 130 | 140 | 150 | 20.00~31.99 | 31.97 | 7.00 | 37 | ||||||
| 38 | (50) | 60 | 70 | 80 | 90 | 100 | 110 | 120 | 130 | 140 | 150 | 28.00~37.99 | 37.97 | 8.00 | 43 | ||||||
| 45 | (50) | 60 | 70 | 80 | 90 | 100 | 110 | 120 | 130 | 140 | 150 | 35.00~44.99 | 44.97 | 9.00 | 50 | ||||||
| 10 | 60 | 70 | 80 | 90 | 100 | 110 | 120 | 130 | 140 | 150 | 3.00~9.99 | 9.97 | 2.50 | 19 | 15 | |||||
| 13 | 60 | 70 | 80 | 90 | 100 | 110 | 120 | 130 | 140 | 150 | 6.00~12.99 | 12.97 | 3.00 | 18 | |||||||
| 16 | 70 | 80 | 90 | 100 | 110 | 120 | 130 | 140 | 150 | 10.00~15.99 | 15.97 | 4.00 | 25 | 21 | |||||||
| 20 | 70 | 80 | 90 | 100 | 110 | 120 | 130 | 140 | 150 | 13.00~19.99 | 19.97 | 5.00 | 25 | ||||||||
| 25 | 70 | 80 | 90 | 100 | 110 | 120 | 130 | 140 | 150 | 18.00~24.99 | 24.97 | 6.00 | 30 | ||||||||
| 32 | 70 | 80 | 90 | 100 | 110 | 120 | 130 | 140 | 150 | 20.00~31.99 | 31.97 | 7.00 | 37 | ||||||||
| 38 | 70 | 80 | 90 | 100 | 110 | 120 | 130 | 140 | 150 | 28.00~37.99 | 37.97 | 8.00 | 43 | ||||||||
| 45 | 70 | 80 | 90 | 100 | 110 | 120 | 130 | 140 | 150 | 35.00~44.99 | 44.97 | 9.00 | 50 | ||||||||
[ ! ] :P>D -0.03 →ℓ=0 | 刃先形状 でP>D -0.03の場合、D -0.01/-0.03(導入部)はつきません。 |
[ ! ] :P・K>D -0.05→ℓ=0 | 刃先形状 でP・K>D -0.05の場合、D -0.01/-0.03(導入部)はつきません。 |
| [ ! ]L(50)→B=8 全長が(50)の場合、刃先長さは一律8mmになります。 | |
| 型式 | - | L | - | P | - | W | - | R( ) | ||
| APAS-C20 | - | 80 | - | P15.00 | ||||||
| APDS-C25 | - | 80 | - | P18.00 | - | W10.00 |
| ・φD10~25 | ![]() |
| ||||||
| [ ! ]追加工1F ~ 7Fをご指定の場合は3日目出荷(ストーク適用不可) [ NG ]追加工SC・PRC・1F ~ 7F・リテーナセット納入はストークA早割適用不可 | ||||||||
| ・φD10~25 | ![]() |
| ||||||
| ・φD32~45 |
|
| 型式 | - | L(LC) | - | P | - | W | - | R( ) | - | (BC・KC…etc.) | ||
| APAS-C 20 | - | LC82 | - | P15.00 | - | BC13 |
| 追加工 | 記号 | 刃先形状 | ||||||||||||
![]() | ![]() | |||||||||||||
| 刃先 | ![]() | PC WC | 刃先寸法変更 PC≧Pmin2 指定0.01mm単位 (PKC併用の場合0.001mm 単位指定可)
| 刃先寸法変更 PCWC≧P・Wmin2 指定0.01mm単位
| ||||||||||
![]() | BC | 刃先長変更 2≦BC≦Bmax 指定0.1mm単位 [ ! ]全長Lは刃先長さBC+ 35mm以上必要です。 [ ! ]PC・WC追加工の記載 内の表にご注意ください | 刃先長変更 2≦BC≦Bmax 指定0.1mm単位 [ ! ]全長Lは刃先長さBC+ 40mm以上必要です。 [ ! ]PC・WC追加工の記載 内の表にご注意ください | |||||||||||
![]() | SC | 刃先ラップ仕上げ [ ! ]P寸公差・指定単位は変わりません。 [ NG ]刃先 形状コーナー R=0指定不可 | ||||||||||||
![]() | PRC | 刃先側端面R加工 0.1≦PRC≦1 指定0.1mm単位 [ ! ]PRC≦(P-0.2)/2 [ NG ]PCC・GC併用不可 | - | |||||||||||
![]() | PCC | 刃先側端面C面取り加工 0.1≦PCC≦1 指定0.1mm単位 [ ! ]PCC≦(P-0.2)/2 [ ! ]研磨仕上げとなります [ NG ]PRC・GC併用不可 | 刃先側端面C面取り加工 刃先形状 ![]() のみ適用0.1 / 0.3 / 0.5 より選択 [ ! ]PCC≦(Wー0.4)/2 [ ! ]放電仕上げとなります [ NG ]LKZ併用不可 [ NG ]ストーク適用不可 | |||||||||||
![]() | PKC | 刃先交差変更 P+0.010 ⇒ +0.0050 (P寸法0.001mm単位指定可) | 刃先交差変更 P・W±0.01 ⇒ +0.010 | |||||||||||
![]() | GC | 20°≦GC<90° 指定1°単位 刃先長さB≧f+2 f=P/2×tan(90°-GC°) 三角関数の真数表 >>こちら [ ! ]SC併用時は先端・エッジ [ NG ]LKC・LKZ・PRC・PCC | - | |||||||||||
| 全長 | ![]() | LC | 全長変更 35+B(BC)≦LC<L 指定0.1mm単位 [ ! ]全長-刃先長さが35mm 以下の場合、刃先長さは 全長-35mmになります。 | 全長変更 40+B(BC)≦LC<L 指定0.1mm単位 [ ! ]全長-刃先長さが40mm 以下の場合、刃先長さは 全長-40mmになります。 | ||||||||||
| (LKC・LKZ併用の場合、0.01mm単位指定可) | ||||||||||||||
![]() | LKC | 全長公差 変 更 | L +0.30 ⇒ +0.050 | |||||||||||
| (LC併用の場合、0.01mm単位指定可) | ||||||||||||||
| LKZ | 全長公差 変 更 | L +0.30 ⇒ +0.010 | ||||||||||||
| (LC併用の場合、0.01mm単位指定可) | ||||||||||||||
| 追加工 | 記号 | 刃先形状 | |||||||||||||||
![]() | ![]() | ||||||||||||||||
| ツバ部 | ![]() | KC | ![]() | ツバ部廻り止め 一面加工 | ![]() | 廻り止め 位置変更 指定1゜単位 | |||||||||||
![]() | WKC | ![]() | 廻り止め平行 加工(2面) | ![]() | 廻り止め平行 加工(2面) KC併用可 | ||||||||||||
![]() | KFC | ![]() | 廻り止め0゜ と角度指定 加工(2面) 指定1゜単位 | ![]() | 廻り止め0゜ と角度指定 加工(2面) 指定1゜単位 | ||||||||||||
| [ NG ]KC・WKC併用不可 | [ NG ]KC・WKC併用不可 | ||||||||||||||||
![]() | NKC | - | 廻り止め無し [ NG ]リテーナセット 納入品適用不可 | ||||||||||||||
| シャンク部 | ![]() | TPC | ノックピン変更 付属するMS6-25をMSTP6-25 (タップ付タイプ)に変更します。 | ||||||||||||||
![]() | UC | ウレタンストリッパ(USN)取付加工
[ ! ]L≧80、L≧90に適用 [ ! ]D10~32に適用 | |||||||||||||||
![]() | NDC | 導入部 無 し | ℓ≧3⇒ℓ=0 [ NG ]リテーナセット納入品適用不可 | ||||||||||||||
| 刃先シャー角 | ![]() | 1F | - | [ NG ]LKC・LKZ併用不可 [ NG ] 形状のQ寸法指定不可 | |||||||||||||
![]() | 2F | [ NG ]LKC・LKZ併用不可 [ NG ]PRC・PCC・GC併用不可 [ NG ]KC・WKC・KFC併用不可 | [ NG ]LKC・LKZ併用不可 | ||||||||||||||
![]() | 3F | [ NG ]LKC・LKZ併用不可 [ NG ]PRC・PCC・GC併用不可 [ NG ]KC・WKC・KFC併用不可 | [ NG ]LKC・LKZ併用不可 | ||||||||||||||
![]() | 4F | [ NG ]LKC・LKZ併用不可 [ NG ]PRC・PCC・GC併用不可 [ NG ]KC・WKC・KFC併用不可 | [ NG ]LKC・LKZ併用不可 | ||||||||||||||
![]() | 5F | [ ! ]全長公差L±0.3 [ ! ]球面加工ではありません。 [ NG ]LKC・LKZ併用不可 [ NG ]PRC・PCC・GC併用不可 [ NG ]KC・WKC・KFC併用不可 [ NG ]PKC併用不可 | [ ! ]全長公差L±0.3 [ ! ]球面加工ではありません。 [ NG ]LKC・LKZ併用不可 [ NG ]PKC併用不可 | ||||||||||||||
![]() | 6F | [ NG ]LKC・LKZ併用不可 [ NG ]PRC・PCC・GC併用不可 [ NG ]KC・WKC・KFC併用不可 | [ NG ]LKC・LKZ併用不可 | ||||||||||||||
![]() | 7F | [ NG ]LKC・LKZ併用不可 [ NG ]PRC・PCC・GC併用不可 [ NG ]KC・WKC・KFC併用不可 | - | ||||||||||||||

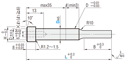
■位置決めノック穴付パンチの特長
主に自動車のボディ等の金型に、パンチを保持するリテーナとセットで使用します。リテーナのノック穴による間接位置決めと異なり、パンチと同軸上に加工されたノック穴により直接位置決めができるため、金型精度が向上します。NC加工機による金型加工の場合にご使用になりますと効果的です。また、このパンチは家電製品の外板用の金型等にも、リテーナとセットで使用したり、一般順送型のパンチプレートに取り付けて使用することもできます。
| 型番 |
|---|
通常単価(税別)
(税込単価) | 通常出荷日 |
|---|
- ( - ) | 2日目 |
- ( - ) | 2日目 |
- ( - ) | 2日目 |
- ( - ) | 2日目 |
- ( - ) | 2日目 |
- ( - ) | 2日目 |
- ( - ) | 2日目 |
- ( - ) | 2日目 |
- ( - ) | 2日目 |
- ( - ) | 2日目 |
- ( - ) | 2日目 |
- ( - ) | 2日目 |
- ( - ) | 2日目 |
- ( - ) | 2日目 |
- ( - ) | 2日目 |
- ( - ) | 2日目 |
- ( - ) | 2日目 |
- ( - ) | 2日目 |
- ( - ) | 2日目 |
- ( - ) | 2日目 |
- ( - ) | 3日目 |
- ( - ) | 3日目 |
- ( - ) | 3日目 |
- ( - ) | 3日目 |
- ( - ) | 3日目 |
- ( - ) | 3日目 |
- ( - ) | 3日目 |
- ( - ) | 3日目 |
- ( - ) | 3日目 |
- ( - ) | 3日目 |
- ( - ) | 3日目 |
- ( - ) | 3日目 |
- ( - ) | 2日目 |
- ( - ) | 2日目 |
- ( - ) | 2日目 |
- ( - ) | 2日目 |
- ( - ) | 2日目 |
- ( - ) | 2日目 |
- ( - ) | 2日目 |
- ( - ) | 2日目 |
- ( - ) | 2日目 |
- ( - ) | 2日目 |
- ( - ) | 2日目 |
- ( - ) | 2日目 |
- ( - ) | 2日目 |
- ( - ) | 2日目 |
- ( - ) | 2日目 |
- ( - ) | 2日目 |
- ( - ) | 2日目 |
- ( - ) | 2日目 |
- ( - ) | 2日目 |
- ( - ) | 2日目 |
- ( - ) | 3日目 |
- ( - ) | 3日目 |
- ( - ) | 3日目 |
- ( - ) | 3日目 |
- ( - ) | 3日目 |
- ( - ) | 3日目 |
- ( - ) | 3日目 |
- ( - ) | 3日目 |
・パンチ軸上にノック穴を設け、直接パンチの位置決めを可能にしたパンチです。パンチリテーナを用いる場合に便利です。
・ハイテン材の打ち抜きなど、パンチのつば部破損が心配な場合にお勧めです。
(詳細は「製品データ 厚板打抜き用パンチ・テーパヘッドパンチ」をご参照ください)
・D32~D45までサイズ拡大しました!


通常価格、通常出荷日が表示と異なる場合がございます
通常価格、通常出荷日が表示と異なる場合がございます

ミスミ
厚板打抜き用ノック穴付ジェクタパンチ -TiCNコーティング-
5
ミスミ
厚板打抜き用ノック穴付ジェクタパンチ-HWコーティング(TiCNコーティング+WPC®処理)-
3.5
ミスミ
厚板打抜き用ノック穴付パンチ -TiCNコーティング-
0
ミスミ
厚板打抜き用ノック穴付ジェクタパンチ ノーマル
5
ミスミ
厚板打抜き用ノック穴付ジェクタパンチ -RWコーティング(Al-Cr系コーティング+WPC®処理)-
0
ミスミ
厚板打抜き用ノック穴付パンチ
0
ミスミ
厚板打抜き用ノック穴付パンチ-HWコーティング(TiCNコーティング+WPC®処理)-
0
DAYTON
ハイテン・厚板打ち抜き用センターノック レギュラーパンチ 標準材質SKH51相当-TiCN処理-
0
DAYTON
ハイテン・厚板打ち抜き用センターノック ジェクトール®パンチ 標準材質SKH51相当-TiCN処理-
4