メカニカル部品技術窓口




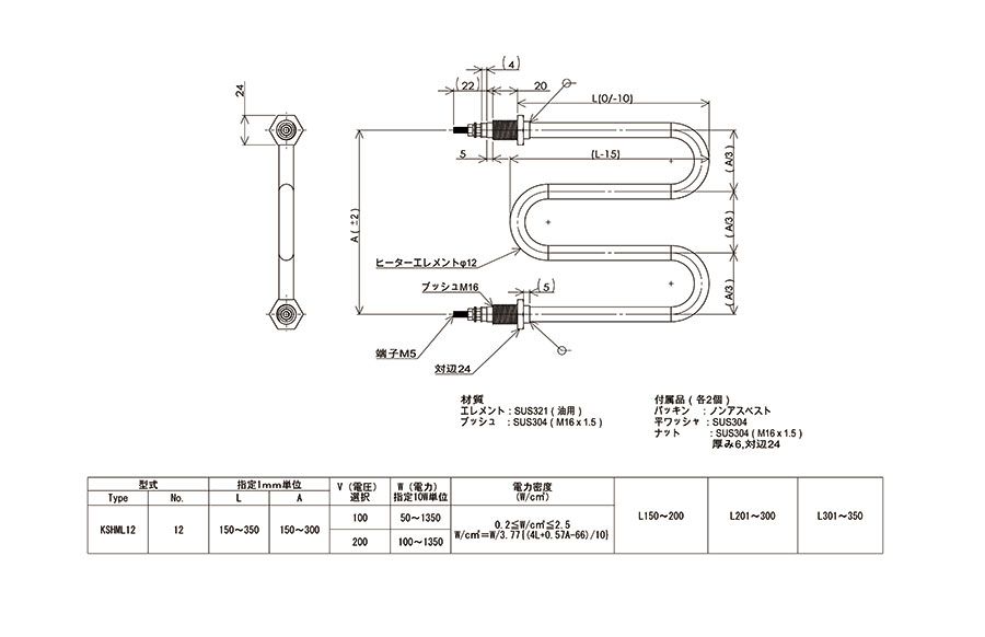
| 型番 | 指定1mm単位 | V(電圧) 選択 | W(電力) 指定10W単位 | 電力密度 (W/cm2) | 材質 | |||
|---|---|---|---|---|---|---|---|---|
| Type | No. | エレメント | ブッシュ | |||||
| KSHML12 | 12 | L:150~350 | A:150~300 | 100 | 50~1,350 | 0.2≦W/cm2≦2.5 W/cm2=W/3.77{(4L+0.57A-66)/10} | SUS321 (油用) | SUS304(M16×1.5) |
| 200 | 100~1,350 | |||||||
| KSHRLW12 | 12 | D:100~450 | 100 | 200~2,000 | 0.4≦W/cm2≦8.0 W/cm2=W/3.77{(3.14D+6)/10} | SUS316L (水用) | SUS304(M16×1.5) | |
| 200 | 300~4,000 | |||||||
| KSHRW12 | 12 | D:100~450 | 100 | 200~2,000 | 0.4≦W/cm2≦8.0 W/cm2=W/3.77{(3.14D+12)/10} | SUS316L (水用) | SUS304(M16×1.5) | |
| 200 | 300~4,000 | |||||||
| KSHUW12 | 12 | L:150~650 | A:50~100 | 100 | 200~2,000 | 0.4≦W/cm2≦8.0 W/cm2=W/3.77{(2L+0.57A-12)/10} | SUS316L (水用) | SUS304(M16×1.5) |
| 200 | 300~4,000 | |||||||
【付属品】(各2個)
| 型番 |
|---|
通常単価(税別)
(税込単価) | 通常出荷日 |
|---|
- ( - ) | 10日目 |
- ( - ) | 12日目 |
- ( - ) | 10日目 |
- ( - ) | 10日目 |
【特長】
・接液部は全てステンレス(SUS316L, SUS304)を使用しておりますので、耐食性に優れています。
・取り付けが容易で、小スペースでの取り付けが可能です。
・最高使用可能温度は160℃です(液温)。
通常価格、通常出荷日が表示と異なる場合がございます
通常価格、通常出荷日が表示と異なる場合がございます

ミスミ
ヒータ取付溶接ソケット
4.5通常価格(税別):3,820円

ミスミ
液体加熱用シースヒータ 過昇防止タイプ
4通常価格(税別):21,060円~

ミスミ
液体加熱用シースヒータ 標準タイプ
3.9通常価格(税別):10,970円~

ミスミ
カートリッジヒータ 固定タイプ
3.9通常価格(税別):2,260円~

ミスミ
温度センサ スタンダードタイプ
4.6通常価格(税別):3,320円~

ミスミ
温度センサ取付部品
4.6通常価格(税別):920円~

ミスミ
カートリッジヒータ-L寸・W数・フランジ選択-
4.2
ミスミ
温度センサ シリコン被覆タイプ(K熱電対/測温抵抗体)
4.6通常価格(税別):2,440円~

ミスミ
カートリッジヒータ-L寸・W数・フランジ選択・リード線保護カバー付-
4.3