メカニカル部品技術窓口


商品イメージ(1)

商品イメージ(2)

P1、P2の両方にエアが供給されたときにのみOUT側へ出力されます。 異なる圧力の場合、低圧側の圧力がOUT側へ出力されます。

P1、P2のいずれか一方にエアが供給されただけではOUT側へ出力されません。

JIS記号
| 型番 | 適用チューブ外径 | |||||
|---|---|---|---|---|---|---|
| ミリサイズ | インチサイズ | |||||
| 3.2 | 4 | 6 | 1/8" | 5/32" | 1/4" | |
| VR1211F | ● | ● | ● | ● | ● | ● |
| 保証耐圧力 | 1.5MPa |
|---|---|
| 最高使用圧力 | 1.0MPa |
| 最低作動圧力 | 0.05MPa |
| 周囲温度および使用流体温度 | -5~+60℃(凍結なきこと) |
| 注1)適用チューブ材質 | ナイロン、ソフトナイロン、ポリウレタン |
注1)ソフトナイロン、ポリウレタンは最高使用圧力にご注意ください。
| 型番 | VR1211F | ||||
|---|---|---|---|---|---|
| 適用チューブ外径 | ミリサイズ | φ3.2(直径3.2mm) | φ4(直径4mm) | φ6(直径6mm) | - |
| インチサイズ | φ1/8"(直径1/8mm) | φ5/32"(直径5/32mm) | - | φ1/4"(直径1/4mm) | |
| 流量特性 | C[dm3/(s・bar)] | 0.3 | 0.4 | 0.5 | 0.6 |
| b | 0.25 | 0.25 | 0.25 | 0.25 | |


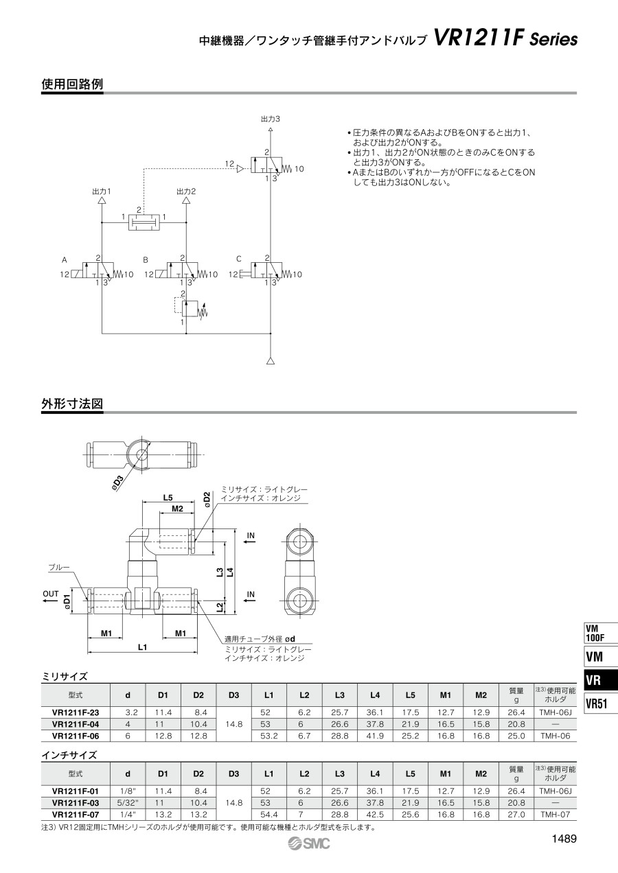
| 型番 | d | D1 | D2 | D3 | L1 | L2 | L3 | L4 | L5 | M1 | M2 | 質量 g |
|---|---|---|---|---|---|---|---|---|---|---|---|---|
| VR1211F-23 | 3.2 | 11.4 | 8.4 | 14.8 | 52 | 6.2 | 25.7 | 36.1 | 17.5 | 12.7 | 12.9 | 26.4 |
| VR1211F-04 | 4 | 11 | 10.4 | 53 | 6.8 | 26.6 | 37.8 | 21.9 | 16.5 | 15.8 | 20.8 | |
| VR1211F-06 | 6 | 12.8 | 12.8 | 53.2 | 28.8 | 41.9 | 25.2 | 16.8 | 16.8 | 25.0 |
| 型番 | d | D1 | D2 | D3 | L1 | L2 | L3 | L4 | L5 | M1 | M2 | 質量 g |
|---|---|---|---|---|---|---|---|---|---|---|---|---|
| VR1211F-01 | 1/8" | 11.4 | 8.4 | 14.8 | 52 | 6.2 | 25.7 | 36.1 | 17.5 | 12.7 | 12.9 | 26.4 |
| VR1211F-03 | 5/32" | 11 | 10.4 | 53 | 6.8 | 26.6 | 37.8 | 21.9 | 16.5 | 15.8 | 20.8 | |
| VR1211F-07 | 1/4" | 13.2 | 13.2 | 54.4 | 7.1 | 28.8 | 42.5 | 25.6 | 16.8 | 16.8 | 27.0 |
通常単価(税別)
(税込単価) | 通常出荷日 |
|---|
2,720円 ( 2,992円 ) | 6日目 |
2,547円 ( 2,802円 ) | 6日目 |
2,391円 ( 2,630円 ) | 在庫品1日目当日出荷可能 |
2,277円 ( 2,505円 ) | 在庫品1日目当日出荷可能 |
2,547円 ( 2,802円 ) | 3日目 |
空気圧信号系ラインの制御用中継機器/ワンタッチ管継手付アンドバルブ VR1211F シリーズ。
【特長】
・保証耐圧力 1.5MPa。
・最高使用圧力 1.0MPa。
・最低作動圧力 0.05MPa。
・周囲温度および使用流体温度 -5~60℃ (凍結なきこと)。
・適用チューブ材質 ナイロン、ソフトナイロン、ポリウレタン。

SMC
中継機器/リレーバルブ VR4151・4152シリーズ
SMC社の中継機器/リレーバルブです。メカニカルバルブからの空気圧信号にもとづいて、所定のシーケンス動作を行わせるために用います。電気系の補助リレーに相当します。

SMC
中継機器/タイムディレーバルブ VR2110シリーズ
SMC社の中継機器/タイムディレーバルブです。可変絞りと固定容量との組合せにより、空気圧信号の伝達時間に遅れをもたせます。電気系の遅延リレーに相当します。

SMC
【在庫品多数】薄形シリンダ 標準形 複動・片ロッド CQ2シリーズ
SMC社売れ筋の薄形シリンダ/標準形:複動・片ロッド CQ2シリーズです。全長が薄形に設計された省スペースシリンダです。各種冶具や装置のコンパクト化を実現しているため最小限のスペースでワーク可能です。
通常価格、通常出荷日が表示と異なる場合がございます
通常価格、通常出荷日が表示と異なる場合がございます

SMC
増圧弁 VBAシリーズ
4.3通常価格(税別):391円~

SMC
中継機器/タイムディレーバルブ VR2110シリーズ
5通常価格(税別):16,425円~

SMC
エアタンク VBATシリーズ
4.6通常価格(税別):783円~

SMC
中継機器 ワンタッチ管継手付シャトルバルブ VR1210F・1220Fシリーズ
3通常価格(税別):1,795円~

SMC
中継機器/リレーバルブ VR4151・4152シリーズ
0通常価格(税別):6,836円~

SMC
中継機器/ワンタッチ管継手付アンドバルブ VR1211Fシリーズ
0通常価格(税別):2,277円~

ミスミ
ターボブロワ
4通常価格(税別):52,810円~

昭和電機
電動送風機 コンパクトシリーズ(Eタイプ)
5通常価格(税別):32,264円~

昭和電機
電動送風機 汎用シリーズ(SF・SBタイプ)
5通常価格(税別):18,832円~