エレクトロニクス部品技術窓口
ミスミ品のみ対象



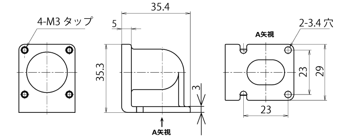
【仕様】・NJCコネクタの角度調整用L型台座・パネル取付レセプタクルに取り付けコネクタ結合面の向きを9...
詳細を確認
| 型式 | シェルサイズ | タイプ | 重量 (g) |
| NJC | 16 | L | 52 |
| 20 | 78 | ||
| 24 | 87 | ||
| 28 | 45 |
◆NJC-16L

◆NJC-20L

◆NJC-24L

◆NJC-28L

【仕様】
・NJCコネクタの角度調整用L型台座
・パネル取付レセプタクルに取り付けコネクタ結合面の向きを90°変えることが可能。


JIS規格中型コネクタ(NJC)
特長
● PSEマーク取得品(電気用品安全法適合品)も揃えてあるため、電源用から信号用までと幅広く安心して使えるコネクタです。各社のJIS C 5432適合シリーズ名
| メーカー名 | シリーズ名 |
|---|---|
| (株)七星科学研究所 | NJCシリーズ |
| 日本航空電子工業(株) | SRCNシリーズ |
| ヒロセ電機(株) | JRシリーズ |
| 多治見無線(株) | TRC01シリーズ |
| 三和電気工業(株) | SNS16シリーズ(3, 5芯) |
| (株)ITTキヤノン | JCシリーズ |
| 第一電子工業(株) | JMシリーズ |
| (株)ミスミ | MJCシリーズ |
共通仕様
材料/仕上
| 項目 | 材料 | 仕上 |
|---|---|---|
| シェル・防塵キャップ | 亜鉛合金 | 梨地クロムメッキ(NJC) クロムメッキ(MJC) |
| アルミ合金(シェルサイズ28) | ||
| 絶縁体 | 合成樹脂 | ー |
| コンタクト | 銅合金 | 銀メッキ(NJC) 金メッキ(MJC) |
特性
| 項目 | 特性 | |||||||||||||||||||
|---|---|---|---|---|---|---|---|---|---|---|---|---|---|---|---|---|---|---|---|---|
| 定格電流 | 下表参照 | |||||||||||||||||||
| 定格電圧 | 下表参照 | |||||||||||||||||||
| 耐電圧 | 最も近接する導体間に規定の電圧を1分間印加しても短絡等の異常がない。 | |||||||||||||||||||
| 絶縁抵抗 | 最も近接する導体間を規定の電圧で測定したとき1000MΩ以上である。 | |||||||||||||||||||
| 接触抵抗 | 一対のコンタクトを正規の長さまで結合させたときの導体抵抗は5mΩ以下である。 | |||||||||||||||||||
| 耐振性 | JIS C 5025の振動試験を行ったとき、機能上支障がない。接触抵抗は5mΩ以下である。 | |||||||||||||||||||
| 耐衝撃性 | JIS C 5026の衝撃試験を行ったとき、機能上支障がない。接触抵抗は5mΩ以下である。 | |||||||||||||||||||
| 繰返し動作 | 抜き差しを500回行ったとき、機能上支障がない。接触抵抗は5mΩ以下である。 | |||||||||||||||||||
| 耐湿性 | JIS C 5023の湿度試験を行ったとき、機能上支障がない。絶縁抵抗は100MΩ以上である。 | |||||||||||||||||||
| 温度サイクル | JIS C 5030の温度サイクル試験を行ったとき、機能上支障がない。 | |||||||||||||||||||
| 耐食性 | JIS C 5028の塩水噴霧試験を行ったとき、機能上支障がない。接触抵抗は5mΩ以下である。 | |||||||||||||||||||
| 使用許容温度範囲 |
|
| 商品番号 | シェル サイズ | 芯数 | 定格電流 (A以下) | 定格電圧 (V以下) | 耐電圧 AC(V) | 絶縁抵抗 (MΩ以上) | 接触抵抗 (mΩ以下) | 適用電線サイズ | 適用電線 仕上外径(mm) | |
|---|---|---|---|---|---|---|---|---|---|---|
| AWG | 導体断面積(mm2) | |||||||||
| NJC | 16 | 3 | 10 | 125 | 1500 | 2000 | 3 | 16 | 1.25 | 7.0〜8.5 |
| 5 | 5 | 1000 | 1000 | 5 | 20 | 0.5 | ||||
| NJC/MJC | 20 | 2,3 | 15 | 250 | 1500 | 2000 | 3 | 14 | 2 | 10.0〜12.5 |
| 4,5 | 10 | 16 | 1.25 | |||||||
| 7 | 1000 | |||||||||
| 12 | 5 | 1000 | 5 | 20 | 0.5 | |||||
| 24 | 2,3 | 20 | 250 | 1500 | 5000 | 3 | 12 | 3.5 | 11.5〜14.0 | |
| 4,5 | 15 | 14 | 2 | |||||||
| 10 | 10 | 1000 | 2000 | 16 | 1.25 | |||||
| 14,16 | 5 | 1000 | 5 | 20 | 0.5 | |||||
| 28 | 16 | 10 | 250 | 1000 | 2000 | 3 | 16 | 1.25 | 13.6〜16.5 | |
| 24 | 5 | 1000 | 5 | 20 | 0.5 | |||||
コンタクト配列図


結線作業方法
通常価格、通常出荷日が表示と異なる場合がございます
通常価格、通常出荷日が表示と異なる場合がございます

日本航空電子工業
D sub シリーズ 付属品
4.3通常価格(税別):80円~

日本航空電子工業
パネル対電線 電線中継接続用丸型コネクタ 半田付結線式 N/MSシリーズ 付属品
4.4通常価格(税別):116円~

HARTING
Hanシリーズ フード/ハウジング
4.3通常価格(税別):517円~

ミスミ
MSコネクタ用ケーブルクランプ
4.6通常価格(税別):299円~

オムロン
Dサブコネクタ組立式フード 形XM2S
0通常価格(税別):544円~

ミスミ
Dsubコネクタ EMI プラスチックフード Dsubシリーズ
4.4通常価格(税別):364円~

ミスミ
【日本航空電子工業】製商品 Dsubコネクタ パネル取付ロック金具(フロント リアマウント兼用)
4.4通常価格(税別):100円~

ミスミ
Dsubコネクタ パネル取付アクセサリ(ジェンダーチェンジャー専用)
4通常価格(税別):504円~

ミスミ
Dsubコネクタ 中継接続用ロック金具(フード対フード)
3.9通常価格(税別):178円