エレクトロニクス部品技術窓口
ミスミ品のみ対象



コストパフォーマンス重視のミスミオリジナルの角型コネクタ商品です。
| シリーズ | タイプ | 芯数 | 属性 | ||
| E-SC | - | HK&HWK: 電源・信号組合せ型 | 電源:4~8 信号:2~24 | - | M:オス、ネジ圧着 MC:オス、冷間圧着 F:メス、ネジ圧着 FC:メス、冷間圧着 |
| 型式 | 属性 | サイズ | 芯数 | 芯番号 | 接線 方法 | ピン 購入 | 定格電圧 | 定格インパルス電圧 | 定格電流 | ストリップ長さ | ピン購入URL | ||||||||
| 長さ (mm) | 幅 (mm) | 高さ (mm) | 電源 | 信号 | 電源 | 信号 | 電源 (V) | 信号 (V) | 電源 (Kv) | 信号 (Kv) | 電源 (A) | 信号 (A) | 電源 (mm) | 信号 (mm) | |||||
| E-SC-HK004/2-F | メス | 84 | 34 | 44.2 | 4+PE | 2 | 1-4 | 11-12 | ネジ圧着 | 不要 | 830 | 400 | 8 | 6 | 80 | 16 | 14 | 7.5 | なし |
| E-SC-HK004/2-M | オス | 84 | 34 | 41.6 | 4+PE | 2 | 1-4 | 11-12 | ネジ圧着 | 不要 | 830 | 400 | 8 | 6 | 80 | 16 | 7.5 | なし | |
| E-SC-HK008/24-FC | メス | 64 | 34 | 38 | 8+PE | 24 | 1-8 | 9-32 | 冷間圧着 | 要 | 極対地:230V 極対極:400V | 160 | 4 | 2.5 | 16 | 10 | 7.5 | 8(0.14-1.5mm2) 6(2.5mm2) | こちら |
| E-SC-HK008/24-MC | オス | 64 | 34 | 35.7 | 8+PE | 24 | 1-8 | 9-32 | 冷間圧着 | 要 | 160 | 4 | 2.5 | 16 | 10 | こちら | |||
| E-SC-HWK006/6-F | メス | 84 | 34 | 38 | 6+PE | 6 | 1-6 | 11-16 | ネジ圧着 | 不要 | 690 | 400 | 8 | 6 | 40 | 16 | 14 | 7.5 | なし |
| E-SC-HWK006/6-M | オス | 84 | 34 | 35 | 6+PE | 6 | 1-6 | 11-16 | ネジ圧着 | 不要 | 690 | 400 | 8 | 6 | 40 | 16 | 7.5 | なし | |
| ※スペースの関係で芯番号はすべて印字されていない商品がございます | |||||||||||||||||||
| 型式 | 導線線径 | ピン 材質 | ピン メッキ | 温度 範囲 ℃ | 難燃 等級 | 挿抜 耐久性 | 絶縁抵抗 | 接触抵抗ピン | 認証 | 重量 g ※参考値 | ||||
| 電源 (mm2) | 信号 (mm2) | 電源 (AWG) | 信号 (AWG) | 電源 (mΩ) | 信号 (mΩ) | |||||||||
| E-SC-HK004/2-F | 1.5-16 | 0.5-2.5 | 15-6 | 20-13 | 銅合金 | 銀 | -40℃ ~125℃ | UL94 V-0 | 500回 | ≧10^10Ω | ≦0.3 | ≦1 | UL CE IEC RoHS | 80 |
| E-SC-HK004/2-M | 1.5-16 | 0.5-2.5 | 15-6 | 20-13 | 銅合金 | 銀 | ≦0.3 | ≦1 | ||||||
| E-SC-HK008/24-FC | 0.14-4 | 0.14-2.5 | 26-11 | 26-13 | 銅合金 | 金/銀 | ≦1 | ≦3 | ||||||
| E-SC-HK008/24-MC | 0.14-4 | 0.14-2.5 | 26-11 | 26-13 | 銅合金 | 金/銀 | ≦1 | ≦3 | ||||||
| E-SC-HWK006/6-F | 4-10 | 1-2.5 | 11-7 | 17-13 | 銅合金 | 銀 | - | ≦1 | ||||||
| E-SC-HWK006/6-M | 4-10 | 1-2.5 | 11-7 | 17-13 | 銅合金 | 銀 | - | ≦1 | ||||||
| 温度範囲 | -40℃-125℃ |
| 難燃性 | UL94 V-0 |
| ピン材質 | 銅合金 |
| ピンメッキ | 金/銀 |
| 挿抜 耐久性 | 500回 |
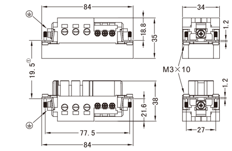
E-SC-HK004/2-M/F
オスメス
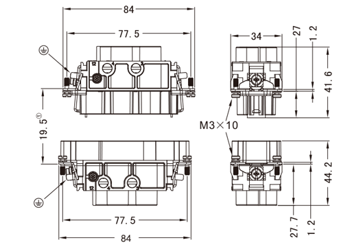
オスメス連結部分(オス・メス)正面図HK-008/24-MC/FC
オスメス
オスメス連結部分(オス・メス)正面図HWK-006/6-M/F
オスメス
オスメス連結部分(オス・メス)正面図通常単価(税別)
(税込単価) | 通常出荷日 |
|---|
2,940円 ( 3,234円 ) | 在庫品1日目当日出荷可能 |
2,940円 ( 3,234円 ) | 在庫品1日目当日出荷可能 |
2,380円 ( 2,618円 ) | 在庫品1日目当日出荷可能 |
2,380円 ( 2,618円 ) | 在庫品1日目当日出荷可能 |
3,475円 ( 3,823円 ) | 在庫品1日目当日出荷可能 |
3,475円 ( 3,823円 ) | 在庫品1日目当日出荷可能 |
コストパフォーマンス重視のミスミオリジナルの角型コネクタ商品です。
通常価格、通常出荷日が表示と異なる場合がございます
通常価格、通常出荷日が表示と異なる場合がございます

ミスミ
Dsubコネクタ ハンダ付けタイプ/プレスコンタクト
4.5通常価格(税別):181円~

日本航空電子工業
Dsubコネクタ ソケットコネクタ Dsubシリーズ
4.5通常価格(税別):205円~

ミスミ
Dsubコネクタ EMI対策品/汎用品 樹脂フード
4.4通常価格(税別):215円~

ミスミ
Dsubコネクタ ジェンダーチェンジャ
4.5通常価格(税別):427円~

ミスミ
Dsubコネクタ ハンダ付けタイプ/プレスコンタクト(高密度型)
4.7通常価格(税別):320円~

ヒロセ電機
MIL規格準拠 リボンケーブルコネクタ HIF3Bシリーズ
4.3通常価格(税別):45円~

ミスミ
コネクタ ミニチュアデルタリボン(MDR)システム ノンシールドシェルキット(ストレート型)MDR
4.5通常価格(税別):454円~

フジクラ(旧:第一電子工業)
2.159mmピッチ半田付け用リボンタイプコネクタ 57シリーズ
4.8通常価格(税別):886円~

ミスミ
Dsubコネクタ EMI対策 半田ピン側 Dsubシリーズ
4.6通常価格(税別):369円~