メカニカル部品技術窓口
ミスミ品のみ対象

| 穴種 | ボルト通し穴 | タップ穴(並目) |
| Code | N・NA | M・MA |
| 形状図 | [ ! ] ![]() | ![]() |
| [ ! ]d寸法は規格表下部 「N・NA加工寸法表」参照 |
| 型式 | [ M ]材質 | [ S ]表面処理 | 洗浄方法 | ||||
| Type | 材質記号 | 洗浄方法 | 洗浄環境 | 梱包形態 | 梱包環境 | ||
| SL-JTRBS | SPU | T0.8~3.2: SPCC T4.5~6.0: SPHC T9.0: SS400(黒皮) | 三価クロメート(白) | 脱脂洗浄 | 一般環境 | 防錆梱包 | 一般環境 |
| SH-JTRBS | 精密洗浄 | クラス1000 | 脱気2重梱包 | クラス10 | |||
| SL-JTRBS | SPK | 三価クロメート(黒) | 脱脂洗浄 | 一般環境 | 防錆梱包 | 一般環境 | |
| SH-JTRBS | 精密洗浄 | クラス1000 | 脱気2重梱包 | クラス10 | |||
| SL-JTRBS | AM | A5052 | - | 脱脂洗浄 | 一般環境 | 防錆梱包 | 一般環境 |
| SH-JTRBS | 精密洗浄 | クラス1000 | 脱気2重梱包 | クラス10 | |||
| SL-JTRBS | AMW | アルマイト処理(白) | 脱脂洗浄 | 一般環境 | 防錆梱包 | 一般環境 | |
| SH-JTRBS | 精密洗浄 | クラス1000 | 脱気2重梱包 | クラス10 | |||
| SL-JTRBS | AMB | アルマイト処理(黒) | 脱脂洗浄 | 一般環境 | 防錆梱包 | 一般環境 | |
| SH-JTRBS | 精密洗浄 | クラス1000 | 脱気2重梱包 | クラス10 | |||
| SL-JTRBS | SUD | T0.8~6.0:SUS304(2B) T9.0: SUS304(No.1) | - | 脱脂洗浄 | 一般環境 | 防錆梱包 | 一般環境 |
| SH-JTRBS | 精密洗浄 | クラス1000 | 脱気2重梱包 | クラス10 | |||
| SHD-JTRBS | 電解研磨+精密洗浄 | ||||||
| 型式 | - | A | - | B | - | T | - | P | - | Q | - | E | - | H | - | X | - | G | - | 穴指定① Code・呼び径 | - | L | - | W | - | 穴指定⓶ Code・呼び径 | ||
| Type | - | 材質記号 | ||||||||||||||||||||||||||
| SL-JTRBS | - | SPU | - | A100 | - | B60 | - | T4.5 | - | P30 | - | Q14 | - | E35 | - | H23 | - | X15 | - | G40 | - | N6 | - | L80 | - | W20 | - | MA5 |
| 型式 | 指定1mm単位 | 選択 | P | Q | E | H | X | G | 穴指定① Code/指定方法 | L | W | 穴指定② Code/指定方法 | ||||
| Type | 材質記号 | A | B | T | ||||||||||||
| SL-JTRBS SH-JTRBS | SPU SPK | 10 ~ 300 | 5 ~ 300 [ ! ] | 0.8 ・ 1.0 ・ 1.2 ・ 1.6 ・ 2.3 3.2 ・ 4.5 ・ 6.0 ・ 9.0 | 指定 1mm単位 | 指定 0.1mm単位 | N (ボルト通し穴) 0・3・4・5 6・8・10 (選択) [ ! ] | M (タップ穴) 0・3・4・5 6・8・10 (選択) [ ! ] | 指定 0.1mm単位 | NA (ボルト通し穴) 0・3・4・5 6・8・10 (選択) [ ! ] | MA (タップ穴) 0・3・4・5 6・8・10 (選択) [ ! ] | |||||
| AM AMW AMB | 1.0 ・ 1.5 ・ 2.0 ・ 3.0 ・ 4.0 ・ 5.0 | |||||||||||||||
| SL-JTRBS SH-JTRBS SHD-JTRBS | SUD | 0.8 ・ 1.0 ・ 1.2 ・ 1.5 ・ 2.0 3.0 ・ 4.0 ・ 5.0 ・ 6.0 ・ 9.0 | ||||||||||||||
| [ ! ]P・Q≧T×2 [ ! ]T6.0は、B≧6 T9.0は、B≧9 [ ! ]四角穴の隅Rはほとんどつきません。 [ ! ]穴が端面に近すぎると穴が変形する可能性がありますが、加工限界内であればそのまま加工します。 | ||||||||||||||||
| N・NA指定値 | 通し穴径(d) |
| 0 | (穴無し) |
| 3 | 3.5 |
| 4 | 4.5 |
| 5 | 5.5 |
| 6 | 6.5 |
| 8 | 9 |
| 10 | 11 |
| T | N・NA(ボルト通し穴) | M・MA(タップ穴) |
| 0.8 | 0・3・4・5・6・8・10 | 0 |
| 1.0、1.2 | 0・3 | |
| 1.5、1.6 | 0・3・4 | |
| 2.0、2.3 | 0・3・4・5・6 | |
| 3.0、3.2 | 0・3・4・5・6・8 | |
| 4.0~6.0 | 0・3・4・5・6・8・10 | |
| 9 | 0・5・6・8・10 | 0・5・6・8・10 |
Alterations | コーナーカット | コーナーR加工 | ||
![]() | ![]() | |||
Code | CC | CR | ||
Spec. | CC=指定1mm単位 1≦CC≦10
(例)~-CC5 | CR=指定1mm単位 1≦CR≦10
(例)~-CR5 | ||
¥/1Code | 600 | 600 |
| 商品 | 基準寸法の区分 (A・B寸法) | 6以下 | 6を超え 30以下 | 30を超え 120以下 | 120を超え 400以下 |
| 板金(曲げ無) | 許容差(a・b) | ±0.1 | ±0.2 | ±0.3 | ±0.5 |

[ ! ]薄板の場合は、タップの山がつぶれる可能性がありますので締め付けの際はご注意ください。
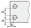
[ ! ]穴と穴、穴と端面の肉厚に加工限界があります。(例:下図b部)


| T | b | ||
| SPCC SPHC SS400 | |||
| A5052 | SUS304 | ||
| 0.8 | ー | 0.8 | 1 |
| 1.0 | 1.0 | 1.0 | 1 |
| 1.2 | ー | 1.2 | 1 |
| 1.6 | 1.5 | 1.5 | 1 |
| 2.3 | 2.0 | 2.0 | 1.5 |
| 3.2 | 3.0 | 3.0 | 1.5 |
| 4.5 | 4.0 | 4.0 | 2 |
| ー | 5.0 | 5.0 | 2.5 |
| 6.0 | ー | 6.0 | 2.5 |
| 9.0 | ー | 9.0 | 4 |
| 三価クロメート(白) | 三価クロメート(黒) | |
| SPU | SPK | |
| SPCC T0.8~3.2 | ![]() | ![]() |
| SPHC T4.5~6.0 | ![]() | ![]() |
| SS400 (黒皮) T9.0 | ![]() | ![]() |
| なし | アルマイト処理(白) | アルマイト処理(黒) | |
| AM | AMW | AMB | |
| A5052 | ![]() | ![]() | ![]() |
| なし | |
| SUD | |
| SUS304 (2B) T0.8~6.0 | ![]() |
| SUS304(No.1) T9.0 | ![]() |
洗浄工程| ※材質がステンレスの場合、アルカリ系温水洗浄となることがあります。 | |
| ・脱脂洗浄(型式:SL-□□) | ※表面処理が低温黒色クロムメッキの場合、IPA洗浄となります。 |
作業環境:一般環境 | ||||||||||||||
|---|---|---|---|---|---|---|---|---|---|---|---|---|---|---|
Ro水洗浄 中性洗剤洗浄 | ![]() |
後に純水(10MΩ・cm)で 洗浄 | ![]() |
使用 | ![]() |
| ||||||||
作業環境:クラス1000 | 作業環境:クラス10 | |||||||||||||||||
|---|---|---|---|---|---|---|---|---|---|---|---|---|---|---|---|---|---|---|
Ro水洗浄 中性洗剤洗浄 | ![]() |
後に純水(10MΩ・cm)で 洗浄 | ![]() |
| ![]() |
| ![]() |
で実施 | ||||||||||
作業環境:クラス1000 | 作業環境:クラス10 | |||||||||||||||||||||
|---|---|---|---|---|---|---|---|---|---|---|---|---|---|---|---|---|---|---|---|---|---|---|
Ro水洗浄 中性洗剤洗浄 | ![]() |
で電解研磨 | ![]() |
後に純水(10MΩ・cm)で 洗浄 | ![]() |
| ![]() |
| ![]() |
で実施 | ||||||||||||
梱包例| 脱脂洗浄の場合 (TYPE型番:SL-□□) | 精密洗浄または電解研磨+精密洗浄の場合 | |
| (TYPE型番:SH-□□・SHD-□□) | ||
| オーステナイト系ステンレス・アルミ材質の場合 | 鉄・マルテンサイト系ステンレス材質の場合 | |
防錆梱包(1重梱包) | 1重目梱包2重目梱包 | 1重目梱包2重目梱包乾燥剤 |
| 一部商品・サイズによっては、 梱包形態が異なる場合がございます。 | [ ! ]1重目・2重目の梱包とも、脱気されております。 | [ ! ]防錆対策として乾燥剤を同封しております。 1梱包につき1つになります。 |
洗浄効果・利用推奨環境洗浄方法 | 商品型番 | 梱包形態 | 未洗浄品と比べた効果 | ご利用環境(目安) | 利用シーン・工程 |
|---|---|---|---|---|---|
| 脱脂洗浄 | SL-□□ | 防錆梱包 | 油分除去 | 一般環境 | 通常組立工程 |
| バッテリー組立後工程 | |||||
| 精密洗浄 | SH-□□ | 脱気2重梱包 | 油分除去 粉塵除去 | クリーン環境(クラス10~1,000) | バッテリー組立工程 |
| 液晶関連組立後工程 | |||||
| 車載カメラ組立工程 | |||||
| 電解研磨+精密洗浄 | SHD-□□ | 脱気2重梱包 | 油分除去 粉塵除去 アウトガス低減 | 真空環境 クリーン環境(クラス10~1,000) | 半導体前工程 |
| 液晶成膜工程 | |||||
| 有機EL前工程 |
| 型番 |
|---|
通常単価(税別)
(税込単価) | 通常出荷日 |
|---|
- ( - ) | 6日目 |
- ( - ) | 8日目 |
- ( - ) | 8日目 |
- ( - ) | 6日目 |
- ( - ) | 6日目 |
- ( - ) | 6日目 |
- ( - ) | 6日目 |
- ( - ) | 6日目 |
- ( - ) | 8日目 |
- ( - ) | 8日目 |
- ( - ) | 6日目 |
- ( - ) | 6日目 |
- ( - ) | 6日目 |
| ・脱脂洗浄(防錆1重梱包) | :型番SL-□□ |
| ・精密洗浄(脱気2重梱包) | :型番SH-□□ |
| ・電解研磨+精密洗浄(脱気2重梱包) | :型番SHD-□□ |
| 商品型番 | 洗浄方法 | 梱包形態 | 未洗浄品と比べた効果 | ご利用環境(目安) | 工程別 |
| SL-□□ | 脱脂洗浄 | 防錆梱包 | 油分除去 | 一般環境 | 通常組立工程 |
| バッテリー組立後工程 | |||||
| SH-□□ | 精密洗浄 | 脱気2重梱包 | 油分除去 粉塵除去 | クリーン環境(クラス10~1,000) | バッテリー組立工程 |
| 液晶関連組立後工程 | |||||
| 車載カメラ組立工程 | |||||
| SHD-□□ | 電解研磨+精密洗浄 | 脱気2重梱包 | 油分除去 粉塵除去 アウトガス低減 | 真空環境 クリーン環境(クラス10~1,000) | 半導体前工程 |
| 液晶成膜工程 | |||||
| 有機EL前工程 |
| A | B | T | 本体価格 ¥基準単価 | |
| SPU SPK | ||||
| SL-JTRBS | SH-JTRBS | |||
| 10~100 | 5~100 | 0.8~1.6 | 2,630 | 2,910 |
| 2.3~3.2 | 2,630 | 2,910 | ||
| 4.5 | 2,850 | 3,130 | ||
| 6.0 | 2,850 | 3,130 | ||
| 9.0 | 3,360 | 3,640 | ||
| 101~200 | 0.8~1.6 | 2,730 | 3,010 | |
| 2.3~3.2 | 2,750 | 3,030 | ||
| 4.5 | 3,030 | 3,310 | ||
| 6.0 | 3,030 | 3,310 | ||
| 9.0 | 3,590 | 3,870 | ||
| 201~300 | 0.8~1.6 | 2,770 | 3,050 | |
| 2.3~3.2 | 2,830 | 3,110 | ||
| 4.5 | 3,170 | 3,450 | ||
| 6.0 | 3,170 | 3,450 | ||
| 9.0 | 4,280 | 4,560 | ||
| 101~200 | 5~100 | 0.8~1.6 | 2,830 | 3,110 |
| 2.3~3.2 | 2,890 | 3,170 | ||
| 4.5 | 3,110 | 3,390 | ||
| 6.0 | 3,110 | 3,390 | ||
| 9.0 | 3,710 | 3,990 | ||
| 101~200 | 0.8~1.6 | 3,050 | 3,330 | |
| 2.3~3.2 | 3,090 | 3,370 | ||
| 4.5 | 3,490 | 3,770 | ||
| 6.0 | 3,490 | 3,770 | ||
| 9.0 | 4,190 | 4,470 | ||
| 201~300 | 0.8~1.6 | 3,170 | 3,450 | |
| 2.3~3.2 | 3,250 | 3,530 | ||
| 4.5 | 3,790 | 4,070 | ||
| 6.0 | 3,790 | 4,070 | ||
| 9.0 | 5,320 | 5,600 | ||
| 201~300 | 5~100 | 0.8~1.6 | 3,210 | 3,490 |
| 2.3~3.2 | 3,250 | 3,530 | ||
| 4.5 | 3,790 | 4,070 | ||
| 6.0 | 3,790 | 4,070 | ||
| 9.0 | 4,560 | 4,840 | ||
| 101~200 | 0.8~1.6 | 3,870 | 4,150 | |
| 2.3~3.2 | 3,970 | 4,250 | ||
| 4.5 | 4,750 | 5,030 | ||
| 6.0 | 4,750 | 5,030 | ||
| 9.0 | 5,760 | 6,040 | ||
| 201~300 | 0.8~1.6 | 4,370 | 4,650 | |
| 2.3~3.2 | 4,650 | 4,930 | ||
| 4.5 | 5,650 | 5,930 | ||
| 6.0 | 5,650 | 5,930 | ||
| 9.0 | 8,260 | 8,540 | ||
| A | B | T | 本体価格 ¥基準単価 | |||||
| AM | AMW | AMB | ||||||
| SL-JTRAS | SH-JTRAS | SL-JTRAS | SH-JTRAS | SL-JTRAS | SH-JTRAS | |||
| 10~100 | 5~100 | 1.0・1.5 | 2,570 | 2,850 | 3,590 | 3,870 | 3,910 | 4,190 |
| 2.0・3.0 | 2,570 | 2,850 | 3,590 | 3,870 | 3,910 | 4,190 | ||
| 4.0・5.0 | 3,250 | 3,530 | 4,590 | 4,870 | 5,010 | 5,290 | ||
| 101~200 | 1.0・1.5 | 2,870 | 3,150 | 4,550 | 4,830 | 4,910 | 5,190 | |
| 2.0・3.0 | 2,870 | 3,150 | 4,550 | 4,830 | 4,910 | 5,190 | ||
| 4.0・5.0 | 3,610 | 3,890 | 5,810 | 6,090 | 6,270 | 6,550 | ||
| 201~300 | 1.0・1.5 | 3,130 | 3,410 | 5,450 | 5,730 | 5,790 | 6,070 | |
| 2.0・3.0 | 3,130 | 3,410 | 5,450 | 5,730 | 5,790 | 6,070 | ||
| 4.0・5.0 | 3,950 | 4,230 | 6,990 | 7,270 | 7,430 | 7,710 | ||
| 101~200 | 5~100 | 1.0・1.5 | 3,130 | 3,410 | 5,450 | 5,730 | 5,790 | 6,070 |
| 2.0・3.0 | 3,130 | 3,410 | 5,450 | 5,730 | 5,790 | 6,070 | ||
| 4.0・5.0 | 3,950 | 4,230 | 6,990 | 7,270 | 7,430 | 7,710 | ||
| 101~200 | 1.0・1.5 | 3,730 | 4,010 | 7,070 | 7,350 | 7,730 | 8,010 | |
| 2.0・3.0 | 3,730 | 4,010 | 7,070 | 7,350 | 7,730 | 8,010 | ||
| 4.0・5.0 | 4,730 | 5,010 | 9,110 | 9,390 | 9,930 | 10,210 | ||
| 201~300 | 1.0・1.5 | 4,290 | 4,570 | 8,310 | 8,590 | 8,930 | 9,210 | |
| 2.0・3.0 | 4,290 | 4,570 | 8,310 | 8,590 | 8,930 | 9,210 | ||
| 4.0・5.0 | 5,510 | 5,790 | 10,690 | 10,970 | 11,570 | 11,850 | ||
| 201~300 | 5~100 | 1.0・1.5 | 4,290 | 4,570 | 6,630 | 6,910 | 6,970 | 7,250 |
| 2.0・3.0 | 4,290 | 4,570 | 6,630 | 6,910 | 6,970 | 7,250 | ||
| 4.0・5.0 | 5,510 | 5,790 | 8,530 | 8,810 | 8,970 | 9,250 | ||
| 101~200 | 1.0・1.5 | 5,290 | 5,570 | 9,630 | 9,910 | 10,610 | 10,890 | |
| 2.0・3.0 | 5,290 | 5,570 | 9,630 | 9,910 | 10,610 | 10,890 | ||
| 4.0・5.0 | 6,750 | 7,030 | 12,390 | 12,670 | 13,710 | 13,990 | ||
| 201~300 | 1.0・1.5 | 6,230 | 6,510 | 12,170 | 12,450 | 13,350 | 13,630 | |
| 2.0・3.0 | 6,230 | 6,510 | 12,170 | 12,450 | 13,350 | 13,630 | ||
| 4.0・5.0 | 7,990 | 8,270 | 15,750 | 16,030 | 17,250 | 17,530 | ||
| A | B | T | 本体価格 ¥基準単価 | ||
| SUD | |||||
| SL-JTRAS | SH-JTRAS | SHD-JTRAS | |||
| 10~100 | 5~100 | 0.8~1.5 | 2,930 | 3,210 | 3,300 |
| 2.0・3.0 | 3,030 | 3,310 | 3,400 | ||
| 4.0・5.0 | 3,330 | 3,610 | 3,700 | ||
| 6.0 | 5,210 | 5,490 | 5,580 | ||
| 9.0 | 6,430 | 6,710 | 6,800 | ||
| 101~200 | 0.8~1.5 | 3,170 | 3,450 | 3,540 | |
| 2.0・3.0 | 3,390 | 3,670 | 3,760 | ||
| 4.0・5.0 | 3,810 | 4,090 | 4,180 | ||
| 6.0 | 7,110 | 7,390 | 7,480 | ||
| 9.0 | 9,480 | 9,760 | 9,850 | ||
| 201~300 | 0.8~1.5 | 3,310 | 3,590 | 3,680 | |
| 2.0・3.0 | 3,690 | 3,970 | 4,060 | ||
| 4.0・5.0 | 4,270 | 4,550 | 4,640 | ||
| 6.0 | 9,030 | 9,310 | 9,400 | ||
| 9.0 | 12,520 | 12,800 | 12,890 | ||
| 101~200 | 5~100 | 0.8~1.5 | 3,150 | 3,430 | 3,520 |
| 2.0・3.0 | 3,530 | 3,810 | 3,900 | ||
| 4.0・5.0 | 4,270 | 4,550 | 4,640 | ||
| 6.0 | 7,500 | 7,780 | 7,870 | ||
| 9.0 | 9,660 | 9,940 | 10,030 | ||
| 101~200 | 0.8~1.5 | 3,530 | 3,810 | 3,900 | |
| 2.0・3.0 | 4,010 | 4,290 | 4,380 | ||
| 4.0・5.0 | 4,930 | 5,210 | 5,300 | ||
| 6.0 | 11,090 | 11,370 | 11,460 | ||
| 9.0 | 14,860 | 15,140 | 15,230 | ||
| 201~300 | 0.8~1.5 | 3,870 | 4,150 | 4,240 | |
| 2.0・3.0 | 4,550 | 4,830 | 4,920 | ||
| 4.0・5.0 | 5,570 | 5,850 | 5,940 | ||
| 6.0 | 14,620 | 14,900 | 14,990 | ||
| 9.0 | 20,340 | 20,620 | 20,710 | ||
| 201~300 | 5~100 | 0.8~1.5 | 4,170 | 4,450 | 4,540 |
| 2.0・3.0 | 4,670 | 4,950 | 5,040 | ||
| 4.0・5.0 | 5,570 | 5,850 | 5,940 | ||
| 6.0 | 9,870 | 10,150 | 10,240 | ||
| 9.0 | 12,730 | 13,010 | 13,100 | ||
| 101~200 | 0.8~1.5 | 4,830 | 5,110 | 5,200 | |
| 2.0・3.0 | 5,430 | 5,710 | 5,800 | ||
| 4.0・5.0 | 6,590 | 6,870 | 6,960 | ||
| 6.0 | 15,770 | 16,050 | 16,140 | ||
| 9.0 | 21,180 | 21,460 | 21,550 | ||
| 201~300 | 0.8~1.5 | 5,430 | 5,710 | 5,800 | |
| 2.0・3.0 | 6,230 | 6,510 | 6,600 | ||
| 4.0・5.0 | 7,610 | 7,890 | 7,980 | ||
| 6.0 | 22,060 | 22,340 | 22,430 | ||
| 9.0 | 30,740 | 31,020 | 31,110 | ||
| 6 | 日目出荷 |
| 8 | 日目出荷 |
| 11 | 日目出荷 |
通常価格、通常出荷日が表示と異なる場合がございます
通常価格、通常出荷日が表示と異なる場合がございます

ミスミ
板金 取付板・ブラケット -フリー寸法タイプ- JTDAS・JTDAR
4.4
ミスミ
板金 取付板・ブラケット-センター振り分けタイプ- JSDAS
4.6
ミスミ
板金 取付板・ブラケット -フリー寸法タイプ- JTAAS・JTAAR
4.6
ミスミ
6面フライス 取付板・ブラケット-外径寸法フリー指定- HFMQA
4.9
ミスミ
板金 取付板・ブラケット -フリー寸法タイプ- JTDZS・JTDZR
4.4
ミスミ
板金 取付板・ブラケット -フリー寸法タイプ- JTABS・JTABR
4.4
ミスミ
板金 取付板・ブラケット -フリー寸法タイプ- JTHAS・JTHAR
4.5
ミスミ
フラットバー 取付板・ブラケット -センター振り分けタイプ- HRCZA
4.7
ミスミ
フラットバー/アルミ圧延材 取付板・ブラケット-B寸選択- HRMQA HUMQA
4.4