メカニカル部品技術窓口


| Type | [ M ]材質 | [ S ]表面処理 | 強度区分 | 洗浄方法 | |||
| 洗浄方法 | 洗浄環境 | 梱包形態 | 梱包環境 | ||||
| SL-BR-SCB | SUSXM7 | 低温黒色クロムメッキ | A2-70 | 脱脂洗浄 | 一般環境 | 防錆梱包 | 一般環境 |
| SH-BR-SCB | 精密洗浄 | クラス1000 | 脱気2重梱包 | クラス10 | |||
型式 |
SL-BR-SCB2-3 |
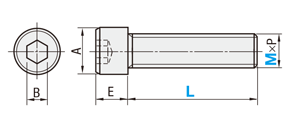
| 型式 | 頭部径 A | 頭部高さ E | 六角穴幅 B | ピッチ P | ||
| Type | M | L(選択) | ||||
| SL-BR-SCB SH-BR-SCB | 2 | 3 4 5 6 8 10 | 3.8 | 2 | 1.5 | 0.4 |
| 2.5 | 4 5 6 8 10 | 4.5 | 2.5 | 2 | 0.45 | |
| 3 | 4 5 6 8 10 12 15 | 5.5 | 3 | 2.5 | 0.5 | |
| 4 | 5 6 8 10 12 15 20 | 7 | 4 | 3 | 0.7 | |
| 5 | 6 8 10 12 15 20 | 8.5 | 5 | 4 | 0.8 | |
| 6 | 8 10 12 15 20 | 10 | 6 | 5 | 1.0 | |
| 8 | 15 20 | 13 | 8 | 6 | 1.25 | |
洗浄工程| ※材質がステンレスの場合、アルカリ系温水洗浄となることがあります。 | |
| ・脱脂洗浄(型式:SL-□□) | ※表面処理が低温黒色クロムメッキの場合、IPA洗浄となります。 |
作業環境:一般環境 | ||||||||||||||
|---|---|---|---|---|---|---|---|---|---|---|---|---|---|---|
Ro水洗浄 中性洗剤洗浄 | ![]() |
後に純水(10MΩ・cm)で 洗浄 | ![]() |
使用 | ![]() |
| ||||||||
作業環境:クラス1000 | 作業環境:クラス10 | |||||||||||||||||
|---|---|---|---|---|---|---|---|---|---|---|---|---|---|---|---|---|---|---|
Ro水洗浄 中性洗剤洗浄 | ![]() |
後に純水(10MΩ・cm)で 洗浄 | ![]() |
| ![]() |
| ![]() |
で実施 | ||||||||||
作業環境:クラス1000 | 作業環境:クラス10 | |||||||||||||||||||||
|---|---|---|---|---|---|---|---|---|---|---|---|---|---|---|---|---|---|---|---|---|---|---|
Ro水洗浄 中性洗剤洗浄 | ![]() |
で電解研磨 | ![]() |
後に純水(10MΩ・cm)で 洗浄 | ![]() |
| ![]() |
| ![]() |
で実施 | ||||||||||||
梱包例| 脱脂洗浄の場合 (TYPE型番:SL-□□) | 精密洗浄または電解研磨+精密洗浄の場合 | |
| (TYPE型番:SH-□□・SHD-□□) | ||
| オーステナイト系ステンレス・アルミ材質の場合 | 鉄・マルテンサイト系ステンレス材質の場合 | |
防錆梱包(1重梱包) | 1重目梱包2重目梱包 | 1重目梱包2重目梱包乾燥剤 |
| 一部商品・サイズによっては、 梱包形態が異なる場合がございます。 | [ ! ]1重目・2重目の梱包とも、脱気されております。 | [ ! ]防錆対策として乾燥剤を同封しております。 1梱包につき1つになります。 |
洗浄効果・利用推奨環境洗浄方法 | 商品型番 | 梱包形態 | 未洗浄品と比べた効果 | ご利用環境(目安) | 利用シーン・工程 |
|---|---|---|---|---|---|
| 脱脂洗浄 | SL-□□ | 防錆梱包 | 油分除去 | 一般環境 | 通常組立工程 |
| バッテリー組立後工程 | |||||
| 精密洗浄 | SH-□□ | 脱気2重梱包 | 油分除去 粉塵除去 | クリーン環境(クラス10~1,000) | バッテリー組立工程 |
| 液晶関連組立後工程 | |||||
| 車載カメラ組立工程 | |||||
| 電解研磨+精密洗浄 | SHD-□□ | 脱気2重梱包 | 油分除去 粉塵除去 アウトガス低減 | 真空環境 クリーン環境(クラス10~1,000) | 半導体前工程 |
| 液晶成膜工程 | |||||
| 有機EL前工程 |
| 型番 |
|---|
通常単価(税別)
(税込単価) | 通常出荷日 |
|---|
- ( - ) | 4日目 |
- ( - ) | 4日目 |
- ( - ) | 4日目 |
- ( - ) | 4日目 |
- ( - ) | 4日目 |
- ( - ) | 4日目 |
- ( - ) | 4日目 |
- ( - ) | 4日目 |
- ( - ) | 4日目 |
- ( - ) | 4日目 |
- ( - ) | 4日目 |
- ( - ) | 4日目 |
- ( - ) | 4日目 |
- ( - ) | 4日目 |
- ( - ) | 4日目 |
- ( - ) | 4日目 |
- ( - ) | 4日目 |
- ( - ) | 4日目 |
- ( - ) | 4日目 |
- ( - ) | 4日目 |
- ( - ) | 4日目 |
- ( - ) | 4日目 |
- ( - ) | 4日目 |
- ( - ) | 4日目 |
- ( - ) | 4日目 |
- ( - ) | 4日目 |
- ( - ) | 4日目 |
- ( - ) | 4日目 |
- ( - ) | 4日目 |
- ( - ) | 4日目 |
- ( - ) | 4日目 |
- ( - ) | 4日目 |
- ( - ) | 4日目 |
- ( - ) | 4日目 |
- ( - ) | 4日目 |
- ( - ) | 4日目 |
- ( - ) | 4日目 |
- ( - ) | 4日目 |
- ( - ) | 4日目 |
- ( - ) | 4日目 |
- ( - ) | 4日目 |
- ( - ) | 4日目 |
- ( - ) | 4日目 |
- ( - ) | 4日目 |
- ( - ) | 4日目 |
- ( - ) | 4日目 |
- ( - ) | 4日目 |
- ( - ) | 4日目 |
- ( - ) | 4日目 |
- ( - ) | 4日目 |
- ( - ) | 4日目 |
- ( - ) | 4日目 |
- ( - ) | 4日目 |
- ( - ) | 4日目 |
- ( - ) | 4日目 |
- ( - ) | 4日目 |
- ( - ) | 4日目 |
- ( - ) | 4日目 |
- ( - ) | 4日目 |
- ( - ) | 4日目 |
| ・脱脂洗浄(防錆1重梱包) | :型番SL-□□ |
| ・精密洗浄(脱気2重梱包) | :型番SH-□□ |
| ・電解研磨+精密洗浄(脱気2重梱包) | :型番SHD-□□ |
| 商品型番 | 洗浄方法 | 梱包形態 | 未洗浄品と比べた効果 | ご利用環境(目安) | 工程別 |
| SL-□□ | 脱脂洗浄 | 防錆梱包 | 油分除去 | 一般環境 | 通常組立工程 |
| バッテリー組立後工程 | |||||
| SH-□□ | 精密洗浄 | 脱気2重梱包 | 油分除去 粉塵除去 | クリーン環境(クラス10~1,000) | バッテリー組立工程 |
| 液晶関連組立後工程 | |||||
| 車載カメラ組立工程 | |||||
| SHD-□□ | 電解研磨+精密洗浄 | 脱気2重梱包 | 油分除去 粉塵除去 アウトガス低減 | 真空環境 クリーン環境(クラス10~1,000) | 半導体前工程 |
| 液晶成膜工程 | |||||
| 有機EL前工程 |
| 型式 | ¥基準単価 | |||
| Type | M | L(選択) | SL-BR-SCB | SH-BR-SCB |
| SL-BR-SCB SH-BR-SCB | 2 | 3 | 620 | 780 |
| 4 | 620 | 780 | ||
| 5 | 620 | 780 | ||
| 6 | 620 | 780 | ||
| 8 | 620 | 780 | ||
| 10 | 620 | 780 | ||
| 2.5 | 4 | 620 | 780 | |
| 5 | 620 | 780 | ||
| 6 | 620 | 780 | ||
| 8 | 620 | 780 | ||
| 10 | 620 | 780 | ||
| 3 | 4 | 610 | 770 | |
| 5 | 600 | 760 | ||
| 6 | 600 | 760 | ||
| 8 | 600 | 760 | ||
| 10 | 600 | 760 | ||
| 12 | 600 | 760 | ||
| 15 | 600 | 760 | ||
| 4 | 5 | 610 | 770 | |
| 6 | 600 | 760 | ||
| 8 | 600 | 760 | ||
| 10 | 600 | 760 | ||
| 12 | 600 | 760 | ||
| 15 | 600 | 760 | ||
| 20 | 600 | 760 | ||
| 5 | 6 | 610 | 770 | |
| 8 | 600 | 760 | ||
| 10 | 600 | 760 | ||
| 12 | 600 | 760 | ||
| 15 | 600 | 760 | ||
| 20 | 600 | 760 | ||
| 6 | 8 | 610 | 770 | |
| 10 | 600 | 760 | ||
| 12 | 600 | 760 | ||
| 15 | 600 | 760 | ||
| 20 | 600 | 760 | ||
| 8 | 15 | 600 | 760 | |
| 20 | 620 | 780 | ||
| 表面処理 | 光沢度 | 写真 |
| 低温黒色クロムメッキ | 18.9% | ![]() |
通常価格、通常出荷日が表示と異なる場合がございます
通常価格、通常出荷日が表示と異なる場合がございます

ミスミ
六角穴付ボルト-鉄・単品販売-
4.5通常価格(税別):287円~

ミスミ
【SUS316 / SUS304相当 】六角穴付ボルト ステンレス
4.7通常価格(税別):200円~

ミスミ
六角穴付ボルト 三価クロメート-単品・小箱-
4.6通常価格(税別):70円~

ミスミ
【エコノミーシリーズ】 六角穴付ボルト ステンレス・小箱・単品販売
4.6通常価格(税別):4円~

SUNCO
六角穴付きボルト ステンレス 表面処理なし 全ねじ
4.7通常価格(税別):45円~

ミスミ
六角穴付ボルト 全ねじタイプ-単品・小箱-
4.6通常価格(税別):222円~

東工舎金属製作所
六角穴付きボルト CSHH・CSHHL
4.7通常価格(税別):226円~

SUNCO
六角穴付きボルト スチール 黒色酸化被膜 全ねじ
4.6通常価格(税別):225円~

ミスミ
ノーズ付スクリュー 六角穴付止めねじタイプ
4.1通常価格(税別):240円~