メカニカル部品技術窓口
ミスミ品のみ対象

「脱脂洗浄」「精密洗浄」「電解研磨+精密洗浄」3種類の洗浄方法が選択可能、いずれも標準型番で1個からご...
詳細を確認


| Type | [M]材質 | [ S ]表面処理 | 強度区分 | 頭部引張強さ | 洗浄方法 | |||
| 洗浄方法 | 洗浄環境 | 梱包形態 | 梱包環境 | |||||
| SL-BR-CBSST | SUSXM7 | 低温黒色クロムメッキ | A2-50(M2~M2.5) A2-70(M3~M12) | - | 脱脂洗浄 | 一般環境 | 防錆梱包 | 一般環境 |
| SH-BR-CBSST | 精密洗浄 | クラス1000 | 脱気2重梱包 | クラス10 | ||||
| SL-BR-CBSTS | (注1) | 400N/mm2 | 脱脂洗浄 | 一般環境 | 防錆梱包 | 一般環境 | ||
| SH-BR-CBSTS | 精密洗浄 | クラス1000 | 脱気2重梱包 | クラス10 | ||||
| SL-BR-CBSTSR | M2:200N/mm2 M2.5以上:350N/mm2 | 脱脂洗浄 | 一般環境 | 防錆梱包 | 一般環境 | |||
| SH-BR-CBSTSR | 精密洗浄 | クラス1000 | 脱気2重梱包 | クラス10 | ||||
| 型式 |
| SL-BR-CBSST2-4 |
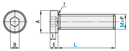
| 型式 | 頭部径 A | 頭部高さ E | 六角穴幅 B | 六角穴深さ t max. | 首下 r | ピッチ P | ||
| Type | M | L(選択) | ||||||
| SL-BR-CBSST SH-BR-CBSST | 2 | 4 5 6 | 3.8 | 1.3 | 1.3 | 1.2 | 0.1以上 | 0.4 |
| 2.5 | 4 5 6 8 | 4.5 | 1.6 | 1.5 | 1.5 | 0.45 | ||
| 3 | 5 6 8 10 12 | 5.5 | 2 | 2 | 0.5 | |||
| 4 | 5 6 8 10 12 16 | 7 | 2.8 | 2.5 | 2.3 | 0.2以上 | 0.7 | |
| 5 | 6 8 10 12 16 20 | 8.5 | 3.5 | 3 | 2.7 | 0.8 | ||
| 6 | 8 10 12 16 20 | 10 | 4 | 4 | 3 | 0.25以上 | 1.0 | |
| 型式 | 頭部径 A | 頭部高さ E | 六角穴幅 B | 六角穴深さ t max. | 不完全ねじ部 (e)max. | 首下 r | ピッチ P | ||
| Type | M | L(選択) | |||||||
| SL-BR-CBSTS SH-BR-CBSTS | 2 | 3 4 5 6 8 | 4 | 1.1 | 1.3 | 1.2 | 1.2 | 0.2以上 | 0.4 |
| 2.5 | 3 4 5 6 8 | 5 | 1.3 | 1.5 | 1.5 | 0.45 | |||
| 3 | 4 5 6 8 10 12 14 | 6 | 1.5 | 1.5 | 2 | 1.6 | 0.5 | ||
| 4 | 5 6 8 10 12 14 16 | 8 | 2 | 2.5 | 0.7 | ||||
| 5 | 6 8 10 12 14 16 | 9 | 3 | 3 | 2 | 0.8 | |||
| 6 | 6 8 10 12 14 16 20 | 10 | 4 | 2.5 | 1.0 | ||||
| 型式 | 頭部径 A | 頭部高さ E | 六角穴幅 B | 六角穴深さ t max. | 不完全ねじ部 (e)max. | 首下 r | 首下 da max. | ピッチ P | ||
| Type | M | L(選択) | ||||||||
| SL-BR-CBSTSR SH-BR-CBSTSR | 2 | 3 4 5 6 | 4 | 0.5 | 1.3 | 1.2 | 1.2 | 0.1~0.45 | 2.6以下 | 0.4 |
| 2.5 | 4 5 6 | 5 | 0.6 | 3.1以下 | 0.45 | |||||
| 3 | 4 5 6 8 10 | 6 | 0.8 | 1.5 | 2 | 1.4 | 0.1~0.5 | 3.6以下 | 0.5 | |
| 4 | 5 6 8 10 | 8 | 0.9 | 2 | 2.5 | 1.5 | 0.2~0.6 | 4.7以下 | 0.7 | |
| 5 | 6 8 10 | 9 | 1 | 2.5 | 3 | 1.8 | 0.2~0.65 | 5.7以下 | 0.8 | |
| 6 | 10 12 | 10 | 1.2 | 3 | 4 | 2.2 | 0.25~0.75 | 6.8以下 | 1.0 | |
洗浄工程| ※材質がステンレスの場合、アルカリ系温水洗浄となることがあります。 | |
| ・脱脂洗浄(型式:SL-□□) | ※表面処理が低温黒色クロムメッキの場合、IPA洗浄となります。 |
作業環境:一般環境 | ||||||||||||||
|---|---|---|---|---|---|---|---|---|---|---|---|---|---|---|
Ro水洗浄 中性洗剤洗浄 | ![]() |
後に純水(10MΩ・cm)で 洗浄 | ![]() |
使用 | ![]() |
| ||||||||
作業環境:クラス1000 | 作業環境:クラス10 | |||||||||||||||||
|---|---|---|---|---|---|---|---|---|---|---|---|---|---|---|---|---|---|---|
Ro水洗浄 中性洗剤洗浄 | ![]() |
後に純水(10MΩ・cm)で 洗浄 | ![]() |
| ![]() |
| ![]() |
で実施 | ||||||||||
作業環境:クラス1000 | 作業環境:クラス10 | |||||||||||||||||||||
|---|---|---|---|---|---|---|---|---|---|---|---|---|---|---|---|---|---|---|---|---|---|---|
Ro水洗浄 中性洗剤洗浄 | ![]() |
で電解研磨 | ![]() |
後に純水(10MΩ・cm)で 洗浄 | ![]() |
| ![]() |
| ![]() |
で実施 | ||||||||||||
梱包例| 脱脂洗浄の場合 (TYPE型番:SL-□□) | 精密洗浄または電解研磨+精密洗浄の場合 | |
| (TYPE型番:SH-□□・SHD-□□) | ||
| オーステナイト系ステンレス・アルミ材質の場合 | 鉄・マルテンサイト系ステンレス材質の場合 | |
防錆梱包(1重梱包) | 1重目梱包2重目梱包 | 1重目梱包2重目梱包乾燥剤 |
| 一部商品・サイズによっては、 梱包形態が異なる場合がございます。 | [ ! ]1重目・2重目の梱包とも、脱気されております。 | [ ! ]防錆対策として乾燥剤を同封しております。 1梱包につき1つになります。 |
洗浄効果・利用推奨環境洗浄方法 | 商品型番 | 梱包形態 | 未洗浄品と比べた効果 | ご利用環境(目安) | 利用シーン・工程 |
|---|---|---|---|---|---|
| 脱脂洗浄 | SL-□□ | 防錆梱包 | 油分除去 | 一般環境 | 通常組立工程 |
| バッテリー組立後工程 | |||||
| 精密洗浄 | SH-□□ | 脱気2重梱包 | 油分除去 粉塵除去 | クリーン環境(クラス10~1,000) | バッテリー組立工程 |
| 液晶関連組立後工程 | |||||
| 車載カメラ組立工程 | |||||
| 電解研磨+精密洗浄 | SHD-□□ | 脱気2重梱包 | 油分除去 粉塵除去 アウトガス低減 | 真空環境 クリーン環境(クラス10~1,000) | 半導体前工程 |
| 液晶成膜工程 | |||||
| 有機EL前工程 |
| 型番 |
|---|
通常単価(税別)
(税込単価) | 通常出荷日 |
|---|
- ( - ) | 4日目 |
- ( - ) | 4日目 |
- ( - ) | 4日目 |
- ( - ) | 4日目 |
- ( - ) | 4日目 |
- ( - ) | 4日目 |
- ( - ) | 4日目 |
- ( - ) | 4日目 |
- ( - ) | 4日目 |
- ( - ) | 4日目 |
- ( - ) | 4日目 |
- ( - ) | 4日目 |
- ( - ) | 4日目 |
- ( - ) | 4日目 |
- ( - ) | 4日目 |
- ( - ) | 4日目 |
- ( - ) | 4日目 |
- ( - ) | 4日目 |
- ( - ) | 4日目 |
- ( - ) | 4日目 |
- ( - ) | 4日目 |
- ( - ) | 4日目 |
- ( - ) | 4日目 |
- ( - ) | 4日目 |
- ( - ) | 4日目 |
- ( - ) | 4日目 |
- ( - ) | 4日目 |
- ( - ) | 4日目 |
- ( - ) | 4日目 |
- ( - ) | 4日目 |
- ( - ) | 4日目 |
- ( - ) | 4日目 |
- ( - ) | 4日目 |
- ( - ) | 4日目 |
- ( - ) | 4日目 |
- ( - ) | 4日目 |
- ( - ) | 4日目 |
- ( - ) | 4日目 |
- ( - ) | 4日目 |
- ( - ) | 4日目 |
- ( - ) | 4日目 |
- ( - ) | 4日目 |
- ( - ) | 4日目 |
- ( - ) | 4日目 |
- ( - ) | 4日目 |
- ( - ) | 4日目 |
- ( - ) | 4日目 |
- ( - ) | 4日目 |
- ( - ) | 4日目 |
- ( - ) | 4日目 |
- ( - ) | 4日目 |
- ( - ) | 4日目 |
- ( - ) | 4日目 |
- ( - ) | 4日目 |
- ( - ) | 4日目 |
- ( - ) | 4日目 |
- ( - ) | 4日目 |
- ( - ) | 4日目 |
- ( - ) | 4日目 |
- ( - ) | 4日目 |
| ・脱脂洗浄(防錆1重梱包) | :型番SL-□□ |
| ・精密洗浄(脱気2重梱包) | :型番SH-□□ |
| ・電解研磨+精密洗浄(脱気2重梱包) | :型番SHD-□□ |
| 商品型番 | 洗浄方法 | 梱包形態 | 未洗浄品と比べた効果 | ご利用環境(目安) | 工程別 |
| SL-□□ | 脱脂洗浄 | 防錆梱包 | 油分除去 | 一般環境 | 通常組立工程 |
| バッテリー組立後工程 | |||||
| SH-□□ | 精密洗浄 | 脱気2重梱包 | 油分除去 粉塵除去 | クリーン環境(クラス10~1,000) | バッテリー組立工程 |
| 液晶関連組立後工程 | |||||
| 車載カメラ組立工程 | |||||
| SHD-□□ | 電解研磨+精密洗浄 | 脱気2重梱包 | 油分除去 粉塵除去 アウトガス低減 | 真空環境 クリーン環境(クラス10~1,000) | 半導体前工程 |
| 液晶成膜工程 | |||||
| 有機EL前工程 |
| 型式 | ¥基準単価 | |||
| Type | M | L(選択) | SL-BR-CBSST | SH-BR-CBSST |
| SL-BR-CBSST SH-BR-CBSST | 2 | 4 | 660 | 820 |
| 5 | 640 | 800 | ||
| 6 | 640 | 800 | ||
| 2.5 | 4 | 660 | 820 | |
| 5 | 660 | 820 | ||
| 6 | 650 | 810 | ||
| 8 | 630 | 790 | ||
| 3 | 5 | 600 | 760 | |
| 6 | 600 | 760 | ||
| 8 | 600 | 760 | ||
| 10 | 610 | 770 | ||
| 12 | 660 | 820 | ||
| 4 | 5 | 620 | 780 | |
| 6 | 600 | 760 | ||
| 8 | 600 | 760 | ||
| 10 | 600 | 760 | ||
| 12 | 600 | 760 | ||
| 16 | 610 | 770 | ||
| 5 | 6 | 620 | 780 | |
| 8 | 600 | 760 | ||
| 10 | 600 | 760 | ||
| 12 | 600 | 760 | ||
| 16 | 620 | 780 | ||
| 20 | 620 | 780 | ||
| 6 | 8 | 660 | 820 | |
| 10 | 610 | 770 | ||
| 12 | 600 | 760 | ||
| 16 | 600 | 760 | ||
| 20 | 670 | 830 | ||
| 型式 | ¥基準単価 | |||
| Type | M | L(選択) | SL-BR-CBSTS | SH-BR-CBSTS |
| SL-BR-CBSTS SH-BR-CBSTS | 2 | 3 | 690 | 850 |
| 4 | 680 | 840 | ||
| 5 | 680 | 840 | ||
| 6 | 680 | 840 | ||
| 8 | 680 | 840 | ||
| 2.5 | 3 | 690 | 850 | |
| 4 | 680 | 840 | ||
| 5 | 670 | 830 | ||
| 6 | 680 | 840 | ||
| 8 | 680 | 840 | ||
| 3 | 4 | 620 | 780 | |
| 5 | 610 | 770 | ||
| 6 | 610 | 770 | ||
| 8 | 610 | 770 | ||
| 10 | 620 | 780 | ||
| 12 | 660 | 820 | ||
| 14 | 670 | 830 | ||
| 4 | 5 | 600 | 760 | |
| 6 | 600 | 760 | ||
| 8 | 600 | 760 | ||
| 10 | 600 | 760 | ||
| 12 | 600 | 760 | ||
| 14 | 650 | 810 | ||
| 16 | 650 | 810 | ||
| 5 | 6 | 650 | 810 | |
| 8 | 610 | 770 | ||
| 10 | 610 | 770 | ||
| 12 | 610 | 770 | ||
| 14 | 670 | 830 | ||
| 16 | 660 | 820 | ||
| 6 | 6 | 700 | 860 | |
| 8 | 690 | 850 | ||
| 10 | 630 | 790 | ||
| 12 | 610 | 770 | ||
| 14 | 610 | 770 | ||
| 16 | 630 | 790 | ||
| 20 | 690 | 850 | ||
| 型式 | ¥基準単価 | |||
| Type | M | L(選択) | SL-BR-CBSTSR | SH-BR-CBSTSR |
| SL-BR-CBSTSR SH-BR-CBSTSR | 2 | 3 | 640 | 800 |
| 4 | 660 | 820 | ||
| 5 | 660 | 820 | ||
| 6 | 710 | 870 | ||
| 2.5 | 4 | 700 | 860 | |
| 5 | 700 | 860 | ||
| 6 | 700 | 860 | ||
| 3 | 4 | 610 | 770 | |
| 5 | 610 | 770 | ||
| 6 | 610 | 770 | ||
| 8 | 630 | 790 | ||
| 10 | 630 | 790 | ||
| 4 | 5 | 620 | 780 | |
| 6 | 610 | 770 | ||
| 8 | 610 | 770 | ||
| 10 | 620 | 780 | ||
| 5 | 6 | 650 | 810 | |
| 8 | 630 | 790 | ||
| 10 | 650 | 810 | ||
| 6 | 10 | 680 | 840 | |
| 12 | 730 | 890 | ||
| 表面処理 | 光沢度 | 写真 |
| 低温黒色クロムメッキ | 18.9% | ![]() |
通常価格、通常出荷日が表示と異なる場合がございます
通常価格、通常出荷日が表示と異なる場合がございます

ミスミ
極低頭六角穴付ボルト【SUS316L/ SUSXM7/ SCM435】
4.7通常価格(税別):90円~

ミスミ
低頭六角穴付ボルト【メカニカル部品カタログ掲載】
4.6通常価格(税別):90円~

ミスミ
超極低頭六角穴付ボルト【SUS316L/ SUS304相当/ SCM435】
4.6通常価格(税別):230円~

ミスミ
超極低頭ボルト ヘクサロビュラタイプ
4.5通常価格(税別):120円~

ミスミ
【エコノミーシリーズ】 RoHS対応 超極低頭ボルト 六角穴タイプ
4.7通常価格(税別):77円

ミスミ
SUS316L 低頭ボルト
0通常価格(税別):95円~

ミスミ
【エコノミーシリーズ】 RoHS対応 極低頭ボルト 六角穴タイプ
0通常価格(税別):76円

SUNCO
極低頭キャップ(六角穴付ボルト)
4.6通常価格(税別):95円~

鍋屋バイテック
六角穴付き極低頭ボルト SSH
4.7通常価格(税別):331円~