メカニカル部品技術窓口


| L寸 | L寸公差 |
| 15≦L≦145.5 | ±0.1 |
■支柱 おねじ逃げ部寸法(参考値)

| M | MC | g |
| 2.6 | 2.1 | 0.8 |
| 3 | 2.4 | 1 |
| 4 | 3.2 | 1.2 |
| 5 | 4.1 | 1.5 |
| 6 | 4.4 | 2 |
| 8 | 6 | 3 |
| 10 | 7.7 |
| Type | [ M ]材質 | 表面処理仕様 | ||||||
| [ S ]表面処理種類 | 膜厚 | 耐熱温度 | [ H ]被膜硬度 | |||||
| NF-NETN | SS400相当 | ふっ素含有無電解ニッケルメッキ (20vol%) |
| 300℃ | 400HV | |||
| NF-SETN | SUS304 | |||||||
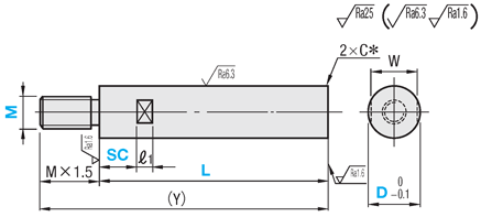
| 型式 | − | L | − | SC | − | M |
| NF-SETN15 | − | 100 | − | SC50 | − | M10 |
| 型式 | L 指定0.1mm単位 *D=5は指定0.5mm単位 | SC 指定0.5mm単位 | M(並目) 選択 | W | ℓ1 | ||||||||
| Type | D | ||||||||||||
| SS400相当 NF-NETN SUS304 NF-SETN | *5 | 15.0〜100.0 | 0〜92.0 | 2.6 | 3 | 4 | 8 | ||||||
| 6 | 15.0〜145.5 | 0〜137.5 | 3 | 4 | 5 | ||||||||
| 8 | 20.0〜145.5 | 0〜137.5 | 3 | 4 | 5 | 7 | |||||||
| 10 | 20.0〜145.5 | 0〜137.5 | 3 | 4 | 5 | 6 | 8 | ||||||
| 12 | 25.0〜144.0 | 0〜134.0 | 4 | 5 | 6 | 8 | 10 | 10 | |||||
| 15 | 35.0〜142.5 | 0〜132.5 | 5 | 6 | 8 | 10 | 13 | ||||||
| 型式 | − | L | − | SC | − | M | − | (LKC・MLC) |
| NF-NETN10 | − | 145.5 | − | SC130 | − | M5 | − | LKC |
| Alterations | L寸公差変更 | おねじ部長さ変更 | ||||
![]() | ![]() | |||||
| Code | LKC | MLC | ||||
| Spec. | L寸法公差は以下のようになります。 指定方法 LKC LKC使用時、L寸単位0.1mm指定可
| おねじ部長さ変更 [ NG ]D=5は適用不可 [ ! ]MLC=指定0.1mm単位 M×1≦MLC<M×1.5 指定方法 MCL10 | ||||
| ¥/1Code | 400 | 200 |
| 表面処理名称 | ふっ素含有無電解ニッケルメッキ (20vol%) |
| 表面硬度 | 400HV |
| 動摩擦係数_参考値 | 0.1~0.2 |
| 撥水角(撥水性)_参考値 | 115° |
| 電気的特性_参考値 | 導電性 |

| 試料 | 試料型番 | 軸力 (KN) | ねじ面摩擦 係数 |
| ステンレスボルト (表面処理なし) | SCB6-25 | 3.6 | 0.473 |
| ふっ素樹脂コーティング (PTFE+PAI) | FH-SCB6-25 | 6.7 | 0.091 |
| ふっ素含有無電解ニッケルメッキ (20vol%) | NF-SCB6-25 | 8.0 | 0.100 |
| 試験機 | 試験方法 | |
| ねじ締め付け試験機 (NST-500NM/日本計測システム株式会社) | JIS B1084 | |
| 型番 |
|---|
通常単価(税別)
(税込単価) | 通常出荷日 |
|---|
- ( - ) | 8日目 |
- ( - ) | 8日目 |
- ( - ) | 8日目 |
- ( - ) | 8日目 |
- ( - ) | 8日目 |
- ( - ) | 8日目 |
- ( - ) | 8日目 |
- ( - ) | 8日目 |
- ( - ) | 8日目 |
- ( - ) | 8日目 |
- ( - ) | 8日目 |
- ( - ) | 8日目 |
■ふっ素含有無電解ニッケルメッキの特長
すべり性や難付着性などの機能性に優れており、一般製造装置・半導体製造関連装置・FPD製造関連装置等で使われています。
・ふっ素含有無電解ニッケルメッキ:すべり性、かじり防止、難付着性、導電性
■ご留意事項
メッキの処理過程で発生する処理跡などが残る場合があります。こちらをご参照ください。
メッキ後にベーキングを行う為、母材の歪みが発生する場合があります。
通常価格、通常出荷日が表示と異なる場合がございます
通常価格、通常出荷日が表示と異なる場合がございます

ミスミ
六角支柱-片端おねじ片端めねじ【全長公差バラつき保証タイプ・標準タイプ】
4.5
ミスミ
六角支柱-両端めねじ【全長公差バラつき保証タイプ・標準タイプ】
4.6
ミスミ
円形支柱-両端めねじ【全長公差バラつき保証タイプ・標準タイプ】
4.6
ミスミ
円形支柱-片端おねじ片端めねじ【全長公差バラつき保証タイプ・標準タイプ】
4.5
ミスミ
六角支柱-並目ねじ径長さ指定片端おねじ片端めねじ-
4.5
ミスミ
【黄銅・SUS・鉄】 金属スペーサー(小径六角支柱) 片端おねじ片端めねじ
4.6通常価格(税別):31円~

ミスミ
円形支柱-片端おねじ-【全長公差バラつき保証タイプ・標準タイプ】
4.5
ミスミ
【エコノミーシリーズ】 RoHS対応 六角支柱 片端おねじ・片端めねじタイプ
4.7通常価格(税別):165円~

ミスミ
円形支柱-片端めねじ-【全長公差バラつき保証タイプ・標準タイプ】
4.5