メカニカル部品技術窓口


| L寸 | L寸公差 |
| 15≦L≦150 | ±0.1 |
| 型式 | − | L | − | SC | − | M |
| NF-NETMN10 | − | 150 | − | SC20 | − | M5 |
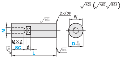
| 型式 | L 指定0.1mm単位 *D=5は指定0.5mm単位 | SC 指定0.5mm単位 | M(並目) 選択 | W | ℓ1 | ||||||||
| Type | D | ||||||||||||
| SS400相当 NF-NETMN SUS304 NF-SETMN | *5 | 15.0〜100.0 | 0〜92.0 | 2.6 | 3 | 4 | 8 | ||||||
| 6 | 15.0〜150.0 | 0〜142.0 | 3 | 4 | 5 | ||||||||
| 8 | 20.0〜150.0 | 0〜142.0 | 3 | 4 | 5 | 7 | |||||||
| 10 | 20.0〜150.0 | 0〜142.0 | 3 | 4 | 5 | 6 | 8 | ||||||
| 12 | 25.0〜150.0 | 0〜140.0 | 4 | 5 | 6 | 8 | 10 | 10 | |||||
| 15 | 35.0〜150.0 | 0〜140.0 | 5 | 6 | 8 | 10 | 13 | ||||||
| 型式 | − | L | − | SC | − | M | − | (LKC) |
| NF-SETMN10 | − | 148.8 | − | SC140.5 | − | M4 | − | LKC |
| Alterations | L寸公差変更 | ||||
![]() | |||||
| Code | LKC | ||||
| Spec. | L寸法公差は以下のようになります。 指定方法 LKC LKC使用時、L寸単位0.1mm指定可
| ||||
| ¥/1Code | 400 |
| 表面処理名称 | ふっ素含有無電解ニッケルメッキ (20vol%) |
| 表面硬度 | 400HV |
| 動摩擦係数_参考値 | 0.1~0.2 |
| 撥水角(撥水性)_参考値 | 115° |
| 電気的特性_参考値 | 導電性 |
| 型番 |
|---|
通常単価(税別)
(税込単価) | 通常出荷日 |
|---|
- ( - ) | 8日目 |
- ( - ) | 8日目 |
- ( - ) | 8日目 |
- ( - ) | 8日目 |
- ( - ) | 8日目 |
- ( - ) | 8日目 |
- ( - ) | 8日目 |
- ( - ) | 8日目 |
- ( - ) | 8日目 |
- ( - ) | 8日目 |
- ( - ) | 8日目 |
- ( - ) | 8日目 |
■ふっ素含有無電解ニッケルメッキの特長
すべり性や難付着性などの機能性に優れており、一般製造装置・半導体製造関連装置・FPD製造関連装置等で使われています。
・ふっ素含有無電解ニッケルメッキ:すべり性、かじり防止、難付着性、導電性
■ご留意事項
メッキの処理過程で発生する処理跡などが残る場合があります。こちらをご参照ください。
メッキ後にベーキングを行う為、母材の歪みが発生する場合があります。
通常価格、通常出荷日が表示と異なる場合がございます
通常価格、通常出荷日が表示と異なる場合がございます

ミスミ
六角支柱-片端おねじ片端めねじ【全長公差バラつき保証タイプ・標準タイプ】
4.5
ミスミ
六角支柱-両端めねじ【全長公差バラつき保証タイプ・標準タイプ】
4.6
ミスミ
円形支柱-両端めねじ【全長公差バラつき保証タイプ・標準タイプ】
4.6
ミスミ
円形支柱-片端おねじ片端めねじ【全長公差バラつき保証タイプ・標準タイプ】
4.5
ミスミ
六角支柱-並目ねじ径長さ指定片端おねじ片端めねじ-
4.5
ミスミ
【黄銅・SUS・鉄】 金属スペーサー(小径六角支柱) 片端おねじ片端めねじ
4.6通常価格(税別):31円~

ミスミ
円形支柱-片端おねじ-【全長公差バラつき保証タイプ・標準タイプ】
4.5
ミスミ
【エコノミーシリーズ】 RoHS対応 六角支柱 片端おねじ・片端めねじタイプ
4.7通常価格(税別):165円~

ミスミ
円形支柱-片端めねじ-【全長公差バラつき保証タイプ・標準タイプ】
4.5