メカニカル部品技術窓口
ミスミ品のみ対象


| Type | [ M ]材質 | 表面処理仕様 | |||||||
| L寸固定 | L寸指定 | L寸・ねじ径指定 | [ S ]表面処理種類 | 膜厚 | 耐熱温度 | [ H ]被膜硬度 | |||
| − | NF-NLSFB | NF-NLSBF | SS400相当 | ふっ素含有無電解ニッケルメッキ (20vol%) | 7 | ±3 | μm | 300℃ | 400HV |
| NF-SLSBRK | NF-SLSBFA | NF-SLSBF | SUS304 | ||||||
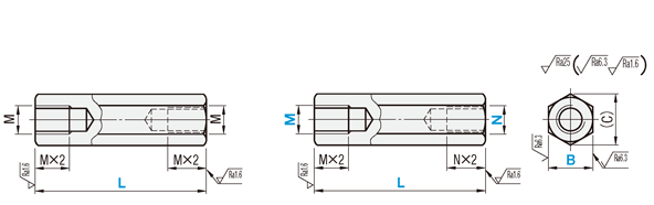
| L寸 | L寸公差 |
| 8 ≦ L ≦ 150 | ±0.1 |
| B | B寸公差 |
| 5・6 | 0 -0.12 |
| 7~10 | 0 -0.15 |
| 12~17 | 0 -0.18 |
| 型式 | − | L | − | M | − | N |
| NF-SLSBRK13 | − | 100 | ||||
| NF-NLSFB6 | − | 48 | ||||
| NF-SLSBF10 | − | 150 | − | M4 | − | N6 |
| 型式 | L | M | (C) | ||||||||||||||||||
| Type | B | 選択 | (並目) | ||||||||||||||||||
| NF-SLSBRK | 6 | 15 | 20 | 25 | 30 | 35 | 40 | 45 | 50 | 3 | 6.9 | ||||||||||
| 7 | 20 | 25 | 30 | 35 | 40 | 45 | 50 | 60 | 70 | 80 | 90 | 100 | 110 | 120 | 130 | 140 | 150 | 4 | 8.1 | ||
| 8 | 20 | 25 | 30 | 35 | 40 | 45 | 50 | 60 | 70 | 80 | 90 | 100 | 110 | 120 | 130 | 140 | 150 | 5 | 9.2 | ||
| 10 | 25 | 30 | 35 | 40 | 45 | 50 | 60 | 70 | 80 | 90 | 100 | 110 | 120 | 130 | 140 | 150 | 6 | 11.5 | |||
| 12 | 25 | 30 | 35 | 40 | 45 | 50 | 60 | 70 | 80 | 90 | 100 | 110 | 120 | 130 | 140 | 150 | 6 | 13.9 | |||
| 13 | 35 | 40 | 45 | 50 | 60 | 70 | 80 | 90 | 100 | 110 | 120 | 130 | 140 | 150 | 8 | 15 | |||||
| 14 | 35 | 40 | 45 | 50 | 60 | 70 | 80 | 90 | 100 | 110 | 120 | 130 | 140 | 150 | 8 | 16.2 | |||||
| 17 | 40 | 45 | 50 | 60 | 70 | 80 | 90 | 100 | 110 | 120 | 130 | 140 | 150 | 10 | 19.6 | ||||||
| 型式 | L | M | (C) | |
| Type | B | 指定0.5mm単位 | (並目) | |
| SS400相当 NF-NLSFB SUS304 NF-SLSBFA | 5 | 8.0〜 100.0 | 2.6 | 5.8 |
| 6 | 8.0〜 100.0 | 3 | 6.9 | |
| 7 | 10.0〜 150.0 | 4 | 8.1 | |
| 8 | 15.0〜 150.0 | 5 | 9.2 | |
| 10 | 25.0〜 150.0 | 6 | 11.5 | |
| 12 | 25.0〜 150.0 | 6 | 13.9 | |
| 13 | 30.0〜 150.0 | 8 | 15.0 | |
| 14 | 25.0〜 150.0 | 8 | 16.2 | |
| 17 | 40.0〜 150.0 | 10 | 19.6 | |
| 型式 | L | M(並目)・N(並目)選択 | (C) | ||||||||||
| Type | B | 指定0.5mm単位 | |||||||||||
| SS400相当 NF-NLSBF SUS304 NF-SLSBF | 5 | 8.0〜 100.0 | 2 | 2.6 | 5.8 | ||||||||
| 6 | 15.0〜 100.0 | 3 | 4 | 6.9 | |||||||||
| 7 | 15.0〜 150.0 | 3 | 4 | 5 | 8.1 | ||||||||
| 8 | 20.0〜 150.0 | 3 | 4 | 5 | 6 | 9.2 | |||||||
| 10 | 25.0〜 150.0 | 3 | 4 | 5 | 6 | 8 | 11.5 | ||||||
| 12 | 25.0〜 150.0 | 3 | 4 | 5 | 6 | 8 | 13.9 | ||||||
| 13 | 30.0〜 150.0 | 3 | 4 | 5 | 6 | 8 | 10 | 15.0 | |||||
| 14 | 30.0〜 150.0 | 3 | 4 | 5 | 6 | 8 | 10 | 16.2 | |||||
| 17 | 40.0〜 150.0 | 4 | 5 | 6 | 8 | 10 | 12 | 19.6 | |||||
| 型式 | − | L | − | M | − | N | − | (LKC) |
| NF-NLSFB6 | − | 42 | − | LKC | ||||
| NF-SLSBF10 | − | 149.8 | − | M4 | − | N6 | − | LKC |
| Alterations | L寸公差変更 | ||||
![]() | |||||
| Code | LKC | ||||
| Spec. | L寸法公差は以下のようになります。 指定方法 LKC LKC使用時、L寸単位0.1mm指定可
| ||||
| ¥/1Code | 400 |
| 表面処理名称 | ふっ素含有無電解ニッケルメッキ (20vol%) |
| 表面硬度 | 400HV |
| 動摩擦係数_参考値 | 0.1~0.2 |
| 撥水角(撥水性)_参考値 | 115° |
| 電気的特性_参考値 | 導電性 |
| 型番 |
|---|
通常単価(税別)
(税込単価) | 通常出荷日 |
|---|
- ( - ) | 8日目 |
- ( - ) | 8日目 |
- ( - ) | 8日目 |
- ( - ) | 8日目 |
- ( - ) | 8日目 |
- ( - ) | 8日目 |
- ( - ) | 8日目 |
- ( - ) | 8日目 |
- ( - ) | 8日目 |
- ( - ) | 8日目 |
- ( - ) | 8日目 |
- ( - ) | 8日目 |
- ( - ) | 8日目 |
- ( - ) | 8日目 |
- ( - ) | 8日目 |
- ( - ) | 8日目 |
- ( - ) | 8日目 |
- ( - ) | 8日目 |
- ( - ) | 8日目 |
- ( - ) | 8日目 |
- ( - ) | 8日目 |
- ( - ) | 8日目 |
- ( - ) | 8日目 |
- ( - ) | 8日目 |
- ( - ) | 8日目 |
- ( - ) | 8日目 |
- ( - ) | 8日目 |
- ( - ) | 8日目 |
- ( - ) | 8日目 |
- ( - ) | 8日目 |
- ( - ) | 8日目 |
- ( - ) | 8日目 |
- ( - ) | 8日目 |
- ( - ) | 8日目 |
- ( - ) | 8日目 |
- ( - ) | 8日目 |
- ( - ) | 8日目 |
- ( - ) | 8日目 |
- ( - ) | 8日目 |
- ( - ) | 8日目 |
- ( - ) | 8日目 |
- ( - ) | 8日目 |
- ( - ) | 8日目 |
- ( - ) | 8日目 |
■ふっ素含有無電解ニッケルメッキの特長
すべり性や難付着性などの機能性に優れており、一般製造装置・半導体製造関連装置・FPD製造関連装置等で使われています。
・ふっ素含有無電解ニッケルメッキ:すべり性、かじり防止、難付着性、導電性
■ご留意事項
メッキの処理過程で発生する処理跡などが残る場合があります。こちらをご参照ください。
メッキ後にベーキングを行う為、母材の歪みが発生する場合があります。

通常価格、通常出荷日が表示と異なる場合がございます
通常価格、通常出荷日が表示と異なる場合がございます

ミスミ
六角支柱-片端おねじ片端めねじ【全長公差バラつき保証タイプ・標準タイプ】
4.5
ミスミ
六角支柱-両端めねじ【全長公差バラつき保証タイプ・標準タイプ】
4.6
ミスミ
円形支柱-両端めねじ【全長公差バラつき保証タイプ・標準タイプ】
4.6
ミスミ
円形支柱-片端おねじ片端めねじ【全長公差バラつき保証タイプ・標準タイプ】
4.5
ミスミ
六角支柱-並目ねじ径長さ指定片端おねじ片端めねじ-
4.5
ミスミ
円形支柱-片端おねじ-【全長公差バラつき保証タイプ・標準タイプ】
4.5
ミスミ
【黄銅・SUS・鉄】 金属スペーサー(小径六角支柱) 片端おねじ片端めねじ
4.6通常価格(税別):31円~

ミスミ
六角支柱-両端めねじインロー固定・インロー部指定-【全長公差バラつき保証タイプ・標準タイプ】
4.8
ミスミ
六角支柱-並目ねじ径長さ指定両端おねじ-
4.5