メカニカル部品技術窓口


| Type | [ M ]材質 | 表面処理仕様 | ||||||
| [ S ]表面処理種類 | 膜厚 | 耐熱温度 | [ H ]被膜硬度 | |||||
| NF-NOOSW | SUS303 | ふっ素含有無電解ニッケルメッキ (20vol%) |
| 300℃ | 400HV | |||
| 型式 | − | L |
| NF-NOOSW3 | − | 6 |
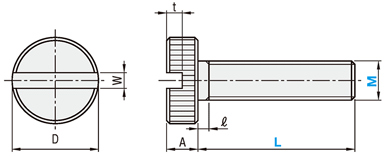
| 型式 | L選択 | D | A | ℓ | t | W | ||||||
| Type | M (並目) | |||||||||||
| NF-NOOSW | 3 | 6 | 10 | 5 | 2.5 | 1 | 1.5 | 1.8 | ||||
| 4 | 6 | 10 | 16 | 7 | 3.5 | 1.2 | 1.5 | 1.8 | ||||
| 5 | 10 | 16 | 20 | 11 | 4 | 1.4 | 2 | 1.8 | ||||
| 6 | 10 | 16 | 20 | 25 | 30 | 13 | 5 | 1.5 | 2 | 1.8 | ||
| 表面処理名称 | ふっ素含有無電解ニッケルメッキ (20vol%) |
| 表面硬度 | 400HV |
| 動摩擦係数_参考値 | 0.1~0.2 |
| 撥水角(撥水性)_参考値 | 115° |
| 電気的特性_参考値 | 導電性 |

| 試料 | 試料型番 | 軸力 (KN) | ねじ面摩擦 係数 |
| ステンレスボルト (表面処理なし) | SCB6-25 | 3.6 | 0.473 |
| ふっ素樹脂コーティング (PTFE+PAI) | FH-SCB6-25 | 6.7 | 0.091 |
| ふっ素含有無電解ニッケルメッキ (20vol%) | NF-SCB6-25 | 8.0 | 0.100 |
| 試験機 | 試験方法 | |
| ねじ締め付け試験機 (NST-500NM/日本計測システム株式会社) | JIS B1084 | |
| 型番 |
|---|
通常単価(税別)
(税込単価) | 通常出荷日 |
|---|
- ( - ) | 7日目 |
- ( - ) | 7日目 |
- ( - ) | 7日目 |
- ( - ) | 7日目 |
- ( - ) | 7日目 |
- ( - ) | 7日目 |
- ( - ) | 7日目 |
- ( - ) | 7日目 |
- ( - ) | 7日目 |
- ( - ) | 7日目 |
- ( - ) | 7日目 |
- ( - ) | 7日目 |
- ( - ) | 7日目 |
■ふっ素含有無電解ニッケルメッキの特長
すべり性や難付着性などの機能性に優れており、一般製造装置・半導体製造関連装置・FPD製造関連装置等で使われています。
・ふっ素含有無電解ニッケルメッキ:すべり性、かじり防止、難付着性、導電性
■ご留意事項
メッキの処理過程で発生する処理跡などが残る場合があります。こちらをご参照ください。
■製品特長
スリ割加工された丸形のローレットノブです。小径でスペースに制限がある場所に最適です。
通常価格、通常出荷日が表示と異なる場合がございます
通常価格、通常出荷日が表示と異なる場合がございます

ミスミ
ローレットノブ
4.6通常価格(税別):190円~

ミスミ
小径ローレットノブ
4.7通常価格(税別):215円~

ミスミ
つまみノブ ローレットタイプ
4.5通常価格(税別):252円~

ミスミ
厚型ローレットノブ
4.6通常価格(税別):208円~

ミスミ
ローレットつまみノブ
4.8通常価格(税別):145円~

ミスミ
脱落防止ローレットノブ
4.4通常価格(税別):265円~

ミスミ
セブンロブノブ
4.8通常価格(税別):151円~

ミスミ
マッシュルームノブ
4.6通常価格(税別):277円~

ミスミ
スーパーノブ
4.5通常価格(税別):138円~