メカニカル部品技術窓口


| Type | [ M ]材質 | 洗浄方法 | ||||
| ベローズ | フランジ | 洗浄方法 | 洗浄環境 | 梱包形態 | 梱包環境 | |
| SL-MBVGVF | SUS316L | SUS304 | 脱脂洗浄 | 一般環境 | 防錆梱包 | 一般環境 |
| SH-MBVGVF | 精密洗浄 | クラス1000 | 脱気2重梱包 | クラス10 | ||
| SHD-MBVGVF | 電解研磨+精密洗浄 | |||||
詳細図を記載しておりますので、ご確認ください。| 型式 |
| SL-MBVGVF25 |
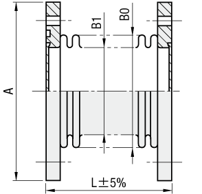
| 型式 | A | B1 (内径) | B0 (外径) | 板厚 | L (面間寸法) | 作動範囲 | ばね定数 N/mm | 有効面積 cm2 | ¥基準単価 | |||
| Type | No. | SL-MBVGVF | SH-MBVGVF | SHD-MBVGVF | ||||||||
| SL-MBVGVF SH-MBVGVF SHD-MBVGVF | 25 | 90 | 28.0 | 40 | 0.15 | 65 | 57~70 | 6.0 | 9.1 | 14,080 | 14,880 | 15,480 |
| 40 | 105 | 42.7 | 58 | 90 | 74~100 | 3.1 | 19.9 | 19,250 | 20,050 | 20,650 | ||
| 50 | 120 | 49.5 | 65 | 105 | 85~118 | 3.4 | 25.7 | 21,160 | 21,960 | 22,560 | ||
洗浄工程| ※材質がステンレスの場合、アルカリ系温水洗浄となることがあります。 | |
| ・脱脂洗浄(型式:SL-□□) | ※表面処理が低温黒色クロムメッキの場合、IPA洗浄となります。 |
| 作業環境:一般環境 | ||||||||||||||
|---|---|---|---|---|---|---|---|---|---|---|---|---|---|---|
Ro水洗浄 中性洗剤洗浄 | ![]() |
後に純水(10MΩ・cm)で 洗浄 | ![]() |
使用 | ![]() |
| ||||||||
| 作業環境:クラス1000 | 作業環境:クラス10 | |||||||||||||||||
|---|---|---|---|---|---|---|---|---|---|---|---|---|---|---|---|---|---|---|
Ro水洗浄 中性洗剤洗浄 | ![]() |
後に純水(10MΩ・cm)で 洗浄 | ![]() |
| ![]() |
| ![]() |
で実施 | ||||||||||
| 作業環境:クラス1000 | 作業環境:クラス10 | |||||||||||||||||||||
|---|---|---|---|---|---|---|---|---|---|---|---|---|---|---|---|---|---|---|---|---|---|---|
Ro水洗浄 中性洗剤洗浄 | ![]() |
で電解研磨 | ![]() |
後に純水(10MΩ・cm)で 洗浄 | ![]() |
| ![]() |
| ![]() |
で実施 | ||||||||||||
梱包例| 脱脂洗浄の場合 (TYPE型番:SL-□□) | 精密洗浄または電解研磨+精密洗浄の場合 | |
| (TYPE型番:SH-□□・SHD-□□) | ||
| オーステナイト系ステンレス・アルミ材質の場合 | 鉄・マルテンサイト系ステンレス材質の場合 | |
防錆梱包(1重梱包) | 1重目梱包2重目梱包 | 1重目梱包2重目梱包乾燥剤 |
| 一部商品・サイズによっては、 梱包形態が異なる場合がございます。 | [ ! ]1重目・2重目の梱包とも、脱気されております。 | [ ! ]防錆対策として乾燥剤を同封しております。 1梱包につき1つになります。 |
洗浄効果・利用推奨環境洗浄方法 | 商品型番 | 梱包形態 | 未洗浄品と比べた効果 | ご利用環境(目安) | 利用シーン・工程 |
|---|---|---|---|---|---|
| 脱脂洗浄 | SL-□□ | 防錆梱包 | 油分除去 | 一般環境 | 通常組立工程 |
| バッテリー組立後工程 | |||||
| 精密洗浄 | SH-□□ | 脱気2重梱包 | 油分除去 粉塵除去 | クリーン環境(クラス10~1,000) | バッテリー組立工程 |
| 液晶関連組立後工程 | |||||
| 車載カメラ組立工程 | |||||
| 電解研磨+精密洗浄 | SHD-□□ | 脱気2重梱包 | 油分除去 粉塵除去 アウトガス低減 | 真空環境 クリーン環境(クラス10~1,000) | 半導体前工程 |
| 液晶成膜工程 | |||||
| 有機EL前工程 |
| 型番 |
|---|
通常単価(税別)
(税込単価) | 通常出荷日 |
|---|
- ( - ) | 3日目 |
- ( - ) | 3日目 |
- ( - ) | 3日目 |
- ( - ) | 3日目 |
- ( - ) | 3日目 |
- ( - ) | 3日目 |
- ( - ) | 3日目 |
- ( - ) | 3日目 |
- ( - ) | 3日目 |
| ・脱脂洗浄(防錆1重梱包) | :型番SL-□□ |
| ・精密洗浄(脱気2重梱包) | :型番SH-□□ |
| ・電解研磨+精密洗浄(脱気2重梱包) | :型番SHD-□□ |
| 商品型番 | 洗浄方法 | 梱包形態 | 未洗浄品と比べた効果 | ご利用環境(目安) | 工程別 |
| SL-□□ | 脱脂洗浄 | 防錆梱包 | 油分除去 | 一般環境 | 通常組立工程 |
| バッテリー組立後工程 | |||||
| SH-□□ | 精密洗浄 | 脱気2重梱包 | 油分除去 粉塵除去 | クリーン環境(クラス10~1,000) | バッテリー組立工程 |
| 液晶関連組立後工程 | |||||
| 車載カメラ組立工程 | |||||
| SHD-□□ | 電解研磨+精密洗浄 | 脱気2重梱包 | 油分除去 粉塵除去 アウトガス低減 | 真空環境 クリーン環境(クラス10~1,000) | 半導体前工程 |
| 液晶成膜工程 | |||||
| 有機EL前工程 |
| 数量区分 | 標準対応 | |||
| 数 量 | 1~9 | 10~19 | 20~49 | 50~ |
| 値引率 | 基準単価 | 10% | 13% | 15% |
通常価格、通常出荷日が表示と異なる場合がございます
通常価格、通常出荷日が表示と異なる場合がございます

入江工研
IF規格成形ベローズ
0通常価格(税別):22,075円~

ミラプロ
成形ベローズ(NWフランジ)
5通常価格(税別):7,997円~

ミスミ
真空配管用継手 クランプ
3.9通常価格(税別):1,140円~

ミスミ
真空配管用継手 センターリング
4通常価格(税別):1,380円~

アドバンテック(真空配管)
NWセンターリング
5通常価格(税別):682円~

アドバンテック(真空配管)
NWフランジシリーズ NWショートフランジ
4.6通常価格(税別):1,080円~

ミスミ
真空配管部品 NW(KF)フレキシブルチューブ
4.6通常価格(税別):4,650円~

ミスミ
真空配管用継手 メネジアダプタ
4通常価格(税別):5,760円~

ミラプロ
NWセンターリング(ISO-KF フランジタイプ)
4.8通常価格(税別):798円~