メカニカル部品技術窓口
ミスミ品のみ対象


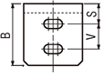
(共通寸法)
| コーナー形状変更 (追加工) |
| コーナーR加工 |
| CR |
| 1≦CR≦10 |
![]() |
[ ! ]緑色のパラメータは省略可能です。省略した場合、センターに対して均等配置になります。詳細は>>こちら
[ ! ]仕様・加工限界の詳細は>>こちら
[ ! ]穴指定②[NA]の長穴向きを変更可能(追加工参照)
| 穴種 | ボルト通し穴 |
| Code | NA |
| 形状図 | [ ! ] ![]() |
| [ ! ]d寸法は規格表下部 「NA加工寸法表」参照 |
| 型式 | [ M ]材質 | [ S ]表面処理 | ||
| Type | 材質記号 | |||
| SWRBS | SP | T0.8~3.2 T4.5~6.0 | : SPCC : SPHC | - |
| SPB | 四三酸化鉄皮膜 | |||
| SPU | 三価クロメート(白) | |||
| SPK | 三価クロメート(黒) | |||
| AM | A5052 | - | ||
| AMW | アルマイト処理(白) | |||
| AMB | アルマイト処理(黒) | |||
| SUD | T0.8~6.0 | : SUS304(2B) | - | |
| 型式 | - | T | - | A | - | B | - | L | - | P | - | Q | - | E | - | R | - | V | - | S | - | 穴指定② Code・呼び径 | - | K | ||
| Type | - | 材質記号 | ||||||||||||||||||||||||
| SWRBS | - | SP | - | T4.5 | - | A60 | - | B30 | - | L50 | - | P20 | - | Q13 | - | E15 | - | R30 | - | V30 | - | S18 | - | NA5 | - | K5 |
| 型式 | 選択 | 指定1mm単位 | P | Q | E | R | V | S | 穴指定② Code/指定方法 | K | |||
| Type | 材質記号 | T | A | B | L | ||||||||
| SWRBS | SP SPB SPU SPK | 0.8 ・ 1.0 ・ 1.2 ・ 1.6 2.3 ・ 3.2 ・ 4.5 ・ 6.0 | 20 ~ 200 (300) [ ! ] | 15 ~ 200 [ ! ] | 10 ~ 200 [ ! ] | 指定 1mm単位 | 指定 0.1mm単位 | NA (ボルト通し穴) 0・3・4・5 6・8・10 (選択) [ ! ] | 指定 0.1mm単位 [ ! ]K≦NA×5 | ||||
| AM AMW AMB | 1.0 ・ 1.5 ・ 2.0 ・ 3.0 ・ 4.0 ・ 5.0 | ||||||||||||
| SUD | 0.8 ・ 1.0 ・ 1.2 ・ 1.5 ・ 2.0 3.0 ・ 4.0 ・ 5.0 ・ 6.0 | ||||||||||||
| [ ! ]P・Q≧T×2 [ ! ]T6.0は、A≦300, B≧20, L≧20 [ ! ]穴が端面に近すぎると穴が変形する可能性がありますが、加工限界内であればそのまま加工します。 | |||||||||||||
| NA指定値 | 通し穴径(d) |
| 0 | (穴無し) |
| 3 | 3.5 |
| 4 | 4.5 |
| 5 | 5.5 |
| 6 | 6.5 |
| 8 | 9 |
| 10 | 11 |
| T | NA(ボルト通し穴) |
| 0.8 | 0・3・4・5・6・8・10 |
| 1.0、1.2 | |
| 1.5、1.6 | |
| 2.0、2.3 | |
| 3.0、3.2 | |
| 4.0~6.0 |
| Alterations | 長穴角度変更 | コーナーカット | コーナーR加工 |
![]() | ![]() A面のみ適応 ※B面はC2以下 | ![]() A面のみ適応 ※B面はR2以下 | |
| Code | RC | CC | CR |
| Spec. | 長穴を上図のように変更します。 [ ! ]寸法関係に注意 指定方法 RCを型式末尾に追加 (例)~-RC | CC=指定1mm単位 1≦CC≦10 指定方法 型式末尾に追加 (例)~-CC5 | CR=指定1mm単位 1≦CR≦10 指定方法 型式末尾に追加 (例)~-CR5 |
| ¥/1Code | 無料 | 600 | 600 |
| 商品 | 基準寸法の区分 (A・B寸法) | 6以下 | 6を超え 30以下 | 30を超え 120以下 | 120を超え 400以下 |
| 板金(曲げ無) | 許容差(a・b) | ±0.3 | ±0.5 | ±0.8 | ±1.2 |

[ ! ]長穴は寸法によっては下記形状となる可能性があります。
(取付穴の機能に支障がない程度です) 
| T | f(穴と曲げの距離) | b (穴と断面 との距離) | g (曲げと端面 との距離) | ||||
| SPCC SPHC SS400 | A5052 | SUS304 | 通し穴 | タップ穴 | 曲げ線と 平行な長穴 (四角穴) | ||
| 0.8 | ー | 0.8 | 2 | 3 | 3.5 | 1 | 5 |
| 1.0 | 1.0 | 1.0 | 2 | 3 | 3.5 | 1 | 5.5 |
| 1.2 | ー | 1.2 | 2 | 3 | 3.5 | 1 | 5.5 |
| 1.6 | 1.5 | 1.5 | 2 | 3 | 4 | 1 | 6 |
| 2.3 | 2.0 | 2.0 | 2 | 3 | 5 | 1.5 | 7 |
| 3.2 | 3.0 | 3.0 | 2 | 3 | 7 | 1.5 | 9 |
| 4.5 | 4.0 | 4.0 | 3 | 4 | 8(9) | 2 | 11 |
| ー | 5.0 | 5.0 | 3 | 4 | 15 | 2.5 | 18 |
| 6.0 | ー | 6.0 | 3 | 4 | 15 | 2.5 | 18 |

| T | 曲げ後R | ブレーキキズ | |||
| 位置 | 深さ | ||||
| SPCC SPHC SS400 | A5052 | SUS304 | (r) | (e) | (d) |
| 0.8 | ー | 0.8 | 0.8 | 5 | 0.1 |
| 1.0 | 1.0 | 1.0 | 1.0 | 5 | 0.1 |
| 1.2 | ー | 1.2 | 1.2 | 5 | 0.1 |
| 1.6 | 1.5 | 1.5 | 1.5 | 6 | 0.1 |
| 2.3 | 2.0 | 2.0 | 2.0 | 7.5 | 0.1 |
| 3.2 | 3.0 | 3.0 | 3.0 | 10.5 | 0.2 |
| 4.5 | 4.0 | 4.0 | 4.0 | 13.5 | 0.3 |
| ー | 5.0 | 5.0 | 5.0 | 17 | 0.5 |
| 6.0 | ー | 6.0 | 6.0 | 17 | 0.5 |


| なし | 四三酸化鉄皮膜 | 三価クロメート(白) | 三価クロメート(黒) | |
| SP | SPB | SPU | SPK | |
| SPCC T0.8~3.2 | ![]() | ![]() | ![]() | ![]() |
| SPHC T4.5~6.0 | ![]() | ![]() | ![]() | ![]() |
| なし | アルマイト処理(白) | アルマイト処理(黒) | |
| AM | AMW | AMB | |
| A5052 | ![]() | ![]() | ![]() |
| なし | |
| SUD | |
| SUS304(2B) T0.8~6.0 | ![]() |

| 型番 |
|---|
通常単価(税別)
(税込単価) | 通常出荷日 |
|---|
- ( - ) | 3日目 |
- ( - ) | 5日目 |
- ( - ) | 5日目 |
- ( - ) | 3日目 |
- ( - ) | 5日目 |
- ( - ) | 3日目 |
- ( - ) | 3日目 |
- ( - ) | 3日目 |
四角穴加工に対応しました!
鉄・アルミ・ステンレスからご選定頂けるL型板金ブラケットです。
汎用的な穴パターンをご用意しております。
| A | B | T | ¥基準単価 | |||||||
| SPCC / SPHC / SS400 | A5052 | SUS304 | ||||||||
| 処理無し | 四三酸化 鉄皮膜 | 三価 クロメート (白) | 三価 クロメート (黒) | 処理無し | アルマイト 処理 (白) | アルマイト 処理 (黒) | 処理無し | |||
| SP | SPB | SPU | SPK | AM | AMW | AMB | SUD | |||
| 20~100 | 15~100 | 0.8~1.6 | 4,040 | 4,320 | 4,320 | 4,320 | 4,440 | 5,740 | 6,000 | 4,480 |
| 2.0~3.2 | 4,380 | 4,680 | 4,680 | 4,680 | 4,520 | 5,840 | 6,080 | 5,080 | ||
| 4.0~5.0 | 4,900 | 5,240 | 5,240 | 5,240 | 5,880 | 7,580 | 7,900 | 6,020 | ||
| 6 | 5,880 | 6,290 | 6,290 | 6,290 | - | - | - | 7,220 | ||
| 101~200 | 0.8~1.6 | 6,080 | 6,480 | 6,480 | 6,480 | 8,000 | 10,220 | 10,640 | 8,040 | |
| 2.0~3.2 | 6,580 | 7,020 | 7,020 | 7,020 | 8,140 | 10,360 | 10,800 | 9,160 | ||
| 4.0~5.0 | 7,360 | 7,840 | 7,840 | 7,840 | 10,560 | 13,460 | 14,000 | 10,800 | ||
| 6 | 8,830 | 9,410 | 9,410 | 9,410 | - | - | - | 12,960 | ||
| 101~200 | 15~100 | 0.8~1.6 | 5,460 | 5,860 | 5,860 | 5,860 | 7,180 | 9,220 | 9,560 | 7,260 |
| 2.0~3.2 | 5,920 | 6,340 | 6,340 | 6,340 | 7,320 | 9,340 | 9,680 | 8,240 | ||
| 4.0~5.0 | 6,380 | 7,020 | 7,020 | 7,020 | 9,520 | 12,120 | 12,620 | 9,740 | ||
| 6 | 7,660 | 8,420 | 8,420 | 8,420 | - | - | - | 11,690 | ||
| 101~200 | 0.8~1.6 | 7,660 | 8,100 | 8,100 | 8,100 | 10,800 | 13,820 | 14,380 | 10,860 | |
| 2.0~3.2 | 8,320 | 8,840 | 8,840 | 8,840 | 11,000 | 14,040 | 14,580 | 12,360 | ||
| 4.0~5.0 | 8,940 | 9,700 | 9,700 | 9,700 | 14,280 | 18,220 | 18,920 | 14,600 | ||
| 6 | 10,730 | 11,640 | 11,640 | 11,640 | - | - | - | 17,520 | ||
| 201~300 | 15~100 | 6 | 10,080 | 11,080 | 11,080 | 11,080 | - | - | - | 21,380 |
| 101~200 | 6 | 15,100 | 16,380 | 16,380 | 16,380 | - | - | - | 27,400 | |
| 数量区分 | 標準対応 | 個別対応 | ||||
| 小口 | 大口 | 大口 | ||||
| 数量 | 1~3 | 4~7 | 8~19 | 20~39 | 40~100 | 101~ |
| 値引率 | 基準価格 | 35% | 40% | 50% | 50% | お見積り |
| 出荷日 | 通常 | +2日 | +5日 | |||
| 3 | 日目出荷 |
| ご注文締切 | |||||
| 急 | ストークA | 翌日出荷 | 500円/1本 | PM 6:00迄 | >>こちら |
| 5 | 日目出荷 |
通常価格、通常出荷日が表示と異なる場合がございます
通常価格、通常出荷日が表示と異なる場合がございます

ミスミ
L型板金 取付板・ブラケット-センター振り分けタイプ- FSMAS
4.4
ミスミ
L型板金 取付板・ブラケット-フリー寸法タイプ- FACAS・FACAR
4.5
ミスミ
L型板金 取付板・ブラケット-フリー寸法タイプ- FAMAS・FAMAR
4.3
ミスミ
L型板金 取付板・ブラケット-フリー寸法タイプ- FALBS・FALBR
4.3
ミスミ
L型板金 取付板・ブラケット-センター振り分けタイプ- FSLAS
4.5
ミスミ
L型板金 取付板・ブラケット-フリー寸法タイプ- FAMBS・FAMBR
4.7
ミスミ
L型板金 取付板・ブラケット-フリー寸法タイプ- FALCS・FALCR
4.4
ミスミ
L型板金 取付板・ブラケット-フリー寸法タイプ- FAMCS・FAMCR
4.3
ミスミ
L型板金 取付板・ブラケット-フリー寸法タイプ- FASBS・FASBR
4.7