メカニカル部品技術窓口
ミスミ品のみ対象
JTRFS

| コーナー形状変更 (追加工) | |
| コーナーR加工 | |
| CR | |
| 1≦CR≦10 | |
![]() | |
[ ! ]緑色のパラメータは省略可能です。省略した場合、センターに対して均等配置になります。詳細は>>こちら
[ ! ]仕様・加工限界の詳細は>>こちら
[ ! ]穴指定[N]の長穴向きを変更可能(追加工参照)
| 穴種 | ボルト通し穴 |
| Code | N |
| 形状図 | [ ! ] ![]() |
| [ ! ]d寸法は規格表下部 「N加工寸法表」参照 |
| 型式 | [ M ]材質 | [ S ]表面処理 | ||
| Type | 材質記号 | |||
| JTRFS | SP | T0.8~3.2 T4.5~6.0 T9.0 | : SPCC : SPHC : SS400(黒皮) | - |
| SPB | 四三酸化鉄皮膜 | |||
| SPU | 三価クロメート(白) | |||
| SPK | 三価クロメート(黒) | |||
| AM | A5052 | - | ||
| AMW | アルマイト処理(白) | |||
| AMB | アルマイト処理(黒) | |||
| SUD | T0.8~6.0 T9.0 | : SUS304(2B) : SUS304(No.1) | - | |
| 型式 | - | A | - | B | - | T | - | P | - | Q | - | E | - | H | - | Y | - | 穴指定 Code・呼び径 | - | K | - | L | ||
| Type | - | 材質記号 | ||||||||||||||||||||||
| JTRFS | - | SP | - | A100 | - | B60 | - | T4.5 | - | P30 | - | Q14 | - | E35 | - | H23 | - | Y30 | - | N6 | - | K10 | - | L75 |
| 型式 | 指定1mm単位 | 選択 | P | Q | E | H | Y | 穴指定 | K | L | ||
| Type | 材質記号 | A | B | T | Code/指定方法 | |||||||
| JTRFS | SP SPB SPU SPK | 10 ~ 300 | 5 ~ 300 [ ! ] | 0.8 ・ 1.0 ・ 1.2 ・ 1.6 ・ 2.3 3.2 ・ 4.5 ・ 6.0 ・ 9.0 | 指定 1mm単位 | 指定 0.1mm単位 | N (ボルト通し穴) 0・3・4・5 6・8・10 (選択) [ ! ] | 指定 0.1mm単位 [ ! ]K≦N×10 | ||||
| AM AMW AMB | 1.0 ・ 1.5 ・ 2.0 ・ 3.0 ・ 4.0 ・ 5.0 | |||||||||||
| SUD | 0.8 ・ 1.0 ・ 1.2 ・ 1.5 ・ 2.0 3.0 ・ 4.0 ・ 5.0 ・ 6.0 ・ 9.0 | |||||||||||
| [ ! ]P・Q≧T×2 [ ! ]穴が端面に近すぎると穴が変形する可能性がありますが、加工限界内であればそのまま加工します。 | ||||||||||||
| N指定値 | 通し穴径(d) |
| 0 | (穴無し) |
| 3 | 3.5 |
| 4 | 4.5 |
| 5 | 5.5 |
| 6 | 6.5 |
| 8 | 9 |
| 10 | 11 |
| T | N(ボルト通し穴) |
| 0.8 | 0・3・4・5・6・8・10 |
| 1.0、1.2 | |
| 1.5、1.6 | |
| 2.0、2.3 | |
| 3.0、3.2 | |
| 4.0~6.0 | |
| 9 | 0・5・6・8・10 |
Alteration | 長穴角度変更 | コーナーカット | コーナーR加工 | |
![]() | ![]() | ![]() | ||
Code | RC | CC | CR | |
Spec. | 長穴を上図のように変更します。 [ ! ]寸法関係に注意 指定方法 型式末尾に追加 (例)~-RC | CC=指定1mm単位 1≦CC≦10 指定方法 型式末尾に追加 (例)~-CC5 | CR=指定1mm単位 1≦CR≦10
(例)~-CR5 | |
¥/1Code | 無料 | 600 | 600 |
| 商品 | 基準寸法の区分 (A・B寸法) | 6以下 | 6を超え 30以下 | 30を超え 120以下 | 120を超え 400以下 |
| 板金(曲げ無) | 許容差(a・b) | ±0.1 | ±0.2 | ±0.3 | ±0.5 |

[ ! ]薄板の場合は、タップの山がつぶれる可能性がありますので締め付けの際はご注意ください。
[ ! ]長穴は寸法によっては下記形状となる可能性があります。
(取付穴の機能に支障がない程度です) 
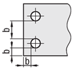
[ ! ]穴と穴、穴と端面の肉厚に加工限界があります。(例:下図b部)


| T | b | ||
| SPCC SPHC SS400 | |||
| A5052 | SUS304 | ||
| 0.8 | ー | 0.8 | 1 |
| 1.0 | 1.0 | 1.0 | 1 |
| 1.2 | ー | 1.2 | 1 |
| 1.6 | 1.5 | 1.5 | 1 |
| 2.3 | 2.0 | 2.0 | 1.5 |
| 3.2 | 3.0 | 3.0 | 1.5 |
| 4.5 | 4.0 | 4.0 | 2 |
| ー | 5.0 | 5.0 | 2.5 |
| 6.0 | ー | 6.0 | 2.5 |
| 9.0 | ー | 9.0 | 4 |
| なし | 四三酸化鉄皮膜 | 三価クロメート(白) | 三価クロメート(黒) | |
| SP | SPB | SPU | SPK | |
| SPCC T0.8~3.2 | ![]() | ![]() | ![]() | ![]() |
| SPHC T4.5~6.0 | ![]() | ![]() | ![]() | ![]() |
| SS400 (黒皮) T9.0 | ![]() | ![]() | ![]() | ![]() |
| なし | アルマイト処理(白) | アルマイト処理(黒) | |
| AM | AMW | AMB | |
| A5052 | ![]() | ![]() | ![]() |
| なし | |
| SUD | |
| SUS304(2B) T0.8~6.0 | ![]() |
| SUS304(No.1) T9.0 | ![]() |

| 型番 |
|---|
通常単価(税別)
(税込単価) | 通常出荷日 |
|---|
- ( - ) | 6日目 |
- ( - ) | 8日目 |
- ( - ) | 8日目 |
- ( - ) | 8日目 |
- ( - ) | 6日目 |
- ( - ) | 11日目 |
- ( - ) | 8日目 |
- ( - ) | 11日目 |
- ( - ) | 6日目 |
- ( - ) | 11日目 |
- ( - ) | 6日目 |
- ( - ) | 8日目 |
- ( - ) | 6日目 |
四角穴加工に対応しました!
鉄・アルミ・ステンレスからご選定頂ける平型板金ブラケットです。
汎用的な穴パターンをご用意しております。
| A | B | T | 本体価格 ¥基準単価 | ||||||
| SPCC / SPHC / SS400 | A5052 | SUS304 | |||||||
| 処理無し | 四三酸化 鉄皮膜 | 三価 クロメート (白・黒) | 処理無し | アルマイト 処理 (白) | アルマイト 処理 (黒) | 処理無し | |||
| SP | SPB | SPU SPK | AM | AMW | AMB | SUD | |||
| 10~100 | 5~100 | 0.8~1.6 | 2,660 | 2,900 | 2,900 | 3,100 | 4,120 | 4,440 | 3,120 |
| 2.0~3.2 | 2,820 | 3,080 | 3,080 | 3,100 | 4,120 | 4,440 | 3,600 | ||
| 4.0~5.0 | 3,600 | 3,900 | 3,900 | 4,020 | 5,360 | 5,780 | 4,820 | ||
| 6 | 3,600 | 3,900 | 3,900 | ― | ― | ― | 6,270 | ||
| 9 | 4,550 | 4,950 | 4,950 | ― | ― | ― | 7,540 | ||
| 101~200 | 0.8~1.6 | 2,720 | 2,980 | 2,980 | 3,380 | 5,040 | 5,400 | 3,280 | |
| 2.0~3.2 | 2,900 | 3,200 | 3,200 | 3,380 | 5,040 | 5,400 | 3,900 | ||
| 4.0~5.0 | 3,660 | 4,080 | 4,080 | 4,380 | 6,600 | 7,040 | 5,350 | ||
| 6 | 3,660 | 4,080 | 4,080 | ― | ― | ― | 7,900 | ||
| 9 | 5,060 | 5,640 | 5,640 | ― | ― | ― | 10,300 | ||
| 201~300 | 0.8~1.6 | 2,740 | 3,040 | 3,040 | 3,620 | 5,960 | 6,300 | 3,500 | |
| 2.0~3.2 | 2,980 | 3,340 | 3,340 | 3,620 | 5,960 | 6,300 | 4,120 | ||
| 4.0~5.0 | 3,740 | 4,220 | 4,220 | 4,720 | 7,760 | 8,200 | 5,850 | ||
| 6 | 3,740 | 4,220 | 4,220 | ― | ― | ― | 10,370 | ||
| 9 | 6,460 | 7,290 | 7,290 | ― | ― | ― | 14,530 | ||
| 101~200 | 5~100 | 0.8~1.6 | 2,680 | 2,940 | 2,940 | 3,620 | 5,960 | 6,300 | 3,280 |
| 2.0~3.2 | 2,960 | 3,300 | 3,300 | 3,620 | 5,960 | 6,300 | 3,900 | ||
| 4.0~5.0 | 3,740 | 4,160 | 4,160 | 4,720 | 7,760 | 8,200 | 5,850 | ||
| 6 | 3,740 | 4,160 | 4,160 | ― | ― | ― | 9,000 | ||
| 9 | 5,180 | 5,750 | 5,750 | ― | ― | ― | 10,820 | ||
| 101~200 | 0.8~1.6 | 2,800 | 3,160 | 3,160 | 4,240 | 7,580 | 8,240 | 3,640 | |
| 2.0~3.2 | 3,120 | 3,520 | 3,520 | 4,240 | 7,580 | 8,240 | 4,380 | ||
| 4.0~5.0 | 3,960 | 4,540 | 4,540 | 5,500 | 9,860 | 10,680 | 6,620 | ||
| 6 | 3,960 | 4,540 | 4,540 | ― | ― | ― | 11,750 | ||
| 9 | 6,390 | 7,310 | 7,310 | ― | ― | ― | 15,890 | ||
| 201~300 | 0.8~1.6 | 2,900 | 3,300 | 3,300 | 4,820 | 8,820 | 9,460 | 4,000 | |
| 2.0~3.2 | 3,200 | 3,680 | 3,680 | 4,820 | 8,820 | 9,460 | 4,860 | ||
| 4.0~5.0 | 4,160 | 4,860 | 4,860 | 6,260 | 11,440 | 12,320 | 7,300 | ||
| 6 | 4,160 | 4,860 | 4,860 | ― | ― | ― | 15,550 | ||
| 9 | 7,660 | 8,950 | 8,950 | ― | ― | ― | 21,790 | ||
| 201~300 | 5~100 | 0.8~1.6 | 3,520 | 3,860 | 3,860 | 4,820 | 7,140 | 7,480 | 4,540 |
| 2.0~3.2 | 3,600 | 3,980 | 3,980 | 4,820 | 7,140 | 7,480 | 5,440 | ||
| 4.0~5.0 | 4,320 | 4,860 | 4,860 | 6,260 | 9,280 | 9,740 | 7,300 | ||
| 6 | 4,320 | 4,860 | 4,860 | ― | ― | ― | 11,230 | ||
| 9 | 5,980 | 6,720 | 6,720 | ― | ― | ― | 13,490 | ||
| 101~200 | 0.8~1.6 | 3,760 | 4,160 | 4,160 | 5,780 | 10,140 | 11,100 | 5,260 | |
| 2.0~3.2 | 4,240 | 4,740 | 4,740 | 5,780 | 10,140 | 11,100 | 6,480 | ||
| 4.0~5.0 | 5,000 | 5,800 | 5,800 | 7,540 | 13,180 | 14,500 | 8,400 | ||
| 6 | 5,000 | 5,800 | 5,800 | ― | ― | ― | 15,910 | ||
| 9 | 8,050 | 9,340 | 9,340 | ― | ― | ― | 21,500 | ||
| 201~300 | 0.8~1.6 | 3,960 | 4,480 | 4,480 | 6,720 | 12,680 | 13,840 | 5,940 | |
| 2.0~3.2 | 4,480 | 5,100 | 5,100 | 6,720 | 12,680 | 13,840 | 7,440 | ||
| 4.0~5.0 | 5,720 | 6,700 | 6,700 | 8,780 | 16,540 | 18,040 | 9,500 | ||
| 6 | 5,720 | 6,700 | 6,700 | ― | ― | ― | 20,800 | ||
| 9 | 10,530 | 12,330 | 12,330 | ― | ― | ― | 31,200 | ||
| 数量区分 | 標準対応 | 個別対応 | ||||
| 小口 | 大口 | 大口 | ||||
| 数量 | 1~3 | 4~7 | 8~19 | 20~39 | 40~100 | 101~ |
| 値引率 | 基準価格 | 35% | 40% | 50% | 50% | お見積り |
| 出荷日 | 通常 | +2日 | +5日 | |||
| 3 | 日目出荷 |
| ご注文締切 | |||||
| 急 | ストークA | 翌日出荷 | 500円/1本 | PM 6:00迄 | >>こちら |
| 5 | 日目出荷 |
| 5 | 日目出荷 |
| 8 | 日目出荷 |
通常価格、通常出荷日が表示と異なる場合がございます
通常価格、通常出荷日が表示と異なる場合がございます

ミスミ
板金 取付板・ブラケット -フリー寸法タイプ- JTDAS・JTDAR
4.4
ミスミ
板金 取付板・ブラケット-センター振り分けタイプ- JSDAS
4.6
ミスミ
板金 取付板・ブラケット -フリー寸法タイプ- JTAAS・JTAAR
4.6
ミスミ
フラットバー 取付板・ブラケット -センター振り分けタイプ- HRCZA
4.7
ミスミ
板金 取付板・ブラケット-センター振り分けタイプ- JSAAS
4.4
ミスミ
板金 取付板・ブラケット -フリー寸法タイプ- JTNAS・JTNAR
4.6
ミスミ
板金 取付板・ブラケット -フリー寸法タイプ- JTDZS・JTDZR
4.4
ミスミ
6面フライス 取付板・ブラケット-外径寸法フリー指定- HFMQA
4.9
ミスミ
板金 取付板・ブラケット -フリー寸法タイプ- JTBAS・JTBAR
4.6