メカニカル部品技術窓口
ミスミ品のみ対象

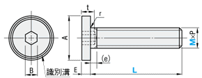
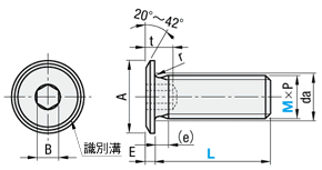
【識別マーク】







Type | [ M ]材質 | 強度区分 | 頭部引張強さ | 洗浄方法 | ||||
洗浄方法 | 洗浄環境 | 梱包形態 | 梱包環境 | |||||
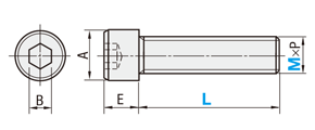
| SL-SSCB | 六角穴付ボルト | SUS316L | A4-70 | ― | 脱脂洗浄 | 一般環境 | 防錆梱包 | 一般環境 |
| SH-SSCB | 精密洗浄 | クラス1000 | 脱気2重梱包 | クラス10 | ||||
| SHD-SSCB | 電解研磨+精密洗浄 | |||||||
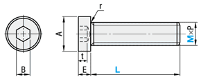
| SL-SCBF | A4-100 | 脱脂洗浄 | 一般環境 | 防錆梱包 | 一般環境 | |||
| SH-SCBF | 精密洗浄 | クラス1000 | 脱気2重梱包 | クラス10 | ||||
| SHD-SCBF | 電解研磨+精密洗浄 | |||||||
| SL-CBSSTH | 六角穴付低頭ボルト | A4-80 (8.8相当) | 脱脂洗浄 | 一般環境 | 防錆梱包 | 一般環境 | ||
| SH-CBSSTH | 精密洗浄 | クラス1000 | 脱気2重梱包 | クラス10 | ||||
| SHD-CBSSTH | 電解研磨+精密洗浄 | |||||||
| SL-CBSTSS | 六角穴付極低頭ボルト | (注1) | 400N/mm2 | 脱脂洗浄 | 一般環境 | 防錆梱包 | 一般環境 | |
| SH-CBSTSS | 精密洗浄 | クラス1000 | 脱気2重梱包 | クラス10 | ||||
| SHD-CBSTSS | 電解研磨+精密洗浄 | |||||||
| SL-CBSTSSR | 六角穴付超極低頭ボルト | M2:200N/mm2 M2.5以上:350N/mm2 | 脱脂洗浄 | 一般環境 | 防錆梱包 | 一般環境 | ||
| SH-CBSTSSR | 精密洗浄 | クラス1000 | 脱気2重梱包 | クラス10 | ||||
| SHD-CBSTSSR | 電解研磨+精密洗浄 | |||||||
| 型式 |
| SL-CBSTSS3-10 |
| 型式 | M×P | 頭部径 A | 頭部高さ E | 六角穴幅 B | ||
| Type | M | L(選択) | ||||
| SL-SSCB SH-SSCB SHD-SSCB SL-BOX-SSCB SH-BOX-SSCB SHD-BOX-SSCB | 3 | 6~20 | 3×0.5 | 5.5 | 3 | 2.5 |
| 4 | 8~20 | 4×0.7 | 7 | 4 | 3 | |
| 5 | 8~25 | 5×0.8 | 8.5 | 5 | 4 | |
| 6 | 10~25 | 6×1.0 | 10 | 6 | 5 | |
| 8 | 15~30 | 8×1.25 | 13 | 8 | 6 | |
| 10 | 20~35 | 10×1.5 | 16 | 10 | 8 | |
| 12 | 20~40 | 12×1.75 | 18 | 12 | 10 | |
| SL-SCBF SH-SCBF SHD-SCBF SL-BOX-SCBF SH-BOX-SCBF SHD-BOX-SCBF | 3 | 5~20 | 3×0.5 | 5.5 | 3 | 2.5 |
| 4 | 6~20 | 4×0.7 | 7 | 4 | 3 | |
| 5 | 8~25 | 5×0.8 | 8.5 | 5 | 4 | |
| 6 | 10~30 | 6×1.0 | 10 | 6 | 5 | |
| 型式 | M×P | 頭部径 | 頭部高さ | 六角穴幅 | 六角穴深さ | 首下 | ||
| Type | M | L(選択) | A | E | B | t max. | r | |
| SL-CBSSTH SH-CBSSTH SHD-CBSSTH | 3 | 4~10 | 3×0.5 | 5.5 | 2 | 2 | 1.5 | 0.1以上 |
| 4 | 5~12 | 4×0.7 | 7 | 2.8 | 2.5 | 2.3 | 0.2以上 | |
| 5 | 6~16 | 5×0.8 | 8.5 | 3.5 | 3 | 2.7 | 0.2以上 | |
| 6 | 10~20 | 6×1.0 | 10 | 4 | 4 | 3 | 0.25以上 | |
| 型式 | M×P | 頭部径 A | 頭部高さ E | 六角穴幅 B | 六角穴深さ t max. | 不完全ねじ部 (e)max. | 首下 r | ||
| Type | M | L(選択) | |||||||
| SL-CBSTSS SH-CBSTSS SHD-CBSTSS | 2 | 3~6 | 2×0.4 | 4 | 1.1 | 1.3 | 1.2 | 1.2 | 0.2以上 |
| 2.5 | 3~8 | 2.5×0.45 | 5 | 1.3 | 1.5 | 1.5 | |||
| 3 | 4~16 | 3×0.5 | 6 | 1.5 | 1.5 | 2 | 1.6 | ||
| 4 | 5~20 | 4×0.7 | 8 | 2 | 2.5 | ||||
| 5 | 6~25 | 5×0.8 | 9 | 3 | 3 | 2 | |||
| 6 | 8~25 | 6×1.0 | 10 | 4 | 2.5 | ||||
| 型式 | M×P | 頭部径 A | 頭部高さ E | 六角穴幅 B | 六角穴深さ t max. | 不完全ねじ部 (e)max. | 首下 r | 首下 da max. | ||
| Type | M | L(選択) | ||||||||
| SL-CBSTSSR SH-CBSTSSR SHD-CBSTSSR | 2 | 3~6 | 2×0.4 | 4 | 0.5 | 1.3 | 1.2 | 1.2 | 0.1~0.45 | 2.6以下 |
| 2.5 | 3~8 | 2.5×0.45 | 5 | 0.6 | 3.1以下 | |||||
| 3 | 4~16 | 3×0.5 | 6 | 0.8 | 1.5 | 2 | 1.4 | 0.1~0.5 | 3.6以下 | |
| 4 | 5~20 | 4×0.7 | 8 | 0.9 | 2 | 2.5 | 1.5 | 0.2~0.6 | 4.7以下 | |
| 5 | 6~25 | 5×0.8 | 9 | 1 | 2.5 | 3 | 1.8 | 0.2~0.65 | 5.7以下 | |
| 6 | 8~25 | 6×1.0 | 10 | 1.2 | 3 | 4 | 2.2 | 0.25~0.75 | 6.8以下 | |
洗浄工程| ※材質がステンレスの場合、アルカリ系温水洗浄となることがあります。 | |
| ・脱脂洗浄(型式:SL-□□) | ※表面処理が低温黒色クロムメッキの場合、IPA洗浄となります。 |
作業環境:一般環境 | ||||||
|---|---|---|---|---|---|---|
![]() 炭化水素系洗浄※ Ro水洗浄 中性洗剤洗浄 | ![]() | ![]() 高圧ジェット水洗(Ro水) 後に純水(10MΩ・cm)で 洗浄 | ![]() | ![]() エアブロー(オイルフリー) 使用 | ![]() | ![]() 防錆袋使用 |
| ・精密洗浄(型式:SH-□□) | ※表面処理が低温黒色クロムメッキの場合、IPA洗浄となります。 |
作業環境:クラス1000 | 作業環境:クラス10 | |||||||
|---|---|---|---|---|---|---|---|---|
![]() 炭化水素系洗浄※ Ro水洗浄 中性洗剤洗浄 | ![]() | ![]() 高圧ジェット水洗(Ro水) 後に純水(10MΩ・cm)で 洗浄 | ![]() | ![]() 温純水(13MΩ・cm)使用 | ![]() | ![]() 窒素ブロー使用 | ![]() | ![]() クリーンベンチ(クラス10) で実施 |
作業環境:クラス1000 | 作業環境:クラス10 | |||||||||
|---|---|---|---|---|---|---|---|---|---|---|
![]() 炭化水素系洗浄 Ro水洗浄 中性洗剤洗浄 | ![]() | ![]() 材質に応じた電解研磨槽 で電解研磨 | ![]() | ![]() 高圧ジェット水洗(Ro水) 後に純水(10MΩ・cm)で 洗浄 | ![]() | ![]() 温純水(13MΩ・cm)使用 | ![]() | ![]() 窒素ブロー使用 | ![]() | ![]() クリーンベンチ(クラス10) で実施 |
梱包例| 脱脂洗浄の場合 (TYPE型番:SL-□□) | 精密洗浄または電解研磨+精密洗浄の場合 | |
| (TYPE型番:SH-□□・SHD-□□) | ||
| オーステナイト系ステンレス・アルミ材質の場合 | 鉄・マルテンサイト系ステンレス材質の場合 | |
![]() | ![]() ![]() | ![]() |
| 一部商品・サイズによっては、 梱包形態が異なる場合がございます。 | [ ! ]1重目・2重目の梱包とも、脱気されております。 | [ ! ]防錆対策として乾燥剤を同封しております。 1梱包につき1つになります。 |
洗浄効果・利用推奨環境| 洗浄方法 | 商品型番 | 梱包形態 | 未洗浄品と比べた効果 | ご利用環境(目安) | 利用シーン・工程 |
|---|---|---|---|---|---|
| 脱脂洗浄 | SL-□□ | 防錆梱包 | 油分除去 | 一般環境 | 通常組立工程 |
| バッテリー組立後工程 | |||||
| 精密洗浄 | SH-□□ | 脱気2重梱包 | 油分除去 粉塵除去 | クリーン環境(クラス10~1,000) | バッテリー組立工程 |
| 液晶関連組立後工程 | |||||
| 車載カメラ組立工程 | |||||
| 電解研磨+精密洗浄 | SHD-□□ | 脱気2重梱包 | 油分除去 粉塵除去 アウトガス低減 | 真空環境 クリーン環境(クラス10~1,000) | 半導体前工程 |
| 液晶成膜工程 | |||||
| 有機EL前工程 |
| 型番 |
|---|
通常単価(税別)
(税込単価) | 通常出荷日 |
洗浄不要の場合の代替品
|
|---|
- ( - ) | 3日目 |
|
- ( - ) | 3日目 |
|
- ( - ) | 3日目 |
|
- ( - ) | 3日目 |
|
- ( - ) | 3日目 |
|
- ( - ) | 3日目 |
|
- ( - ) | 3日目 |
|
- ( - ) | 3日目 |
|
- ( - ) | 3日目 |
|
- ( - ) | 3日目 |
|
- ( - ) | 3日目 |
|
- ( - ) | 3日目 |
|
- ( - ) | 3日目 |
|
- ( - ) | 3日目 |
|
- ( - ) | 3日目 |
|
- ( - ) | 3日目 |
|
- ( - ) | 3日目 |
|
- ( - ) | 3日目 |
|
- ( - ) | 3日目 |
|
- ( - ) | 3日目 |
|
- ( - ) | 3日目 |
|
- ( - ) | 3日目 |
|
- ( - ) | 3日目 |
|
- ( - ) | 3日目 |
|
- ( - ) | 3日目 |
|
- ( - ) | 3日目 |
|
- ( - ) | 3日目 |
|
- ( - ) | 3日目 |
|
- ( - ) | 3日目 |
|
- ( - ) | 3日目 |
|
- ( - ) | 3日目 |
|
- ( - ) | 3日目 |
|
- ( - ) | 3日目 |
|
- ( - ) | 3日目 |
|
- ( - ) | 3日目 |
|
- ( - ) | 3日目 |
|
- ( - ) | 3日目 |
|
- ( - ) | 3日目 |
|
- ( - ) | 3日目 |
|
- ( - ) | 3日目 |
|
- ( - ) | 3日目 |
|
- ( - ) | 3日目 |
|
- ( - ) | 3日目 |
|
- ( - ) | 3日目 |
|
- ( - ) | 3日目 |
|
- ( - ) | 3日目 |
|
- ( - ) | 3日目 |
|
- ( - ) | 3日目 |
|
- ( - ) | 3日目 |
|
- ( - ) | 3日目 |
|
- ( - ) | 3日目 |
|
- ( - ) | 3日目 |
|
- ( - ) | 3日目 |
|
- ( - ) | 3日目 |
|
- ( - ) | 3日目 |
|
- ( - ) | 3日目 |
|
- ( - ) | 3日目 |
|
- ( - ) | 3日目 |
|
- ( - ) | 3日目 |
|
- ( - ) | 3日目 |
| ・脱脂洗浄(防錆1重梱包) | :型番SL-□□ |
| ・精密洗浄(脱気2重梱包) | :型番SH-□□ |
| ・電解研磨+精密洗浄(脱気2重梱包) | :型番SHD-□□ |
| 商品型番 | 洗浄方法 | 梱包形態 | 未洗浄品と比べた効果 | ご利用環境(目安) | 工程別 |
| SL-□□ | 脱脂洗浄 | 防錆梱包 | 油分除去 | 一般環境 | 通常組立工程 |
| バッテリー組立後工程 | |||||
| SH-□□ | 精密洗浄 | 脱気2重梱包 | 油分除去 粉塵除去 | クリーン環境(クラス10~1,000) | バッテリー組立工程 |
| 液晶関連組立後工程 | |||||
| 車載カメラ組立工程 | |||||
| SHD-□□ | 電解研磨+精密洗浄 | 脱気2重梱包 | 油分除去 粉塵除去 アウトガス低減 | 真空環境 クリーン環境(クラス10~1,000) | 半導体前工程 |
| 液晶成膜工程 | |||||
| 有機EL前工程 |
極低頭ボルトなら、非磁性、耐食性に優れたSUS316Lです。
| SUS440C | SUS304 | SUS316L | |
| 試験前 | ![]() | ![]() | ![]() |
| 48hr | ![]() | ![]() | ![]() |
| 168hr | ![]() | ![]() | ![]() |
試験方法
複合腐食試験として JIS H 8502
サイクル試験方法に準拠
試験条件
①塩水噴霧試験(5%NaCI. 35℃) 2hr
②乾燥(60℃) 4hr
③湿潤(95%RH. 35℃) 2hr
通常価格、通常出荷日が表示と異なる場合がございます
通常価格、通常出荷日が表示と異なる場合がございます

ミスミ
極低頭六角穴付ボルト【SUS316L/ SUSXM7/ SCM435】
4.7通常価格(税別):90円~

ミスミ
低頭六角穴付ボルト【メカニカル部品カタログ掲載】
4.6通常価格(税別):90円~

ミスミ
超極低頭六角穴付ボルト【SUS316L/ SUS304相当/ SCM435】
4.6通常価格(税別):230円~

ミスミ
超極低頭ボルト ヘクサロビュラタイプ
4.5通常価格(税別):120円~

ミスミ
【エコノミーシリーズ】 RoHS対応 超極低頭ボルト 六角穴タイプ
4.7通常価格(税別):77円

ミスミ
SUS316L 低頭ボルト
0通常価格(税別):95円~

ミスミ
【エコノミーシリーズ】 RoHS対応 極低頭ボルト 六角穴タイプ
0通常価格(税別):76円

鍋屋バイテック
六角穴付き極低頭ボルト SSH
4.7通常価格(税別):331円~

ミスミ
極低頭六角ボルト
4.7通常価格(税別):180円~