メカニカル部品技術窓口
ミスミ品のみ対象




| [ M ]材質 | ロック時 引き抜き強度 | 定格動作電圧/電流 | 安全等級 | |
| セーフティドアスイッチ | アクチュエータ | |||
| PA66 | SUS201 | 1300N | DC24V,200mA | IEC61508 SIL2 TUV EN60947-5-1:2017 |
| 型番 |
| E-MSM2AFG-K1 E-MSM2AFG |
| 型番 | 接点タイプ | ロック方式 | ¥基準単価 | ||
| Type | 付属アクチュエータ | K1・K2 | 指定なし | ||
| E-MSM2AFG | K1(水平取付T型) K2(垂直取付L型) 指定なし(付属なし) | 1NC/1NO+1NC/1NO | DC24V電磁ロック/機械式解除 | 9,420 | 8,720 |
| E-MSM2AFA | 機械式ロック/DC24V電磁解除 | ||||
| E-MSM2CFG | 2NC+1NC/1NO | DC24V電磁ロック/機械式解除 | |||
| E-MSM2DFG | 2NC+2NC | ||||
| E-MSM2DFA | 機械式ロック/DC24V電磁解除 | ||||
| E-MSM2TFG | 3NC+1NC | DC24V電磁ロック/機械式解除 | |||
| E-MSM2OFG | 1NC+3NC | ||||
電磁式/機械式ドアロック 操作キー付属セット型番一覧



| 型式 | 接点タイプ | 接点形式(4接点タイプ) | 接点形式 | ||
| ドア監視 | ロック監視 | ドア監視 | ロック監視 | ||
![]() | ![]() | ![]() | |||
| E-MSM2AFG E-MSM2AFA | 1NC/1NO+1NC/1NO | ![]() | ![]() | ![]() | |
| E-MSM2CFG | 2NC+1NC/1NO | ![]() | ![]() | ![]() | |
| E-MSM2DFG E-MSM2DFA | 2NC+2NC | ![]() | ![]() | ![]() | |
| E-MSM2TFG | 3NC+1NC | ![]() | ![]() | ![]() | |
| E-MSM2OFG | 1NC+3NC | ![]() | ![]() | ![]() | |

| 接点形式 例:2NC+1NC/1NO | 出荷状態 (アクチュエータ未挿入) | ドア閉状態 (アクチュエータ挿入) | ドア閉状態 (アクチュエータ挿入+ロック) | ドア開状態 (アクチュエータ抜去) | 手動解除・アンロック実行 |
![]() | |||||
| 接点状態変化 | ![]() | ![]() | ![]() | ![]() | ![]() |
| ソレノイド状態 | 非通電 | 非通電 | 通電 | 非通電 | 非通電 |
| 手動解除ノブ | ![]() | ![]() | ![]() | ![]() | ![]() |
| 安全ドア状態 | 開 | 閉 | 閉 | 開 | 閉 |
| 備考 | ドア開状態 設備停止 ソレノイド非通電 | ドア閉状態 設備停止 ソレノイド非通電 | ドア閉状態 設備作動可能 ソレノイド通電 | ドア開状態 設備停止 ソレノイド通電 | ドア閉状態 設備停止 通電状態での手動解除は禁止 解除状態・ドア開状態での 長時間通電禁止 |

| 接点形式 例:2NC+1NC/1NO | 出荷状態 (アクチュエータ未挿入) | ドア閉状態 (アクチュエータ挿入+ロック) | ドア閉・ロック解除状態 (アクチュエータ挿入) | ドア開状態 (アクチュエータ抜去) | 手動解除・アンロック実行 |
![]() | |||||
| 接点状態変化 | ![]() | ![]() | ![]() | ![]() | ![]() |
| ソレノイド状態 | 非通電 | 非通電 | 通電 | 非通電 | 非通電 |
| 手動解除ノブ | ![]() | ![]() | ![]() | ![]() | ![]() |
| ドア状態 | 開 | 閉 | 閉 | 開 | 閉 |
| 備考 | ドア開状態 設備停止 ソレノイド非通電 | ドア閉状態 設備作動可能 ソレノイド非通電 | ドア閉・ロック解除 設備停止 ソレノイド通電 | ドア開状態 設備停止 ソレノイド非通電 | ドア閉状態 設備停止 ソレノイド非通電 |
| 電磁コイル | ||
| 定格動作電圧 | DC24V | |
| 消費電力 | 4.8W | |
| 定格電流 | 約200mA | |
| 絶縁階級 | B級(130°C) | |
| LED表示灯 | ||
| 定格動作電圧 | DC24V | |
| 定格電流 | 約2mA | |
| 発光色(LED) | 緑色 | |
| 安全レベル | IEC61508 SIL3, TUV EN 60947-5-1:2017 | |
| 材質 | PA66 難燃性樹脂 | |
| 機械的寿命 | 100万回以上 | |
| 電気的寿命 | 15万回以上(AC240V 3A、抵抗負荷) | |
| 使用カテゴリ | AC-15 | DC-13 |
| 定格動作電圧(Ue) | 240V | 24V |
| 定格動作電流(Ie) | 3A | 2A |
| 電気的性能 | ||
| 接触抵抗 | 25mΩ以下 | |
| 定格開放熱電流(Ith) | 10A | |
| 定格絶縁電圧(Ui) | 300V | |
| 感電保護等級 | Class II(二重絶縁) | |
| パルス耐電圧 (EN60947-5-1) | 2.5KV | |
| 絶縁抵抗 | 100MΩ以上 | |
| 短絡保護装置 | 10A / 250V 高速ヒューズが必要 | |
| 耐振動 | 10~55Hz、両振幅1.5mm | |
| 耐衝撃 | 耐久 1000m/s2 | |
| 条件付き短絡電流 | 100A(EN60947-5-1) | |
| 接点間隔 | 2×2mm以上 | |
| 動作特性 | ||
| 強制遮断の予備行程 | 10mm以上 | |
| 操作速度 | 0.1m~0.5m/s | |
| 許容操作頻度 | 最大30回/分 | |
| ロック時引き抜き強度 | 1300N | |
| 環境仕様 | ||
| 使用周囲温度 | -10°C〜+55°C(結露なきこと) | |
| 使用周囲湿度 | 95%RH未満 | |
| 保護等級 | IP67(セーフティドアスイッチ本体のみ) | |






[ ! ]注意事項
・通電中の配線はしないでください(感電リスク)。
・配線の際には、スイッチ本体内に電線の細片やその他の異物が入らないようにしてください。
・絶縁チューブまたはM3.0E着端子を使用して端子を接続する際は、ケースやカバーに圧着がかからないようにしてください。
・対応可能な電線サイズ: AWG20~AWG18(0.5~0.75mm)。適切な長さの電線を使用してください。
これに従わない場合、カバーの膨らみや固定不良が生じる可能性があります。
・ケースの隙間に圧着端子を無理に押し込まないでください。ケースの破損や変形の原因となります。
・端子がメインスイッチケース内部と接触することを避けるため、厚さ0.5mm以下の端子を使用してください。


■ドアスイッチユニット取付


| 種類 | 適正トルク(N・m) |
| 端子ねじ | 0.59〜0.78 |
| 端子ボックス上蓋ねじ | 0.49〜0.69 |
| ロックヘッド取り付けねじ | 0.49〜0.59 |
| 作動キー取り付けねじ | 2.35〜2.75 |
| ロック本体取り付けねじ | 0.49〜0.69 |
| コネクタ | 0.77〜2.16 |
| カバー取り付けねじ | 1.27〜1.67 |
| 型番 |
|---|
通常単価(税別)
(税込単価) | 通常出荷日 |
|---|
8,720円 ( 9,592円 ) | 在庫品1日目当日出荷可能 |
9,420円 ( 10,362円 ) | 在庫品1日目当日出荷可能 |
9,420円 ( 10,362円 ) | 在庫品1日目当日出荷可能 |
8,720円 ( 9,592円 ) | 在庫品1日目当日出荷可能 |
9,420円 ( 10,362円 ) | 在庫品1日目当日出荷可能 |
9,420円 ( 10,362円 ) | 在庫品1日目当日出荷可能 |
8,720円 ( 9,592円 ) | 在庫品1日目当日出荷可能 |
9,420円 ( 10,362円 ) | 在庫品1日目当日出荷可能 |
9,420円 ( 10,362円 ) | 在庫品1日目当日出荷可能 |
8,720円 ( 9,592円 ) | 在庫品1日目当日出荷可能 |
9,420円 ( 10,362円 ) | 在庫品1日目当日出荷可能 |
9,420円 ( 10,362円 ) | 在庫品1日目当日出荷可能 |
8,720円 ( 9,592円 ) | 在庫品1日目当日出荷可能 |
9,420円 ( 10,362円 ) | 在庫品1日目当日出荷可能 |
9,420円 ( 10,362円 ) | 在庫品1日目当日出荷可能 |
8,720円 ( 9,592円 ) | 在庫品1日目当日出荷可能 |
9,420円 ( 10,362円 ) | 在庫品1日目当日出荷可能 |
9,420円 ( 10,362円 ) | 在庫品1日目当日出荷可能 |
8,720円 ( 9,592円 ) | 在庫品1日目当日出荷可能 |
9,420円 ( 10,362円 ) | 在庫品1日目当日出荷可能 |
9,420円 ( 10,362円 ) | 在庫品1日目当日出荷可能 |
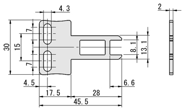
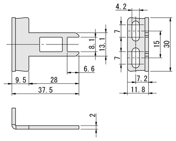
E-MSM2Aシリーズは、スイッチ本体の開口部に取り付けられたアクチュエータが防護扉の開閉を検出し、確実なロック制御と安全管理を実現します。
通常価格、通常出荷日が表示と異なる場合がございます
通常価格、通常出荷日が表示と異なる場合がございます

オムロン
一般用基本スイッチ Z
4.4通常価格(税別):872円~

オムロン
超小形基本スイッチ 【D3M】
5通常価格(税別):298円~

オムロン
2回路リミットスイッチ WL-N/WL
4.4通常価格(税別):590円~

オムロン
超小形基本スイッチ SS
4.6通常価格(税別):136円~

オムロン
小形基本スイッチ V
4.8通常価格(税別):301円~

オムロン
小形封入スイッチ SHL
5通常価格(税別):2,289円~

オムロン
小形封入スイッチ 【D4E-□N】
5通常価格(税別):1,983円~

オムロン
ドア用電源スイッチ【D2D】
4.4通常価格(税別):518円~

オムロン
小形電磁ロック・セーフティドアスイッチ D4SL-N
4.3通常価格(税別):9,655円~