メカニカル部品技術窓口
ミスミ品のみ対象
![【ふっ素樹脂コーティング】板金 取付板・ブラケット-Z曲げタイプ-SWBCS FH-SWBCS-SUD-A[20-200/1]-B[10-200/1]-T[0.8,1,1.2,1.5,2,3,4]](https://content.misumi-ec.com/image/upload/t_product_main/t_misumi_wm/t_fluorine/v1/p/jp/product/series/110311169819/110311169819_20241018110215.jpg)

| 穴種 | ボルト通し穴 | タップ穴(並目) |
| Code | N・NA | M・MA |
| 形状図 | [ ! ] ![]() | ![]() |
| [ ! ]d寸法は規格表下部 「N・NA加工寸法表」参照 |
| 型式 | [ M ]材質 | コーティング仕様 | |||||||
| Type | 材質記号 | [ S ]コーティング種類 | 膜厚 | 耐熱温度 | [ H ]被膜硬度 | ||||
| FH-SWBCS | SUD | SUS304(2B) | ふっ素樹脂コーティング (変性塗料:PTFE+PAI) |
| 210℃ | 鉛筆硬度 2H | |||
| 型式 | - | A | - | B | - | T | - | H | - | J | - | X | - | Y | - | W | - | 穴指定① Code・呼び径 | - | F | - | E | - | S | - | G | - | 穴指定② Code・呼び径 | ||
| Type | - | 材質記号 | ||||||||||||||||||||||||||||
| FH-SWBCS | - | SUD | - | A80 | - | B40 | - | T2.0 | - | H15 | - | J40 | - | X20 | - | Y10 | - | W15 | - | N4 | - | F30 | - | E10 | - | S10 | - | G20 | - | NA5 |
| 型式 | 指定1mm単位 | 選択 | 1mm単位 | J | X | Y | W | 穴指定① | F | E | S | G | 穴指定② | ||||
| Type | 材質記号 | A | B | T | H | Code/指定方法 | Code/指定方法 | ||||||||||
| FH-SWBCS | SUD | 20~200 | 10~200 | 0.8 ・ 1.0 ・ 1.2 1.5・2.0 | 10~100 | N | M | NA | MA | ||||||||
| (ボルト通し穴) | (タップ穴) | (ボルト通し穴) | (タップ穴) | ||||||||||||||
| 指定 | 3・4・5 | 3・4・5 | 指定 | 3・4・5 | 3・4・5 | ||||||||||||
| 0.1mm単位 | 6・8・10 | 6・8・10 | 0.1mm単位 | 6・8・10 | 6・8・10 | ||||||||||||
| 30~200 | 3.0・4.0 | (選択) | (選択) | (選択) | (選択) | ||||||||||||
| [ ! ] | [ ! ] | [ ! ] | [ ! ] | ||||||||||||||
| [ ! ]穴が端面に近すぎると穴が変形する可能性がありますが、加工限界内であればそのまま加工します。 | |||||||||||||||||
[ ! ]N・NA加工寸法表
| N・NA指定値 | 通し穴径(d) |
| 3 | 3.5 |
| 4 | 4.5 |
| 5 | 5.5 |
| 6 | 6.5 |
| 8 | 9 |
| 10 | 11 |
[ ! ]穴加工対応表
| T | N・NA(ボルト通し穴) | M・MA(タップ穴) |
| 0.8 | 3・4・5・6・8・10 | - |
| 1.0、1.2 | 3 | |
| 1.5 | 3・4 | |
| 2.0 | 3・4・5・6 | |
| 3.0 | 3・4・5・6・8 | |
| 4.0 | 3・4・5・6・8・10 |

| Alterations | コーナーカット変更(2コーナー) | コーナーカット変更(4コーナー) | ||
![]() | ![]() | |||
| Code | CC | WCC | ||
| Spec. | CC=指定1mm単位 [ ! ] 1≦CC≦10
(例)~-CC10 | WCC=指定1mm単位 [ ! ] 1≦WCC≦10
(例)~-WCC10 | ||
| ¥/1Code | 200 | 400 |
[ ! ]1.許容差は下図を参照
| <加工寸法の普通許容差> | ||||||
| 商品 | 基準寸法の区分 (A・H寸法) | 6以下 | 6を超え 30以下 | 30を超え 120以下 | 120を超え 400以下 | |
| 板金(曲げ加工品) | 許容差(a・h) | ±0.3 | ±0.5 | ±0.8 | ±1.2 | |
| ※JIS B 0408の金属プレス加工品普通許容差の公差等級:B級を採用。 | ||||||

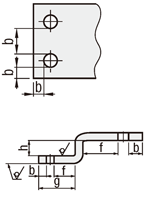
[ ! ]5.下図のf,b,h,gの各部には加工限界があります。
| T | f(穴と曲げの距離) | b (穴と断面 との距離) | h | g | ||||
| SUS304 | 通し穴 | タップ穴 | 公差付穴 曲げと平行な長穴 | |||||
| L曲げ | Z・凸曲げ | L曲げ | Z・凸曲げ | |||||
| 0.8 | 2 | 3 | - | - | 3.5 | 1 | 5 | 5 |
| 1.0 | 2 | 3 | 3 | 5.5 | 3.5 | 1 | 5.5 | 5.5 |
| 1.2 | 2 | 3 | 3 | 5.5 | 3.5 | 1 | 5.5 | 5.5 |
| 1.5 | 2 | 3.5 | 3 | 6 | 4 | 1 | 6 | 6 |
| 2.0 | 2 | 4.5 | 3 | 7 | 5 | 1.5 | 7 | 7 |
| 3.0 | 2 | 6.5 | 3 | 9 | 7 | 1.5 | 9 | 9 |
| 4.0 | 3 | 7.5 | 4 | 11 | 8(9) | 2 | 11 | 11 |
[ ! ] T4.0・T4.5の曲げと平行な長穴のfは(9)となります。
[ ! ]上記加工限界値で寸法指定した場合、穴が変形する可能性があります。

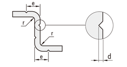
[ ! ]6.プレスブレーキのブレーキ押さえによるキズが付きます。r・e・d寸法は目安となります。
| T | 曲げ後R | ブレーキキズ | |
| 位置 | 深さ | ||
| SUS304 | (r) | (e) | (d) |
| 0.8 | 0.8 | 5 | 0.1 |
| 1.0 | 1 | 5 | 0.1 |
| 1.2 | 1.2 | 5 | 0.1 |
| 1.5 | 1.5 | 6 | 0.1 |
| 2.0 | 2.0 | 7.5 | 0.1 |
| 3.0 | 3.0 | 10.5 | 0.2 |
| 4.0 | 4.0 | 13.5 | 0.3 |

[ ! ] 曲げと穴の位置が近い場合、rが小さくなることがあります。
[ ! ]7.曲げによる食い込み、及び膨らみが付きます。

| 表面処理名称 | ふっ素樹脂コーティング (変性塗料:PTFE+PAI) |
| 表面硬度 | 鉛筆硬度 2H |
| 動摩擦係数_参考値 | 0.15~0.3 |
| 撥水角(撥水性)_参考値 | 107° |
| 電気的特性_参考値 | 帯電防止 1010~1011Ω |
| A | B | T | ¥基準単価 |
| FH-SWBCS | |||
| 20~100 | 10~100 | 0.8~1.5 | 5,480 |
| 2.0 | 5,800 | ||
| 3.0 | 5,900 | ||
| 4.0 | 6,350 | ||
| 101~200 | 0.8~1.5 | 8,130 | |
| 2.0 | 8,420 | ||
| 3.0 | 8,420 | ||
| 4.0 | 9,110 | ||
| 101~200 | 10~100 | 0.8~1.5 | 8,130 |
| 2.0 | 8,420 | ||
| 3.0 | 8,420 | ||
| 4.0 | 9,110 | ||
| 101~200 | 0.8~1.5 | 10,330 | |
| 2.0 | 10,330 | ||
| 3.0 | 10,330 | ||
| 4.0 | 10,940 |
| 9 | 日目出荷 |
| 数量区分 | 標準対応 | 個別対応 | |
| 小口 | 大口 | 大口 | |
| 数 量 | 1~19 | 20〜39 | 40~ |
| 出荷日 | 通常 | +4日 | お見積り |
通常価格、通常出荷日が表示と異なる場合がございます
通常価格、通常出荷日が表示と異なる場合がございます

ミスミ
板金 取付板・ブラケット-Z曲げタイプ-SWCAS
4.3
ミスミ
板金 取付板・ブラケット-Z曲げタイプ-SWBAS
4.6
ミスミ
板金 取付板・ブラケット-Z曲げタイプ-SWBZS
4.5
ミスミ
板金 取付板・ブラケット-Z曲げタイプ-SWBBS
4.7
ミスミ
板金 取付板・ブラケット-Z曲げタイプ-SWBCS
3.7
ミスミ
板金 取付板・ブラケット-Z曲げタイプ-SWCBS
4.5
ミスミ
板金 取付板・ブラケット-Z曲げタイプ-SWBDS
4.7
ミスミ
【クリーン洗浄品】板金 取付板・ブラケット-Z曲げタイプ- SWBAS
0
ミスミ
板金 取付板・ブラケット -フリー寸法タイプ- JTDAS・JTDAR
4.4